Next Article in Journal
Experimental Research on the Load Transfer Mechanism of Tie Plates for 400 km/h High-Speed Turnouts
Next Article in Special Issue
The Impact of Power Definitions on the Disaggregation of Home Loads for Smart Meter Measurements
Previous Article in Journal
A Novel Fault-Tolerant Approach for Dynamic Redundant Path Selection Service Migration in Vehicular Edge Computing
 
 
Font Type:
Arial Georgia Verdana
Font Size:
Aa Aa Aa
Line Spacing:
Column Width:
Background:
Review

Life Cycle Carbon Emission Assessment of Building Refurbishment: A Case Study of Zero-Carbon Pavilion in Shanghai Yangpu Riverside

1
School of Mechanical Engineering, Tongji University, Shanghai 201804, China
2
College of Architecture and Urban Planning, Tongji University, Shanghai 200092, China
3
Tongji Architectural Design (Group) Co., Ltd., Shanghai 200092, China
*
Authors to whom correspondence should be addressed.
Appl. Sci. 2022, 12(19), 9989; https://doi.org/10.3390/app12199989
Submission received: 10 September 2022 / Revised: 27 September 2022 / Accepted: 29 September 2022 / Published: 5 October 2022
(This article belongs to the Special Issue Smart Energy Systems for Carbon-Neutral Urban Communities)

Abstract

:
Life cycle building carbon assessment can promote the development of carbon emission reduction. The main difficulties in the process of assessment are the boundary selection and inventory collection, especially when carbon emission assessment is needed in the early stage of design and construction, or when the calculation relates to disposal and refurbishment. It is significant to make full and rational use of design documents, standard documents, and related software. This paper focuses on the life cycle carbon emission assessment of building refurbishment. It explores the carbon emission assessment methodologies and procedures in every phase of the building life cycle, taking a zero-carbon pavilion refurbishment project as a case study. This case study is located in the Shanghai Yangpu Riverside Park, refurbished from an existing hydrologic monitoring building. The carbon emission reduction potential of renovation and the solar photovoltaic system applied in the building are analyzed. The data was collected referring to architectural design documents and related standards. The energy consumption during the operational phase is simulated using DesignBuilder. The life-cycle carbon emission per floor area of the existing building renovation scenario is 2.39 t, and the new building scenario is 2.69 t, which are both at a low level among other cases. The refurbished existing building saves nearly one-third of the carbon dioxide emissions during the construction phase compared to new construction. The application of a photovoltaic system also saves one-third of energy consumption and carbon emissions during the operational phase.

1. Introduction

The rapid development of the construction industry has led to high energy consumption and greenhouse gas emissions. According to statistics from the International Energy Agency, the construction industry accounts for 37% of global carbon emissions, and has become one of the key carbon reduction areas [1].
The relevant research is mainly concentrated in developed countries and building carbon emissions in developing countries are gradually gaining more attention. According to Yue Teng’s statistical research, China has the most published literature on building carbon emissions [2]. As a rapidly growing developing country, China’s energy conservation and emission reduction path will provide ideas for many developing countries in the world [1]. In order to promote building environmental impact assessment more broadly, it is important to establish a building carbon emission database and related standards classified by regions and types of building [3,4]. Referring to relevant research results, the general level of building whole life cycle carbon emissions can be estimated. Bo Peng compiled data for 104 calculation cases; the whole life cycle energy consumption of residential buildings was mainly in the range of 40–400 kWh/(m2 a) [5], and the public buildings were in the range of 120–550 kWh/((m2a). Zhang Xiaocun’s study collected and compiled 348 cases of building carbon emission calculations [6], and most of them had carbon emissions in the range of 0.25–0.6 tCO2e/m2 for the production phase of building materials. In this paper, 18 calculation cases in China were selected for statistics. The whole life cycle carbon emission is in the range of 2–5 tCO2e/m2. The materialization phase is generally in the range of 0.3–0.8 tCO2e/m2, accounting for 10–30% of the whole life cycle carbon emission. The operation phase is generally in the range of 2–4.5 tCO2e/m2, accounting for 75–90% of the whole life cycle carbon emission [6,7,8,9,10,11,12,13,14,15,16,17,18,19,20,21,22,23].
The calculation of building carbon emissions is an important basis for the development of zero carbon buildings. The most common method of carbon emission assessment for single buildings is the life cycle assessment (LCA) [5]. The whole life cycle of a building generally refers to the whole process from the production of building materials to building demolition and disposal. The sum total of greenhouse gas emissions from energy consumption during the materials production, transportation, construction, operation, and disposal phases are known as life cycle carbon emissions. Key steps of life cycle assessment methodology include the identification of goals and scope, inventory analysis, impact assessment, and interpretation of results [24].
The calculation methods for a single buildings’ carbon emission assessment have been developed gradually. The existing research mainly focuses on the calculation framework and boundary, calculation tools and the source of uncertainty in the calculation process. However, whole life cycle carbon emission is often needed to be known at an early stage of the building design to obtain more energy-efficient design solutions. Roberts pointed out in a literature review that few studies are focusing on carbon emissions calculations in the absence of actual documented data and other information, and that there are great challenges in the selection of data collection processes [25]. The difficulties are as follows. First, life cycle assessments are mostly based on the assumed stable state. However, the users’ behavior, energy consumption, and external environment are in the process of dynamic change and reliable dynamic assessment methods are still lacking. Second, the data resource varies from different life cycle stages, the data sources and computational boundary selection rules are inconsistent among different cases. The third is about the application of computational tools, which mainly include LCA plug-ins in BIM software and specialized life cycle computing software to import building information and export the calculation results. Reginal templates and default parameters in software tools can be easily applied as supplements in the early stages of architectural design, while also simplifying the users’ input. However, Thais Sartori [26] found that many widely used LCA algorithms are in a “black box” state for intellectual property protection and user-friendliness of developers, making the process less transparent and more difficult for users to interpret, hindering the search for the optimization of building performance [27]. In summary, it is worthwhile to investigate how to choose the right data sources and calculation model, while using software and relevant standard documents as supports and supplements.
Nowadays, as the proportion of existing buildings rises rapidly, the energy consumption of buildings is increasing. Consequently, it is significant to discuss the carbon emissions generated before and after refurbishment. Many studies began to pay attention to the renovation of existing buildings and the environmental impact during renovation. For example, Nihat Atmaca compared the whole life cycle energy consumption of new and renovated heritage buildings based on a case study [28]. Usha Iyer-Raniga analyzed the energy-saving potential of different heritage buildings using LCA and simulation software, and proposed energy-saving and emission reduction measures that could be taken during the construction, operation, and maintenance phases [29]. However, there are few studies systematically discussing carbon emission calculation methods for building refurbishment. Distinguished from ordinary new construction, it is more difficult for refurbished buildings to define the boundary and assess the uncertainty during calculation. It is also worth exploring how to balance the environmental and social impacts of building renovation [23].
This paper mainly explores the building life cycle carbon emission assessment methodologies of refurbished buildings in the early stage of architectural design. The energy consumption of each phase is analyzed, and the generated carbon emissions are summed up to obtain the whole life cycle carbon emissions. A zero-carbon pavilion refurbishment project is taken as a case study, in which various energy saving and carbon reduction measures are applied.

2. Materials and Methods

2.1. The Calculation Model of Building Whole Life Cycle Carbon Emission

The whole life cycle of a building can be divided into the building materials production phase, materials transportation phase, building construction phase, building operational phase, and demolition phase. The whole life cycle carbon emission is the sum total of carbon emissions of the five phases, which can be expressed by the following equation [30].
C (Whole Life cycle) = CProduction + CTransportation + CConstruction + COperation + CDemolition
Meanwhile, the data source varies among different life cycle phases of building. The most ideal situation is that all the data used in the calculation are from actual engineering record documents. However, the building may be in the phases of design, construction, or early operation, which means varying degrees of data deficiency. Different data sources and paths can be chosen according to the actual situation. Figure 1 shows the calculation frame model, and optional data sources and corresponding data processing solutions [31].
The carbon emission factor method is used to calculate the carbon emission of each phase. There are three main forms in practical applications.
1.
For the carbon emissions generated directly from energy consumption:
CEnergy = Ei FEi
  • CEnergy: The carbon emissions generated by energy consumption
  • Ei: Energy consumption
  • Fi: Carbon emission factor (carbon emission per unit of energy consumption)
2.
For the carbon emissions generated from materials production:
CMaterials = Mi FMi
  • CMaterials: The carbon emissions generated by materials production
  • Mi: Amount of material weight, length, surface area, volume, etc.)
  • FMi: Carbon emission factor (carbon emission per unit amount of material)
3.
For the carbon emissions generated from engineering processes:
CEngineering process = Qi FPi
  • CEngineering process: The carbon emissions generated during the engineering process
  • Qi: Quantity of constructure work (length, surface area, volume, time, number of machines, etc.)
  • FPi: Carbon emission factor (carbon emission per unit of engineering work)

2.2. Introduction of the Case Study

The building of the case study in this paper is refurbished from an existing hydrologic monitoring building, which will be used as a museum for science exhibitions. It is located in the Shanghai Yangpu Riverside Park and is close to the Huangpu River, surrounded by several industrial historical buildings. Its geographical location and surrounding profile are shown in Figure 2.
The building consists of three main components: an above-ground monitoring station, an underground exhibition hall, and the surrounding landscape. Table 1 and Figure 3 and Figure 4 show detailed information about the building.
Shanghai belongs to the hot summer and cold winter region. To ensure the comfort of users, cooling in summer and heating in winter may cause a great amount of energy consumption. The project adopts various energy-saving and carbon emission reduction measures, including introducing natural light into an underground space, using thermal insulation in underground space, and creating thermodynamic chimneys by opening holes in the roof. Several active technologies have also been applied, including the use of air-cooled heat pumps for cooling and heating sources and radiant floors in exhibition areas, the installation of solar photovoltaic systems for exterior landscaping and roofs, and the application of hydrogen energy storage technologies.
To analyze the energy-saving potential of building refurbishment compared with new construction, a hypothetical new building will be studied together. The geographical location, structure, and functions are the same as the refurbished building. The only difference between them is the construction process. The construction process of the new building uses new materials and refers to the general construction process adopted by existing engineering projects. The information about the old building is mostly from actual design documents.

2.3. Calculation Scheme and Assumption

The LCA and the carbon emission factors method are used to calculate the carbon emissions of the case building. As it is in the constructure stage, the data of materials and the construction process were collected from architectural design and budget documents. Related standards and databases are referred to as supplements. The energy consumption during the operational phase is simulated using DesignBuilder, in which a virtual model is established.
In addition, specific assumptions and instructions to be made in the calculation process are as follows.
  • This paper uses kgCO2e and tCO2e as the units to calculate the whole life cycle carbon emissions.
  • The area to be used in calculating of carbon emissions per unit area is 717 m2, which is the sum of building area and landscape area.
  • The carbon emission factors of construction materials and energy consumption come from the “Building Carbon Emission Calculation Standard”, which includes the equivalent environmental impact caused by the other greenhouse gases.
  • The electricity consumption carbon emission factor used in this paper is 4.2 tCO2/104 kWh, according to the notice of Shanghai Municipal Bureau of Ecology and Environment on the “Adjustment of the Values of Emission Factors Related to the City’s Greenhouse Gas Emission Accounting Guidelines”, issued in February 2022 [32].
  • The new building has the same operation carbon emission as the refurbished building.
  • It is assumed that the service life of the building is 50 years, and the constructure materials are the same as the whole building [28]. To simplify the calculation, the total energy consumption and carbon emission of 50 years are based on the one-year situation result in the software.

3. Results

3.1. Carbon Emission Calculation of the Case Study

3.1.1. Building Materials Production

The data sources of the construction materials used for refurbishment are the “Construction tender quotations for overground landscape and underground space refurbishment of Zero-Carbon Pavilion in Shanghai Yangpu Riverside “. The list of building materials is based on the budgets of each sub-project. The summary of carbon emissions in the production phase of refurbished buildings is shown in Table 2.
Since the type and quantity of building materials of the assumed new building are unknown, the statistic result based on the architectural geometry model constructed in the DesignBuilder software is exported for calculation. The geometry model is shown in Figure 5.
The carbon emission intensity in the production phase of solar photovoltaic systems refers to existing case studies [33,34,35,36,37]. The average value is 8971.79 kgCO2e/kW, which is suitable for both refurbishment construction and new construction, and the power generation of the photovoltaic system is derived from software statistics.
The selection of carbon emission factors for building materials refers to the Building Carbon Emission Calculation Standard.

3.1.2. Building Materials Transportation

The weight of building materials in the transportation phases is from the statistical data of the material production phases. The transportations that are selected refer to the “Building Carbon Emission Calculation Standard”. Considering transport efficiency, the carrying capacity of the transportations is matched with the quantity of each of the building materials. The default transport distance is 40 km for concrete and 500 km for other building materials [30]. The carbon emission factors of the transport vehicles are referred to as the “Building Carbon Emission Calculation Standard”.

3.1.3. Refurbishment and Construction

The construction process is summarized and sorted referring to the budget document “Construction tender quotations for overground landscape and underground space refurbishment of Zero-Carbon Pavilion in Shanghai Yangpu Riverside “. The types of equipment and the number of classes used in each engineer process shall refer to the “Shanghai Construction and Decoration Project Budget Quota” [38] and “Shanghai Housing Construction Engineering Maintenance and Repair Budget Quota, Book I” [39], issued by the Shanghai Municipal Commission of Housing and Urban-rural Development. The carbon emission factors of the equipment refer to the “Building Carbon Emission Calculation Standard”. The calculation details are shown in Table 3.
As for new construction, due to the lack of engineering documents, this paper lists the common energy consumption of each process, and the carbon emission of this project is estimated based on the information in budget documents [2,21]. The calculation process is described in Table 4.

3.1.4. Building Operation Phase

The energy consumption of the building operation phase is obtained from the DesignBuilder software, in which the building geometry and HVAC system model are constructed. At the same time, the users’ activities, envelope, equipment parameters, and solar photovoltaic system parameters are also set according to the construction instructions. The composition and heat transfer coefficient of each envelope in the software are summarized in Table 5, and the parameters of each partition and air conditioning systems are summarized in Table 6. The carbon sink data of green vegetation comes from the budget document. According to the design drawings and construction specifications, the project is designed to have a service life of 50 years.
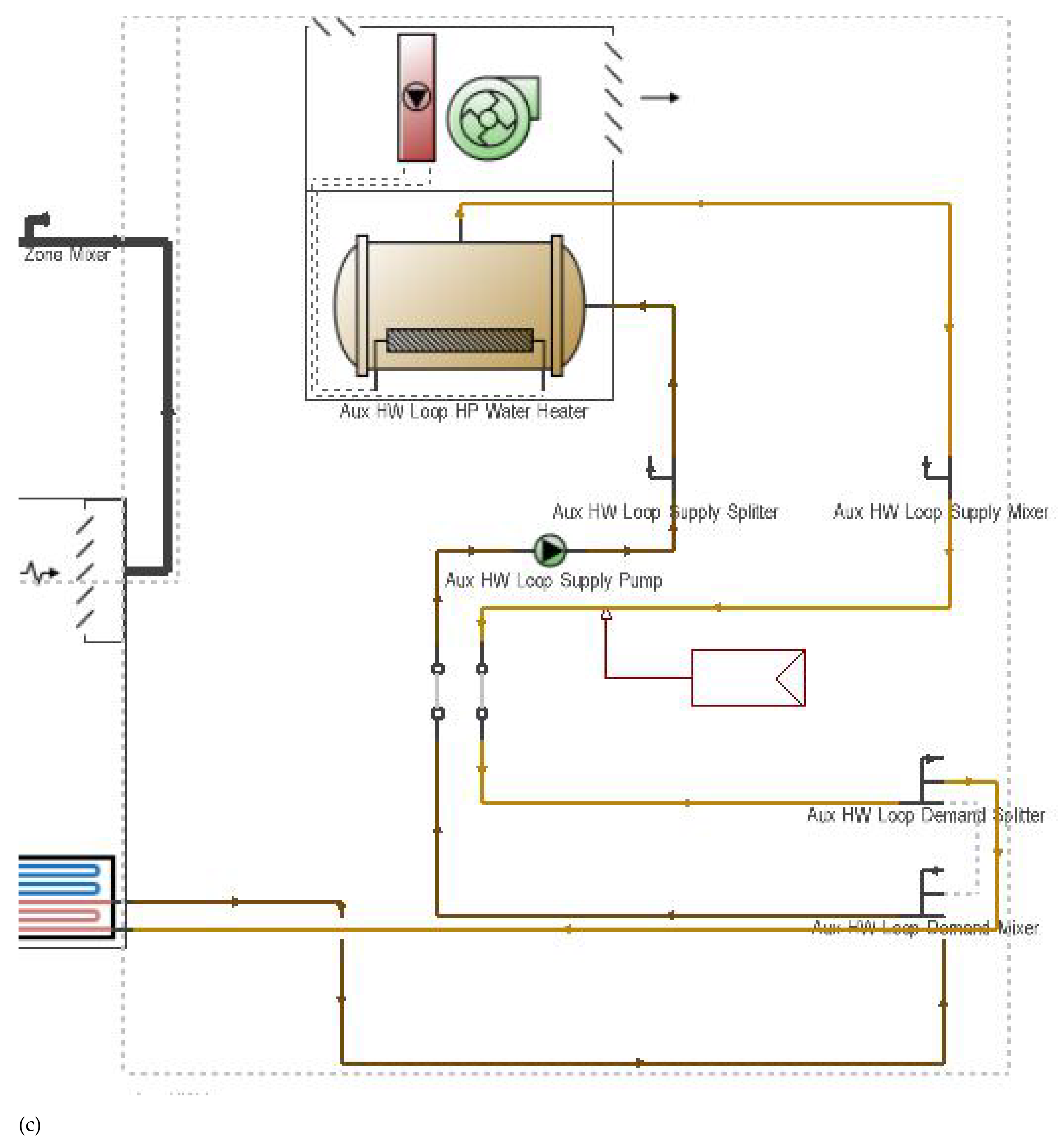
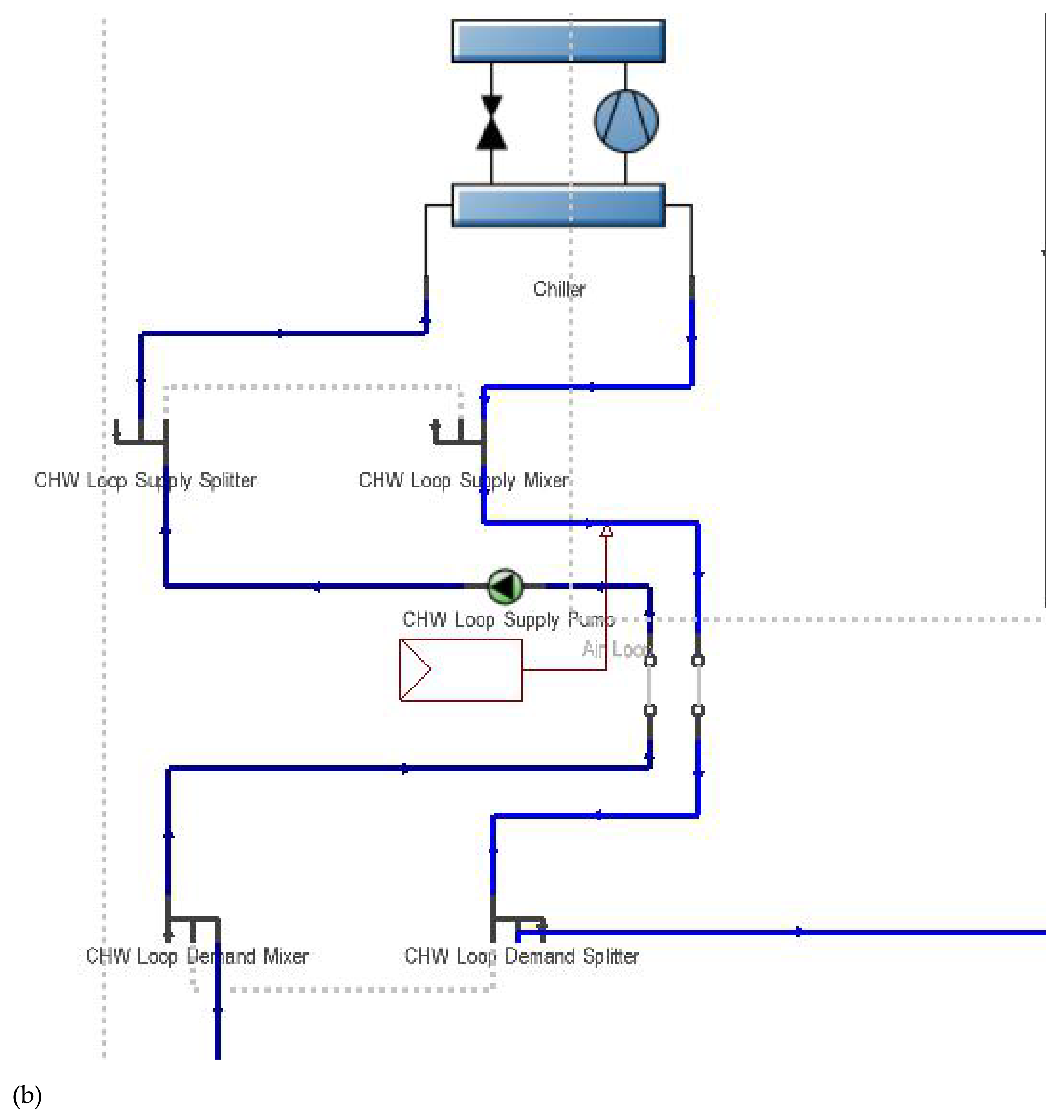
There are two main energy-saving measures during the operational phase. The air conditioning system of the exhibition area consists of an air-cooled heat pump and a radiant floor. Its air conditioning system model is shown in Figure 6. The solar photovoltaic panels are installed on the roof of the building and the surrounding corridor and then access to the power supply system. Mechanical and equipment parameters are shown in Table 7. The energy consumption of the operations phase based on software simulation is shown in Figure 7.

3.1.5. Building Demolition Phase

Due to the lack of actual engineering data during the demolition phase, the general energy consumption was summed up based on existing cases [5,23]. Other data comes from engineering design documents. Calculation details are shown in Table 8.

3.2. Calculation Result

3.2.1. Summary of the Calculation Result

The whole life cycle carbon emissions of the building and the proportion of each phase are shown in Table 9 and Figure 8. It can be seen from the chart that the carbon emissions of the building operation phase occupy the highest proportion in the whole life cycle, followed by the building materials production phase, while the carbon emissions of the building materials transportation, building construction, and building demolition phases account for a small proportion.

3.2.2. Carbon Reduction of Building Refurbishment Compared to New Construction

Compared with the new construction, the whole life cycle carbon emissions of the refurbished building are reduced by 213.56 tCO2e, accounting for 11.07% of the total carbon emissions of new buildings, and the carbon emission reduction of the production phase of building materials accounted for 77.97% of the total reduction. The carbon emission of major building materials is analyzed separately for comparison, as shown in Figure 9. The carbon emission reduction of major building materials, such as steel, concrete, cement mortar, clay, and insulation materials, reached 118.93 tCO2e, accounting for 71.42% of the overall carbon emission reduction of building materials. In the process of building refurbishment, the original foundation of the refurbished building offsets the carbon emissions of building materials that may be generated by the construction of new buildings, avoiding the repeated emissions caused by reconstruction after demolition.

3.2.3. Analysis of Carbon Emission Reduction Benefits of the Solar Photovoltaic System

The changes in carbon emissions before and after the application of the solar photovoltaic system are shown in Figure 10. As can be seen from the figure, the carbon emissions reduction during the operation phase is much greater than the carbon emissions generated by its production, transportation, and installation phases.

3.3. Assessment of the Whole Life Cycle Carbon Emission Level of Buildings

Based on the statistical results of the 18 China cases in the introduction, the carbon emission of the building can be estimated to be 2–8 tCO2e/m2 in the whole life cycle, 0.3–0.8 tCO2e/m2 in the construction phase, and 2–4.5 tCO2e/m2 in the operation phase. The refurbishment building and the assumed new building are both at a lower carbon emission level among the public calculation cases. However, for the latter, the carbon emission of the construction phase is at a high level. The comparison results are shown in Figure 11 and Table 10.
Most of these cases have actual recorded materials. Additionally, the carbon emission factors in these cases are from similar references, such as the “Building Carbon Emission Calculation Standard” issued by the Ministry of Housing and Urban-Rural Construction of the People’s Republic of China. However, it is worth noting that, due to the inconsistency of calculation methods and data resources, the statistical result is only used to reflect the carbon emission level of the case study roughly and assess the reliability of the calculation process.

4. Discussion

The above calculation model and the calculation process aim to explore more accurate and convenient solutions. According to the above case study and existing carbon emission calculation cases [6,7,8,9,10,11,12,13,14,15,16,17,18,19,20,21,22,23,40,41], one of the main difficulties is the uncertainty of data collection and boundary definition process without actual recorded materials. In addition, carbon emission factors have a complex relationship with the socio-economic environment, production technology level, energy structure, ecological environment, and other factors, and are time-sensitive and geographically applicable. Therefore, there may be some differences between the assessment result and the actual situation.
To solve the above two problems, large-scale data input, storage, and processing are needed. A possible solution is the improvement of computing tool performance, during which the authoritative database, including the accumulation and integration of building information, carbon emission factors, and related influencing factors, need to be established and updated. The other possible solution is to build a universal assessment method and mathematical model to simplify the calculation process, which also requires a large amount of data accumulation covering different types of buildings under complex application scenarios in the stage of exploration.
For further study, after the building is put into operation, actual recorded data may be obtained and used to compare with the above result. Based on the comparison, the calculation solutions can be analyzed and optimized.

5. Conclusions

The LCA method can be used for the building whole life cycle carbon emission assessment, and the carbon emission factor method is widely applied in the phases of building life cycle.
The main challenge of the calculation process is the boundary selection and inventory collection, especially when carbon emission assessment is needed in the early stage of design and construction, or when the calculation relates to the process of disposal and refurbishment. It is significant to make full and rational use of design documents, standard documents, and related software.
This paper calculated the whole life cycle carbon emission of the Zero-Carbon Pavilion in Shanghai Yangpu Riverside based on the design documents and a simulation model, and then analyzed the potential of energy-saving measures. The results show that the whole life cycle carbon emission of the refurbished building is 2.39 tCO2e/m2, while the whole life cycle carbon emission of the assumed new building is 2.69 tCO2e/m2, which are both in a low carbon emission level among the existing cases. The refurbished building saves nearly one-third of the carbon dioxide emissions during the construction phase compared to new construction. The application of a solar photovoltaic system saves one-third of the energy consumption and carbon emission of the building operation.

Author Contributions

Conceptualization, Y.P.; methodology, B.L.; software, B.L.; validation, B.L.; formal analysis, B.L.; investigation, B.L.; resources, M.K.; data curation, B.L.; writing—original draft preparation, B.L.; writing—review and editing, Y.P.; visualization, B.L.; supervision, Y.P.; project administration, L.L.; funding acquisition, L.L. All authors have read and agreed to the published version of the manuscript.

Funding

This research was funded by the Ministry of Science and Technology (Grant No. G2021133019L) and the National Science Foundation of China (Grant No. 51978481).

Conflicts of Interest

The authors declare no conflict of interest.

References

  1. Building Energy Research Center; Tsinghua University. Annual Report on China Building Energy Efficient (Public Buildings Topic); China Architecture & Building Press: Beijing, China, 2022; p. 29. (In Chinese) [Google Scholar]
  2. Teng, Y.; Xu, J.; Pan, W.; Zhang, Y. A systematic review of the integration of building information modeling into life cycle assessment. Build. Environ. 2022, 221, 109260. [Google Scholar] [CrossRef]
  3. Ascionea, F.; de Rossib, F.; Vanoli, G.P. Energy retrofit of historical buildings: Theoretical and experimental investigations for the modeling of reliable performance scenarios. Energy Build. 2011, 43, 1925–1936. [Google Scholar] [CrossRef]
  4. Obrecht, T.P.; Jordan, S.; Legat, A.; Saade, M.R.M.; Passer, A. An LCA methodology for assessing the environmental impacts of building components before and after refurbishment. J. Clean. Prod. 2021, 327, 129527. [Google Scholar] [CrossRef]
  5. Peng, B. Case Study on Life Cycle Energy Consumption and CO2 Emissions of Green Buildings. Master’s Thesis, Tsinghua University, Beijing, China, 2012. [Google Scholar]
  6. Zhang, X. Research on the Quantitative Analysis of Building Carbon Emissions and Assessment Methods for Low-carbon Buildings and Structures. Ph.D. Thesis, Harbin Institute of Technology, Harbin, China, 2018. [Google Scholar]
  7. Chunmei, G.; Qinghua, L.; Shengying, L. Green Building Life Cycle Carbon Emission Accounting Modelling and Case Analysis Based on Green Building Evaluation System. Green Build. 2019, 5, 13–18. [Google Scholar]
  8. Wang, Y.-S.; Yang, X.; Yan, H. Carbon Emission Accounting for Buildings Based on Whole Life Cycle: A Case Study of Reconstruction Project at College in Guangzhou. J. Eng. Manag. 2017, 3, 19–24. [Google Scholar]
  9. Ge, J.; Gong, M.; Zhu, W.; Li, Y. Application of Life Cycle Assessment (LCA) to the quantitative evaluation of environmental loads in buildings. Architecture and Urban Physical Environment in Urbanization. In Proceedings of the 10th National Conference on Building Physics, Guangzhou, China, 8 November 2008. (In Chinese). [Google Scholar]
  10. Li, J.; Liu, Y. The Carbon Emission Accounting Model Based on Building Lifecycle. J. Eng. Manag. 2015, 4, 12–16. [Google Scholar]
  11. Shen, D. Calculation Model of Carbon Emission in Full Life Cycle of Buildings. Build. Constr. 2021, 10, 2162–2166. [Google Scholar]
  12. Xu, Z. Zero Carbon Kindergarten Building Whole Life Carbon Emissions Analysis. China Eng. Consult. 2022, 4, 91–95. [Google Scholar]
  13. Peng, Z.; Guo, C.; Wang, L.; Li, S. Total Life-Cycle Analysis of CO2 Emission Sensitivity and Reduction Potential of Green Building. J. Tianjin Chengjian Univ. 2021, 6, 436–441. [Google Scholar]
  14. Li, Y.; Zhang, K.; Li, J. Comparative analysis of carbon emission throughout the life cycle of residential buildings and carbon reduction strategy. J. Xi’an Univ. Archit. Technol. 2021, 5, 737–745. [Google Scholar]
  15. Shi, Y.; Qiang, W.; Fu, S.; Zhao, S. Research on life cycle carbon emissions of ultra-low energy and energy-saving retrofits of existing residential buildings. Archit. Technol. 2021, 4, 417–420. [Google Scholar]
  16. Zhao, X. The Calculation of Green Building Lifecycle Carbon Emission and the Evalutation of Carbon Reduction Benefit. Master’s Thesis, Dalian University of Technology, Dalian, China, 2017. [Google Scholar]
  17. Cao, J. Study on Life Cycle Carbon Footprint Assessment of Residential Building. Master’s Thesis, Chongqing University, Chongqing, China, 2017. [Google Scholar]
  18. Wang, C. Life Cycle Assessment of Carbon Emission from Office Buildings in Yangtze River Delta. Master’s Thesis, Southeast University, Nanjing, China, 2016. [Google Scholar]
  19. Jia, Z. A study of the whole life cycle carbon emissions of a green building. Constr. Sci. Technol. 2016, 17, 78–81. (In Chinese) [Google Scholar]
  20. Li, T.; Sun, J.; Shi, C.; Yun, F.; Zhang, Q.; Tao, H. Accounting and evaluation of life-cycle carbon emissions of large public buildings. J. Green Sci. Technol. 2017, 16, 13–15+18. (In Chinese) [Google Scholar]
  21. Han, X.; Song, G. Calculation method of whole life cycle carbon emissions of Yaodong in ravine of Loess Plateau. J. Xi’an Univ. Archit. Technol. 2017, 2, 242–246. [Google Scholar]
  22. Jiang, C.; Xie, C.; Li, K. Practice and Disscussion of Carbon Emission Calculation in the Whole Life Cycle of Green Buildings—A Case Study of the Architectural Research Center Building of Chongqing Architectural Design Institute. Chongqing Archit. 2022, 6, 5–9. [Google Scholar]
  23. Zhong, P. Study of Building Life cycle Energy Use and Relevant Environmental impacts. Master’s Thesis, Sichuan University, Sichuan, China, 2005. [Google Scholar]
  24. Chau, C.K.; Leung, T.M.; Ng, W.Y. A review on Life Cycle Assessment. Life Cycle Energy Assessment and Life Cycle Carbon Emissions Assessment on buildings. Appl. Energy 2015, 143, 395–413. [Google Scholar] [CrossRef]
  25. Roberts, M.; Allen, S.; Coley, D. Life cycle assessment in the building design processA systematic literature review. Build. Environ. 2020, 185, 107274. [Google Scholar] [CrossRef]
  26. Sartori, T.; Drogemuller, R.; Omrani, S.; Lamari, F. A review of comprehensiveness, user-friendliness, and contribution for sustainable design of whole building environmental life cycle assessment software tools. Build. Environ. 2022, 212, 108784. [Google Scholar]
  27. Sartori, T.; Drogemuller, R.; Omrani, S.; Lamari, F. A schematic framework for Life Cycle Assessment (LCA) and Green Building Rating System (GBRS). J. Build. Eng. 2021, 38, 102180. [Google Scholar] [CrossRef]
  28. Atmaca, N.; Atmaca, A.; Özçetin, A.I. The impacts of restoration and reconstruction of a heritage building on life cycle energy consumption and related carbon dioxide emissions. Energy Build. 2021, 253, 111507. [Google Scholar] [CrossRef]
  29. Iyer-Raniga, U.; Wong, J.P.C. Evaluation of whole life cycle assessment for heritage buildings in Australia. Build. Environ. 2012, 47, 138–149. [Google Scholar] [CrossRef]
  30. GB/T51366-2019; Building Carbon Emission Calculation Standard. China Architecture & Building Press: Beijing, China, 2019.
  31. Gan, V.J.L.; Deng, M.; Tse, K.T.; Chan, C.M.; Lo, I.M.C.; Cheng, J.C.P. Holistic BIM framework for sustainable low carbon design of high-rise buildings. J. Clean. Prod. 2018, 195, 1091–1104. [Google Scholar] [CrossRef]
  32. Notice of Shanghai Municipal Bureau of Ecology and Environment on Adjusting the Values of Emission Factors Related to the City’s Greenhouse Gas Emission Accounting Guidelines. Available online: https://www.shanghai.gov.cn/gwk/search/content/ec12e83686d2441b979fb1ec838bcbb7 (accessed on 10 March 2022). (In Chinese)
  33. Gong, D.; Chen, D.; Yuan, Z. Mathematics calculation model and application of CO2 emission of photovoltaic (PV) power generation system. Renew. Energy Resour. 2013, 9, 1–4+9. [Google Scholar]
  34. Wong, L.; Chen, J. Environmental and Economic Analysis on the Carbon Dioxide Emission Calculation in the Life Cylce of a Photovoltaic System. J. Univ. Shanghai Sci. Technol. 2017, 3, 282–288. [Google Scholar]
  35. Zhan, X. Life Cycle Research on Carbon Emission of Polycrystalline Silicon-Photovoltaic System. Master’s Thesis, Yangzhou University, Yangzhou, China, 2011. [Google Scholar]
  36. Zhao, R.; Dong, L.; Bai, L.; Zhang, Y.; Li, X.; Qiao, Q.; Xie, M.; Wang, W. Inventory analysis on carbon emissions of photovoltaic industry. China Environ. Sci. 2020, 6, 2751–2757. [Google Scholar]
  37. He, J. Research on Carbon Emission of Photovoltaic Generation with Life Cycle Assessment. Master’s Thesis, Nanjing University of Aeronautics and Astronautics, Nanjing, China, 2017. [Google Scholar]
  38. Shanghai Municipal Commission of Housing and Urban-Rural Development. Shanghai Construction and Decoration Project Budget Quota; Tongji University Press: Shanghai, China, 2016. [Google Scholar]
  39. Shanghai Municipal Commission of Housing and Urban-Rural Development. Shanghai Housing Construction Engineering Maintenance and Repair Budget Quota; Tongji University Press: Shanghai, China, 2016. [Google Scholar]
  40. Jain, A.S.; Pranaynil, S.; Dibakar, R. Thermal energy performance of an academic building with sustainable probing and optimization with evolutionary algorithm. Therm. Sci. Eng. Prog. 2020, 17, 100374. [Google Scholar] [CrossRef]
  41. Qin, H.; Wei, P. Energy use of subtropical high-rise public residential buildings and impacts of energy saving measures. J. Clean. Prod. 2020, 254, 120041. [Google Scholar] [CrossRef]
Figure 1. Frame of building whole life cycle carbon emission calculation model.
Figure 1. Frame of building whole life cycle carbon emission calculation model.
Applsci 12 09989 g001
Figure 2. The geographical location of the water quality monitoring station.
Figure 2. The geographical location of the water quality monitoring station.
Applsci 12 09989 g002
Figure 3. The old building of the water quality monitoring station.
Figure 3. The old building of the water quality monitoring station.
Applsci 12 09989 g003
Figure 4. Building diagram of Zero-Carbon Pavilion in Shanghai Yangpu Riverside.
Figure 4. Building diagram of Zero-Carbon Pavilion in Shanghai Yangpu Riverside.
Applsci 12 09989 g004
Figure 5. Architectural geometric model.
Figure 5. Architectural geometric model.
Applsci 12 09989 g005
Figure 6. Air-conditioning system model in the exhibition area: (a) The whole air-conditioning system. (b) Air-cooled Chilled Water Plant Loop. (c) Air-source Heat Pump Heating Water Loop. (d) Air Loop.
Figure 6. Air-conditioning system model in the exhibition area: (a) The whole air-conditioning system. (b) Air-cooled Chilled Water Plant Loop. (c) Air-source Heat Pump Heating Water Loop. (d) Air Loop.
Applsci 12 09989 g006aApplsci 12 09989 g006bApplsci 12 09989 g006cApplsci 12 09989 g006d
Figure 7. Comparison of power consumption and power generation of building operation.
Figure 7. Comparison of power consumption and power generation of building operation.
Applsci 12 09989 g007
Figure 8. Carbon emission of refurbishment building and new building and proportion of each phase in the whole life cycle.
Figure 8. Carbon emission of refurbishment building and new building and proportion of each phase in the whole life cycle.
Applsci 12 09989 g008
Figure 9. Carbon emission from the production of the main building materials.
Figure 9. Carbon emission from the production of the main building materials.
Applsci 12 09989 g009
Figure 10. Carbon emissions before and after the solar photovoltaic system applied in refurbishment building.
Figure 10. Carbon emissions before and after the solar photovoltaic system applied in refurbishment building.
Applsci 12 09989 g010
Figure 11. Comparison between existing cases and this project.
Figure 11. Comparison between existing cases and this project.
Applsci 12 09989 g011
Table 1. Detailed information about the studied case.
Table 1. Detailed information about the studied case.
Project NameYangpu Bridge Public Space and Comprehensive Environment Project—Water Quality Monitoring Station Refurbishment
Project addressYangpu district of Shanghai
Climate zonesHot-summer and cold-winter zone
Building classificationPublic buildings (Class A)
Structure typeMasonry structure
Floor area467 m2
Existing floor area above ground65 m2
Expansion floor area above ground43 m2
Underground floor area360 m2
Building height4.997 m
Building depth4.7 m
Table 2. Materials list of the refurbished building.
Table 2. Materials list of the refurbished building.
Building MaterialsCarbon Emission IntensityUnitQuantityUnitCarbon Emissions (kgCO2e)
SteelsSteel structure components2050kgCO2e/t19.31t39,575.65
Rebar2340kgCO2e/t28.96t67,770.63
ConcreteReady-mixed concrete (non-pumping type) C35335kgCO2e/m3227.79m376,309.63
Ready-mixed concrete (non-pumping type) C25248kgCO2e/m324.64m36111.33
Concrete blocks Concrete brick 336kgCO2e/m36.73m32260.83
MortarDry mixed plastering mortar DP M15.0298.73kgCO2e/m314.17m34234.47
Dry mixed plastering mortar DP M20.0466.35kgCO2e/m35.86m32731.81
Dry mixed plastering mortar DS M15.0340.44kgCO2e/m321.23m37229.11
Dry mixed plastering mortar DS M20.0403.46kgCO2e/m315.31m36177.45
Waterproof, heat insulation materialsAsphalt waterproof coil4.01kgCO2e/m24005.42m216,061.75
Squeeze polystyrene board4620kgCO2e/t9.56t44,162.12
GlassFlat glass1130kgCO2e/t3.46t3905.70
Aluminum alloyBroken bridge aluminum alloy window194kgCO2e/m27.28m21412.32
Ballast Gravel2.18kgCO2e/t120.08t261.77
Solar photovoltaic panelsSolar photovoltaic panels1809.47kgCO2e/kW8.29kW15,003.62
Total carbon emission293,208.17 kgCO2e
Carbon emissions per unit area408.94 kgCO2e/m2
Table 3. Construction carbon emission of refurbished buildings.
Table 3. Construction carbon emission of refurbished buildings.
VehiclesEnergy ConsumptionCarbon Emission FactorCarbon Emission (kgCO2e)
Mortar, concrete mixer740.4 kWh (Electricity)0.42 kgCO2e/kWh5237.09
Electric rammer 33.2 kWh (Electricity)0.42 kgCO2e/kWh6.04
Flat water polisher56 kWh (Electricity)0.42 kgCO2e/kWh436.02
Electric air compressor80.6 kWh (Electricity)0.42 kgCO2e/kWh499.25
Air hammer169.4 kWh (Electricity)0.42 kgCO2e/kWh360.00
Steel bar extrusion link machine15.94 kWh (Electricity)0.42 kgCO2e/kWh18.30
AC arc welder193.06 kWh (Electricity)0.42 kgCO2e/kWh254.65
On-site transportation325.992 t, 0 km0.06 kgCO2e/(t*km)781.87
Total carbon emission7593.23 kgCO2e
Carbon emissions per unit area10.59 kgCO2e/m2
Table 4. Construction carbon emission of new buildings.
Table 4. Construction carbon emission of new buildings.
Engineering ProcessEngineering QuantityUnitEnergy Consumption Per Unit of Engineering Quantity (kWh)Carbon Emission FactorCarbon Emission (kgCO2e)
Premixed concrete409.35t250.42 kgCO2e/kWh4298.23
Excavate and remove the earthwork2260.8m3320.42 kgCO2e/kWh30,385.15
Flat earthwork292.5t30.42 kgCO2e/kWh368.55
Crane handling717m220.42 kgCO2e/kWh602.28
Lighting717m2260.42 kgCO2e/kWh7829.64
Total carbon emission43483.85 kgCO2e
Carbon emissions per unit area60.65 kgCO2e/m2
Table 5. Composition and heat transfer coefficient of the envelope.
Table 5. Composition and heat transfer coefficient of the envelope.
EnvelopeCompositionName of MaterialsThickness (mm)Heat Transfer Coefficient (W/m2·K)
Above-ground exterior wallFinishing layerCoating material 0.52
Plastering layerAnti-crack waterproof mortar5
PlinthAerated concrete blocks200
Insulating layerRock wool board60
Interior decoration layerMixed mortar15
Interior wallInterior decoration layerMixed mortar52.15
PlinthConcrete block200
Interior decoration layerMixed mortar5
RoofingProtection layerFine aggregate concrete 500.47
Leveling layerCement mortar20
Slope finding layerCement(-sand) mortar50
Insulating layerSqueeze polystyrene board60
Structural layerSteel-concrete structure roof panel120
Table 6. Parameters of air conditioning system and other equipment.
Table 6. Parameters of air conditioning system and other equipment.
PartitionsTemperature Summer/
Winter (°C)
Fresh Air QuantityPersonnel Density (p/m2)Air Conditioning System Lighting Power Consumption (W/m2)Equipment Power Consumption (W/m2)
Over groundExhibition area24/2130 m3/(h·p)0.35Air-cooled heat pump + Radiant floor + Fresh air system4018
Experimental area25/2243.2 m3/(h·p)0.097Packaged air conditioning unit4320
Administrative area 25/2136 m3/(h·p)0.0987Packaged air conditioning unit3220
Explosion-proof area 12 times/h0.1238Mechanical exhaust
Under groundExhibition area24/2130 m3/(h·p)0.35Air-cooled heat pump + Radiant floor + Fresh air system4018
Equipment room 12 times/h0.1238Mechanical exhaust
Toilet 10 times/h0.1238Mechanical exhaust200 lux
Table 7. Mechanical and equipment parameters.
Table 7. Mechanical and equipment parameters.
EquipmentEquipment ParametersValue
Split air conditionersHeating capacity3.8 kW
Cooling capacity3.5 kW
Air-cooled water chillerCooling capacity13.20 kW
Air-source heat pump Heating capacity11.02 kW
Fresh air unitCooling capacity10.45 kW
Heating capacity11.42 kW
FansAir volume350 CMH
External static pressure50 Pa
Solar photovoltaic panelEfficiency0.15
Table 8. Carbon emission calculation during the demolition phase.
Table 8. Carbon emission calculation during the demolition phase.
Engineering ProcessEngineering QuantityUnitEnergy Consumption Per Unit of Engineering Quantity (kWh)Carbon Emission FactorCarbon Emission (kgCO2e)
Component removal717.00m229.5 MJ0.422467.68
Flat earthwork717.00m27.2 MJ0.42602.28
Crane handling1086.85t10.8 MJ0.421369.44
Total carbon emission4439.39 kgCO2e
Carbon emissions per unit area6.19 kgCO2e/m2
Table 9. Whole life cycle carbon emissions of refurbished building and new building.
Table 9. Whole life cycle carbon emissions of refurbished building and new building.
PhasesRefurbished BuildingNew BuildingTotal Emission Reduction (kgCO2e)Emission Reduction RatioThe Proportion of Emission Reduction
Total (kgCO2e)Per Unit (kgCO2e/m2)Total (kgCO2e)Per Unit (kgCO2e/m2)
Materials production293,208.17408.94459,716.67641.17122,346.3836.22%77.97%
Materials transportation13,626.0719.0024,782.0434.56 11,155.9745.02%5.22%
Building operations7593.2310.5943,483.8560.6535,890.6282.54%16.81%
Building operation1396,691.691947.971,396,691.691947.9700.00%0.00%
Building demolition4439.396.194439.396.1900.00%0.00%
Total carbon emission1,715,558.562392.691,929,113.652690.54213,555.0911.07%100.00%
Table 10. Whole life cycle carbon emission level of the refurbished building and new building.
Table 10. Whole life cycle carbon emission level of the refurbished building and new building.
PhasesCase Range (tCO2e/m2)Refurbished Building (tCO2e/m2)New Building (tCO2e/m2)
Materialized phase0.3–0.80.4380.736
Operational phase 2–4.51.941.94
Whole life cycle2–82.392.69
Publisher’s Note: MDPI stays neutral with regard to jurisdictional claims in published maps and institutional affiliations.

Share and Cite

MDPI and ACS Style

Li, B.; Pan, Y.; Li, L.; Kong, M. Life Cycle Carbon Emission Assessment of Building Refurbishment: A Case Study of Zero-Carbon Pavilion in Shanghai Yangpu Riverside. Appl. Sci. 2022, 12, 9989. https://doi.org/10.3390/app12199989

AMA Style

Li B, Pan Y, Li L, Kong M. Life Cycle Carbon Emission Assessment of Building Refurbishment: A Case Study of Zero-Carbon Pavilion in Shanghai Yangpu Riverside. Applied Sciences. 2022; 12(19):9989. https://doi.org/10.3390/app12199989

Chicago/Turabian Style

Li, Boyang, Yiqun Pan, Linxue Li, and Mingshu Kong. 2022. "Life Cycle Carbon Emission Assessment of Building Refurbishment: A Case Study of Zero-Carbon Pavilion in Shanghai Yangpu Riverside" Applied Sciences 12, no. 19: 9989. https://doi.org/10.3390/app12199989

APA Style

Li, B., Pan, Y., Li, L., & Kong, M. (2022). Life Cycle Carbon Emission Assessment of Building Refurbishment: A Case Study of Zero-Carbon Pavilion in Shanghai Yangpu Riverside. Applied Sciences, 12(19), 9989. https://doi.org/10.3390/app12199989

Note that from the first issue of 2016, this journal uses article numbers instead of page numbers. See further details here.

Article Metrics

Back to TopTop