Electric Motor Control for Online Tuning Based on Positive Flow System for Electric Construction Machinery
Abstract
1. Introduction
2. Mathematical Model Analysis
2.1. Mathematical Model of PMSM
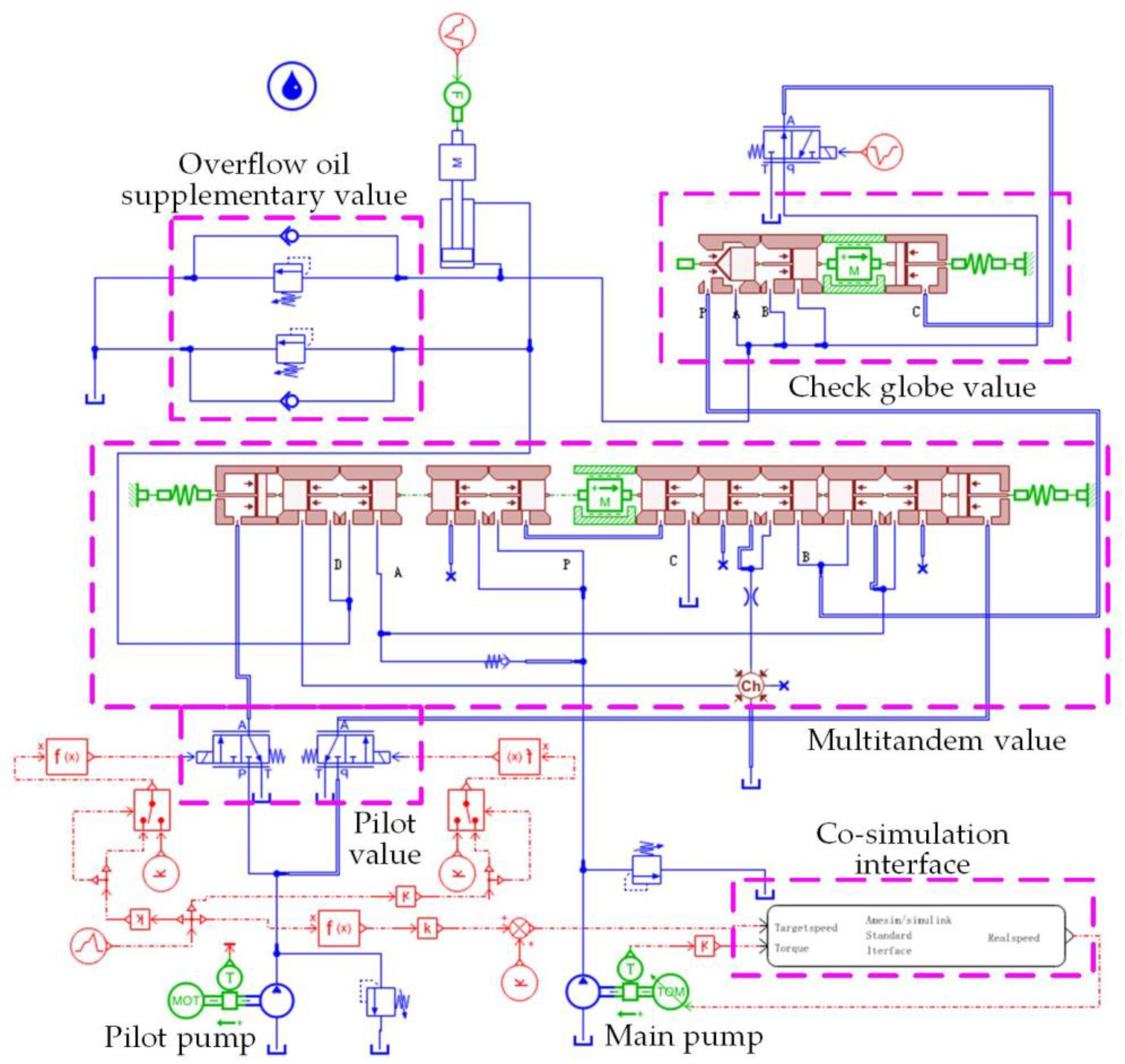
2.2. Mathematical Model of Positive Flow System
- Hydraulic pump inlet pressure, system return pressure, and the tank pressure are assumed to be zero;
- The relief valve is not set at the pump outlet port. The leakage of hydraulic pump, valves, and actuators is ignored;
- The flow fluctuation caused by pipeline pressure loss and pipeline friction is not considered.
3. Control Strategy of Motor Control System
3.1. Control System Overall Scheme
3.2. Closed Loop Regulator Design
3.2.1. Automatic Speed Regulator (ASR) Design
- The system contains two pure integration loops, the initial slope of the amplitude-frequency characteristic is −40 dB, and the initial phase angle is −180°;
- The corner frequency of the system is in the inertia loop and in the differential loop.
3.2.2. Fuzzy PI Regulator Design
- When is large and , should be increased to make the system output quickly approach the target value, while should be reduced to prevent the system from overshooting;
- When is large and , should be appropriately reduced to reduce overshoot, while should be increased to eliminate the steady-state error;
- When is small and is large, should be reduced and should be appropriately increased;
- When is close to zero, and should be increased appropriately to improve the steady-state accuracy and dynamic characteristics of the system.
4. Simulation Study
4.1. Comparison of Traditional PI and Fuzzy PI
4.2. PI Parameter Online Tuning System-Positive Flow System
5. Experimental Study
5.1. Comparative Test Research on No-Load Variable Speed
5.2. Comparative Test on Constant Speed Loading
5.3. Positive Flow System Test
6. Conclusions
- Compared with the traditional PI control, when using the fuzzy PI control, the motor speed output overshoot is smaller, the response is faster, the load disturbance has less affection, and the stability is higher;
- When the fuzzy PI control is used, the electric motor output torque overshoot is slightly increased, but the responsiveness and stability are significantly improved;
- The simulation results show that when the load is variable, the fluctuation of motor speed was approximately 1.5% with fuzzy PI, and 2.5% with traditional PI;
- The test results show that when the load fluctuates drastically, the electric motor speed fluctuation is within 3.5%, and the steady-state error is only approximately 0.3%.
Author Contributions
Funding
Institutional Review Board Statement
Informed Consent Statement
Conflicts of Interest
References
- Lin, T.; Lin, Y.; Ren, H.; Chen, H.; Chen, Q.; Li, Z. Development and key technologies of pure electric construction machinery. Renew. Sustain. Energy Rev. 2020, 132, 110080. [Google Scholar] [CrossRef]
- Ge, L.; Quan, L.; Zhang, X.; Dong, Z.; Yang, J. Power matching and energy efficiency improvement of hydraulic excavator driven with speed and displacement variable power source. Chin. J. Mech. Eng. 2019, 32, 100. [Google Scholar] [CrossRef]
- Lin, T.; Lin, Y.; Ren, H.; Chen, H.; Li, Z.; Chen, Q. A double variable control load sensing system for electric hydraulic excavator. Energy 2021, 223, 119999. [Google Scholar] [CrossRef]
- Chen, Q.; Cai, S.; Li, X.; Lin, T. Power train system control of electric loader based on positive flow system. Appl. Sci. 2022, 12, 12. [Google Scholar] [CrossRef]
- Homaeinezhad, M.R.; Farzannasab, M. Switching position-torque control system for increasing servo PMDC positioning precision in presence of intense external disturbance loading. Mech. Syst. Signal Processing 2021, 158, 107816. [Google Scholar] [CrossRef]
- Zhang, F.; Peng, T.; Dan, H.; Lin, J.; Su, M. Modulated model predictive control of permanent magnet synchronous motor. In Proceedings of the 2018 IEEE International Conference on Industrial Electronics for Sustainable Energy Systems (IESES), Hamilton, New Zealand, 31 January–2 February 2018. [Google Scholar]
- Luo, S.; Cheng, M.; Ding, R.; Wang, F.; Xu, B.; Chen, B. Human–Robot Shared Control Based on Locally Weighted Intent Prediction for a Teleoperated Hydraulic Manipulator System. IEEE/ASME Trans. Mechatron. 2022, 1–13. [Google Scholar] [CrossRef]
- Chen, Q.; Lin, T.; Ren, H. Parameters optimization and control strategy of power train systems in hybrid hydraulic excavators. Mechatronics 2018, 56, 16–25. [Google Scholar] [CrossRef]
- Shen, W.; Zhao, H. Fault tolerant control of nonlinear hydraulic systems with prescribed performance con-straint. ISA Trans. 2022, in press. [CrossRef]
- Casadei, D.; Serra, G.; Tani, A. Implementation of a Direct Torque Control Algorithm for Induction Motors Based on Discrete Space Vector Modulation. IEEE Trans. Power Electr. 2000, 15, 769. [Google Scholar] [CrossRef]
- Zhang, X.; Foo, G.H.B. A Constant Switching Frequency-Based Direct Torque Control Method for Interior Permanent-Magnet Synchronous Motor Drives. IEEE/ASME Trans. Mechatron. 2016, 21, 1445–1456. [Google Scholar] [CrossRef]
- Hu, Y.; Li, Y.; Ma, X.; Li, X.; Huang, S. Flux-Weakening Control of Dual Three-Phase PMSM Based on Vector Space Decomposition Control. IEEE Trans. Power Electr. 2021, 36, 8428–8438. [Google Scholar] [CrossRef]
- Holtz, J. Sensorless Control of Induction Machines—With or Without Signal Injection? IEEE Trans. Ind. Electron. 2006, 53, 7–30. [Google Scholar] [CrossRef]
- Chen, Q.; Lin, T.; Ren, H. A novel control strategy for an interior permanent magnet synchronous machine of a hybrid hydraulic excavator. IEEE Access 2017, 6, 3685–3693. [Google Scholar] [CrossRef]
- Chen, Q.; Lin, T.; Ren, H. Direct torque control of a permanent magnet synchronous machine for hybrid hydraulic excavator. IET Electr. Power Appl. 2019, 13, 222–228. [Google Scholar] [CrossRef]
- Wang, T.; Wang, Q. Optimization Design of a Permanent Magnet Synchronous Generator for a Potential Energy Recovery System. IEEE Trans. Energy Conver. 2012, 27, 856–863. [Google Scholar] [CrossRef]
- Hoai, H.; Chen, S.; Than, H. Realization of the Sensorless Permanent Magnet Synchronous Motor Drive Control System with an Intelligent Controller. Electronics 2020, 9, 365. [Google Scholar] [CrossRef]
- Elsonbaty, N.A.; Enany, M.A.; Hassanin, M.I. An Efficient Vector Control Policy for EV-Hybrid Excited Perma-nent-Magnet Synchronous Motor. World Electr. Veh. J. 2020, 11, 42. [Google Scholar] [CrossRef]
- Fu, S.; Li, Z.; Lin, T.; Chen, Q.; Ren, H. A Positive Flow Control System for Electric Excavators Based on Variable Speed Control. Appl. Sci. 2020, 10, 4826. [Google Scholar] [CrossRef]
- Jie, C.; Yanling, G. Research on Control Strategy of the Electric Power Steering System for All-Terrain Vehicles Based on Model Predictive Current Control. Math. Probl. Eng. 2021, 2021, 6642042. [Google Scholar] [CrossRef]
- Alves, A.G.P.; Rolim, L.G.B.; Dias, R.F.S.; Santos, P.T.P. VSC plug-and-play operation using online grid parameter es-timation for PI self-tuning. IET Power Electron. 2020, 13, 4359–4367. [Google Scholar] [CrossRef]
- Liu, J.; Zhao, M.; Li, G.; Chen, J. Multiple linear regression prediction and wavelet neural network based in-telligent online tuning control method. IEEE Access 2020, 8, 160684–160696. [Google Scholar] [CrossRef]
- Murali, N.; Ushakumari, S. Performance comparison between different rotor configurations of PMSM for EV application. In Proceedings of the 2020 IEEE Region 10 Conference (Tencon), Osaka, Japan, 16–19 November 2020; pp. 1334–1339. [Google Scholar]
- Ahmed, A.A.; Kim, J.-S.; Lee, Y.I. Model predictive torque control of PMSM for EV drives: A comparative study of finite control set and predictive dead-beat control schemes. In Proceedings of the 2016 Eighteenth International Middle East Power Systems Conference (MEPCON), Cairo, Egypt, 27–29 December 2016; pp. 156–163. [Google Scholar]






























| e | NB | NM | NS | ZO | PS | PM | PB | |
|---|---|---|---|---|---|---|---|---|
| ec | ||||||||
| NB | PB | PB | PM | PM | PS | ZO | ZO | |
| NM | PB | PB | PM | PS | PS | ZO | NS | |
| NS | PM | PM | PM | PS | ZO | NS | NS | |
| ZO | PM | PM | PS | ZO | NS | NM | NM | |
| PS | PS | PS | ZO | NS | NS | NM | NB | |
| PM | PS | ZO | NS | NM | NM | NM | NB | |
| PB | ZO | ZO | NM | NM | NM | NB | NB | |
| e | NB | NM | NS | ZO | PS | PM | PB | |
|---|---|---|---|---|---|---|---|---|
| ec | ||||||||
| NB | NB | NB | NM | NM | NS | ZO | ZO | |
| NM | NB | NB | NM | NS | NS | ZO | ZO | |
| NS | NB | NM | NS | NS | ZO | PS | PS | |
| ZO | NM | NM | NS | ZO | PS | PM | PM | |
| PS | NM | NS | ZO | PS | PS | PM | PB | |
| PM | ZO | ZO | PS | PS | PM | PB | PB | |
| PB | ZO | ZO | PS | PM | PM | PB | PB | |
| Rate Power/W | Rate Speed/rpm | Rate Torque/N·m | Rate Current/A | Pole-Pairs |
|---|---|---|---|---|
| 750 | 1800 | 6 | 4.2 | 4 |
| Nominal Displacement/ mL·r−1 | Pressure /MPa | Speed /r·min−1 | |||
|---|---|---|---|---|---|
| Working | Max | Rated | Max | Min | |
| 10 | 20 | 22 | 1800 | 3000 | 500 |
| Cylinder Diameter/mm | Piston Rod Diameter/mm | Cylinder Stroke/mm |
|---|---|---|
| 63 | 25 | 400 |
Publisher’s Note: MDPI stays neutral with regard to jurisdictional claims in published maps and institutional affiliations. |
© 2022 by the authors. Licensee MDPI, Basel, Switzerland. This article is an open access article distributed under the terms and conditions of the Creative Commons Attribution (CC BY) license (https://creativecommons.org/licenses/by/4.0/).
Share and Cite
Li, Z.; Lin, T.; Zhao, Y.; Chen, Q.; Fu, S.; Ren, H.; Gong, W. Electric Motor Control for Online Tuning Based on Positive Flow System for Electric Construction Machinery. Appl. Sci. 2022, 12, 10072. https://doi.org/10.3390/app121910072
Li Z, Lin T, Zhao Y, Chen Q, Fu S, Ren H, Gong W. Electric Motor Control for Online Tuning Based on Positive Flow System for Electric Construction Machinery. Applied Sciences. 2022; 12(19):10072. https://doi.org/10.3390/app121910072
Chicago/Turabian StyleLi, Zhongshen, Tianliang Lin, Yi Zhao, Qihuai Chen, Shengjie Fu, Haoling Ren, and Wen Gong. 2022. "Electric Motor Control for Online Tuning Based on Positive Flow System for Electric Construction Machinery" Applied Sciences 12, no. 19: 10072. https://doi.org/10.3390/app121910072
APA StyleLi, Z., Lin, T., Zhao, Y., Chen, Q., Fu, S., Ren, H., & Gong, W. (2022). Electric Motor Control for Online Tuning Based on Positive Flow System for Electric Construction Machinery. Applied Sciences, 12(19), 10072. https://doi.org/10.3390/app121910072
