A Novel Encryption Scheme in Ship Remote Control against Differential Fault Attack
Abstract
:1. Introduction
- Preliminaries: We introduce SM4 encryption algorithm and specific model of DFA;
- Prevention of DFA: It is proposed to use the WGAN-GP to generate S-boxes dynamically with good cryptographic indicators to replace the original S-boxes, to confuse the differential distribution table. An algorithm optimization scheme is proposed. The combined transform is further applied after the round encryption, so that the attacker cannot recover the correct encryption key through the output ciphertext obtained by DFA;
- Results and discussion: We analyze, using the CPS of an intelligent ship as an example, the data security threats in ship-shore communication and evaluate the S-boxes. Before and after applying the optimization scheme, we compare the plaintext of the control instruction data frame with the ciphertext to verify the scheme’s effectiveness in preventing DFA. In addition, some safety suggestions on hardware and management are put forward;
- Conclusions.
2. Preliminaries
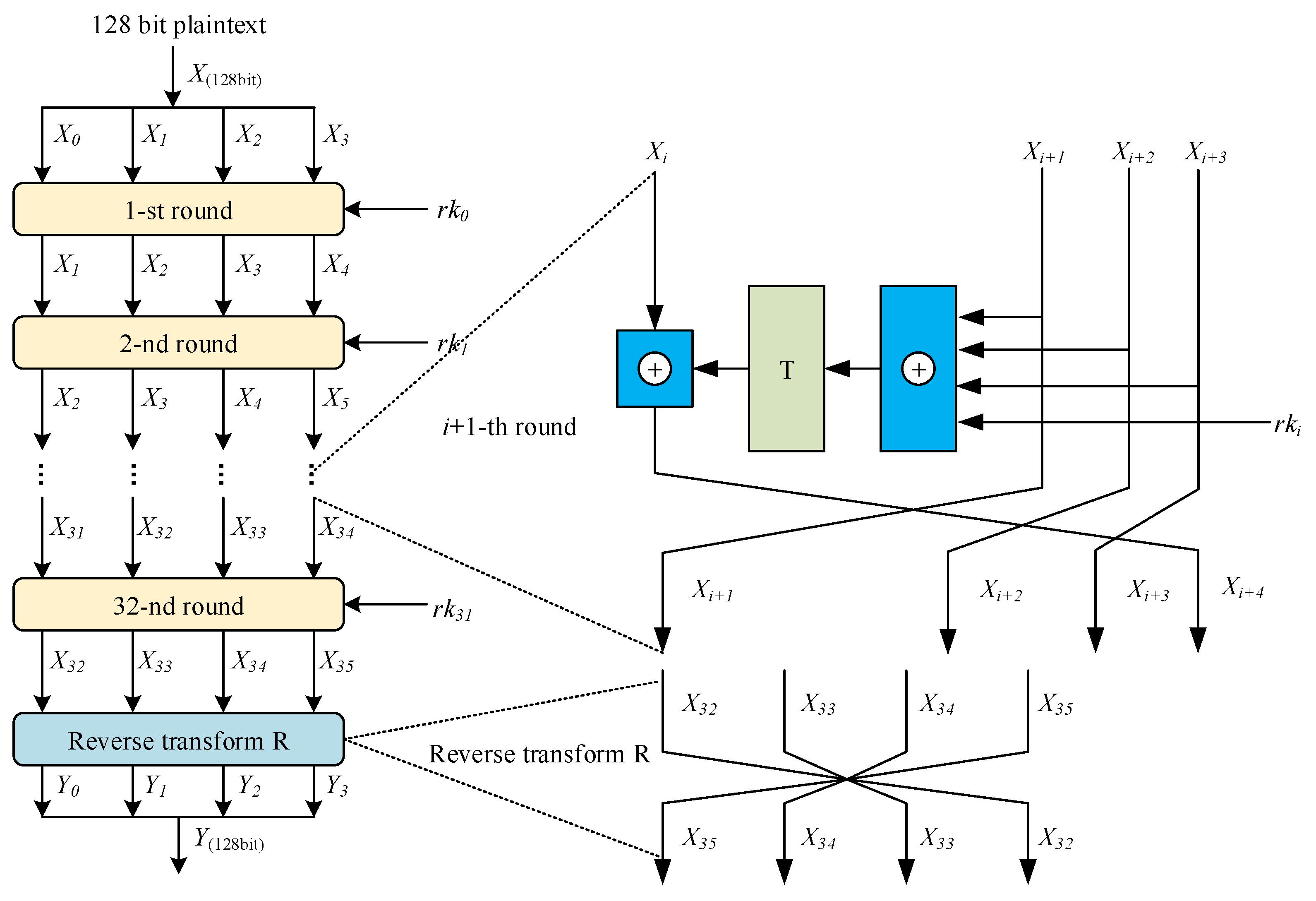
2.1. SM4 Encryption Algorithm
2.2. Differential Fault Attack
- It is known that the ciphertext under the action of the random plaintext X and the key K. Induce random byte failure in the word in the input of the 32nd round of encryption to obtain and thus obtains the error ciphertext .
- By , locate the fault byte position in the input of S-box, which is also the position of induced byte fault in .
- The fault byte position in the output of linear transform L is located by the two same bytes in . At the same time, can be deduced to obtain according to the shift and XOR operations in linear transform L.
- For the S-box transform of round i in the SM4 algorithm: . According to the difference table of S-box (the input value can be derived from the known input difference and output difference), it can be determined that the jth byte value of meets and then can be derived. In this step, two meet the conditions, but only one can be used to recover the key.
- Repeat 1∼4 to recover all byte values of .
- All byte values of , and are recovered by using the appeal method.
- Using the key arrangement algorithm, the encryption key is recovered from the round keys , , and obtained from the appeal.
3. Prevention of DFA
3.1. Differential Distribution Table
3.2. Combined Transform
- Taking the last round of encryption and reverse transform in the encryption process as an example (the following descriptions take this round as an example). is no longer directly shifted from the original , but first combined with and through transform , as shown in Figure 4.
- After an S-box transform and XOR with the round key, that is.
- Finally, the output ciphertext is obtained by reverse transform.
4. Results and Discussion
4.1. Ship Shore Transmission Network
4.2. Analysis of Experimental Results
4.3. Safety Suggestions for CPS
5. Conclusions
Author Contributions
Funding
Institutional Review Board Statement
Informed Consent Statement
Data Availability Statement
Acknowledgments
Conflicts of Interest
References
- Katsikas, S.K. Cyber Security of the Autonomous Ship. In Proceedings of the 3rd ACM Workshop on Cyber-Physical System Security, CPSS 2017, Abu Dhabi, United Arab Emirates, 2 April 2017; ACM: New York, NY, USA, 2017; pp. 55–56. [Google Scholar]
- Bolbot, V.; Theotokatos, G.; Boulougouris, E.; Vassalos, D. A novel cyber-risk assessment method for ship systems. Saf. Sci. 2020, 131, 104908. [Google Scholar] [CrossRef]
- Rødseth, Ø.J.; Burmeister, H.C. Risk assessment for an unmanned merchant ship. TransNav Int. J. Mar. Navig. Saf. Sea Transp. 2015, 9, 357–364. [Google Scholar] [CrossRef]
- Huang, L.; Li, W.; Xiong, X.; Yu, R.; Wang, Q.; Cai, S. Designing a double-way spread permutation framework utilizing chaos and S-box for symmetric image encryption. Opt. Commun. 2022, 517, 128365. [Google Scholar] [CrossRef]
- Fan, C.; Montewka, J.; Zhang, D. Towards a Framework of Operational-Risk Assessment for a Maritime Autonomous Surface Ship. Energies 2021, 14, 3879. [Google Scholar] [CrossRef]
- Koti, R.B.; Kakkasageri, M.S. Delay and Energy Optimized Safety Information Dissemination Scheme in V2I Networks. Int. J. Inf. Technol. Comput. Sci. 2022, 14, 34–51. [Google Scholar] [CrossRef]
- Maw, A.; Adepu, S.; Mathur, A. ICS-BlockOpS: Blockchain for operational data security in industrial control system. Pervasive Mob. Comput. 2019, 59, 101048. [Google Scholar] [CrossRef]
- Iyer, S.C.; Sedamkar, R.R.; Gupta, S. A Novel Idea on Multimedia Encryption Using Hybrid Crypto Approach. Procedia Comput. Sci. 2016, 79, 293–298. [Google Scholar] [CrossRef]
- Volna, E.; Kotyrba, M.; Kocian, V.; Janosek, M. Cryptography Based On Neural Network. In Proceedings of the 26th European Conference on Modelling and Simulation, Koblenz, Germany, 29 May–1 June 2012; pp. 386–391. [Google Scholar]
- GB/T 32907-2016 Information Security Technology-SM4 Block Cipher Algorithm[S]; General Administration of Quality Supervision, Inspection and Quarantine of the People’s Republic of China, China National Standardization Administration. China Standards Press: Beijing, China, 2016.
- Feng, Y.; Zhu, Z.; Feng, Z. Principle and implementation of SM4 algorithm. Radio Telev. Netw. 2019, 354, 94–96. [Google Scholar]
- Baksi, A. DEFAULT: Cipher-Level Resistance Against Differential Fault Attack. In Classical and Physical Security of Symmetric Key Cryptographic Algorithms; Baksi, A., Ed.; Springer: Singapore, 2022; pp. 177–216. [Google Scholar]
- Dixit, P.; Gupta, A.K.; Trivedi, M.C.; Yadav, V.K. Traditional and Hybrid Encryption Techniques: A Survey. In Networking Communication and Data Knowledge Engineering; Springer: Singapore, 2018; pp. 239–248. [Google Scholar]
- Bhatti, J.; Humphreys, T.E. Hostile control of ships via false GPS signals: Demonstration and detection. Navig. J. Inst. Navig. 2017, 64, 51–66. [Google Scholar] [CrossRef]
- Zhang, L.; Wu, W.L. Differential fault analysis on SMS4. Chin. J.-Comput.-Chin. Ed. 2006, 29, 1596. [Google Scholar]
- Baksi, A.; Bhasin, S.; Breier, J.; Jap, D.; Saha, D. A Survey On Fault Attacks On Symmetric Key Cryptosystems. Acm Comput. Surv. 2022, 29, 1596. [Google Scholar] [CrossRef]
- Zhang, X.; Wei, Y.; Li, L. New Countermeasures Against Differential Fault Attacks. In Proceedings of the International Conference on Internet of Things and Intelligent Applications (ITIA), Zhenjiang, China, 27–29 November 2020; pp. 1–5. [Google Scholar]
- Abdelghani, T. Implementation of Defense in Depth Strategy to Secure Industrial Control System in Critical Infrastructures. Am. J. Artif. Intell. 2019, 3, 17–22. [Google Scholar] [CrossRef]
- Saarinen, M.-J.O. A Lightweight ISA Extension for AES and SM4. arXiv 2020, arXiv:2002.07041. [Google Scholar]
- Kazlauskas, K.; Kazlauskas, J. Key-Dependent S-Box Generation in AES Block Cipher System. Informatica 2009, 20, 23–24. [Google Scholar] [CrossRef]
- Wang, X.; Çavuşoğlu, Ü.; Kacar, S.; Akgul, A.; Pham, V.-T.; Jafari, S.; Alsaadi, F.E.; Nguyen, X.Q. S-Box Based Image Encryption Application Using a Chaotic System without Equilibrium. Appl. Sci. 2019, 9, 781. [Google Scholar] [CrossRef]
- Mirza, M.; Osindero, S. Conditional generative adversarial nets. arXiv 2014, arXiv:1411.1784. [Google Scholar]
- Gulrajani, I.; Ahmed, F.; Arjovsky, M.; Dumoulin, V.; Courville, A. Improved training of wasserstein GANs. arXiv 2017, arXiv:1704.00028v3. [Google Scholar]
- Bejo, A.; Adji, T.B. The replacement of irreducible polynomial and affine mapping for the construction of a strong S-box. Nonlinear Dyn. 2018, 93, 2105–2118. [Google Scholar]
- Lee, I. Internet of Things (IoT) Cybersecurity: Literature Review and IoT Cyber Risk Management. Future Internet 2020, 12, 157. [Google Scholar] [CrossRef]
- Arifin, B.; Ross, E.; Brodsky, Y. Data security in a ship detection and Identification System. In Proceedings of the 5th International Conference on Recent Advances in Space Technologies—RAST2011, Istanbul, Turkey, 9–11 June 2011; pp. 634–636. [Google Scholar]







| Item 1 | Item 2 |
|---|---|
| Convolution layers of generator/discriminator | 3/3 |
| Filter, kernel and step of generator | 128, 2, 2/64, 2, 2/1, 2, 2 |
| Filter, kernel and step of discriminator | 64, 3, 2/128, 3, 2/256, 3, 2 |
| Lr of generator/discriminator | 0.0001/0.0001 |
| Optimizer of generator | SGD (lr = 0.0001, momentum = 0.0, decay = 0.0, nesterov = False) |
| Optimizer of discriminator | SGD (lr = 0.0001, momentum = 0.0, decay = 0.0, nesterov = False) |
| Iterations of generator in single round epoch | 3 |
| Iterations of discriminator in single epoch | 1 |
| BatchSize | 64 |
| Epoch | 5000 |
| Item | Parameter |
|---|---|
| OS | Win10 professional |
| CPU | Intel(R) Core(TM) i7-6700HQ |
| GPU | NVIDIA GeForce GTX 960M |
| TensorFlow | 2.8.0 |
| CUDA/CuDNN | CUDA v11.6/CuDNN v8.3.3 |
| S-Box | Strict Avalanche Distance | |||
|---|---|---|---|---|
| SM4 | 112 | 4/256 | 7 | 6~8 |
| S-box 1 | 102 | 10/256 | 7 | 8~12 |
| S-box 2 | 104 | 6/256 | 7 | 6~12 |
| S-box 3 | 102 | 10/256 | 7 | 8~10 |
| S-box | Data Frame Plaintext | Data Frame Ciphertext | Information Entropy |
|---|---|---|---|
| SM4 | 01 06 00 32 29 f9 | 6307237438457ae0cab724aed7af5aef 3f01f6c050d50d78e7f3f8d3c7639530 | 4.87802 |
| S-box 1 | 01 06 00 32 29 f9 | 0c1c2d7e0acf2e65ed8a9db87675b563 76a44b7f5e31f2b9edc7b1a5c411e562 | 5.26455 |
| S-box 2 | 01 06 00 32 29 f9 | 0301702e9475f982954bd52b18f83ef7 ad41fe64e575b617d64fe53cbaf49d29 | 5.26888 |
| S-box 3 | 01 06 00 32 29 f9 | c700dd5f80f9e08ff7d0380deca97724 b28dda1891e423ec03d2e4fae24469af | 4.99667 |
Publisher’s Note: MDPI stays neutral with regard to jurisdictional claims in published maps and institutional affiliations. |
© 2022 by the authors. Licensee MDPI, Basel, Switzerland. This article is an open access article distributed under the terms and conditions of the Creative Commons Attribution (CC BY) license (https://creativecommons.org/licenses/by/4.0/).
Share and Cite
Zeng, H.; Wang, T.; Zhang, J.; Li, D.; Shang, D. A Novel Encryption Scheme in Ship Remote Control against Differential Fault Attack. Appl. Sci. 2022, 12, 8278. https://doi.org/10.3390/app12168278
Zeng H, Wang T, Zhang J, Li D, Shang D. A Novel Encryption Scheme in Ship Remote Control against Differential Fault Attack. Applied Sciences. 2022; 12(16):8278. https://doi.org/10.3390/app12168278
Chicago/Turabian StyleZeng, Hong, Tianjian Wang, Jundong Zhang, Dehao Li, and Di Shang. 2022. "A Novel Encryption Scheme in Ship Remote Control against Differential Fault Attack" Applied Sciences 12, no. 16: 8278. https://doi.org/10.3390/app12168278
APA StyleZeng, H., Wang, T., Zhang, J., Li, D., & Shang, D. (2022). A Novel Encryption Scheme in Ship Remote Control against Differential Fault Attack. Applied Sciences, 12(16), 8278. https://doi.org/10.3390/app12168278

