Ultra-Thin/Wide-Band Polarization Conversion Metasurface and Its Applications in Anomalous Reflection and RCS Reduction
Abstract
:1. Introduction
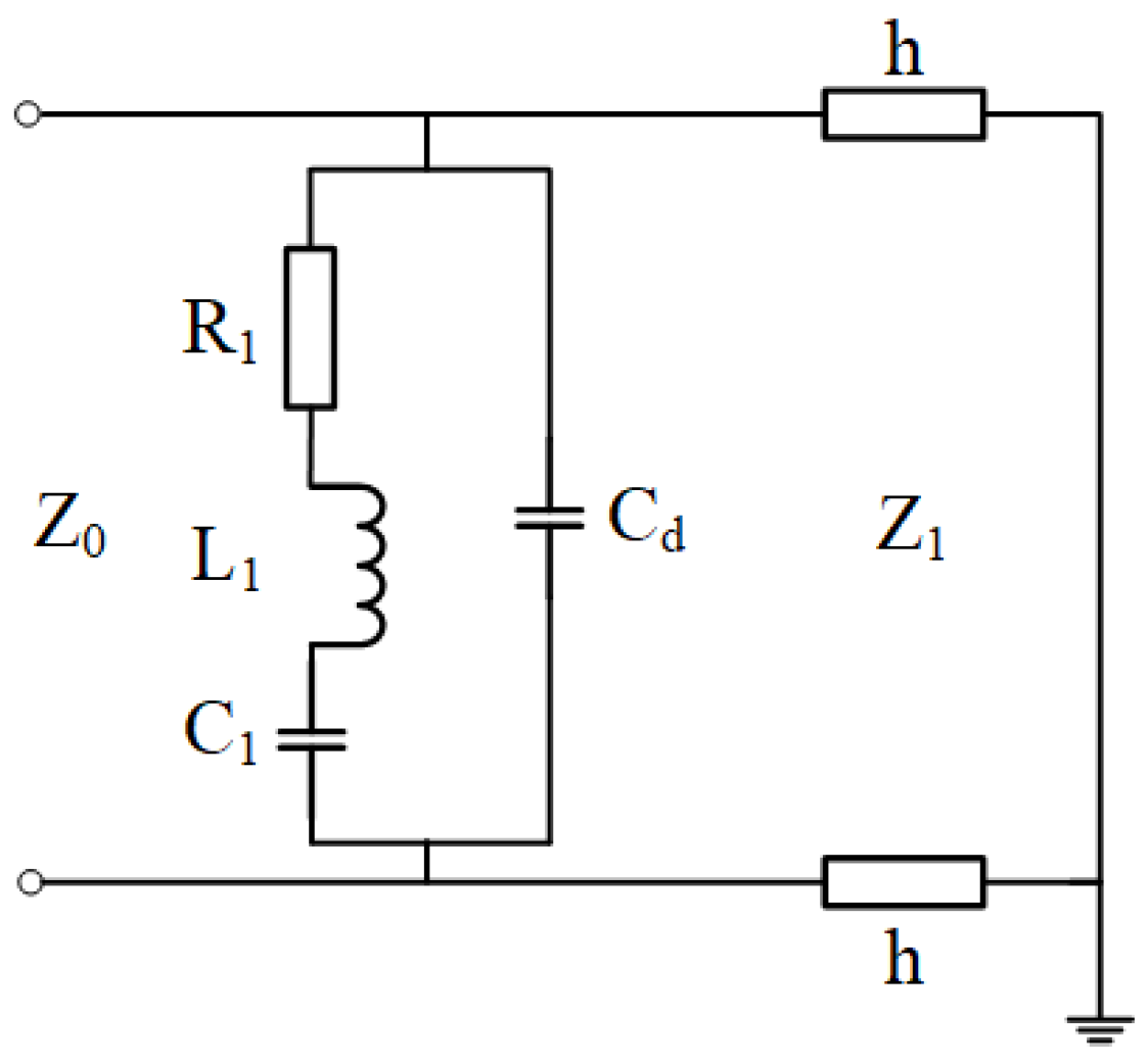
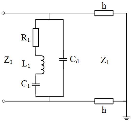
2. Structural Design and Principles
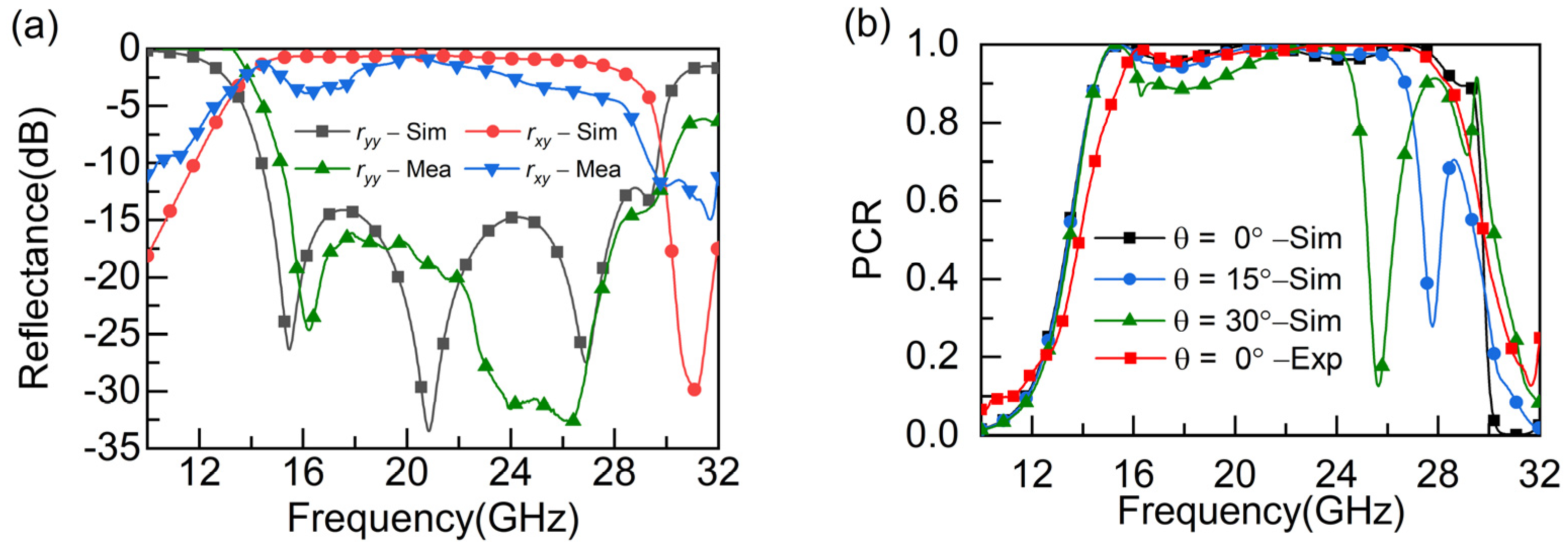
3. Simulation, Experiment and Discussion
4. Design and Simulation of Gradient and Code Metasurface
5. Conclusions
Author Contributions
Funding
Data Availability Statement
Conflicts of Interest
References
- Schurig, D.; Mock, J.J.; Justice, B.J.; Cummer, S.A.; Pendry, J.B.; Starr, A.F.; Smith, D.R. Metamaterial electromagnetic cloak at microwave frequencies. Science 2006, 314, 977–980. [Google Scholar] [CrossRef] [Green Version]
- Smith, D.R.; Padilla, W.J.; VIER, D.C. Composite medium with simultaneously negative permeability and permittivity. Phys. Rev. Lett. 2000, 84, 4184–4187. [Google Scholar] [CrossRef] [Green Version]
- Plum, E.; Zhou, J.; Dong, J.; Fedotov, V.A.; Koschny, T.; Soukoulis, C.M.; Zheludev, N.I. Metamaterial with negative index due to chirality. Phys. Rev. B 2009, 79, 035407. [Google Scholar] [CrossRef] [Green Version]
- Yu, N.; Capasso, F. Flat optics with designer metasurfaces. Nat. Mater. 2014, 13, 139–150. [Google Scholar] [CrossRef]
- Monticone, F.; Estakhri, N.M.; Alù, A. Full control of nanoscale optical transmission with a composite metascreen. Phys. Rev. Lett. 2013, 110, 203903. [Google Scholar] [CrossRef]
- Li, P.C.; Zhao, Y.; Alú, A.; Yu, E.T. Experimental realization and modeling of a subwavelength frequency-selective plasmonic metasurface. Appl. Phys. Lett. 2011, 99, 2011–2014. [Google Scholar] [CrossRef] [Green Version]
- Sun, S.; He, Q.; Xiao, S.; Xu, Q.; Li, X.; Zhou, L. Gradient-index meta-surfaces as a bridge linking propagating waves and surface waves. Nat. Mater. 2012, 11, 426–431. [Google Scholar] [CrossRef]
- Estakhri, N.M.; Edwards, B.; Engheta, N. Inverse-designed metastructures that solve equations. Science 2019, 363, 6433. [Google Scholar]
- La Spada, L.; Vegni, L. Near-zero-index wires. Opt. Express 2017, 25, 23699–23708. [Google Scholar] [CrossRef] [PubMed] [Green Version]
- Greybush, N.J.; Pacheco-Penã, V.; Engheta, N.; Murray, C.B.; Kagan, C.R. Plasmonic optical and chiroptical response of self-assembled Au nanorod equilateral trimers. ACS Nano 2019, 13, 1617–1624. [Google Scholar] [CrossRef]
- Lalegani, Z.; Seyyed Ebrahimi, S.A.; Hamawandi, B.; La Spada, L.; Batili, H.; Toprak, M.S. Targeted dielectric coating of silver nanoparticles with silica to manipulate optical properties for metasurface applications. Mater. Chem. Phys. 2022, 287, 126250. [Google Scholar] [CrossRef]
- Akbari, M.; Shahbazzadeh, M.J.; La Spada, L.; Khajehzadeh, A. The graphene field effect transistor modeling based on an optimized ambipolar virtual source model for DNA detection. Appl. Sci. 2021, 11, 8114. [Google Scholar] [CrossRef]
- Donnelly, E.; Spada, L. La Electromagnetic and thermal nanostructures: From waves to circuits. Eng. Res. Express 2020, 2, 015045. [Google Scholar] [CrossRef]
- Landy, N.I.; Sajuyigbe, S.; Mock, J.J.; Smith, D.R.; Padilla, W.J. Perfect metamaterial absorber. Phys. Rev. Lett. 2008, 100, 207402. [Google Scholar] [CrossRef] [PubMed]
- Stephen, L.; Yogesh, N.; Subramanian, V. Realization of bidirectional, bandwidth-enhanced metamaterial absorber for microwave applications. Sci. Rep. 2019, 9, 10058. [Google Scholar] [CrossRef]
- Wang, H.B.; Cheng, Y.J.; Member, S.; Chen, Z.N. Wideband and wide-angle single-layered-substrate linear-to-circular polarization metasurface converter. IEEE Trans. Antennas Propag. 2019, 68, 1186–1191. [Google Scholar] [CrossRef]
- Gao, X.; Han, X.; Cao, W.P.; Li, H.O.; Ma, H.F.; Cui, T.J. Ultrawideband and high-efficiency linear polarization converter based on double v-shaped metasurface. IEEE Trans. Antennas Propag. 2015, 63, 3522–3530. [Google Scholar] [CrossRef]
- Chen, K.; Feng, Y.; Monticone, F.; Zhao, J.; Zhu, B.; Jiang, T.; Zhang, L.; Kim, Y.; Ding, X.; Zhang, S.; et al. A reconfigurable active Huygens’ metalens. Adv. Mater. 2017, 29, 1606422. [Google Scholar] [CrossRef] [Green Version]
- Fan, Y.; Wang, J.; Li, Y.; Zhang, J.; Han, Y.; Qu, S. Low-RCS and high-gain circularly polarized metasurface. IEEE Trans. Antennas Propag. 2019, 67, 7197–7203. [Google Scholar] [CrossRef]
- Hao, W.; Deng, M.; Chen, S.; Chen, L. High-efficiency generation of airy beams with huygens’ metasurface. Phys. Rev. Appl. 2019, 11, 054012. [Google Scholar] [CrossRef]
- Yu, N.; Genevet, P.; Kats, M.A.; Aieta, F.; Capasso, F.; Gaburro, Z.; Capasso, F.; Gaburro, Z. Light propagation with phase discontinuities: Generalized laws of reflection and refraction. Science 2011, 334, 333–337. [Google Scholar] [CrossRef] [Green Version]
- Chen, Z.; Deng, H.; Xiong, Q.; Liu, C. Phase gradient metasurface with broadband anomalous reflection based on cross-shaped units. Appl. Phys. A 2018, 124, 281. [Google Scholar] [CrossRef]
- Suzuki, T.; Kondoh, S. Negative refractive index metasurface in the 2.0-THz band. Opt. Mater. Express 2018, 8, 1916–1925. [Google Scholar] [CrossRef]
- Kazemi, H.; Albooyeh, M.; Capolino, F. Simultaneous perfect bending and polarization rotation of electromagnetic wavefront using chiral gradient metasurfaces. Phys. Rev. Appl. 2020, 13, 024078. [Google Scholar] [CrossRef] [Green Version]
- Zhang, J.; Yang, L.; Li, L.; Zhang, T.; Li, H.; Wang, Q.; Hao, Y.; Lei, M.; Bi, K. High-efficiency polarization conversion phase gradient metasurface for wideband anomalous reflection. J. Appl. Phys. 2017, 122, 014501. [Google Scholar] [CrossRef]
- Ma, W.; Jia, D.; Yu, X.; Feng, Y.; Zhao, Y. Reflective gradient metasurfaces for polarization-independent light focusing at normal or oblique incidence. Appl. Phys. Lett. 2016, 108, 071111. [Google Scholar] [CrossRef]
- Yue, H.; Chen, L.; Yang, Y.; He, L.; Shi, X. Design and implementation of a dual frequency and bidirectional phase gradient metasurface for beam convergence. IEEE Antennas Wirel. Propag. Lett. 2019, 18, 54–58. [Google Scholar] [CrossRef]
- Xu, B.; Wu, C.; Wei, Z.; Fan, Y.; Li, H. Generating an orbital-angular-momentum beam with a metasurface of gradient reflective phase. Opt. Mater. Express 2016, 6, 3940. [Google Scholar] [CrossRef]
- Tang, S.; Cai, T.; Liang, J.-G.; Xiao, Y.; Zhang, C.-W.; Zhang, Q.; Hu, Z.; Jiang, T. High-efficiency transparent vortex beam generator based on ultrathin Pancharatnam–Berry metasurfaces. Opt. Express 2019, 27, 1816. [Google Scholar] [CrossRef]
- Xu, H.X.; Liu, H.; Ling, X.; Sun, Y.; Yuan, F. Broadband vortex beam generation using multimode Pancharatnam-Berry metasurface. IEEE Trans. Antennas Propag. 2017, 65, 7378–7382. [Google Scholar] [CrossRef]
- Li, Y.; Zhang, J.; Qu, S.; Wang, J.; Chen, H.; Xu, Z.; Zhang, A. Wideband radar cross section reduction using two-dimensional phase gradient metasurfaces. Appl. Phys. Lett. 2014, 104, 1473–1476. [Google Scholar] [CrossRef]
- Yoo, M.; Kim, H.K.; Lim, S. Angular- and polarization-insensitive metamaterial absorber using subwavelength unit cell in multilayer technology. IEEE Antennas Wirel. Propag. Lett. 2016, 15, 414–417. [Google Scholar] [CrossRef]
- Liu, S.; Chen, H.; Cui, T.J. A broadband terahertz absorber using multi-layer stacked bars. Appl. Phys. Lett. 2015, 106, 151601. [Google Scholar] [CrossRef]
- Fu, C.; Han, L.; Liu, C.; Lu, X.; Sun, Z. Reflection-type 1-Bit coding metasurface for RCS reduction combined diffusion and reflection. J. Phys. D Appl. Phys. 2020, 53, 124575. [Google Scholar] [CrossRef]
- Kong, X.; Wang, Q.; Jiang, S.; Kong, L.; Yuan, J.; Yan, X.; Wang, X.; Zhao, X. A metasurface composed of 3-bit coding linear polarization conversion elements and Its application to RCS reduction of patch antenna. Sci. Rep. 2020, 10, 17843. [Google Scholar] [CrossRef]
- Su, J.; Lu, Y.; Zheng, Z.; Li, Z.; Yang, Y.; Che, Y.; Qi, K. Fast analysis and optimal design of metasurface for wideband monostatic and multistatic radar stealth. J. Appl. Phys. 2016, 120, 205107. [Google Scholar] [CrossRef]













| Performance | Operating Bandwidth | Co-Polarized Reflectance | Cross-Polarized Reflectance | Fractional Bandwidth | PCR |
|---|---|---|---|---|---|
| values | 14.8–28.0 GHz | >0.9 | <0.2 | 61.7% | >0.95 |
Publisher’s Note: MDPI stays neutral with regard to jurisdictional claims in published maps and institutional affiliations. |
© 2022 by the authors. Licensee MDPI, Basel, Switzerland. This article is an open access article distributed under the terms and conditions of the Creative Commons Attribution (CC BY) license (https://creativecommons.org/licenses/by/4.0/).
Share and Cite
Li, X.; Wang, Y.; Fan, J.; He, J.; Huang, X. Ultra-Thin/Wide-Band Polarization Conversion Metasurface and Its Applications in Anomalous Reflection and RCS Reduction. Appl. Sci. 2022, 12, 7696. https://doi.org/10.3390/app12157696
Li X, Wang Y, Fan J, He J, Huang X. Ultra-Thin/Wide-Band Polarization Conversion Metasurface and Its Applications in Anomalous Reflection and RCS Reduction. Applied Sciences. 2022; 12(15):7696. https://doi.org/10.3390/app12157696
Chicago/Turabian StyleLi, Xuewen, Yuxiang Wang, Jingdao Fan, Jiahao He, and Xiaojun Huang. 2022. "Ultra-Thin/Wide-Band Polarization Conversion Metasurface and Its Applications in Anomalous Reflection and RCS Reduction" Applied Sciences 12, no. 15: 7696. https://doi.org/10.3390/app12157696
APA StyleLi, X., Wang, Y., Fan, J., He, J., & Huang, X. (2022). Ultra-Thin/Wide-Band Polarization Conversion Metasurface and Its Applications in Anomalous Reflection and RCS Reduction. Applied Sciences, 12(15), 7696. https://doi.org/10.3390/app12157696

