Behavior of Mono Helical Pile Foundation in Clays under Combined Uplift and Lateral Loading Conditions
Abstract
:1. Introduction
2. Materials and Methods
2.1. Theoretical Investigation
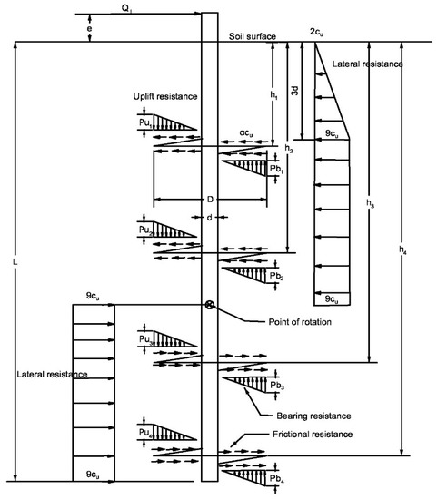
2.1.1. Uplift Capacity of Helical Pile
2.1.2. Lateral Capacity of Helical Pile
2.2. Numerical Investigation
2.2.1. Modeling and Input Data
2.2.2. Mesh Details
2.2.3. Analysis Procedure
2.2.4. Simulated Loading Procedure
2.2.5. Modeling Limitations
2.3. Experimental Investigation
2.3.1. Material Used and Test Setup
- Soil: The soft clay soil obtained from Kalathur lake situated near Ocheri in the Vellore district of Tamil Nadu, India, is used for the present study. The properties of the soft clay are: liquid limit (LL) = 52%, plastic limit (PL) = 27%, plasticity (Ip) = 25%, and undrained shear strength (cu) at the consistency (Ic) of 0.5 = 7.5 kN/m2. The soil is classified as clay with high compressibility (CH) type as per the Indian standard classification system.
- Helical pile: Model helical pile material and dimensions are chosen in accordance with similitude regulations. The size of model helical piles should be carefully scaled down in comparison to the size of the prototype. Nevertheless, owing to the difficulties in fabricating a scaled-down size of model helical pile for a given size of prototype, the size of the model pile in the current work is set based on the sizes that are available on the market. The model is made of the steel solid circular rod having a shaft diameter of 14 mm and a helical plate diameter of 40 mm with a 2 mm plate thickness and a pitch of 8 mm, cut and welded to the shaft as mentioned earlier. It has been decided to use the scaling law given by Wood et al. [39] in this investigation:where n = scale factor, Em = elasticity modulus of model pile, Ep = elasticity modulus of prototype pile, Im = moment of inertia of model pile, and Ip = moment of inertia of prototype pile. For an assumed prototype the hollow helical pile was made of steel having an outer shaft diameter (d) of 100 mm, a thickness of 10 mm, and helical plate diameter (D) of 285 mm, assuming d/D ratio = 2.85, which is the same as the model pile, the scaling factor is estimated as 4.53. All other parameter considerations are discussed earlier.
2.3.2. Test Setup and Loading Procedure
3. Results and Discussions
3.1. Effect of Installation
3.2. Results of the Parametric Study
3.3. Results of Combined Loading
3.3.1. Uplift Loading Effect on Lateral Capacity of Helical Pile
3.3.2. Lateral Loading Effect on Uplift Capacity of Helical Pile
3.4. Limitation of the Study
4. Conclusions
- The proposed numerical model made a good prediction of the uplift and lateral capacities of the helical pile and can be employed for field application considering some correlating factors related to in situ soil conditions. Compared with the theoretical results, the predicted results have a maximum percentage variation of 5% and 8% in the case of uplift and lateral capacity, respectively. The results from laboratory tests on remolded clay beds varied within 10% and the proposed model is suitable for design purposes.
- The uplift and lateral capacities increase with the increasing number of helical plates and embedment depth ratio. The reason behind this, as reported by previous literature, is that increasing the number of helical plates increases the bearing resistance and uplift resistance, which leads to an increase in capacity. In the case of lateral loading, their influence on the capacity values is greater. Furthermore, increasing the eccentricity of loading decreases the lateral capacity substantially.
- The lateral capacity of the helical pile decreases when it is subjected to combined uplift loads. However, the magnitude of an applied uplift load has less effect on the decrement of capacity. According to the numerical results, increasing the number of helical plates appears to restore the lateral capacity. As a result, the inclusion of a helical plate should be seen as critical from a design standpoint.
- The combined loading also increases the bending moment at the central core and this increment leads to a limitation in choosing pile geometry while designing helical piles to produce significant lateral resistance.
- The effect on the uplift capacity of a helical pile due to lateral load is to increase the capacity by almost 6%. The observed percentage increase seems less effective at increasing the number of helical plates. From the failure contours of combined loading, it is observed that the soil mobilized near the pile head due to lateral movement of the pile, and that failure contours developed along with the cylindrical shear failure surface.
Author Contributions
Funding
Institutional Review Board Statement
Informed Consent Statement
Data Availability Statement
Conflicts of Interest
References
- Ghaly, A.M.; Hanna, A.M.; Hanna, M.S. Uplift Behavior of Screw Anchors in Sand. J. Geotech. Eng. 1991, 117, 773–794. [Google Scholar] [CrossRef]
- Saeki, E.; Ohki, H. A Study of the screwed pile—The results of installation and loading tests and analysis of penetration mechanism. In Deep Foundations on Bored and Auger Piles; Van Impe, W.F., Ed.; Millpress: Rotterdam, The Netherlands, 2003; pp. 259–266. [Google Scholar]
- Sakr, M. Retracted: Relationship between Installation Torque and Axial Capacities of Helical Piles in Cohesionless Soils. J. Perform. Constr. Facil. 2015, 29, 04014173. [Google Scholar] [CrossRef]
- Lutenegger, A.J. Cylindrical shear or plate bearing?—Uplift behavior of multi-helix screw anchors in clay. In Contemporary Topics in Deep Foundations; American Society of Civil Engineers: Reston, VA, USA, 2009; pp. 456–463. [Google Scholar]
- Perko, H.A. Helical Piles: A Practical Guide to Design and Installation; John Wiley & Sons Inc: Hoboken, NJ, USA, 2009. [Google Scholar]
- Muthukumar, M.; Shukla, S.K. Comparative Study on the Behaviour of Granular Pile Anchors and Helical Pile Anchors in Expansive Soils Subjected to Swelling. Int. J. Geotech. Eng. 2020, 14, 49–54. [Google Scholar] [CrossRef]
- International Code Council (ICC). 2015 International Building Code (IBC). Available online: https://codes.iccsafe.org/content/IBC2015/chapter-18-soils-and-foundations?site_type=public (accessed on 16 May 2022).
- Rao, S.N.; Prasad, Y.V.S.N.; Shetty, M.D. The behaviour of model screw piles in cohesive soils. Soils Found. 1991, 31, 35–50. [Google Scholar] [CrossRef] [Green Version]
- Mooney, J.S.; Adamczak, S.; Clemence, S.P. Uplift Capacity of Helix Anchors in Clay and Silt; American Society of Civil Engineers: Reston, VA, USA, 1985. [Google Scholar]
- Mitsch, M.P.; Clemence, S.P. The uplift capacity of helix anchors in sand. In Uplift Behavior of Anchor Foundations in Soil; American Society of Civil Engineers: Reston, VA, USA, 1985. [Google Scholar]
- Rao, S.N.; Prasad, Y.V.S.N.; Veeresh, C. Behaviour of embedded model screw anchors in soft clays. Géotechnique 1993, 43, 605–614. [Google Scholar] [CrossRef]
- Meyerhof, G.G.; Adams, J.I. The ultimate uplift capacity of foundations. Can. Geotech. J. 1968, 5, 225–244. [Google Scholar] [CrossRef]
- Mittal, S.; Ganjoo, B.; Shekhar, S. Static equilibrium of screw anchor pile under lateral load in sands. Geotech. Geol. Eng. 2010, 28, 717–725. [Google Scholar] [CrossRef]
- Ding, H.; Wang, L.; Zhang, P.; Le, C. Study on the Lateral Bearing Capacity of Single-Helix Pile for Offshore Wind Power. In Proceedings of the ASME 37th International Conference on Ocean, Offshore and Arctic Engineering, Madrid, Spain, 17–22 June 2018; pp. 1–6. [Google Scholar]
- Abdrabbo, F.M.; El Wakil, A.Z. Laterally Loaded Helical Piles in Sand. Alex. Eng. J. 2016, 55, 3239–3245. [Google Scholar] [CrossRef] [Green Version]
- Sakr, M. Performance of Helical Piles in Oil Sand. Can. Geotech. J. 2009, 46, 1046–1061. [Google Scholar] [CrossRef] [Green Version]
- Sakr, M. Lateral Resistance of High Capacity Helical Piles: Case Study. In Proceedings of the 63rd Canadian Geotechnical and 6th Canadian Permafrost Conference, Calgary, AL, Canada, 12–16 September 2010; pp. 402–412. [Google Scholar]
- Elkasabgy, M.A.; El Naggar, M.H. Lateral performance of large-capacity helical piles. In Proceedings of the IFCEE 2015, San Antonio, TX, USA, 17–21 March 2015; American Society of Civil Engineers: Reston, VA, USA, 2015. [Google Scholar]
- Al-Baghdadi, T.A.; Brown, M.J.; Knappett, J.A.; Al-Defae, A.H. Effects of Vertical Loading on Lateral Screw Pile Performance. Proc. Inst. Civ. Eng.—Geotech. Eng. 2017, 170, 259–272. [Google Scholar] [CrossRef] [Green Version]
- Puri, V.K.; Stephenson, R.W.; Dziedzic, E.; Goen, L. Helical anchor piles under lateral loading. In Laterally Loaded Deep Foundations: Analysis and Performance; ASTM International: West Conshohocken, PA, USA, 2008; pp. 194–213. ISBN 9780803102071. [Google Scholar]
- Matlock, H.; Reese, L.C. Generalized solutions for laterally loaded piles. T. Am. Soc. Civ. Eng. 1962, 127, 1220–1248. [Google Scholar] [CrossRef]
- Prasad, Y.V.S.N.; Rao, S.N. Lateral Capacity of Helical Piles in Clays. J. Geotech. Eng. 1996, 122, 938–941. [Google Scholar] [CrossRef]
- Venkatesan, V.; Muthukumar, M. Design Parameters and Behavior of Helical Piles in Cohesive Soils—A Review. Arab. J. Geosci. 2020, 13, 1–14. [Google Scholar] [CrossRef]
- Rao, S.N.; Prasad, Y.V.S.N. Estimation of Uplift Capacity of Helical Anchors in Clays. J. Geotech. Eng. 1993, 119, 352–357. [Google Scholar] [CrossRef]
- Meyerhof, G.G. Bearing Capacity and Settlement of Pile Foundations. J. Geotech. Eng. Div. 1976, 102, 197–228. [Google Scholar] [CrossRef]
- Tappenden, K.M.; Sego, D.C. Predicting the axial capacity of screw piles installed in Canadian soils. In Proceedings of the 60th Canadian Geotechnical Conference, Ottawa, ON, Canada, 21–25 October 2007; pp. 1608–1615. [Google Scholar]
- Nasr, M.H. Performance-based design for helical piles. In Contemporary Topics in Deep Foundations; American Society of Civil Engineers: Reston, VA, USA, 2009; pp. 496–503. [Google Scholar]
- Hubell/CHANCE. ATLAS Technical Design Manual, Edition 3. 2014. Available online: https://hubbellcdn.com/catalogfull/CHANCE%20Technical%20Design%20Manual.pdf (accessed on 16 May 2022).
- Merifield, R.S. Ultimate uplift capacity of multiplate helical type anchors in clay. J. Geotech. Geoenviron. Eng. 2011, 137, 704–716. [Google Scholar] [CrossRef]
- Bezuijen, A.; Wang, D.; Gaudin, C.; Merifield, R.; Hu, Y. Centrifuge model tests of helical anchors in clay. In Physical Modelling in Geotechnics, Two Volume Set; CRC Press: Boca Raton, FL, USA, 2010; pp. 1069–1074. ISBN 9780415592888. [Google Scholar]
- Wang, D.; Merifield, R.S.; Gaudin, C. Uplift behaviour of helical anchors in clay. Can. Geotech. J. 2013, 50, 575–584. [Google Scholar] [CrossRef]
- George, B.E.; Banerjee, S.; Gandhi, S.R. Numerical analysis of helical piles in cohesionless soil. Int. J. Geotech. Eng. 2020, 14, 361–375. [Google Scholar] [CrossRef]
- Kurian, N.P.; Shah, S.J. Studies on the behavior of screw piles by the finite element method. Can. Geotech. J. 2009, 46, 627–638. [Google Scholar] [CrossRef]
- Garcia, L.D.C. Assessment of Helical Anchors Bearing Capacity for Offshore Aquaculture Applications. Master’s Thesis, University of Maine, Orono, ME, USA, 2019; pp. 1–158. [Google Scholar]
- Karthigeyan, S.; Ramakrishna, V.V.G.S.T.; Rajagopal, K. Numerical investigation of the effect of vertical load on the lateral response of piles. J. Geotech. Geoenviron. Eng. 2007, 133, 512–521. [Google Scholar] [CrossRef]
- Karthigeyan, S. Numerical Investigation of the effect of combined loading on the Lateral response of piles in sand. In Challenges and Applications of Mathematical Modeling Techniques in Building Science and Technology (CAM2TBST); Central Building Research Institute: Roorkee, India, 2008; pp. 420–429. [Google Scholar]
- Weech, C.; Howie, J.A. Helical piles in soft sensitive soil—Disturbance effects during pile installation. In Proceedings of the 54th Canadian Geotechnical Conference, Calgary, Alberta, 16–19 September 2001; pp. 281–288. [Google Scholar]
- Bagheri, F.; El Naggar, M.H. Effects of the Installation Disturbance on the Behavior of the Multi-Helix Screw Anchors in Sands. Proc. GeoMontreal 2013, 9, 80–91. [Google Scholar] [CrossRef]
- Wood, D.M.; Crewe, A.; Taylor, C. Shaking table testing of geotechnical models. Int. J. Phys. Model. Geotech. 2002, 2, 1–13. [Google Scholar] [CrossRef]
- Prasad, Y.V.S.N.; Rao, N. Pullout behavior of model pile and helical pile anchors subjected to lateral cyclic loading. Can. Geotech. J. 1994, 31, 110–119. [Google Scholar] [CrossRef]
- AC358—ICC Evaluation Service, LLC (ICC-ES). Available online: https://icc-es.org/acceptance-criteria/ac358-2/ (accessed on 16 May 2022).
- ASTM D3689; Standard Test Method for Individual Piles under Static Axial Tensile Load. ASTM International: West Conshohocken, PA, USA, 2013.
- Papadopoulou, K.; Saroglou, H.; Papadopoulos, V. Finite element analyses and experimental investigation of helical micropiles. Geotech. Geol. Eng. 2014, 32, 949–963. [Google Scholar] [CrossRef]
- Trofimenkov, J.G.; Maruipolshii, L.G. Screw piles used for mast and tower foundations. In Proceedings of the 6th International Conferenceon Soil Mechanics and Foundation Engineering, Montreal, QC, Canada, 8–15 September 1965; University of Toronto Press: Toronto, ON, Canada, 1965; Volume 2, pp. 328–332. [Google Scholar]
- Ali, M.S. Pullout Resistance of Anchor Plates and Anchor Piles in Soft Bentonite Clay. Ph.D. Thesis, Duke University, Durham, NC, USA, 1969. [Google Scholar]
- Reddy, M.; Ayothiraman, K. Experimental studies on behavior of single pile under combined uplift and lateral loading. J. Geotech. Geoenviron. Eng. 2015, 141, 04015030. [Google Scholar] [CrossRef]



















| Helical Anchor Type | Embedment Ratio (H/D) | Spacing Ratio (S/D) | No. of Plates (n) | Tests to Be Performed | |||
|---|---|---|---|---|---|---|---|
| Numerical Analysis | Experimental Tests | ||||||
| Uplift and Lateral Separately | Combined Loading | Uplift Capacity | Lateral Capacity | ||||
| SHP-1-12 | 12 | 0 | 1 | Yes | Yes | - | - |
| SHP-2-4 | 4 | 3.75 | 2 | Yes | - | - | - |
| SHP-2-6 | 6 | 3.75 | 2 | Yes | - | Yes | - |
| SHP-2-8.75 | 8.75 | 3.75 | 2 | Yes | Yes | Yes | Yes |
| SHP-3-4 | 4 | 1.875 | 3 | Yes | - | - | - |
| SHP-3-6 | 6 | 1.875 | 3 | Yes | - | Yes | - |
| SHP-3-8.75 | 8.75 | 1.875 | 3 | Yes | Yes | Yes | Yes |
| SHP-4-4 | 4 | 1.25 | 4 | Yes | - | - | - |
| SHP-4-6 | 6 | 1.25 | 4 | Yes | - | Yes | - |
| SHP-4-8.75 | 8.75 | 1.25 | 4 | Yes | Yes | Yes | Yes |
| Element | Soil | Soil Volume for Pile | Shaft Plate | Helical Plates | Interfaces |
|---|---|---|---|---|---|
| Purpose | Simulate Soil Block | Simulate Rigid Elements Inside the Soil and Act as a Pile | Simulate Shaft Behavior and Connect Helical Plates | Simulate Helical Plates as a Planar Element | Allow Separation between Soil and Anchors |
| Material model | Hardening soil model | Linear elastic | Linear elastic | Linear elastic | Mohr coulomb |
| Drainage type | Undrained B | Non-porous | - | - | Drained |
| Unit weight, γ (kN/m3) | γ unsat = 16 | 78.5 | 0.0785 | 78.5 | γ unsat = 17 |
| γ sat = 17 | γ sat = 17 | ||||
| Young’s modulus, E (kN/m2) | Secant stiffness, E50ref = 24,550 | 200 × 106 | 200 | 200 × 106 | 24,550 |
| Oedometer stiffness, Eoedref = 28,000 | |||||
| Unloading/reloading stiffness, Eurref = 73,650 | |||||
| Poisson ratio, µ | 0.3 | 0.3 | 0.3 | 0.3 | 0.3 |
| Soil strength, Su (kN/m2) | 7.5 | - | - | - | 7.5 |
| Friction angle, ϕu | 0 | - | - | - | 0 |
| Pile Type | Uplift Capacity (kN) | Lateral Capacity (kN) | ||||
|---|---|---|---|---|---|---|
| Theoretical | Numerical | Experimental | Theoretical | Numerical | Experimental | |
| SHP-1-12 | 0.4698 | 0.5083 | - | 0.1759 | 0.1856 | - |
| SHP-2-4 | 0.7476 | 0.7663 | - | 0.0937 | 0.0980 | - |
| SHP-2-6 | 0.7740 | 0.7688 | 0.7504 | 0.1516 | 0.1654 | - |
| SHP-2-8.75 | 0.7903 | 0.7911 | 0.7895 | 0.2314 | 0.2459 | 0.2206 |
| SHP-3-4 | 0.8750 | 0.8559 | - | 0.0937 | 0.0998 | - |
| SHP-3-6 | 0.8715 | 0.8803 | 0.8529 | 0.1617 | 0.1650 | - |
| SHP-3-8.75 | 0.8855 | 0.8858 | 0.8792 | 0.2639 | 0.2864 | 0.2696 |
| SHP-4-4 | 0.8935 | 0.8867 | - | 0.0907 | 0.0981 | - |
| SHP-4-6 | 0.9350 | 0.9276 | 0.9220 | 0.1668 | 0.1726 | - |
| SHP-4-8.75 | 0.9399 | 0.9282 | 0.8920 | 0.2902 | 0.3044 | 0.2942 |
| Pile Type | Lateral Capacity Ql (kN) | Uplift Capacity Qu (kN) | Applied Uplift Load (kN) | Numerically Calculated Lateral Load (kN) | Percentage Decrease (%) | |||
|---|---|---|---|---|---|---|---|---|
| Q = 0.25 Qu | Q = 0.5 Qu | Q = 0.25 Qu | Q = 0.5 Qu | Q = 0.25 Qu | Q = 0.5 Qu | |||
| SHP-1 | 0.0928 | 0.5083 | 0.1271 | 0.2541 | 0.08543 | 0.08143 | 7.94 | 12.25 |
| SHP-2 | 0.2459 | 0.7911 | 0.1978 | 0.3956 | 0.2231 | 0.22 | 9.27 | 10.53 |
| SHP-3 | 0.2864 | 0.8858 | 0.2214 | 0.4429 | 0.27231 | 0.2702 | 4.92 | 5.66 |
| SHP-4 | 0.3107 | 0.9282 | 0.2320 | 0.4641 | 0.3124 | 0.3106 | 0.55 | 0.03 |
| Pile Type | Uplift Capacity Qu (kN) | Applied Lateral Load Ql (kN) | Numerically Calculated Uplift Load (kN) | Percentage Increase (%) |
|---|---|---|---|---|
| SHP-1 | 0.5083 | 0.0928 | 0.5254 | 3.36 |
| SHP-2 | 0.7911 | 0.2459 | 0.8355 | 5.61 |
| SHP-3 | 0.8858 | 0.2864 | 0.9358 | 5.65 |
| SHP-4 | 0.9282 | 0.3107 | 0.9765 | 5.21 |
Publisher’s Note: MDPI stays neutral with regard to jurisdictional claims in published maps and institutional affiliations. |
© 2022 by the authors. Licensee MDPI, Basel, Switzerland. This article is an open access article distributed under the terms and conditions of the Creative Commons Attribution (CC BY) license (https://creativecommons.org/licenses/by/4.0/).
Share and Cite
Venkatesan, V.; Mayakrishnan, M. Behavior of Mono Helical Pile Foundation in Clays under Combined Uplift and Lateral Loading Conditions. Appl. Sci. 2022, 12, 6827. https://doi.org/10.3390/app12146827
Venkatesan V, Mayakrishnan M. Behavior of Mono Helical Pile Foundation in Clays under Combined Uplift and Lateral Loading Conditions. Applied Sciences. 2022; 12(14):6827. https://doi.org/10.3390/app12146827
Chicago/Turabian StyleVenkatesan, Vignesh, and Muthukumar Mayakrishnan. 2022. "Behavior of Mono Helical Pile Foundation in Clays under Combined Uplift and Lateral Loading Conditions" Applied Sciences 12, no. 14: 6827. https://doi.org/10.3390/app12146827
APA StyleVenkatesan, V., & Mayakrishnan, M. (2022). Behavior of Mono Helical Pile Foundation in Clays under Combined Uplift and Lateral Loading Conditions. Applied Sciences, 12(14), 6827. https://doi.org/10.3390/app12146827

