A Ku-Band Bi-Directional Transmit and Receive IC in 0.13 μm CMOS Technology
Abstract
:1. Introduction
2. Design of Ku-Band Bi-Directional Transmit and Receive IC
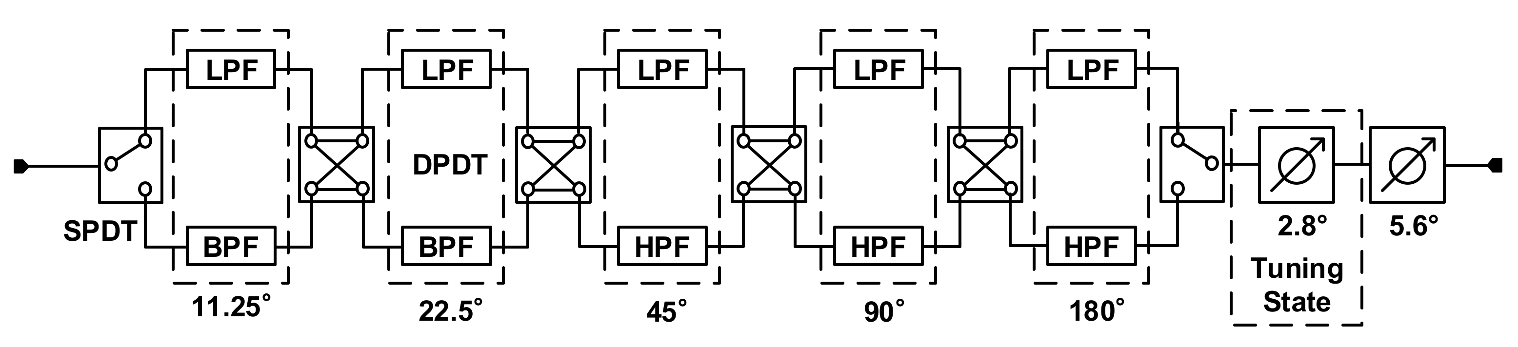
2.1. Ku-Band 6-Bit Phase Shifter
2.2. Ku-Band 6-Bit Digital Step Attenuator
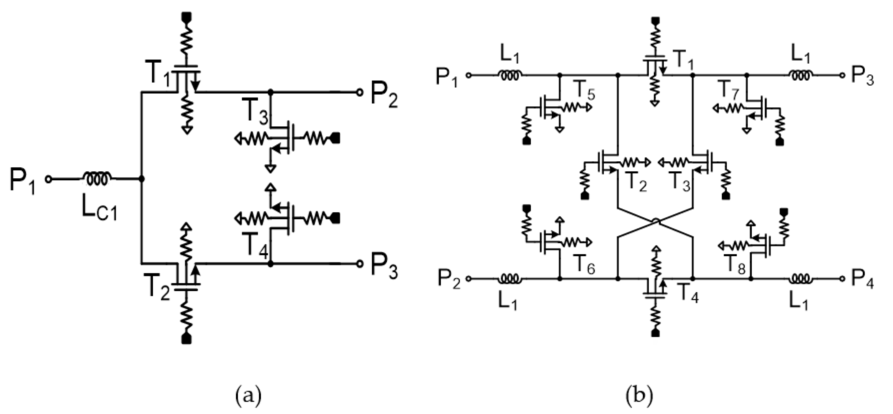
2.3. Switchless Bi-Directional Amplifier
3. Experiment Results
4. Conclusions
Author Contributions
Funding
Institutional Review Board Statement
Informed Consent Statement
Data Availability Statement
Conflicts of Interest
References
- Encinar, J.; Arrebola, M.; Fuenten, L.; Toso, G. Transmit-receive reflectarray antenna for direct broadcast satellite applications. IEEE Trans. Antennas Propag. 2011, 59, 3255–3264. [Google Scholar] [CrossRef]
- Baggen, R.; Vaccaro, S.; Rio, D.; Padilla, J. Small-scale prototype of a Ku-band phased array for mobile satellite communications. In Proceedings of the IEEE-APS Conference on Antennas and Propagation for Wireless Communications, Torino, Italy, 12–16 September 2011; pp. 491–494. [Google Scholar]
- Kang, D.; Kim, J.; Min, B.; Rebeiz, G. Single and four-element Ka-band transmit/receive phased-array silicon RFICs with 5-bit amplitude and phase control. IEEE Trans. Microw. Theory Tech. 2009, 57, 3534–3543. [Google Scholar] [CrossRef]
- Saha, P.; Muralidharan, S.; Cao, J.; Gurbuz, O.; Hay, C. X/Ku-Band Four-Channel Transmit/Receive SiGe Phased-Array IC. In Proceedings of the 2019 IEEE Radio Frequency Integrated Circuits Symposium Digest, Boston, MA, USA, 2–4 June 2019. [Google Scholar]
- Cho, M.; Yoon, S.; Sim, S.; Jeon, L.; Kim, J. CMOS-based bi-directional T/R chipsets for phased array antenna. In Proceedings of the 2012 IEEE/MTT-S International Microwave Symposium Digest, Montreal, QC, Canada, 17–22 June 2012. [Google Scholar]
- Cho, M.; Han, J.; Kim, J.; Kim, J. An X/Ku-band bi-directional true time delay T/R chipset in 0.13 µm CMOS technology. In Proceedings of the 2014 IEEE/MTT-S International Microwave Symposium Digest, Tampa, FL, USA, 1–6 June 2014. [Google Scholar]
- Nguyen, V.-V.; Nam, H.; Choe, Y.J.; Lee, B.-H.; Park, J.-D. An X-band Bi-Directional Transmit/Receive Module for a Phased Array System in 65-nm CMOS. Sensors 2018, 18, 2569. [Google Scholar] [CrossRef] [PubMed] [Green Version]
- Hieda, M.; Miyaguchi, K.; Kurusu, H.; Ikematsu, H.; Iyama, Y.; Takagi, T.; Ishida, O. A compact Ku-band 5-bit MMIC phase shifter. IEICE Trans. Electron. 2003, E86-C, 2437–2444. [Google Scholar]
- Koh, K.; Rebeiz, G. 0.13 μm CMOS phase shifters for X-, Ku-, and K-band phased arrays. IEEE J. Solid-State Circuits 2007, 42, 2535–2546. [Google Scholar] [CrossRef] [Green Version]
- Kang, D.; Lee, H.; Kim, C.; Hong, S. Ku-Band MMIC Phase Shifter Using a Parallel Resonator with 0.18-μm CMOS Technology. IEEE Trans. Microw. Theory Tech. 2006, 54, 294–301. [Google Scholar] [CrossRef]
- Morton, M.; Papapolymerou, J. 5 bit silicon-based X-band phase shifter using a hybrid pi/t high-pass/low-pass topology. IET Microw. Antennas Propag. 2008, 2, 19–22. [Google Scholar] [CrossRef]
- Wang, L.; Sun, P.; You, Y.; Mikul, A.; Bonebright, R.; Kromholtz, G.; Heo, D. Highly linear Ku-band SiGe PIN diode phase shifter in standard SiGe BiCMOS process. IEEE Microw. Wirel. Compon. Lett. 2010, 20, 37–39. [Google Scholar] [CrossRef]
















| Parameter | 11.25° | 22.5° | 45° | 90° | 180° | |
|---|---|---|---|---|---|---|
| HPF (BPF) | L1 (pH) | 177 | 221 | 1420 | 898 | 915 |
| C2 (pF) | 1.2 | 0.57 | 2.1 | 0.62 | 0.62 | |
| LPF | L2 (pH) | 156 | 229 | 176 | 287 | 287 |
| C2 (fF) | 74 | 118 | 102 | 146 | 146 | |
| Reference | [4] | [6] | [7] | This Work |
|---|---|---|---|---|
| Frequency (GHz) | 8–16 | 8–10.5 | 8–10.5 | 12–16 |
| Technology | SiGe 0.18 μm | CMOS 0.13 μm | CMOS 65 nm | CMOS 0.13 μm |
| Rx/Tx Gain (dB) | 10~16/15~21 | 3.5/3.5 | 3.7/3.7 | 2~5/2~5 |
| Phase shifter range/step (Deg.) | 360/2.8 | 360/5.625 | 360/5.625 | 360/5.625 |
| Gain control range/step (dB) | 31/0.5 | 31.5/1 | 31.5/0.5 | 31.5/0.5 |
| RMS Phase Error (Deg.) | 2.8 | 4.3 | 4 | 4 |
| RMS Phase Error (Deg.) | 0.3 | 0.3 | 0.5 | 0.5 |
| Psat (dBm) | 13 | 9.5 | 10 | 2 @ 14 GHz |
| Rx/Tx Power consumption (mW) | 215/280 | 150/150 | 170/170 | 216/216 |
| Chip size (mm2) | 16 | 1.19 | 9.56 | 3.75 |
Publisher’s Note: MDPI stays neutral with regard to jurisdictional claims in published maps and institutional affiliations. |
© 2022 by the authors. Licensee MDPI, Basel, Switzerland. This article is an open access article distributed under the terms and conditions of the Creative Commons Attribution (CC BY) license (https://creativecommons.org/licenses/by/4.0/).
Share and Cite
Kim, J.-G.; Baek, D. A Ku-Band Bi-Directional Transmit and Receive IC in 0.13 μm CMOS Technology. Appl. Sci. 2022, 12, 5710. https://doi.org/10.3390/app12115710
Kim J-G, Baek D. A Ku-Band Bi-Directional Transmit and Receive IC in 0.13 μm CMOS Technology. Applied Sciences. 2022; 12(11):5710. https://doi.org/10.3390/app12115710
Chicago/Turabian StyleKim, Jeong-Geun, and Donghyun Baek. 2022. "A Ku-Band Bi-Directional Transmit and Receive IC in 0.13 μm CMOS Technology" Applied Sciences 12, no. 11: 5710. https://doi.org/10.3390/app12115710
APA StyleKim, J.-G., & Baek, D. (2022). A Ku-Band Bi-Directional Transmit and Receive IC in 0.13 μm CMOS Technology. Applied Sciences, 12(11), 5710. https://doi.org/10.3390/app12115710

