Design of a Rectangular Pickup Coil Fabricated on a PCB Using WBG Power Semiconductor in Discrete Package
Abstract
1. Introduction
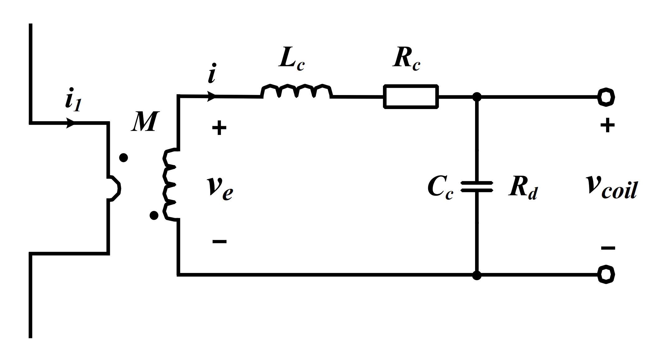
2. Basics of a Pickup Coil
3. Analysis of Parameter for Designing Pickup Coil in PCB
3.1. Pickup Coil Configuration in PCB
3.2. Magnetic Flux Incident Area
3.3. Distance between Conductor and Coil
3.4. Turn Number
3.5. External Magnetic Field Interference
4. Experimental Verification
5. Conclusions
Funding
Institutional Review Board Statement
Informed Consent Statement
Data Availability Statement
Conflicts of Interest
References
- Hudgins, J.L.; Simin, G.S.; Santi, E.; Khan, M.A. An assessment of wide bandgap semiconductors for power devices. IEEE Trans. Power Electron. 2003, 18, 907–914. [Google Scholar] [CrossRef]
- Millán, J.; Godignon, P.; Perpiñà, X.; Pérez-Tomás, A.; Rebollo, J. A survey of wide bandgap power semiconductor devices. IEEE Trans. Power Electron. 2013, 29, 2155–2163. [Google Scholar] [CrossRef]
- Biswas, S.; Reusch, D.; de Rooij, M.; Neville, T. Evaluation of measurement techniques for high-speed GaN transistors. In Proceedings of the 2017 IEEE 5th Workshop on Wide Bandgap Power Devices and Applications (WiPDA), Albuquerque, NM, USA, 30 October–1 November 2017; IEEE: New York, NY, USA, 2017. [Google Scholar] [CrossRef]
- Huang, B.; Li, Y.; Zheng, T.Q.; Zhang, Y. Design of overcurrent protection circuit for GaN HEMT. In Proceedings of the 2014 IEEE Energy Conversion Congress and Exposition (ECCE), Pittsburgh, PA, USA, 14–18 September 2014; IEEE: New York, NY, USA, 2014. [Google Scholar] [CrossRef]
- Wang, K.; Yang, X.; Li, H.; Ma, H.; Zeng, X.; Chen, W. An analytical switching process model of low-voltage eGaN HEMTs for loss calculation. IEEE Trans. Power Electron. 2015, 31, 635–647. [Google Scholar] [CrossRef]
- Jones, E.A.; Wang, F.; Costinett, D.; Zhang, Z.; Guo, B.; Liu, B.; Ren, R. Characterization of an enhancement-mode 650-V GaN HFET. In Proceedings of the 2015 IEEE Energy Conversion Congress and Exposition (ECCE), Montreal, QC, Canada, 20–24 September 2015; IEEE: New York, NY, USA, 2015. [Google Scholar] [CrossRef]
- Ziegler, S.; Woodward, R.C.; Iu, H.H.C.; Borle, L.J. Current sensing techniques: A review. IEEE Sens. J. 2009, 9, 354–376. [Google Scholar] [CrossRef]
- Xiao, C.; Zhao, L.; Asada, T.; Odendaal, W.G.; Van Wyk, J.D. An overview of integratable current sensor technologies. In Proceedings of the 38th IAS Annual Meeting on Conference Record of the Industry Applications Conference, Salt Lake City, UT, USA, 12–16 October 2003; IEEE: New York, NY, USA, 2003; Volume 2. [Google Scholar]
- Samimi, M.H.; Mahari, A.; Farahnakian, M.A.; Mohseni, H. The Rogowski coil principles and applications: A review. IEEE Sens. J. 2014, 15, 651–658. [Google Scholar] [CrossRef]
- Shepard, D.E.; Donald, W.Y. An Overview of Rogowski Coil Current Sensing Technology; LEM DynAmp Inc.: Grove City, OH, USA, 2000. [Google Scholar]
- Quercia, A.; Albanese, R.; Fresa, R.; Minucci, S.; Arshad, S.; Vayakis, G. Performance analysis of Rogowski coils and the measurement of the total toroidal current in the ITER machine. Nucl. Fusion 2017, 57, 126049. [Google Scholar] [CrossRef]
- Koga, M.; Tsukuda, M.; Nakashima, K.; Omura, I. Application-specific micro Rogowski coil for power modules-Design tool, novel coil pattern and demonstration. In Proceedings of the CIPS 2016 9th International Conference on Integrated Power Electronics Systems, Nuremberg, Germany, 8–10 March 2016; VDE: Berlin, Germany, 2016. [Google Scholar]
- Marracci, M.; Tellini, B. Design of Accurate Rogowski Coil for High Transient Currents. In Proceedings of the 2019 IEEE International Instrumentation and Measurement Technology Conference (I2MTC), Auckland, New Zealand, 20–23 May 2019; IEEE: New York, NY, USA, 2019. [Google Scholar] [CrossRef]
- Ferkovic, L.; Damir, I.; Roman, M. Mutual inductance of a precise Rogowski coil in dependence of the position of primary conductor. IEEE Trans. Instrum. Meas. 2008, 58, 122–128. [Google Scholar] [CrossRef]
- Wang, C.; Chen, Y.; Zhang, G.; Zhou, Z. Design of printed-circuit board Rogowski coil for highly accurate current measurement. In Proceedings of the 2007 International Conference on Mechatronics and Automation, Harbin, China, 5–8 August 2007; IEEE: New York, NY, USA, 2007. [Google Scholar] [CrossRef]
- Gerber, D.; Guillod, T.; Biela, J. IGBT gate-drive with PCB Rogowski coil for improved short circuit detection and current turn-off capability. In Proceedings of the 2011 IEEE Pulsed Power Conference, Chicago, IL, USA, 19–23 June 2011; IEEE: New York, NY, USA, 2011. [Google Scholar] [CrossRef]
- Wang, J.; Shen, Z.; Burgos, R.; Boroyevich, D. Design of a high-bandwidth Rogowski current sensor for gate-drive shortcircuit protection of 1.7 kV SiC MOSFET power modules. In Proceedings of the 2015 IEEE 3rd Workshop on Wide Bandgap Power Devices and Applications (WiPDA), Blacksburg, VA, USA, 2–4 November 2015; IEEE: New York, NY, USA, 2015. [Google Scholar] [CrossRef]
- Wang, J.; Shen, Z.; DiMarino, C.; Burgos, R.; Boroyevich, D. Gate driver design for 1.7 kV SiC MOSFET module with Rogowski current sensor for shortcircuit protection. In Proceedings of the 2016 IEEE Applied Power Electronics Conference and Exposition (APEC), Long Beach, CA, USA, 20–24 March 2016; IEEE: New York, NY, USA, 2016. [Google Scholar] [CrossRef]
- Wang, J.; Shen, Z.; Burgos, R.; Boroyevich, D. Integrated switch current sensor for shortcircuit protection and current control of 1.7-kV SiC MOSFET modules. In Proceedings of the 2016 IEEE Energy Conversion Congress and Exposition (ECCE), Milwaukee, WI, USA, 18–22 September 2016; IEEE: New York, NY, USA, 2016. [Google Scholar] [CrossRef]
- Mocevic, S.; Wang, J.; Burgos, R.; Boroyevich, D.; Stancu, C.; Jaksic, M.; Peaslee, B. Comparison between desaturation sensing and Rogowski coil current sensing for shortcircuit protection of 1.2 kV, 300 A SiC MOSFET module. In Proceedings of the 2018 IEEE Applied Power Electronics Conference and Exposition (APEC), San Antonio, TX, USA, 4–8 March 2018; IEEE: New York, NY, USA, 2018. [Google Scholar] [CrossRef]
- Tsukuda, M.; Koga, M.; Nakashima, K.; Omura, I. Micro PCB Rogowski coil for current monitoring and protection of high voltage power modules. Microelectron. Reliab. 2016, 64, 479–483. [Google Scholar] [CrossRef]
- Gerber, D.; Guillod, T.; Leutwyler, R.; Biela, J. Gate unit with improved short-circuit detection and turn-off capability for 4.5-kV press-pack IGBTs operated at 4-kA pulse current. IEEE Plasma Sci. 2013, 41, 2641–2648. [Google Scholar] [CrossRef]
- Hain, S.; Bakran, M. New Rogowski coil design with a high DV/DT immunity and high bandwidth. In Proceedings of the 2013 15th European Conference on Power Electronics and Applications (EPE), Lille, France, 2–6 September 2013; IEEE: New York, NY, USA, 2013. [Google Scholar] [CrossRef]
- Kojovic, L.A. Advanced protection solutions for improved power system dynamics performance. In Proceedings of the IEEE PES Power Systems Conference and Exposition, New York, NY, USA, 10–13 October 2004; IEEE: New York, NY, USA, 2004. [Google Scholar]
- Liu, Y.; Xie, X.; Hu, Y.; Qian, Y.; Sheng, G.; Jiang, X. A novel transient fault current sensor based on the PCB Rogowski coil for overhead transmission lines. Sensors 2016, 16, 742. [Google Scholar] [CrossRef] [PubMed]
- Parkhideh, B.; Shahriar, J.N. Hybrid magnetoresistor-planar Rogowski current sensing scheme with folded trace magnetic field concentration technique. IEEE Sens. J. 2017, 16, 3446–3452. [Google Scholar] [CrossRef]
- Metwally, I.A. New side-looking Rogowski coil sensor for measuring large-magnitude fast impulse currents. Sens. Imaging 2015, 16, 100. [Google Scholar] [CrossRef]
- Metwally, I.A. Novel designs of wideband Rogowski coils for high pulsed current measurement. IET Sci. Meas. Technol. 2014, 8, 9–16. [Google Scholar] [CrossRef]
- Guillod, T.; Gerber, D.; Biela, J.; Muesing, A. Design of a PCB Rogowski Coil based on the PEEC Method. In Proceedings of the 2012 7th International Conference on Integrated Power Electronics Systems (CIPS), Nuremberg, Germany, 6–8 March 2012; IEEE: New York, NY, USA, 2012. [Google Scholar]
- Xue, Y.; Lu, J.; Wang, Z.; Tolbert, L.M.; Blalock, B.J.; Wang, F. A compact planar Rogowski coil current sensor for active current balancing of parallel-connected silicon carbide MOSFETs. In Proceedings of the 2014 IEEE Energy Conversion Congress and Exposition (ECCE), Pittsburgh, PA, USA, 14–18 September 2014; IEEE: New York, NY, USA, 2014. [Google Scholar] [CrossRef]
- Wang, K.; Yang, X.; Li, H.; Wang, L.; Jain, P. A high-bandwidth integrated current measurement for detecting switching current of fast GaN devices. IEEE Trans. Power Electron. 2017, 33, 6199–6210. [Google Scholar] [CrossRef]
- Zhao, L.; Van Wyk, J.D.; Odendaal, W.G. Planar embedded pick-up coil sensor for power electronic modules. In Proceedings of the Nineteenth Annual IEEE Applied Power Electronics Conference and Exposition, 2004. APEC’04, Anaheim, CA, USA, 22–26 February 2004; IEEE: New York, NY, USA, 2004; Volume 2. [Google Scholar]
- Yoshikazu, K.; Wada, K.; Guichon, J.M.; Schanen, J.L.; Roudet, J. Bus bar embedded rogowski coil. In Proceedings of the 2018 IEEE Applied Power Electronics Conference and Exposition (APEC), San Antonio, TX, USA, 4–8 March 2018; IEEE: New York, NY, USA, 2018. [Google Scholar]
- Ui-Jin, K.; Kim, R. Analysis of Various Pickup Coil Designs in Nonmodule-Type GaN Power Semiconductors. Sensors 2020, 20, 6066. [Google Scholar]
- Ahmad, S.S.; Narayanan, G. Double pulse test based switching characterization of SiC MOSFET. In Proceedings of the 2017 National Power Electronics Conference (NPEC), Pune, India, 18–20 December 2017; IEEE: New York, NY, USA, 2017. [Google Scholar]
















| Coil Model | Model-A | Model-B | Model-C | Model-D | Model-E |
|---|---|---|---|---|---|
| Inductive coupling | 0.03 | 0.14 | 0.11 | 0.147 | 0.2 |
| Self-inductance Ls [nH] | 5.8 | 5.8 | 6.48 | 6.49 | 6.48 |
| Mutual-inductance M [nH] | 0.42 | 0.71 | 1.04 | 1.3 | 1.7 |
| Trace inductance [nH] | 8.32 | 8.65 | 6.29 | 6.32 | 6.41 |
| Lc/M | 13.8 | 8.16 | 6.23 | 4.99 | 3.8 |
| Coil Type | Vertical Structure (Model-A) | Horizontal Structure (Model-C) | ||||||
|---|---|---|---|---|---|---|---|---|
| a × b (mm × mm) | 3.25 × 0.4 | 3.25 × 0.8 | 3.25 × 1.2 | 3.25 × 1.6 | 2.92 × 2.18 | 2.92 × 3.2 | 2.92 × 3.95 | 2.92 × 4.63 |
| Area S (mm2) | 1.3 | 2.6 | 3.9 | 5.2 | 6.36 | 9.34 | 11.5 | 13.5 |
| Inductive coupling | 0.009 | 0.02 | 0.034 | 0.037 | 0.09 | 0.129 | 0.155 | 0.174 |
| Mutual inductance M [nH] | 0.28 | 0.38 | 0.45 | 0.58 | 0.9 | 1.35 | 1.75 | 2.01 |
| Self inductance Ls [nH] | 4.51 | 5.17 | 5.71 | 6.58 | 6.29 | 7.62 | 8.69 | 9.63 |
| Lc/M | 16.1 | 15 | 12.6 | 11.3 | 6.9 | 5.6 | 4.96 | 4.81 |
| Coil Type | Vertical Structure (Model-A) | Horizontal Structure (Model-C) | ||||
|---|---|---|---|---|---|---|
| Distance d (mm) | 0.4 | 0.8 | 1.12 | 0.47 | 0.65 | 0.9 |
| Inductive coupling | 0.02 | 0.009 | 0.001 | 0.12 | 0.11 | 0.1 |
| Mutual inductance M [nH] | 0.35 | 0.22 | 0.17 | 0.9 | 0.83 | 0.78 |
| Self inductance Lc [nH] | 5.31 | 5.31 | 5.31 | 6.1 | 6.1 | 6.1 |
| Lc/M | 15.1 | 24.1 | 31.2 | 6.7 | 7.35 | 7.82 |
| Coil Type | Vertical Structure (Model-A) | Horizontal Structure (Model-C) | ||||||
|---|---|---|---|---|---|---|---|---|
| Distance d (mm) | 0.4 | 0.8 | 1.12 | 1.16 | 0.47 | 0.65 | 0.9 | 1.12 |
| Coupling capacitance [pF] | 1.08 | 0.91 | 0.86 | 0.83 | 0.47 | 0.46 | 0.43 | 0.42 |
| Coil Type | Vertical Structure (Model-A) | Horizontal Structure (Model-C) | ||||
|---|---|---|---|---|---|---|
| Turn number N | 1 | 2 | 3 | 1 | 2 | 3 |
| Mutual inductance M [nH] | 0.32 | 0.41 | 0.53 | 1.15 | 1.79 | 2.7 |
| Self inductance Lc [nH] | 9 | 14 | 20 | 7.5 | 13.6 | 23.5 |
| Lc/M | 28.1 | 34.1 | 37 | 6.52 | 7.59 | 8.7 |
| Coupling capacitance [pF] | 1.41 | 1.72 | 2.09 | 0.46 | 0.54 | 0.65 |
| Parameter | Values |
|---|---|
| Mutual Inductance | 3.2 nH |
| Self-Inductance | 20.5 nH |
| Self-Capacitance | 5.56 pF |
| Self-Resistance | 0.03 Ω |
| Coupling Capacitance | 0.69 pF |
| Magnetic Flux Incident Areas | 11.7 mm2 |
| Distance between Trace and Coil | 0.65 mm |
| Bandwidth | 590 MHz |
| Damping Resistance | 100 Ω |
| Integrator Resistance | 70 Ω |
| Integrator Capacitance | 470 pF |
| Parameter | Shunt Resistor | Pick-Up Coil |
|---|---|---|
| DC voltage | 250 V | 250 V |
| Test current | ±25 A | ±25 A |
| Gate Resistance | 110 Ω | 110 Ω |
| Gain | 0.1 | 0.1 |
Publisher’s Note: MDPI stays neutral with regard to jurisdictional claims in published maps and institutional affiliations. |
© 2021 by the author. Licensee MDPI, Basel, Switzerland. This article is an open access article distributed under the terms and conditions of the Creative Commons Attribution (CC BY) license (http://creativecommons.org/licenses/by/4.0/).
Share and Cite
Kim, U.-J. Design of a Rectangular Pickup Coil Fabricated on a PCB Using WBG Power Semiconductor in Discrete Package. Appl. Sci. 2021, 11, 2290. https://doi.org/10.3390/app11052290
Kim U-J. Design of a Rectangular Pickup Coil Fabricated on a PCB Using WBG Power Semiconductor in Discrete Package. Applied Sciences. 2021; 11(5):2290. https://doi.org/10.3390/app11052290
Chicago/Turabian StyleKim, Ui-Jin. 2021. "Design of a Rectangular Pickup Coil Fabricated on a PCB Using WBG Power Semiconductor in Discrete Package" Applied Sciences 11, no. 5: 2290. https://doi.org/10.3390/app11052290
APA StyleKim, U.-J. (2021). Design of a Rectangular Pickup Coil Fabricated on a PCB Using WBG Power Semiconductor in Discrete Package. Applied Sciences, 11(5), 2290. https://doi.org/10.3390/app11052290

