Next Article in Journal
Operando XAS of a Bifunctional Gas Diffusion Electrode for Zn-Air Batteries under Realistic Application Conditions
Previous Article in Journal
A Hybrid Nonlinear Active Control Strategy Combining Dry Friction Control and Nonlinear Velocity Compensation Control
 
 
Font Type:
Arial Georgia Verdana
Font Size:
Aa Aa Aa
Line Spacing:
Column Width:
Background:
Article

FE-Aided Synchronization Analysis of Line-Start Synchronous Reluctance Motors

Electric Machines and Drives Research Center, Korea Electrotechnology Research Institute, Changwon 51543, Korea
*
Author to whom correspondence should be addressed.
Appl. Sci. 2021, 11(24), 11673; https://doi.org/10.3390/app112411673
Submission received: 10 November 2021 / Revised: 29 November 2021 / Accepted: 7 December 2021 / Published: 9 December 2021
(This article belongs to the Section Energy Science and Technology)

Abstract

:
Since line-start synchronous permanent magnet motors (LSPMs) entered the market, they have attracted research interest toward counterpart induction motors of low power-ratings. This paper reports an investigation of line-start synchronous reluctance motors (LS-SynRMs). LS-SynRMs has not been investigated as much as LSPMs have. A motor needs to maximize rotor saliency to achieve high efficiency and a high power-factor. This results in complicated rotor geometry because the rotor cage and multiple flux barriers share the same rotor space. This paper provides an approximate method based on steady state torque analysis by which to estimate the critical inertia of a LS-SynRM. A finite element analysis (FEA)-aided analytical approach to the approximation of steady state torque is proposed to replace the more typical approach based on equivalent circuit parameters. The critical inertia resulting from the proposed method is compared to the results obtained using the FEA.

1. Introduction

Induction motors have by far the vast majority of the market share of electric motors. Besides cost effectiveness, their line-start ability may be the major reason for their popularity, where a single speed is applicable. However, efficiency regulations of electric motors are being strictly applied around the world to reduce energy consumption broadly, and these regulations will be further tightened. This means that induction motors (IMs) in the small-mid power range might lose their majority in the future market. The most attractive alternative up to now has been permanent magnet (PM) synchronous motors with embedded rotor cage for single-speed applications. Undoubtedly, the LSPM exhibits high efficiency thanks to the PM; however, the use of a PM is a cost sensitive issue. To eliminate the use of PMs, reluctance torque can be utilized. A line start synchronous reluctance motor (LS-SynRM) has multiple flux barriers instead of buried PMs to maximize rotor saliency. Although LS-SynRMs may not achieve efficiency as high as that of an LSPM of an equivalent volume, it is still attractive due to the near absence of rotor copper loss, which typically accounts for 25% of the total loss in IMs [1].
LS-SynRMs are fairly mature; however, they have never been considered or commercialized as IM counterparts [2]. A technical article was presented by one of the leading motor manufacturers [3]; however, that device did not enter the motor market. Relatively few studies using manufactured LS-SynRMs can be found, relative to the number using LSPMs. This may be due to the fact that the motor is quite difficult to manufacture. The typical rotor of an LSPM is composed of small rotor slots with one layer of buried PMs [4,5,6,7]. In contrast, a LS-SynRM utilizes rotor slots as part of a flux barrier, such that the regular rotor slot shapes of IMs are generally not feasible for use in this motor. This has resulted in rotor slots of various shapes and positions.
A 7.5 kW, 4-pole LS-SynRM with flux barrier filled with aluminum is presented in [8]. Two prototype motors were manufactured and experimented upon. In these, the flux barriers of one rotor are completely of die-cast aluminum. This motor was compared experimentally with one partly filled with aluminum. The directly measured efficiency of the completely aluminum filled one achieved efficiency of 95%.
A 4 kW, 4-pole LS-SynRM in which the rotor bars are inserted in small round slots with a flux barrier of hyperbolic shape is described in [9]. Two prototype motors were manufactured and each motor was equipped with copper and aluminum rotor conductors using a brazing process. The prototype motors recorded directly measured efficiency of 92%. The new motors achieved about 2% higher efficiency than the reference IM.
A 3.7 kW, 4-pole LS-SynRM in which the rotor conductors were irregularly filled in the flux barriers is presented in [10]. It was built using an aluminum die-casting process. The prototype motor achieved slightly over 92% efficiency according to the IEC 60034-30-1 test standard. The efficiency of the reference IM was 90%.
A 2.2 kW, 4-pole LS-SynRM with a flux barrier filled with copper bars is reported in [11]. Harmonic impacts due to rotor-cage currents were analyzed. A prototype was manufactured; however, the efficiency determined by experiments was not stated.
A 1.88 kW, 2-pole LS-SynRM with square rotor slots parallel to the d-axis is reported in [12]. A prototype LS-SynRM with a die-cast aluminum rotor cage was manufactured. It achieved around 90% efficiency in direct measurement, whereas the reference IM recorded directly measured efficiency of around 88.5%.
From the literature studies, it can be concluded that LS-SynRMs of small power rating can exhibit about 2% higher efficiency than IMs of similar volume. This indicates that a LS-SynRM of small power rating may achieve IE4-class efficiency with the same frame size as an IE3-class IM. This is an important advantage because the installation space of an electric motor in a larger device could remain the same even considering the upcoming IE4 efficiency regulations. The European commission has announced that IE4 efficiency regulation will be applied to 0.12 kW–1000 kW rated motors from July 2023 [13]. The author expects that the efficiency regulation in the other regions will be further tightened after 2023. The IE4 motor market growth will encourage motor manufacturers to develop IE4 efficiency motors; therefore, the negative impacts from new efficiency regulation can be minimized.
Despite the efficiency advantage of LS-SynRMs, they are subject to issues in the synchronization process just as LSPMs are. Nowadays, the synchronization process can be simulated using circuit-field torque-coupled finite element analysis (FEA) to predict successful start-up of line-start synchronous motors. However, the algebraic formulations described in [14,15,16,17] are still useful to approximate the synchronization process because numerical analysis by the FEA is computationally expensive. A relatively simple criterion for determining the synchronizing ability of LS-SynRMs is reported in [18]. Effort has also been made in [8] using a lumped parameter model to approximate the transient state of a LS-SynRM; however, the model was not accurate when compared to the FEA results. To the best knowledge of the author, aside from the work above, the synchronization process of LS-SynRMs (characterized by multiple flux barriers) has been simulated in the design state using circuit-field-torque coupled FEA [9,10,11,12,19,20] without an alternative approach. The reason for this may be that accurate estimation of the rotor parameters of a LS-SynRM is challenging due to the complicated rotor geometries. The saturation and variation of the rotor resistance must be accounted for, as stated in [8].
This paper provides an FE-aided analytical approach to approximate the synchronization process of LS-SynRMs. It explains the vulnerability of LS-SynRMs in the synchronization process when compared to LSPMs. Instead of parametric analysis, a numerical methodology is proposed that combines FEA with an analytical approach to approximate steady state torque as a function of slip. This is applied to predict the synchronization ability of LS-SynRMs. The result obtained using the proposed method is compared with that obtained using FEA.

2. Quasi Steady State Model

The dq rotor reference frame is defined in Figure 1. The dq voltage equation with reference to the rotor are:
v sd = R s i sd + d λ sd d t ω r λ sq v sq = R s i sq + d λ sq d t + ω r λ sd .
0 = R rd i rd + d λ rd d t 0 = R rq i rq + d λ rq d t ,
where ω r is the rotor electrical radial speed, λ is the flux linkage, R is the resistance, and the subscript s , r denotes the stator and the rotor, respectively. At a constant slip speed, the steady state condition can be expressed by replacing the time derivatives term in (1) and (2) with j s ω [21]:
V sd = R s I sd + j s ω Λ sd ω r Λ sq V sq = R s I sq + j s ω Λ sq + ω r Λ sd
0 = R rd I rd + j s ω Λ rd 0 = R rq I rq + j s ω Λ rq ,
where the capitals denote phasors of which the angular frequency is s ω . The d and q components of the voltage in the time domain are described by:
v sd = V ^ sin ( s ω t + δ 0 ) v sq = V ^ cos ( s ω t + δ 0 ) ,
where δ 0 is the load angle at the synchronous speed. The voltage phase angle with rotor slip is steadily varied such that δ ( t ) = s ω t + δ 0 . The d q voltage phasors are:
V sd = j V ^ δ 0 V sq = V ^ δ 0 .
The electromagnetic torque of a LS-SynRM in quasi steady state consists of the average and the oscillating components pulsating with angular speed of 2 s ω due to the rotor saliency [21]:
T e = T 0 + T 1 cos ( 2 s ω t + α ) ,
where
T 0 = 3 4 p · R e a l ( Λ sd * I sq Λ sq * I sd ) T 1 = 3 4 p · | Λ sd I sq Λ sq I sd | .
The α is the torque phase angle given by:
α = tan 1 I m a g ( Λ sd I sq Λ sq I sd R e a l ( Λ sd I sq Λ sq I sd )
The average torque includes the time-averaged torque components due to the rotor saliency and the asymmetrical rotor cage [21].

3. Analysis of the Synchronization Process

LS-SynRMs are subjected to oscillatory phenomena near the synchronous speed during the start of synchronization. This results in a crucial problem with this motor, a problem often called synchronization.
The synchronization process of a LS-SynRM can be realized in a way similar to that of a LSPM. A simplified process for LSPMs using the approximate phenomenon of torque angle dependency during the last pole slip is given in [15]. The last pole slip of a LS-SynRM is depicted in Figure 2a. From the critical slip, which is the turning point of the rotor velocity, the motor eventually reaches Point A, where the motor achieves synchronous speed for the first time. The load angle at that moment is an unstable load angle, and the net torque is zero at that moment. After passing the unstable equilibrium, the torque pulsates until it finally stabilizes at point R, as shown in Figure 2b.
The trend of a LS-SynRM during synchronization can be considered identical with that of a LSPM. The torque expression in (8), which divides the torque components by the average and the oscillating torque, is fitted to the synchronization process model as follows. The momentary torque can be expressed by:
T e ( s , δ ) = T 0 ( s ) + T 1 ( s ) sin ( 2 δ )
For simplification, the torque phase angle, α , is set to π / 2 . The critical slip s cr , and the unstable load angle δ s are defined by:
T e ( s cr , δ s c r ) = T L ( s cr ) , T e ( 0 , δ s ) = T L ( 0 ) ,
where T L is the load torque and δ s cr is the load angle at the critical slip. In a successful pull-in process of a LSPM, the span of the load angle is approximated as δ s cr = δ s π [15]. Following the same line as that of a LSPM, the pull-in of a LS-SynRM may occur during one-half of π electric radians in the load angle because the angular speed of the oscillating torque is 2 s ω . It can be rearranged to:
δ s cr = δ s π 2
Therefore, the trend of the slip during the synchronization process of the LS-SynRM may be expressed by the following:
s = s cr sin ( δ s δ ) .
The pull-in energy provided by a motor (which is the energy needed to pull the rotor from the critical slip to synchronous speed) is [15]:
K p = δ s cr δ s ( T 0 ( s ) + T 1 ( s , δ ) T L ( s ) ) d δ .
Substituting for the slip using (13) yields the torque expression as a function of the load angle. For successful synchronization, the following limit condition must be satisfied:
K p K s cr ,
where K s cr is the apparent rotor kinetic energy at the critical slip.
K s cr = 1 2 p J ( s cr ω ) 2 ,
where J is the inertia. The critical inertia is realized when the apparent rotor kinetic energy and the pull-in energy are equivalent.
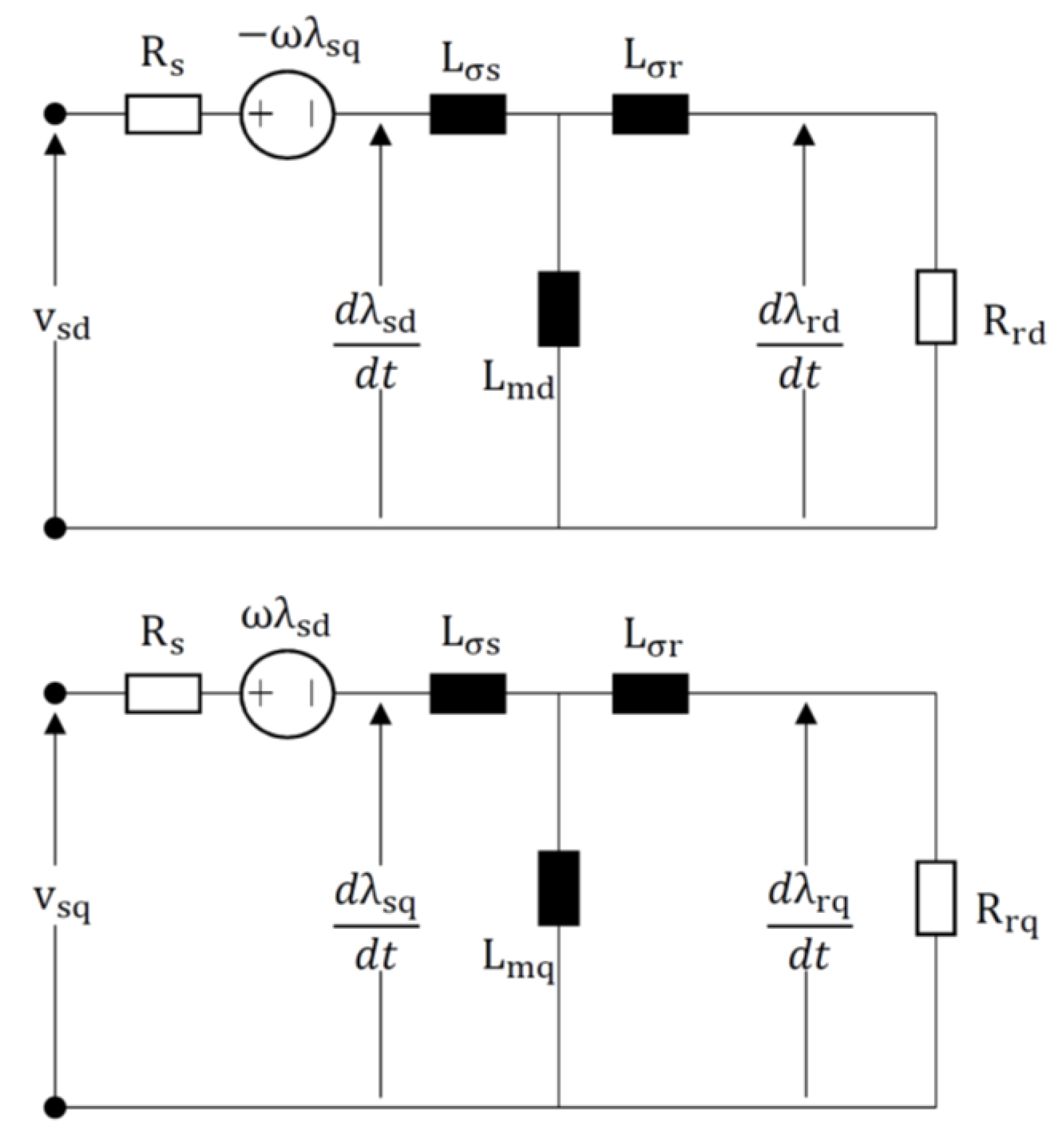
The estimation of the critical inertia followed by the process described above has been compared with that of the dynamic analysis results by solving the equivalent circuit portrayed in Figure 3. The arbitrary chosen parameters of a LS-SynRM referred by a IE4 3.7 kW, 4-poles IM for the analysis are given in Table 1. The parameters are obtained by a commercial software SPEED. The motor is supplied by 220 V rms and 60 Hz sinusoidal voltage. The analysis results are shown in Figure 4. As can be seen, discrepancies of the estimated critical inertia between the two analysis results are minor.
The described synchronization process model may not estimate the critical inertia precisely. However, the empirical model implies that LS-SynRMs are disadvantageous in the pull-in process when compared to that of LSPMs. As an example, it is assumed that the steady state torque is expressed by a 2nd order polynomial function of the slip and that both motors are characterized by identical steady state torque. The angular velocity of the alternating torque is s ω for a LSPM. The pull-in energy of a LS-SynRM becomes half as much; however, the critical slip is identical according to the model for LS-SynRMs described in this paper and in [15] for a LSPM. The critical inertia of the LS-SynRM becomes half that of the LSPM. The synchronization ability of a LS-SynRM is inherently low. This will result in a quite restricted area of application in industrial fields.

4. FE-Aided Steady State Torque Approximation

This section describes a method by which to approximate the steady state torque as a function of the slip in order to apply the torque for analysis of the synchronization process described in the previous section. The steady state torque may be available with equivalent circuit parameters accounting for saturation and skin effects. However, the author has found that it is challenging work to estimate accurately the rotor parameters of LS-SynRMs. Instead, this paper proposes an approach to obtain the steady state torque without equivalent circuit parameters, such as rotor resistance and inductance.
An approximate solution in the steady state condition using time harmonic FEA with single time-frequency in the rotor equation is a widely accepted approach for use with induction machines [22]. The rotor frequency is the single stator frequency multiplied by the rotor slip. Such analysis provides useful estimation of the solution in the time domain. However, such single slip analysis is inadequate for motors with rotor saliency. The rotor saliency, along with the rotor slots and rotor currents, induce additional time frequencies into the stator fields [23]. The multi-harmonic FEA [24], in which several frequencies are considered rather than a single frequency, may give promising results, although with increased computation cost. The following approach utilizes single-frequency time-harmonic FEA because it can easily be implemented and because it minimizes the computational burden.
The analysis can be carried out using the rated voltage, rated stator frequency, and single slip. Undoubtedly, the single frequency time harmonic FEA results are incorrect due to additional positive or negative sequence frequency in an unsymmetrical d q system [25]. These results cannot be captured in a single time-frequency analysis (see Figure 5). The solution of the coupled electric circuit in the time harmonic FEA is rearranged as follows.
Neglecting the time and space harmonic components, the permeability is frozen by the above time harmonic FEA result. In such a linearized condition, the stator flux linkage and the current relationship defined by the operational impedances, Z p ( s ) , are calculated using:
Λ sd Λ sq = Z p ( s ) I sd I sq .
The operational impedance matrix of 2 × 2 is obtained using the time harmonic FEA with frozen permeability. Any arbitrary amplitude of the each d q stator currents can be fed separately because of the linearity. The angular frequency of the resulting a b c phase stator current to the feed can be set to be identical with that of the supply voltage. It should be carried out with different rotor positions within a range of π 3 in electrical radians owing to the different MMF distribution along the d- and q-axis. After the operational impedances matrix is calculated, the d q stator currents in the steady state condition are approximated to satisfy the voltage equation in (3):
I sd ( m ) I sq ( m ) = j s ω ( 1 s ) ω ( 1 s ) ω j s ω Z p ( s ) + R s 0 0 R s 1 × V sd V sq ,
where the superscript ( m ) denotes the modified value. Substituting the modified d q stator currents into (17) gives the modified stator flux linkages and satisfies the steady state voltage equation. It should be noted that the d q voltage in (18) is identical to the phasor in the previous time harmonic FEA. The torque can be obtained using (8) with the resulting complex number of stator currents and the stator flux linkage.
The described approach neglects the influence of the time and space harmonics on the operational impedance. In practice, the approximate torque is slightly higher than that of a time stepping FEA result. It is compensated in the following procedure. The time harmonic FEA used for the approximation of the steady state condition is analyzed within a slip range of [0.05, 0.25]. Then, the nonlinear stator flux linkage relationships mapped with i sd , i sq , such as λ sd = λ sd ( i sd , i sq ) , are computed using the static FEA. The torque, over the load angle with the obtained nonlinear stator flux linkages and neglected rotor parameters, is computed for the average torque and for the alternating torque in a zero-slip condition. A simple constant is considered for the compensation:
r ( s | X s , Y s + ϵ ) s . t r ( 0 ) = Y 0
where r ( · ) is a regression function for the approximate torque as a function of slip, and X s , Y s (respectively) is the slip and the corresponding torque result obtained by (8). The torque at the zero-slip condition, Y 0 , is not included in Y s ; however, the regression model will read the identical value by rearranging the dataset itself via ϵ . A similar approach is described in [26] to compensate for the overestimation problems of IM parameters when utilizing single-time frequency FEA.
The program was implemented in a MATLAB environment. The MATLAB embedded function was used to build the regression model of the approximate torque as a function of the slip. The work reported in this paper employed spline regression for the average torque approximation, which is supported by MATLAB.

5. Case Analysis

Two 1.5 kW LS-SynRMs were designed while accounting for aluminum die-casting in the manufacturing process. The key motor data are given in Table 2. The overall dimensions of the motor are identical with the existing IM, which achieves IE4 efficiency. The proposed approach was applied to analyze the motors and the results obtained are compared in this section. The demonstrated results were computed with open source 2D FEA software: SMEKLIB [27]. This work followed the descriptions presented in [28] to implement circuit-field-torque coupled FEA.

5.1. Almost Fully Filled Flux Barrier

The difficulty in designing a LS-SynRM is that multiple flux barriers and rotor conductors have to be arranged in a limited rotor area. Thus, filling the flux barrier with rotor conductors is an attractive solution. A device was designed to prove the concept of the LS-SynRM. The rotor geometry is portrayed in Figure 6. As can be seen, three layers of the flux barriers are filled with aluminum while the conventional rotor slot shape of an IM is employed near the d-axis of the rotor. The end ring was designed to cover most of the rotor conductors.
The approximate steady state conditions provided by (17) and (18) are compared with those of time stepping FEA results in Figure 7. As discussed earlier, the approximation neglects the time and space harmonic components. However, the components that were compared gave results quite close to the FEA results.
Figure 8 shows the steady state torque and slip curve corresponding to (8) with the torque obtained by the time stepping FEA. As can be seen, the results are well matched. For the alternating torque T 1 obtained by FEA, only the fundamental component is illustrated, of which the angular velocity is 2 s ω .
Synchronization analysis was carried out with the obtained steady state torque as a function slip. The load is assumed to have a quadratic relationship with the rotor velocity. The results of FEA are compared in Figure 9 with those of the FE-aided analytical approach described in (14). The critical inertia given by the FEA was used to estimate that the synchronization process would fail if the inertia increased 5% more than the given value.
The total cross section area of the rotor conductor for the designed LS-SynRM corresponds to 1.06 times the reference IM. An almost identical amount of rotor conductor was utilized. In such condition, the FEA predicts the critical inertia at the rated load to be 0.023 kg·m 2 .

5.2. Partially Filled Flux Barrier

Instead of completely aluminum filled flux barriers, parts of the flux barriers were filled with conductors separated by a bridge, as shown in Figure 10.
Figure 11 shows a comparison of the results of the steady state torque for the analytical method and the FEA. As can be seen, they are well matched. However, discrepancies in the estimated critical inertia are noticeable, as shown in Figure 12. The analytical model used to estimate the critical inertia is quite sensitive to the critical slip calculated using the steady state torque, as already discussed in [15]. Although the results do not agree very well in that the analytical approach overestimates the critical inertia by around 15%, the proposed analytical approach may still be useful. It could be used to approximate the FEA results because the dynamic motion analysis is computationally expensive for evaluating the critical inertia of one design candidate.
The estimated critical inertia with the load quadratic with rotor velocity is 0.0107 kg·m 2 , which is 46.7% of that in the previous design. The motor utilizes 80% of the rotor conductor material when compared to the almost fully filled design.

6. Conclusions

The analytical model of an LS-SynRM used to approximate the synchronization process showed that the pull-in energy of an LS-SynRM becomes half that of an LSPM when both motors are characterized with identical steady state torque. The analytical model was validated with the dynamic analysis results. The FE-aided analytical approach was proposed to estimate steady state torque of an LS-SynRM with multiple flux barriers and a rotor cage. The steady state average torque and alternating torque were estimated without equivalent rotor parameters. This allows the analysis of the critical inertia to be predicted easily in terms of the numerical computation cost. The comparison of results from the proposed approach and the FEA for the estimation of the critical inertia differed by up to 15%. In consideration of the wide space of the design variables due to the complicated rotor geometry of LS-SynRMs, the approach described in this paper can help a designer to estimate the critical inertia for LS-SynRMs in the design stage.

Author Contributions

Conceptualization, U.-J.S.; methodology, U.-J.S.; software, U.-J.S.; validation, D.-J.K.; investigation, P.-W.H.; resources, P.-W.H.; writing—original draft preparation, U.-J.S.; writing—review and editing, U.-J.S.; visualization, D.-J.K.; supervision, Y.-D.C.; funding acquisition, Y.-D.C. All authors have read and agreed to the published version of the manuscript.

Funding

This research was funded by a Korea Institute of Energy Technology Evaluation and Planning grant funded by the Korea government, Grant No. 20192010106780 (A Construction and Operation of Open Platform for Next-Generation Industrial Super Premium Efficiency Motors).

Conflicts of Interest

The authors declare no conflict of interest.

References

  1. de Almeida, A.T.; Ferreira, F.J.T.E.; Baoming, G. Beyond Induction Motors—Technology Trends to Move Up Efficiency. IEEE Trans. Ind. Appl. 2014, 50, 2103–2114. [Google Scholar] [CrossRef]
  2. Gamba, M.; Pellegrino, G.; Vagati, A.; Villata, F. Design of a line-start synchronous reluctance motor. In Proceedings of the 2013 International Electric Machines Drives Conference, Chicago, IL, USA, 12–15 May 2013; pp. 648–655. [Google Scholar] [CrossRef] [Green Version]
  3. Magnet-Free Motor Technology for Fixed Speed Applications Reaching IE5 Efficiency Level. Technical Report, ABB. 2015. Available online: https://search.abb.com/library/Download.aspx?DocumentID=9AKK106684&LanguageCode=en&DocumentPartId=&Action=Launch (accessed on 8 November 2021).
  4. Rabbi, S.; Little, M.; Liang, X. Limit Cycle Detection in Line Start Interior Permanent Magnet Motors. IEEE Trans. Energy Convers. 2020, 35, 1327–1337. [Google Scholar] [CrossRef]
  5. Waheed, A.; Ro, J.S. Analytical Modeling for Optimal Rotor Shape to Design Highly Efficient Line-Start Permanent Magnet Synchronous Motor. IEEE Access 2020, 8, 145672–145686. [Google Scholar] [CrossRef]
  6. Sorgdrager, A.J.; Wang, R.J.; Grobler, A.J. Multiobjective Design of a Line-Start PM Motor Using the Taguchi Method. IEEE Trans. Ind. Appl. 2018, 54, 4167–4176. [Google Scholar] [CrossRef]
  7. Mingardi, D.; Bianchi, N. Line-Start PM-Assisted Synchronous Motor Design, Optimization, and Tests. IEEE Trans. Ind. Electron. 2017, 64, 9739–9747. [Google Scholar] [CrossRef]
  8. Gamba, M.; Armando, E.; Pellegrino, G.; Vagati, A.; Janjic, B.; Schaab, J. Line-start synchronous reluctance motors: Design guidelines and testing via active inertia emulation. In Proceedings of the 2015 IEEE Energy Conversion Congress and Exposition (ECCE), Montreal, QC, Canada, 20–24 September 2015; pp. 4820–4827. [Google Scholar] [CrossRef]
  9. Kersten, A.; Liu, Y.; Pehrman, D.; Thiringer, T. Rotor Design of Line-Start Synchronous Reluctance Machine With Round Bars. IEEE Trans. Ind. Appl. 2019, 55, 3685–3696. [Google Scholar] [CrossRef]
  10. Liu, H.C.; Lee, J. Optimum Design of an IE4 Line-Start Synchronous Reluctance Motor Considering Manufacturing Process Loss Effect. IEEE Trans. Ind. Electron. 2018, 65, 3104–3114. [Google Scholar] [CrossRef]
  11. Ganesan, A.U.; Chokkalingam, L.N. Influence of rotor cage resistance in torque ripple reduction for line start synchronous machines. IET Electr. Power Appl. 2019, 13, 1921–1934. [Google Scholar] [CrossRef]
  12. Hu, Y.; Chen, B.; Xiao, Y.; Shi, J.; Li, L. Study on the Influence of Design and Optimization of Rotor Bars on Parameters of a Line-Start Synchronous Reluctance Motor. IEEE Trans. Ind. Appl. 2020, 56, 1368–1376. [Google Scholar] [CrossRef]
  13. Commission Regulation (EU) 2019/1781, 02019R1781-20210701. Available online: https://eur-lex.europa.eu/eli/reg/2019/1781/oj (accessed on 8 November 2021).
  14. Rabbi, S.F.; Rahman, M.A. Critical Criteria for Successful Synchronization of Line-Start IPM Motors. IEEE J. Emerg. Sel. Top. Power Electron. 2014, 2, 348–358. [Google Scholar] [CrossRef]
  15. Miller, T. Synchronization of Line-Start Permanent-Magnet AC Motors. IEEE Trans. Power Appar. Syst. 1984, PAS-103, 1822–1828. [Google Scholar] [CrossRef]
  16. Hassanpour Isfahani, A.; Vaez-Zadeh, S. Effects of Magnetizing Inductance on Start-Up and Synchronization of Line-Start Permanent-Magnet Synchronous Motors. IEEE Trans. Magn. 2011, 47, 823–829. [Google Scholar] [CrossRef]
  17. Mingardi, D.; Bianchi, N. FE-aided analytical method to predict the capabilities of line-start synchronous motors. In Proceedings of the 2014 IEEE Energy Conversion Congress and Exposition (ECCE), Pittsburgh, PA, USA, 14–18 September 2014; pp. 5123–5130. [Google Scholar] [CrossRef]
  18. Douglas, J.F.H. Pull-in criterion for reluctance motors. Trans. Am. Inst. Electr. Eng. Part II Appl. Ind. 1960, 79, 139–142. [Google Scholar] [CrossRef]
  19. Liu, C.T.; Shih, P.C.; Cai, Z.H.; Yen, S.C.; Lin, H.N.; Hsu, Y.W.; Luo, T.Y.; Lin, S.Y. Rotor Conductor Arrangement Designs of High-Efficiency Direct-on-Line Synchronous Reluctance Motors for Metal Industry Applications. IEEE Trans. Ind. Appl. 2020, 56, 4337–4344. [Google Scholar] [CrossRef]
  20. Tampio, J.; Känsäkangas, T.; Suuriniemi, S.; Kolehmainen, J.; Kettunen, L.; Ikäheimo, J. Analysis of Direct-On-Line Synchronous Reluctance Machine Start-Up Using a Magnetic Field Decomposition. IEEE Trans. Ind. Appl. 2017, 53, 1852–1859. [Google Scholar] [CrossRef]
  21. Honsinger, V.B. Permanent Magnet Machines: Asychronous Operation. IEEE Trans. Power Appar. Syst. 1980, PAS-99, 1503–1509. [Google Scholar] [CrossRef]
  22. Vassent, E.; Meunier, G.; Foggia, A. Simulation of induction machines using complex magnetodynamic finite element method coupled with the circuit equations. IEEE Trans. Magn. 1991, 27, 4246–4249. [Google Scholar] [CrossRef]
  23. Räisänen, V.; Suuriniemi, S.; Kettunen, L. Generalized Slip Transformations and Air-Gap Harmonics in Field Models of Electrical Machines. IEEE Trans. Magn. 2016, 52, 1–8. [Google Scholar] [CrossRef]
  24. Gyselinck, J.; Vandevelde, L.; Dular, P.; Geuzaine, C.; Legros, W. A general method for the frequency domain FE modeling of rotating electromagnetic devices. IEEE Trans. Magn. 2003, 39, 1147–1150. [Google Scholar] [CrossRef]
  25. Harnefors, L. Modeling of Three-Phase Dynamic Systems Using Complex Transfer Functions and Transfer Matrices. IEEE Trans. Ind. Electron. 2007, 54, 2239–2248. [Google Scholar] [CrossRef]
  26. Ling, Z.; Zhou, L.; Guo, S.; Zhang, Y. Equivalent Circuit Parameters Calculation of Induction Motor by Finite Element Analysis. IEEE Trans. Magn. 2014, 50, 833–836. [Google Scholar] [CrossRef]
  27. Lehikoinen, A.; Davidsson, T.; Arkkio, A.; Belahcen, A. A High-Performance Open-Source Finite Element Analysis Library for Magnetics in MATLAB. In Proceedings of the 2018 XIII International Conference on Electrical Machines (ICEM), Alexandroupoli, Greece, 3–6 September 2018; pp. 486–492. [Google Scholar] [CrossRef] [Green Version]
  28. Ho, S.; Li, H.; Fu, W.; Wong, H. A novel approach to circuit-field-torque coupled time stepping finite element modeling of electric machines. IEEE Trans. Magn. 2000, 36, 1886–1889. [Google Scholar] [CrossRef] [Green Version]
Figure 1. Definition of the d q frame, and the load angle δ .
Figure 1. Definition of the d q frame, and the load angle δ .
Applsci 11 11673 g001
Figure 2. Trend of slip and alternating torque versa load angle during the synchronization process: (a) sine-like trend during the last pole slip (from point B to A) and (b) approximate corresponding alternating torque.
Figure 2. Trend of slip and alternating torque versa load angle during the synchronization process: (a) sine-like trend during the last pole slip (from point B to A) and (b) approximate corresponding alternating torque.
Applsci 11 11673 g002
Figure 3. d-, q-axis equivalent circuit of LSSynRM.
Figure 3. d-, q-axis equivalent circuit of LSSynRM.
Applsci 11 11673 g003
Figure 4. Comparison of the calculated critical inertia for (a) constant load and (b) load quadratic with rotor velocity.
Figure 4. Comparison of the calculated critical inertia for (a) constant load and (b) load quadratic with rotor velocity.
Applsci 11 11673 g004
Figure 5. Stator phase current in 20% slip operation with sinusoidal supply voltage. The additional major frequency component along with the fundamental is ( 1 2 s ) ω .
Figure 5. Stator phase current in 20% slip operation with sinusoidal supply voltage. The additional major frequency component along with the fundamental is ( 1 2 s ) ω .
Applsci 11 11673 g005
Figure 6. Rotor geometry of the first prototype.
Figure 6. Rotor geometry of the first prototype.
Applsci 11 11673 g006
Figure 7. Steady state analysis results on 20% slip operation. (a,b) respectively compares torque and d q currents.
Figure 7. Steady state analysis results on 20% slip operation. (a,b) respectively compares torque and d q currents.
Applsci 11 11673 g007
Figure 8. Steady state torque characteristic. Average and peak alternating torque are portrayed.
Figure 8. Steady state torque characteristic. Average and peak alternating torque are portrayed.
Applsci 11 11673 g008
Figure 9. Estimated critical inertia of the first prototype for load torque quadratic with rotor velocity.
Figure 9. Estimated critical inertia of the first prototype for load torque quadratic with rotor velocity.
Applsci 11 11673 g009
Figure 10. Rotor geometry of the second prototype.
Figure 10. Rotor geometry of the second prototype.
Applsci 11 11673 g010
Figure 11. Steady state torque characteristics of the second prototype.
Figure 11. Steady state torque characteristics of the second prototype.
Applsci 11 11673 g011
Figure 12. Estimated critical inertia of the second prototype for load torque quadratic with rotor velocity.
Figure 12. Estimated critical inertia of the second prototype for load torque quadratic with rotor velocity.
Applsci 11 11673 g012
Table 1. Motor parameters.
Table 1. Motor parameters.
R s ( Ω ) R rd ( Ω ) R rq ( Ω ) L σ s (mH)
0.8060.550.8253.4
L σ r (mH) L md (mH) L mq (mH)
4.3139.715.5
Table 2. Key motor data of the 1.5 kW LS-SynRM.
Table 2. Key motor data of the 1.5 kW LS-SynRM.
Stator outer/inner diameter150/95 mm
Stack length90 mm
Number of poles4
Number of turns per slot48
Number of stator slots36
Iron core50PN470
Supply voltage380 V
Supply frequency60 Hz
Publisher’s Note: MDPI stays neutral with regard to jurisdictional claims in published maps and institutional affiliations.

Share and Cite

MDPI and ACS Style

Seo, U.-J.; Kim, D.-J.; Han, P.-W.; Chun, Y.-D. FE-Aided Synchronization Analysis of Line-Start Synchronous Reluctance Motors. Appl. Sci. 2021, 11, 11673. https://doi.org/10.3390/app112411673

AMA Style

Seo U-J, Kim D-J, Han P-W, Chun Y-D. FE-Aided Synchronization Analysis of Line-Start Synchronous Reluctance Motors. Applied Sciences. 2021; 11(24):11673. https://doi.org/10.3390/app112411673

Chicago/Turabian Style

Seo, Un-Jae, Dong-Jun Kim, Pil-Wan Han, and Yon-Do Chun. 2021. "FE-Aided Synchronization Analysis of Line-Start Synchronous Reluctance Motors" Applied Sciences 11, no. 24: 11673. https://doi.org/10.3390/app112411673

APA Style

Seo, U.-J., Kim, D.-J., Han, P.-W., & Chun, Y.-D. (2021). FE-Aided Synchronization Analysis of Line-Start Synchronous Reluctance Motors. Applied Sciences, 11(24), 11673. https://doi.org/10.3390/app112411673

Note that from the first issue of 2016, this journal uses article numbers instead of page numbers. See further details here.

Article Metrics

Back to TopTop