Islanding Detection Strategy for Wind Farm Based on Performance Analysis of Passive Indices Having Negligible NDZ
Abstract
:1. Introduction
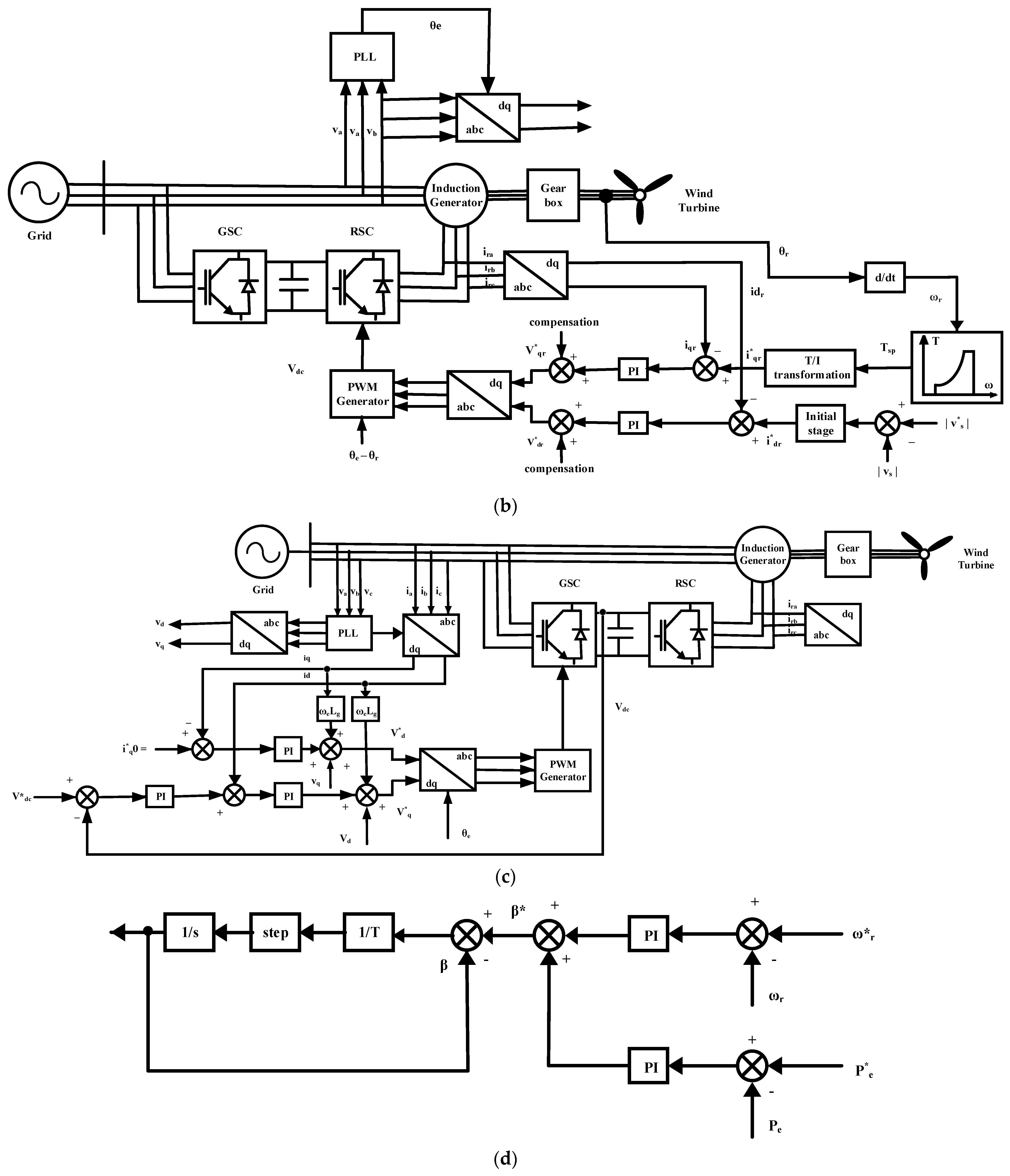
2. Materials and Methods
- RSC is responsible for the regulation of stator active and reactive independently.
- Irrespective of the direction and magnitude of rotor power, GSC maintains the DC link voltage.
- The wind turbine controller is responsible for controlling the blade pitch angle that measures the mechanical power extracted from a wind turbine.
3. Results
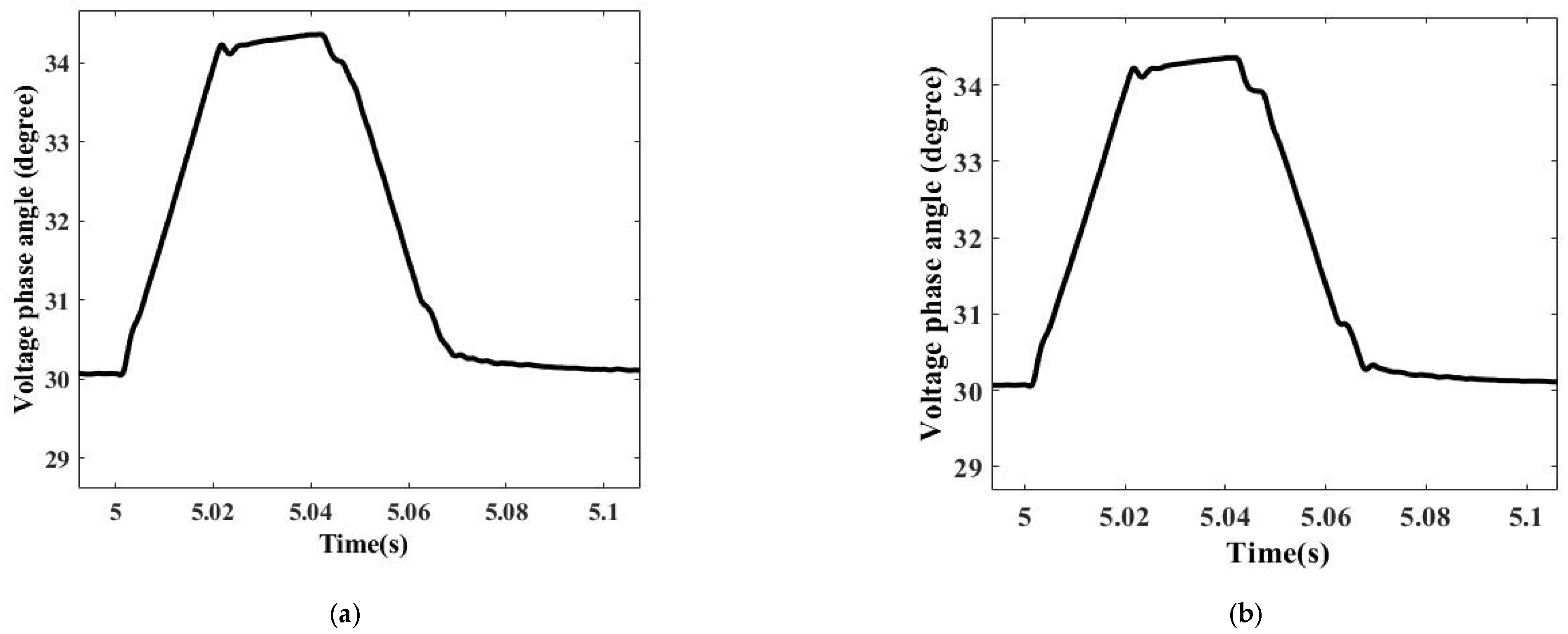
3.1. Islanding Detection at Small Power Mismatch
3.2. Islanding Operation at Large Power Mismatch
3.3. Load Increment and Decrement
3.4. Capacitor Energization and De-Energization
3.5. Motor Starting and Unloading
3.6. Fault Switching
3.7. Assessment of NDZ and Comparison of Existing Islanding Detection Strategies
4. Conclusions
Author Contributions
Funding
Conflicts of Interest
References
- Manikonda, S.K.; Gaonkar, D.N. Comprehensive review of IDMs in DG systems. IET Smart Grid 2019, 2, 11–24. [Google Scholar] [CrossRef]
- Abd-Elkader, A.G.; Allam, D.F.; Tageldin, E. Islanding detection method for DFIG wind turbines using artificial neural networks. Int. J. Electr. Power Energy Syst. 2014, 62, 335–343. [Google Scholar] [CrossRef]
- Manditereza, P.T.; Bansal, R. Renewable distributed generation: The hidden challenges—A review from the protection perspective. Renew. Sustain. Energy Rev. 2016, 58, 1457–1465. [Google Scholar] [CrossRef]
- Mishra, M.; Chandak, S.; Rout, P.K. Taxonomy of Islanding detection techniques for distributed generation in microgrid. Renew. Energy Focus 2019, 31, 9–30. [Google Scholar] [CrossRef]
- Dutta, S.; Sadhu, P.K.; Reddy, M.J.B.; Mohanta, D.K. Shifting of research trends in islanding detection method—A comprehensive survey. Prot. Control Mod. Power Syst. 2018, 3, 1–20. [Google Scholar] [CrossRef]
- Abd-Elkader, A.G.; Saleh, S.M.; Eiteba, M.M. A passive islanding detection strategy for multi-distributed generations. Int. J. Electr. Power Energy Syst. 2018, 99, 146–155. [Google Scholar] [CrossRef]
- IEEE Standard Association. 1547–2018-IEEE Standard for Interconnection and Interoperability of Distributed Energy Resources with Associated Electric Power Systems Interfaces; IEEE: Piscataway, NJ, USA, 2018. [Google Scholar]
- Papadimitriou, C.; Kleftakis, V.; Hatziargyriou, N. A novel islanding detection method for microgrids based on variable impedance insertion. Electr. Power Syst. Res. 2015, 121, 58–66. [Google Scholar] [CrossRef]
- Karimi, M.; Mokhlis, H.; Naidu, K.; Uddin, S.; Bakar, A. Photovoltaic penetration issues and impacts in distribution network—A review. Renew. Sustain. Energy Rev. 2016, 53, 594–605. [Google Scholar] [CrossRef]
- Bayrak, G.; Kabalci, E. Implementation of a new remote islanding detection method for wind–solar hybrid power plants. Renew. Sustain. Energy Rev. 2016, 58, 1–15. [Google Scholar] [CrossRef]
- Zeineldin, H.H.; Salama, M.M.A. Impact of Load Frequency Dependence on the NDZ and Performance of the SFS Islanding Detection Method. IEEE Trans. Ind. Electron. 2009, 58, 139–146. [Google Scholar] [CrossRef]
- Jou, H.-L.; Chiang, W.-J.; Wu, J.-C. Virtual inductor-based islanding detection method for grid-connected power inverter of distributed power generation system. IET Renew. Power Gener. 2007, 1, 175–181. [Google Scholar] [CrossRef]
- Chiang, W.-J.; Jou, H.-L.; Wu, J.-C. Active islanding detection method for inverter-based distribution generation power system. Int. J. Electr. Power Energy Syst. 2012, 42, 158–166. [Google Scholar] [CrossRef]
- Murugesan, S.; Murali, V.; Daniel, S.A. Hybrid Analyzing Technique for Active Islanding Detection Based on d-Axis Current Injection. IEEE Syst. J. 2017, 12, 3608–3617. [Google Scholar] [CrossRef]
- Shrivastava, S.; Jain, S.; Nema, R.K.; Chaurasia, V. Two level islanding detection method for distributed generators in distribution networks. Int. J. Electr. Power Energy Syst. 2017, 87, 222–231. [Google Scholar] [CrossRef]
- Velasco, D.; Trujillo, C.; Garcera, G.; Figueres, E. An active anti-islanding method based on phase-PLL perturbation. IEEE Trans. Power Electron. 2010, 26, 1056–1066. [Google Scholar] [CrossRef] [Green Version]
- Reigosa, D.; Briz, F.; Charro, C.B.; García, P.; Guerrero, J.M. Active islanding detection using high-frequency signal injection. IEEE Trans. Ind. Appl. 2012, 48, 1588–1597. [Google Scholar] [CrossRef]
- Bayrak, G. A remote islanding detection and control strategy for photovoltaic-based distributed generation systems. Energy Convers. Manag. 2015, 96, 228–241. [Google Scholar] [CrossRef]
- Pinto, S.J.; Panda, G. Wavelet technique based islanding detection and improved repetitive current control for reliable operation of grid-connected PV systems. Int. J. Electr. Power Energy Syst. 2015, 67, 39–51. [Google Scholar] [CrossRef]
- Mohamad, H.; Mokhlis, H.; Abu Bakar, A.H.; Ping, H.W. A review on islanding operation and control for distribution network connected with small hydro power plant. Renew. Sustain. Energy Rev. 2011, 15, 3952–3962. [Google Scholar] [CrossRef]
- Heidari, M.; Seifossadat, G.; Razaz, M. Application of decision tree and discrete wavelet transform for an optimized intelligent-based islanding detection method in distributed systems with distributed generations. Renew. Sustain. Energy Rev. 2013, 27, 525–532. [Google Scholar] [CrossRef]
- Bakhshi, R.; Sadeh, J. Voltage positive feedback based active method for islanding detection of photovoltaic system with string inverter using sliding mode controller. Sol. Energy 2016, 137, 564–577. [Google Scholar] [CrossRef]
- Gupta, P.; Bhatia, R.S.; Jain, D.K. Average Absolute Frequency Deviation Value Based Active Islanding Detection Technique. IEEE Trans. Smart Grid 2015, 6, 26–35. [Google Scholar] [CrossRef]
- Al Hosani, M.; Qu, Z.; Zeineldin, H.H. A Transient Stiffness Measure for Islanding Detection of Multi-DG Systems. IEEE Trans. Power Deliv. 2014, 30, 986–995. [Google Scholar] [CrossRef]
- Pai, F.-S.; Huang, S.-J. A detection algorithm for islanding-prevention of dispersed consumer-owned storage and generating units. IEEE Trans. Energy Convers. 2001, 16, 346–351. [Google Scholar] [CrossRef]
- Khamis, A.; Shareef, H.; Mohamed, A.; Bizkevelci, E. Islanding detection in a distributed generation integrated power system using phase space technique and probabilistic neural network. Neurocomputing 2015, 148, 587–599. [Google Scholar] [CrossRef]
- Aljankawey, A.S.; Liu, N.; Diduch, C.P.; Chang, L. A new passive islanding detection scheme for distributed gen-eration systems based on wavelets. In Proceedings of the 2012 IEEE Energy Conversion Congress and Exposition (ECCE), Raleigh, NC, USA, 15–20 September 2012; pp. 4378–4382. [Google Scholar]
- Faqhruldin, O.N.; El-Saadany, E.F.; Zeineldin, H.H. A universal islanding detection technique for distributed generation using pattern recognition. IEEE Trans. Smart Grid 2014, 5, 1985–1992. [Google Scholar] [CrossRef]
- Raza, S.; Mokhlis, H.; Arof, H.; Laghari, J.A.; Mohamad, H. A Sensitivity Analysis of Different Power System Parameters on Islanding Detection. IEEE Trans. Sustain. Energy 2016, 7, 461–470. [Google Scholar] [CrossRef]
- Raza, S.; Rahman, T.U.; Saeed, M.; Jameel, S. Performance analysis of power system parameters for islanding detection using mathematical morphology. Ain Shams Eng. J. 2020, 12, 517–527. [Google Scholar] [CrossRef]
- Kolli, A.T.; Ghaffarzadeh, N. A novel phaselet-based approach for islanding detection in inverter-based distributed generation systems. Electr. Power Syst. Res. 2020, 182, 106226. [Google Scholar] [CrossRef]
- Mishra, P.P.; Bhende, C.N.; Manikandan, M.S. Islanding detection using total variation-based signal decomposition technique. IET Energy Syst. Integr. 2020, 2, 22–31. [Google Scholar] [CrossRef]
- Nale, R.; Biswal, M.; Kishor, N. A Transient Component Based Approach for islanding detection in distributed generation. IEEE Trans. Sustain. Energy 2018, 10, 1129–1138. [Google Scholar] [CrossRef]
- Basso, T. IEEE 1547 and 2030 Standards for Distributed Energy Resources Interconnection and Interoperability with the Electricity Grid. Nrel 2014. [Google Scholar] [CrossRef] [Green Version]
- Reddy, C.R.; Reddy, K.H. A New Passive Islanding Detection Technique for Integrated Distributed Generation System Using Rate of Change of Regulator Voltage Over Reactive Power at Balanced Islanding. J. Electr. Eng. Technol. 2019, 14, 527–534. [Google Scholar] [CrossRef]
- Nikolovski, S.; Baghaee, H.R.; Mlakic, D. Islanding Detection of Synchronous Generator-Based DGs using Rate of Change of Reactive Power. IEEE Syst. J. 2019, 13, 4344–4354. [Google Scholar] [CrossRef]
- Xie, X.; Huang, C.; Li, D. A new passive islanding detection approach considering the dynamic behavior of load in microgrid. Int. J. Electr. Power Energy Syst. 2020, 117, 105619. [Google Scholar] [CrossRef]
- Admasie, S.; Bukhari, S.B.A.; Haider, R.; Gush, T.; Kim, C.H. A passive islanding detection scheme using variation-al mode decomposition-based mode singular entropy for integrated microgrids. Electr. Power Syst. Res. 2019, 177, 105983. [Google Scholar] [CrossRef]
- Dhua, R.; Chatterjee, D.; Goswami, S.K. Harmonic filter-based improved islanding detection technique for microgrid. IET Renew. Power Gener. 2019, 13, 2443–2450. [Google Scholar] [CrossRef]
- Pourbabak, H.; Kazemi, A. Islanding detection method based on a new approach to voltage phase angle of constant power inverters. IET Gener. Transm. Distrib. 2016, 10, 1190–1198. [Google Scholar] [CrossRef] [Green Version]
- Pourbabak, H.; Kazemi, A. A new technique for islanding detection using voltage phase angle of inverter-based DGs. Int. J. Electr. Power Energy Syst. 2014, 57, 198–205. [Google Scholar] [CrossRef]
- Abyaz, A.; Panahi, H.; Zamani, R.; Alhelou, H.H.; Siano, P.; Shafie-Khah, M.; Parente, M. An Effective Passive Islanding Detection Algorithm for Distributed Generations. Energies 2019, 12, 3160. [Google Scholar] [CrossRef] [Green Version]
- Subramanian, K.; Loganathan, A.K. Islanding Detection Using a Micro-Synchrophasor for Distribution Systems with Distributed Generation. Energies 2020, 13, 5180. [Google Scholar] [CrossRef]
- Serrano-Fontova, A.; Martinez, J.A.; Casals-Torrens, P.; Bosch, R. A robust islanding detection method with zero-non-detection zone for distribution systems with DG. Int. J. Electr. Power Energy Syst. 2021, 133, 107247. [Google Scholar] [CrossRef]
- Bakhshi-Jafarabadi, R.; Sadeh, J.; Popov, M. Maximum power point tracking injection method for islanding detection of grid-connected photovoltaic systems in microgrid. IEEE Trans. Power Deliv. 2020, 36, 168–179. [Google Scholar] [CrossRef]
- Michas, M.; Ugalde-Loo, C.E.; Jenkins, N. Grid code compliance and ancillary services provision from DFIG and FRC-based wind turbines. In Proceedings of the 2016 51st International Universities Power Engineering Conference (UPEC), Coimbra, Portugal, 6–9 September 2016; IEEE: Piscataway, NJ, USA; pp. 1–6. [Google Scholar]
- Zeineldin, H.; El-Saadany, E.; Salama, M. Impact of DG Interface Control on Islanding Detection and Nondetection Zones. IEEE Trans. Power Deliv. 2006, 21, 1515–1523. [Google Scholar] [CrossRef]















| Grid | V = 230 kV; f = 50 Hz |
| DFIG | P = 2 MW (1 MW × 2); V = 575 Volts; f = 50 Hz; v = 15 m/s; Qref = 0.5 pu |
| Transformer Grid | P = 5 MVA; f = 50 Hz; R1 = R2 = 0.0026 pu; L1 = L2 = 0.08 pu; LM = RM = 500 pu, 230 kV/11 kV |
| Transformer DFIG | P = 1.25 × 2 MVA; f = 50 Hz; R1 = R2 = 0.0008 pu; L1 = L2 = 0.025 pu; LM/RM = inf/500 pu, 11 kV/575 V |
| RLC Load Parallel | 1.7 MW; QL = 1.5 MVar; QC = 0.8 MVar; 11 kV; 50 Hz |
| Induction motor | 400 hp; 11 KV; 50 Hz; Inertia constant = 0.09526 s |
| Capacitor bank | QC = 2 MVar; 11 kV; 50 Hz |
| Short circuit Fault | R = 50 ohm; Rg = 0.01 ohm |
| Testing Situations | Grid Profiles | Load Profiles | DG Profiles | |||
|---|---|---|---|---|---|---|
| P (MW) | Q (MVar) | P (MW) | Q (MVar) | P (MW) | Q (MVar) | |
| Islanding (small mismatch) (P.M) | 0.001 | 0.001 | 2.001 | 0.821 | 2.000 | 0.820 |
| Islanding (large mismatch) (L.M) | 1.930 | 1.920 | 3.960 | 2.110 | 2.030 | 0.200 |
| Load increment (L.I) | 0.001 | 0.001 | 2.001 | 0.821 | 2.000 | 0.820 |
| Load decrement (L.D) | 1.340 | 1.320 | 3.350 | 1.740 | 2.020 | 0.420 |
| Capacitor energization (C.E) | 0.001 | 0.001 | 2.001 | 0.821 | 2.000 | 0.820 |
| Capacitor de-energization (C.D) | 0.670 | 0.680 | 2.670 | 0.970 | 2.030 | 0.670 |
| Motor starting (M.S) | 0.001 | 0.001 | 2.001 | 0.821 | 2.000 | 0.820 |
| Motor unloading (M.U) | 0.840 | 0.820 | 2.840 | 1.590 | 2.030 | 0.760 |
| Fault switching (F.S) | 0.001 | 0.001 | 2.001 | 0.821 | 2.000 | 0.820 |
| Parameters | Values |
|---|---|
| Frequency Hz | 50 |
| Harmonic n | 1 (fundamental) |
| Sequence | Positive sequence |
| Initial Input [Magnitude,Phase (degree)] | [1,0] |
| Sample time | 0 s |
| Refs | Concept | Method | NDZ | Detection Time | Algorithm Complexity (E/M/T) | Power Quality Issues |
|---|---|---|---|---|---|---|
| Proposed | Voltage phase angle variation | Passive | Near zero | ≤0.093 s | Easy | No |
| [6] | Voltage and frequency variation | Passive | zero | <0.3 s | Medium | No |
| [36] | Rate of change of exciter voltage over reactive power | Passive | zero | <2 s | Medium | No |
| [37] | Rate of change of reactive power | Passive | very small | 0.10 s | Medium | No |
| [38] | ROCOF and Voltage-frequency variations | Passive | very small | ≤0.17 s | Tough | No |
| [30] | Rate of change of frequency over reactive power | Passive | small | 0.2 s | Medium | No |
| [31] | Reactive power variation (Mathematical Morphology) | Passive | small | ≤0.8 s | Medium | No |
| [32] | Negative sequence voltage & current | Passive | zero | 0.02 s | Tough | No |
| [33] | Transient index voltage | Passive | small | 0.02 s | Tough | No |
| [34] | Positive sequence voltage (Entropy concept) | Passive | small | 0.06 s | Tough | No |
| [39] | EMD & Entropy concept | Passive | very small | <0.01 s | Tough | No |
| [40] | Change in impedance | Passive | very small | <0.02 s | Moderate | No |
| [41] | Voltage phase angle difference | Active | small | <0.5 s | Easy | Yes |
| [42] | Voltage phase angle | Active | small | * NA | Easy | Yes |
| [43] | VPA difference & ROCOVPAD | Remote | zero | <0.014 s | Tough | No |
| [44] | UF/OF, ROCOF, ROCO, ROCOPAD, VPA | Passive | zero | <0.06 s | Tough | No |
| [45] | State variables & RC load strategy | Hybrid | zero | 0.12 s | Moderate | No |
| [46] | Voltage variation | Active | very small | <0.3 s | Easy | No |
Publisher’s Note: MDPI stays neutral with regard to jurisdictional claims in published maps and institutional affiliations. |
© 2021 by the authors. Licensee MDPI, Basel, Switzerland. This article is an open access article distributed under the terms and conditions of the Creative Commons Attribution (CC BY) license (https://creativecommons.org/licenses/by/4.0/).
Share and Cite
Shafique, N.; Raza, S.; Munir, H.M.; Bukhari, S.S.H.; Ro, J.-S. Islanding Detection Strategy for Wind Farm Based on Performance Analysis of Passive Indices Having Negligible NDZ. Appl. Sci. 2021, 11, 9989. https://doi.org/10.3390/app11219989
Shafique N, Raza S, Munir HM, Bukhari SSH, Ro J-S. Islanding Detection Strategy for Wind Farm Based on Performance Analysis of Passive Indices Having Negligible NDZ. Applied Sciences. 2021; 11(21):9989. https://doi.org/10.3390/app11219989
Chicago/Turabian StyleShafique, Nouman, Safdar Raza, Hafiz Mudassir Munir, Syed Sabir Hussain Bukhari, and Jong-Suk Ro. 2021. "Islanding Detection Strategy for Wind Farm Based on Performance Analysis of Passive Indices Having Negligible NDZ" Applied Sciences 11, no. 21: 9989. https://doi.org/10.3390/app11219989
APA StyleShafique, N., Raza, S., Munir, H. M., Bukhari, S. S. H., & Ro, J.-S. (2021). Islanding Detection Strategy for Wind Farm Based on Performance Analysis of Passive Indices Having Negligible NDZ. Applied Sciences, 11(21), 9989. https://doi.org/10.3390/app11219989

