Pushing Mechatronic Applications to the Limits via Smart Motion Control
Abstract
:1. Introduction
- Computer vision and AI at-the-edge are and will be key enablers for industrial automation/robotics, namely, for fast inspection and motion through vision in-the-loop, sensing feature information, which is not measurable with ‘classical’ techniques. This requires new SoC (System on Chip) and ASIC components.
- The previous additional energy-effective measurements on moving or rotating parts that can be done only in a wireless way. Thus, fast deterministic industrial wireless communications must be considered in the ‘chain’.
- Routine machine adaptation to new environments and new products is necessary, hence self-adaptation principles are requested [19].
- The machines/robots must often work in complex multi-stage production lines (often collaborative) with zero defects, hence must be fully connectable to upper factory layers and provide self-diagnostic/inspection information, i.e., follow Industry 4.0 paradigms. In this context, drive self-diagnostic and performance assessment were identified as essential.
- Industrial printing (Pilot 1)—Generic substrate carrier (GSC) for digital printing for graphics and/or functional electronics (Section 5.1).
- Semiconductor production (Pilot 2)—A 12-inch wafer stage with high-precision stepping performance (Section 5.2).
- High-speed packaging (Pilot 3)—Tea bag machine for cotton thread knot technology (Section 5.3).
- Big CNC (Pilot 4)—High precision big CNC milling machines (Section 5.4).
- Healthcare robotics (Pilot 5)—X-ray intervention medical manipulator (Section 5.5).
2. Ambitions in System Integration
3. Concept and Overall Approach
- Math-physical multi-domain modeling that allows to include HW, SW, electronic, and mechanical components into one model. Significant attention was given to development of reliable models of complex multi-axes machines. A specific advantage is the overcoming of the rigid-body concept, which is not sufficient to describe behavior of high-tech machines, namely, to deal with residual vibrations and optimize feedback control system.
- Inclusion of FEM (finite-element) models into non-RT simulations and definition of parameter uncertainty. Such approaches bring a non-conservative, optimized robust control design. FEM models help, e.g., to predict resonance and anti-resonance system modes even before the machine is built.
- Virtual models of actuators and sensors and their integration into machine model.
- RT simulation of mechatronic systems, which requires seamless model reduction techniques and complex model verification [41].
- Parametric identification from signals obtained on the controlled device and merging data with mathematical-physical models. These methods were shown to be essential for underactuated robotic systems (even unstable), see e.g., [42].
4. Building Blocks and Methodology
4.1. Smart Sensor Data Processing Unit (BB1)
4.2. Real-Time Wireless Sensors (BB2)
4.3. Robust Condition Monitoring and Predictive Diagnostics (BB3)
4.4. High-Speed Vision (BB4)
4.5. High Performance Servo Amplifier (BB5)
4.6. Self-Commissioning Velocity and Position Control Loops (BB6)
4.7. Vibration Control Module (BB7)
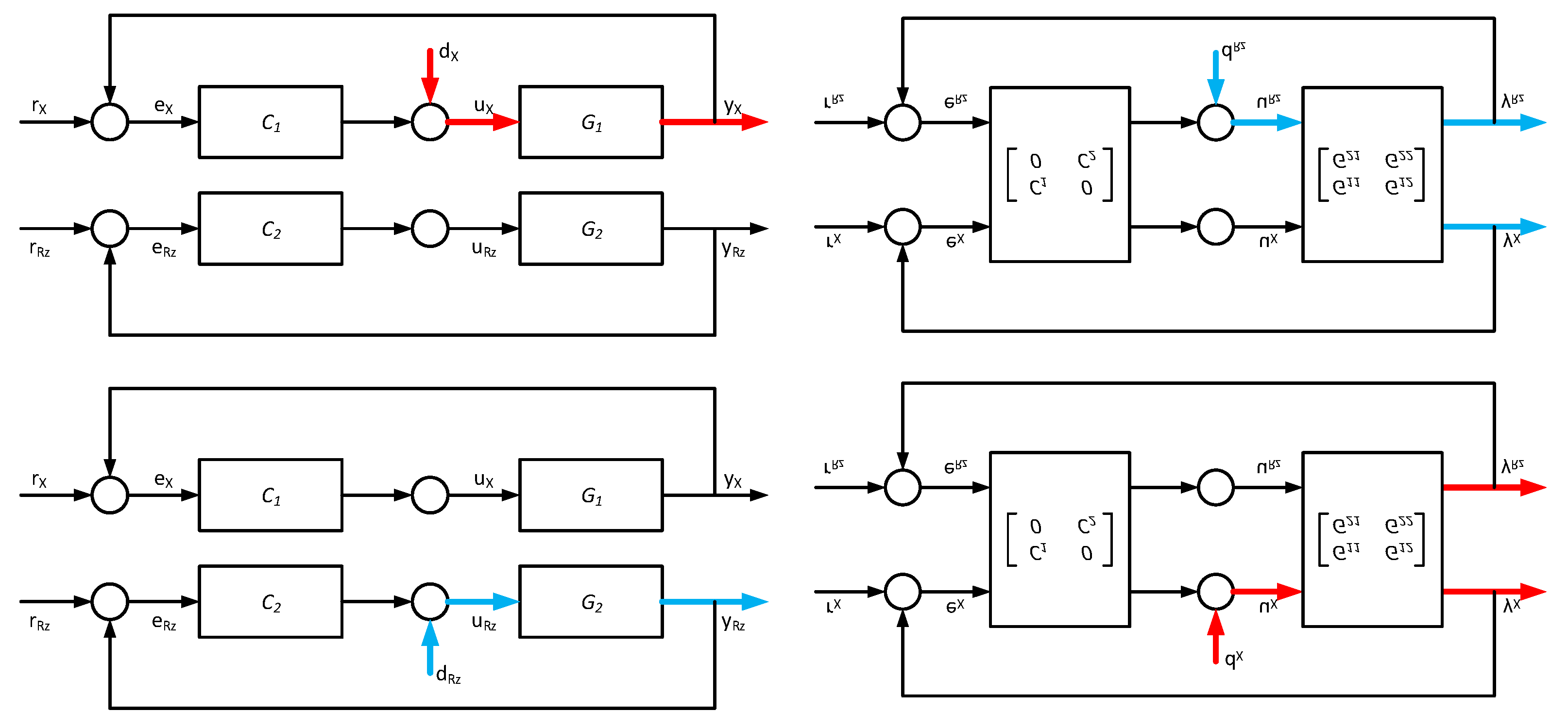
4.8. Model-Based Robust Multivariable Control (BB8)
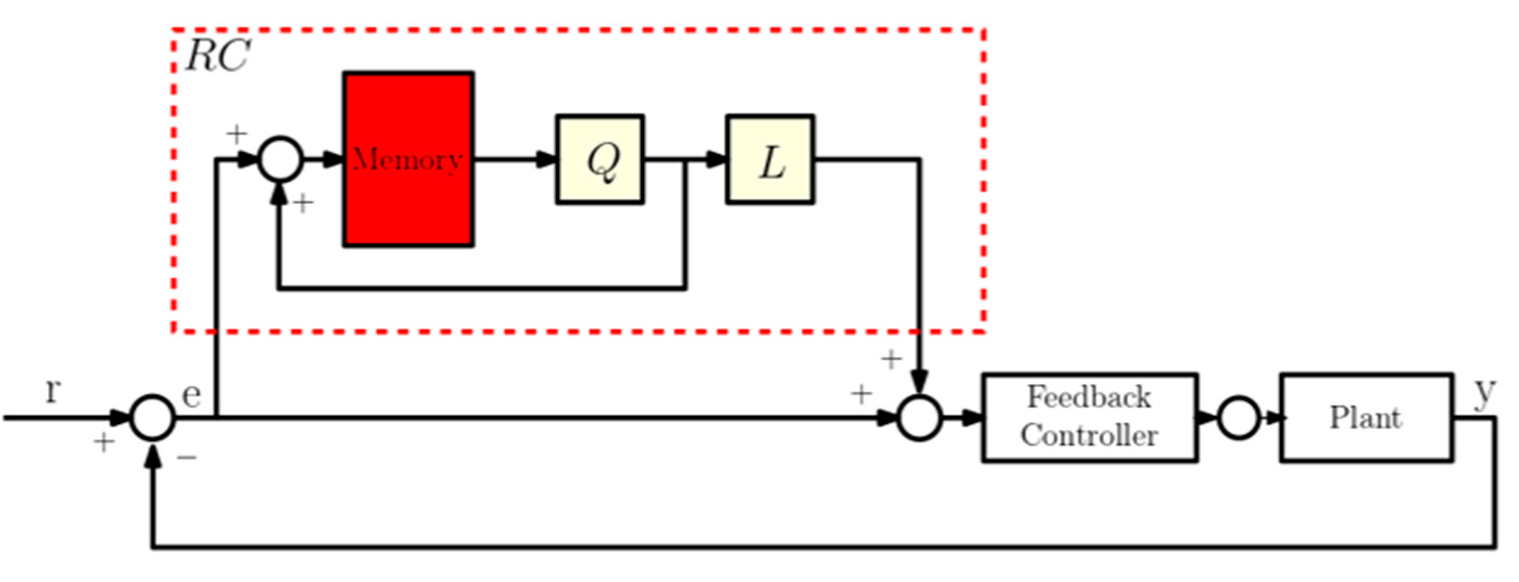
4.9. Iterative and Repetitive Control Module (BB9)
4.10. Control Specific Multi-Many Core Platform (BB10)
4.11. Real-Time Operating System (RTOS) (BB11)
4.12. Overall BB Integration
5. Pilot Applications and Key Results
5.1. Generic Substrate Carrier
5.1.1. Overall GSC Description
5.1.2. Application of Project BBs to GSC (Pilot 1)
5.2. 12-Inch Wafer Stage (Pilot 2)
5.3. In-Line Filling and Stoppering Machine, Tea Bag Machine (Pilot 3)
5.4. Smart Machining Tools and Milling Machines (Pilot 4)
5.5. Medical Manipulator (Pilot 5)
6. Conclusions
6.1. Summary of Project Results
6.2. Future Work
Author Contributions
Funding
Institutional Review Board Statement
Informed Consent Statement
Data Availability Statement
Conflicts of Interest
Abbreviations
| MBSE | Model-based system engineering |
| KPI | Key performance indicator |
| AI | Artificial intelligence |
| SoC/ASIC | System on Chip, Application specific integrated circuit |
| FMI/FMU | Functional mock-up interface/functional mock-up unit |
| BB | Building block |
| GSC | Generic substrate carrier |
| CNC | Computer numerical control |
| ERP/MES | Enterprise resource planning/Manufacturing execution system |
| A/D D/A | Analogue/Digital |
| KET | Key Enabling Technologies |
| MIL/SIL/PIL/HIL | Model (Software, Processor, Hardware) in the Loop |
| FEM | Finite element model |
| FPGA | Field programmable gate array |
| MCU/GPU | Micro-controller unit, general processing unit |
| GaN FET | Gallium Nitride Field Effect Transistors |
| CSI | Camera serial interface |
| ILC/RC | Iterative learning/repetitive control |
| SOA | Service oriented architecture |
| PID | Proportional—integral—derivative |
| RTOS | Real-time operating system |
| MIMO | Multi-input multi-output |
| CPSD | Cumulative power spectral density |
| COTS | Commercial off the shelf |
| DOF | Degree of freedom |
| ML/DL | Machine learning, Deep learning |
References
- Sabanovic, A.; Ohnishi, K. Motion Control Systems; John Wiley and Sons: Hoboken, NJ, USA, 2011. [Google Scholar]
- Kwon, S.; Chung, W.K. Perturbation Compensator Based Robust Tracking Control and State Estimation of Mechanical Systems; Springer Science and Business Media: Berlin/Heidelberg, Germany, 2004. [Google Scholar]
- Van Dooren, P.; Wyman, B. Linear Algebra for Control Theory; Springer Science and Business Media: Berlin/Heidelberg, Germany, 2012; Volume 62. [Google Scholar]
- Milovanovic, D.; Rao, K.; Bojkovic, Z. Wireless Multimedia Communications; CRC Press: Boca Raton, FL, USA, 2008. [Google Scholar]
- Gene, F.; Franklin, J. David Powell, Abbas Emami-Naeini: Feedback Control of Dynamic Systems, 8th ed.; Pearson: London, UK, 2018. [Google Scholar]
- Akeela, R.; Elziq, Y. Design and Verification of IEEE 802. 11ah for IoT and M2M Applications. In Proceedings of the 2017 IEEE International Conference on Pervasive Computing and Communications Workshops (PerCom Workshops), Kona, HI, USA, 13–17 March 2017. [Google Scholar] [CrossRef]
- Cech, M.; Beltman, A.-J.; Ozols, K. I-MECH—Smart System Integration for Mechatronic Applications. In Proceedings of the 2019 24th IEEE International Conference on Emerging Technologies and Factory Automation (ETFA), Zaragoza, Spain, 10–13 September 2019; pp. 843–850. [Google Scholar] [CrossRef]
- Sinha, S.; Koedam, M.; Breaban, G.; Nelson, A.; Nejad, A.B.; Geilen, M.; Goossens, K. Composable and predictable dynamic loading for time-critical partitioned systems on multiprocessor architectures. Microprocess. Microsyst. 2015, 39, 1087–1107. [Google Scholar] [CrossRef]
- Yin, K.; Zhong, C. Data collection in wireless sensor networks. In Proceedings of the 2011 IEEE International Conference on Cloud Computing and Intelligence Systems, 2011 and Automation, Beijing, China, 15–17 September 2011. [Google Scholar]
- Tsuji, T.; Hashimoto, T.; Kobayashi, H.; Mizuochi, M.; Ohnishi, K. A Wide-Range Velocity Measurement Method for Motion Control. IEEE Trans. Ind. Electron. 2009, 56, 510–519. [Google Scholar] [CrossRef] [Green Version]
- Singhose, W. Command shaping for flexible systems: A review of the first 50 years. Int. J. Precis. Eng. Manuf. 2009, 10, 153–168. [Google Scholar] [CrossRef]
- De Luca, A.; Schroder, D.; Thummel, M. An Acceleration-based State Observer for Robot Manipulators with Elastic Joints. In Proceedings of the 2007 IEEE International Conference on Robotics and Automation, Rome, Italy, 10–14 April 2007. [Google Scholar] [CrossRef]
- Zirn, O.; Jaeger, C. Vibration damping for machine tool servo drives by load acceleration feedback. In Proceedings of the 2010 IEEE International Symposium on Industrial Electronics, Bari, Italy, 4–7 July 2010. [Google Scholar] [CrossRef]
- Bristow, D.; Tharayil, M.; Alleyne, A. Survey of iterative learning control: A learning-based method for high-performance tracking control. IEEE Control Syst. 2006, 26, 96–114. [Google Scholar]
- Wang, C.; Zheng, M.; Wang, Z.; Peng, C.; Tomizuka, M. Robust iterative learning control for vibration suppression of industrial robot manipulators. J. Dyn. Syst. Meas. Control Trans. ASME 2018, 140, 011003. [Google Scholar] [CrossRef]
- Smith, C.; Karayiannidis, Y.; Nalpantidis, L.; Gratal, X.; Qi, P.; Dimarogonas, D.V.; Kragic, D. Dual arm manipulation—A survey. Robot. Auton. Syst. 2012, 60, 1340–1353. [Google Scholar] [CrossRef] [Green Version]
- Goubej, M.; Schlegel, M. Robust PID Control of Electrical Drive with Compliant Load. In Proceedings of the IFAC World Congress, Cape Town, SA, USA, 24–29 August 2014; Volume 47, pp. 11781–11786. [Google Scholar]
- Valencia, J.; Goswami, D.; Goossens, K. Composable Platform-Aware Embedded Control Systems on a Multi-core Architecture. In Proceedings of the 2015 Euromicro Conference on Digital System Design, Funchal, Madeira, Portugal, 26–28 August 2015; pp. 502–509. [Google Scholar]
- Giacomelli, M.; Colombo, D.; Finzi, G.; Setka, V.; Simoni, L.; Visioli, A. An autotuning procedure for motion control of oscillatory mechatronic systems. In Proceedings of the 2019 24th IEEE International Conference on Emerging Technologies and Factory Automation (ETFA), Zaragoza, Spain, 10–13 September 2019; pp. 829–835. [Google Scholar] [CrossRef] [Green Version]
- Reitinger, J.; Čech, M.; Königsmarková, J. Model-based control system design for steam turbine based on Functional Mock-up interface (FMI/FMU). In Proceedings of the 2018 19th International Carpathian Control Conference (ICCC), Miskolc, Hungary, 28–31 May 2018; Institute of Electrical and Electronics Engineers (IEEE): Piscataway, NJ, USA, 2018; pp. 559–564. [Google Scholar]
- Simoni, L.; Beschi, M.; Legnani, G.; Visioli, A. On the Inclusion of Temperature in the Friction Model of Industrial Robots. IFAC-PapersOnLine 2017, 50, 3482–3487. [Google Scholar] [CrossRef]
- Simoni, L.; Beschi, M.; Legnani, G.; Visioli, A. Modelling the temperature in joint friction of industrial manipulators. Robotica 2019, 37, 906–927. [Google Scholar] [CrossRef] [Green Version]
- Čech, M.; Königsmarková, J.; Reitinger, J.; Balda, P. Novel tools for model-based control system design based on FMI/FMU standard with application in energetics. In Proceedings of the 2017 21st International Conference on Process Control (PC), Strbske Pleso, Slovakia, 6–9 July 2017. [Google Scholar] [CrossRef]
- Dosedel, M.; Havranek, Z. Design and performance evaluation of smart vibration sensor for industrial applications with built-in MEMS accelerometers, 2018. In Proceedings of the 18th International Conference on Mechatronics-Mechatronika (ME), Brno, Czech Republic, 5–7 December 2018; pp. 1–8. [Google Scholar]
- Walsh, M.; O’Flynn, B.; Torres, J. Vibration Characterisation for Fault Detection and Isolation in Linear Synchronous Motor based Conveyor Systems. In Proceedings of the 2019 International Conference on Automation, Computational and Technology Management (ICACTM), London, UK, 24–26 April 2019; pp. 500–504. [Google Scholar]
- Walsh, M.; Abbruzzo, G.; Hickey, S.; Ramirez-Garcia, S.; O’Flynn, B.; Torres, J. On the potential for Electromagnetic Energy Harvesting for a Linear Synchronous Motor based Transport System in Factory Automation. In Proceedings of the 2019 24th IEEE International Conference on Emerging Technologies and Factory Automation (ETFA), Zaragoza, Spain, 10–13 September 2019; pp. 864–869. [Google Scholar]
- Thomsen, S.; Hoffmann, N.; Fuchs, F.W. PI Control, PI-Based State Space Control, and Model-Based Predictive Control for Drive Systems with Elastically Coupled Loads—A Comparative Study. IEEE Trans. Ind. Electron. 2010, 58, 3647–3657. [Google Scholar] [CrossRef]
- Ruderman, M.; Iwasaki, M. Sensorless Torsion Control of Elastic-Joint Robots with Hysteresis and Friction. IEEE Trans. Ind. Electron. 2016, 63, 1889–1899. [Google Scholar] [CrossRef]
- Garcia, J.; Gonzalez, D.; Rodriguez, A.; Santamaria, B.; Estremera, J.; Armendia, M. Application of Impedance Control in Robotic Manipulators for Spacecraft On-orbit Servicing. In Proceedings of the 2019 24th IEEE International Conference on Emerging Technologies and Factory Automation (ETFA), Zaragoza, Spain, 10–13 September 2019; pp. 836–842. [Google Scholar]
- Helma, V.; Goubej, M.; Ježek, O. Acceleration Feedback in PID Controlled Elastic Drive Systems. IFAC-PapersOnLine 2018, 51, 214–219. [Google Scholar] [CrossRef]
- Catenazzo, D.; O’Flynn, B.; Walsh, M. On the use of Wireless Sensor Networks in Preventative Maintenance for Industry 4.0. In Proceedings of the 2018 12th International Conference on Sensing Technology (ICST), Limerick, Ireland, 3–6 December 2018; pp. 256–262. [Google Scholar]
- Weiss, B.A.; Sharp, M.; Klinger, A. Developing a hierarchical decomposition methodology to increase manufacturing process and equipment health awareness. J. Manuf. Syst. 2018, 48, 96–107. [Google Scholar] [CrossRef] [PubMed]
- Henao, H.; Capolino, G.-A.; Fernandez-Cabanas, M.; Filippetti, F.; Bruzzese, C.; Strangas, E.; Pusca, R.; Estima, J.; Riera-Guasp, M.; Kia, S.H. Trends in Fault Diagnosis for Electrical Machines: A Review of Diagnostic Techniques. IEEE Ind. Electron. Mag. 2014, 8, 31–42. [Google Scholar] [CrossRef]
- Kavitha, V.; Thangadurai, R. Advance Detection of Faults in Drives Using MEMS. Int. J. Adv. Res. Electr. Electron. Instrum. Eng. 2014, 3. [Google Scholar]
- I-MECH, Smart Mechatronic Solutions. Available online: https://www.i-mech.eu/ (accessed on 12 April 2019).
- Čech, M.; Goubej, M.; Sobota, J.; Visioli, A. Model-based system engineering in control education using HIL simulators. IFAC-PapersOnLine 2020, 53, 17302–17307. [Google Scholar] [CrossRef]
- Čech, M.; Königsmarková, J.; Goubej, M.; Oomen, T.; Visioli, A. Essential challenges in motion control education. IFAC-PapersOnLine 2019, 52, 200–205. [Google Scholar] [CrossRef]
- Lou, Z.; Wang, L.; Jiang, K.; Wei, Z.; Shen, G. Reviews of wearable healthcare systems: Materials, devices and system integration. Mater. Sci. Eng. R Rep. 2020, 140, 100523. [Google Scholar] [CrossRef]
- Weng, W.; Yang, J.; Zhang, Y.; Li, Y.; Yang, S.; Zhu, L.; Zhu, M. A Route toward Smart System Integration: From Fiber Design to Device Construction. Adv. Mater. 2020, 32, e1902301. [Google Scholar] [CrossRef]
- Sobota, J.; Goubej, M.; Königsmarková, J.; Čech, M. Raspberry Pi-based HIL simulators for control education. IFAC-PapersOnLine 2019, 52, 68–73. [Google Scholar] [CrossRef]
- Scordino, C.; Savino, I.M.; Cuomo, L.; Miccio, L.; Tagliavini, A.; Bertogna, M.; Solieri, M. Real-Time Virtualization for Industrial Automation. In Proceedings of the 2020 25th IEEE International Conference on Emerging Technologies and Factory Automation (ETFA), Zaragoza, Spain, 10–13 September 2020. [Google Scholar] [CrossRef]
- Königsmarková, J.; Schlegel, M. Identification of n-link inverted pendulum on a cart. In Proceedings of the 2017 21st International Conference on Process Control (PC), Strbske Pleso, Slovakia, 6–9 June 2017; pp. 42–47. [Google Scholar]
- Šetka, V.; Ježek, O.; Novickis, R. Modular Signal Processing Unit for Motion Control Applications Based on System-on-Chip with FPGA. In Proceedings of the 2019 24th IEEE International Conference on Emerging Technologies and Factory Automation (ETFA), Zaragoza, Spain, 10–13 September 2019; pp. 857–863. [Google Scholar]
- Barkovskis, N.; Ozols, K.; Elsts, A. Survey of Low-Power Wireless Network Technologies for the Internet of Things. Autom. Control Comput. Sci. 2021, 55, 177–194. [Google Scholar] [CrossRef]
- Klima, B.; Buchta, L.; Doseděl, M.; Havranek, Z.; Blaha, P. Prognosis and Health Management in electric drives applications implemented in existing systems with limited data rate. In Proceedings of the 2019 24th IEEE International Conference on Emerging Technologies and Factory Automation (ETFA), Zaragoza, Spain, 10–13 September 2019; pp. 870–876. [Google Scholar]
- Škarda, R.; Čech, M.; Schlegel, M. Bode-like control loop performance index evaluated for a class of fractional-order processes. IFAC Proc. Vol. 2014, 47, 10622–10627. [Google Scholar] [CrossRef] [Green Version]
- Goubej, M.; Helma, V. Vibration damping in gantry crane systems: Finite horizon optimal control approach. In Proceedings of the 2019 24th IEEE International Conference on Emerging Technologies and Factory Automation (ETFA), Zaragoza, Spain, 10–13 September 2019; pp. 877–882. [Google Scholar]
- Giacomelli, M.; Padula, F.; Simoni, L.; Visioli, A. Simplified input-output inversion control of a double pendulum overhead crane for residual oscillations reduction. Mechatronics 2018, 56, 37–47. [Google Scholar] [CrossRef] [Green Version]
- Van Zundert, J.; Oomen, T.; Verhaegh, J.; Aangenent, W.; Antunes, D.J.; Heemels, W.P.M.H. Beyond Performance/Cost Tradeoffs in Motion Control: A Multirate Feedforward Design with Application to a Dual-Stage Wafer System. IEEE Trans. Control Syst. Technol. 2020, 28, 448–461. [Google Scholar] [CrossRef] [Green Version]
- Huang, T.; Yang, K.; Zhu, Y.; Tang, Q.; Cheng, M.; Wang, Y. LFT-Structured Uncertainty State-Space Modeling for State Feedback Robust Control of the Ultra-Precision Wafer Stage. IEEE Trans. Ind. Electron. 2019, 66, 8567–8577. [Google Scholar] [CrossRef]
- Goubej, M.; Meeusen, S.; Mooren, N.; Oomen, T. Iterative learning control in high-performance motion systems: From theory to implementation. In Proceedings of the 2019 24th IEEE International Conference on Emerging Technologies and Factory Automation (ETFA), Zaragoza, Spain, 10–13 September 2019; pp. 851–856. [Google Scholar]
- Mooren, N.; Witvoet, G.; Oomen, T. Feedforward Motion Control: From Batch-to-Batch Learning to Online Parameter Estimation. In Proceedings of the 2019 American Control Conference (ACC), Philadelphia, PA, USA, 10–12 July 2019; pp. 947–952. [Google Scholar] [CrossRef] [Green Version]
- Valencia, J.; Goswami, D.; Goossens, K. Comparing Platform-aware Control Design Flows for Composable and Predictable TDM-based Execution Platforms. ACM Trans. Des. Autom. Electron. Syst. 2019, 24, 1–26. [Google Scholar] [CrossRef] [Green Version]
- Zhu, S.; Goswami, D.; Li, H. Evaluation Platform of Platoon Control Algorithms in Complex Communication Scenarios. In Proceedings of the 2019 IEEE 89th Vehicular Technology Conference (VTC2019-Spring), Kuala Lumpur, Malaysia, 28 April 2019; pp. 1–5. [Google Scholar] [CrossRef] [Green Version]
- Haghi, M.; Wenguang, F.; Goswami, D.; Goossens, K. Delay-based Design of Feedforward Tracking Control for Predictable Embedded Platforms. In Proceedings of the 2019 American Control Conference (ACC), Philadelphia, PA, USA, 10–12 July 2019; pp. 3726–3733. [Google Scholar] [CrossRef] [Green Version]
- Martinez, J.; Sanudo, I.; Bertogna, M. Analytical Characterization of End-to-End Communication Delays with Logical Execution Time. IEEE Trans. Comput. Des. Integr. Circuits Syst. 2018, 37, 2244–2254. [Google Scholar] [CrossRef]
- Evers, E.; van de Wal, M.; Oomen, T. Beyond decentralized wafer/reticle stage control design: A double-Youla approach for enhancing synchronized motion. Control Eng. Pract. 2019, 83, 21–32. [Google Scholar] [CrossRef]
- Wassink, M.G.; van de Wal, M.; Scherer, C.; Bosgra, O. LPV control for a wafer stage: Beyond the theoretical solution. Control Eng. Pract. 2005, 13, 231–245. [Google Scholar] [CrossRef]
- Huimi, W.; Jirong, Y.; Ming, L.; Fanwei, L.; Wei, C.; Feng, C. Monitoring system design of high-speed carton packaging machine based on PCC and servo control. Adv. Mater. Res. 2012, 542–543, 609–615. [Google Scholar]
- Grundelius, M. Iterative optimal control of liquid slosh in an industrial packaging machine. In Proceedings of the 39th IEEE Conference on Decision and Control (Cat. No.00CH37187), Sydney, Australia, 12–15 December 2000; Volume 4, pp. 3427–3432. [Google Scholar]
- Ramesh, R.; Mannan, M.; Poo, A. Tracking and contour error control in CNC servo systems. Int. J. Mach. Tools Manuf. 2005, 45, 301–326. [Google Scholar] [CrossRef]
- Kim, B.-S.; Ro, S.-K.; Park, J.-K. Development of a 3-axis desktop milling machine and a CNC system using advanced modern control algorithms. Int. J. Precis. Eng. Manuf. 2010, 11, 39–47. [Google Scholar] [CrossRef]
- Quatrano, A.; De, S.M.; Rivera, Z.; Guida, D. Development and implementation of a control system for a retrofitted CNC machine by using Arduino. FME Trans. 2017, 45, 565–571. [Google Scholar] [CrossRef]
- Bouteraa, Y.; Ben Abdallah, I.; Ghommam, J. Task-space region-reaching control for medical robot manipulator. Comput. Electr. Eng. 2018, 67, 629–645. [Google Scholar] [CrossRef]
- Yedukondalu, G.; Srinath, A.; Kumar, J.S. Mechanical chest compression with a medical parallel manipulator for cardiopulmonary resuscitation. Int. J. Med. Robot. Comput. Assist. Surg. 2014, 11, 448–457. [Google Scholar] [CrossRef]














| Pilot 1 | Pilot 2 | Pilot 3 | Pilot 4 | Pilot 5 | |
|---|---|---|---|---|---|
| BB1 | Y | Y | Y | ||
| BB2 | Y | Y | |||
| BB3 | Y | Y | Y | ||
| BB4 | Y | Y | |||
| BB5 | Y | Y | |||
| BB6 | Y | Y | Y | Y | |
| BB7 | Y | ||||
| BB8 | Y | Y | |||
| BB9 | Y | Y | |||
| BB10 | Y | Y | Y | Y | |
| BB11 | Y | Y | Y | Y |
Publisher’s Note: MDPI stays neutral with regard to jurisdictional claims in published maps and institutional affiliations. |
© 2021 by the authors. Licensee MDPI, Basel, Switzerland. This article is an open access article distributed under the terms and conditions of the Creative Commons Attribution (CC BY) license (https://creativecommons.org/licenses/by/4.0/).
Share and Cite
Čech, M.; Beltman, A.-J.; Ozols, K. Pushing Mechatronic Applications to the Limits via Smart Motion Control. Appl. Sci. 2021, 11, 8337. https://doi.org/10.3390/app11188337
Čech M, Beltman A-J, Ozols K. Pushing Mechatronic Applications to the Limits via Smart Motion Control. Applied Sciences. 2021; 11(18):8337. https://doi.org/10.3390/app11188337
Chicago/Turabian StyleČech, Martin, Arend-Jan Beltman, and Kaspars Ozols. 2021. "Pushing Mechatronic Applications to the Limits via Smart Motion Control" Applied Sciences 11, no. 18: 8337. https://doi.org/10.3390/app11188337
APA StyleČech, M., Beltman, A.-J., & Ozols, K. (2021). Pushing Mechatronic Applications to the Limits via Smart Motion Control. Applied Sciences, 11(18), 8337. https://doi.org/10.3390/app11188337

