Decoupling Control of Multi-DOF Supporting System of MLDSB
Abstract
:Featured Application
Abstract
1. Introduction
2. Regulating Principle of the Single-DOF Supporting System
3. Mathematical Model of the Multi-DOF Supporting System
3.1. Dynamic Equation of the Multi-DOF Supporting System
- (1)
- The flow condition of the lubrication is laminar and the inertia force is ignored.
- (2)
- The viscosity-pressure characteristics of the lubrication are ignored due to the low pressure.
- (3)
- The winding magnetic flux leakage is ignored and the flux is evenly distributed in the magnetic circuit.
- (4)
- The magnetoresistance in the iron core and rotor is ignored, and the magnetic potential only acts on the air gap.
- (5)
- The hysteresis and eddy of magnetic materials are ignored.
- (6)
- The supporting surface is assumed to be a rigid body.
- (7)
- The gravity of the rotor is ignored.
- (8)
- The rigid rotor is geometrically symmetrical uniform, Jx = Jy = Jr.
- (9)
- The rotor is in the rotation center, the bearing force is zero, and there is no interference between the DOF supporting system.
- (10)
- The installation error of the sensor is not considered.
- (11)
- The stiffness of the base is relatively large, and there is no deformation or movement.
3.2. Selection of Design Parameters
3.3. Coupling Relationship Analysis
4. Decoupling Control of the Multi-DOF System
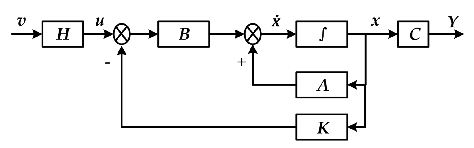
4.1. Design of the Decoupling Device
- (1)
- For G(s), the output equation can be seen from the state-space equation as follows.where Y contains i output components and C contains the i row vectors.
- (2)
- Take the derivative of both ends of the above equation with respect to time t, and substitute the state equation into Equation (21).
4.2. Design of the Controller
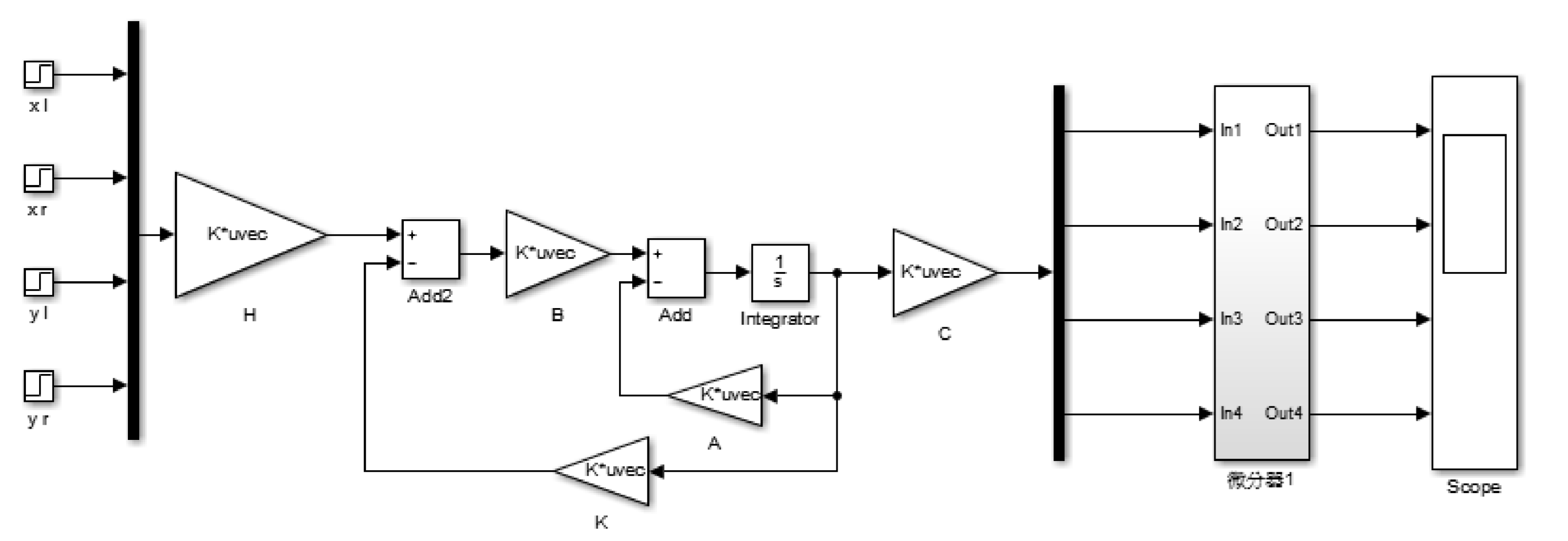
5. MATLAB\Simulink Simulation
6. Experimental Result of Decoupling
6.1. Brief Introduction of the MLDSB Testing System
- (1)
- Hydraulic pump, model TGPVL4-200SH, manufacturers for Taixing Hongsheng Hydraulic Co., Ltd., Taixing, China. Pressure 14 MPa, flow 16 L/min, rotation speed 1450 r/min.
- (2)
- Relief valve, model DBD-H-6-P-10-B-NG10, manufacturers for Beijing Huade Hydraulic Industrial Group Co., Ltd., Beijing, China. Pressure 10 MPa, size 6 mm.
- (3)
- Nozzle valve, model A7-2-KL2-0KL20-PTFE, manufacturers for Shanghai Hawk Fluid Control Co. Ltd., Shanghai, China. Size 6 mm.
- (4)
- Flow gauge, model LWGY-S, manufacturers for Nanjing Detair Instrument & Electromechanical Equipment Co. Ltd., Nanjing, China. Pressure 2 MPa, flow 120–2400 mL/min, accuracy 2%.
- (5)
- Pressure gauge, model HSTL-802, manufacturers for Beijing Huakong Xingye Technology Development Co., Ltd., Beijing, China. Pressure 10 MPa, accuracy 0.25%.
- (6)
- Displacement gauge, model VB-Z9900, manufacturers for Shanghai Ann Electronic Technology Co., Ltd., Shanghai, China. Range of 4 mm, accuracy 1.5%.
- (7)
- Coil, manufacturers for Sanhan Tin Co., Ltd., Kunshan, China. Materials for Cu, diameter 1.0 mm, electrical resistivity 0.02240 Ω/m, length 25 m.
- (8)
- PC, model IPC-610L, manufacturers for Taiwan Advantech Co., Ltd., Taiwan, China. Mainboard AIMB-705BG, CPU I5-6500.
- (9)
- Output card, model NI6723, manufacturers for America NI instruments Co., Ltd., Texas, America. 8 channels output.
- (10)
- Input card, model PCI1716, manufacturers for Taiwan Advantech Co., Ltd., Taiwan, China. 16 channels input,
- (11)
- 12V Power, model S1500-12, manufacturers for China Meanwell Group Co., Ltd., Guangzhou, China. Voltage 12V, current 125 A, power 1500 W.
- (12)
- Power amplifier, model AQMD3620NS-A2, manufacturers for Chengdu Aikong Electric Technology Co. Ltd., Chengdu, China. Power 400 w, input voltage 36 V, current 16 A.
6.2. Experimental Procedure
- (1)
- Switch on the power, set the PID parameter in the y-direction to 0, adjust Kp and Kd in the x-direction, and make the rotor oscillate in constant amplitude.
- (2)
- Adjust i0 to make the rotor stably suspended in the initial position in the x-direction, and record the Kp, Kd, and i0.
- (3)
- Similarly, Set the PID parameter in the x-direction to 0, adjust Kp and Kd parameters in the y-direction, and make the rotor oscillate in constant amplitude.
- (4)
- Similarly, adjust i0 to make the rotor stably suspended in the initial position in the y-direction, and record the Kp, Kd, and i0.
- (5)
- Re-input Kp, Kd, and i0 in the x and y directions, and collect the displacement-time curve.
- (6)
- Add the decoupling controller to the LabVIEW program, repeat step 1~step 5, adjust the controller compensation coefficient to make the rotor operate stably, and collect the displacement-time curve.
6.3. Analysis of Experimental Results
- (1)
- Magnetic circuit coupling characteristics between channel x and channel y.
- (2)
- Magnetic circuit decoupling between channel x and channel y.
- (3)
- Regulation characteristics of channel x and channel y after decoupling.
7. Conclusions
- (1)
- In this paper, the state feedback decoupling method is used to realize the decoupling control of the multi-DOF MLDSB supporting system. The multi-DOF system is effectively separated into the single-DOF system.
- (2)
- The lead corrector determined by the root locus method can improve the dynamic characteristics and anti-jamming ability of the decoupling system.
- (3)
- Coupling characteristics between channel x and channel y and the decoupling effect of the controller are tested experimentally. The results show that the coupling effect is reduced by use of the decoupling controller, the subsequent displacement characteristics of the rotor and the operational stability of the MLDSB can be improved greatly.
Author Contributions
Funding
Institutional Review Board Statement
Informed Consent Statement
Data Availability Statement
Conflicts of Interest
References
- Belila, A.; El-Chakhtoura, J.; Otaibi, N.; Muyzer, G.; Gonzalez-Gil, G.; Saikaly, P.E.; van Loosdrecht, M.C.; Vrouwenvelder, J.S. Bacterial Community Structure and Variation in a Full Scale Seawater Desalination Plant for Drinking Water Production. Water Res. 2016, 94, 62–72. [Google Scholar] [CrossRef] [PubMed] [Green Version]
- Dong, G.; Kim, J.F.; Kim, J.H.; Drioli, E.; Lee, Y.M. Open-Source Predictive Simulators for Scale-Up of Direct Contact Membrane Distillation Modules for Seawater Desalination. Desalination 2017, 402, 72–87. [Google Scholar] [CrossRef]
- Zhao, J.H.; Chen, T.; Wang, Q.; Zhang, B.; Gao, D.R. Stability Analysis of Single DOF Support System of Magnetic-Liquid Double Suspension Bearing. Mach. Tool Hydraul. 2019, 47, 1–7. [Google Scholar]
- Wang, Y.Z.; Jiang, D.; Yin, Z.W.; GAO, G.Y.; ZHANG, X.L. Load Capacity Analysis of Water Lubricated Hydrostatic Thrust Bearing Based on CFD. J. Donghua Univ. 2015, 41, 428–432. [Google Scholar]
- Ming, Z.; Tong, W.; Dapeng, W. Feed-Forward Compensation Decoupling Control for Hybrid Radial Magnetic Bearing used in High Speed Electric Machine. Trans. China Electrotech. Soc. 2015, 30, 539–544. [Google Scholar]
- Zhao, H.Y.; Zhu, C.S. Feedforward Decoupling Control for Magnetically Suspended Rigid Rotor System. J. Zhejiang Univ. 2018, 52, 152–162. [Google Scholar]
- Chen, L.; Zhu, C.; Wang, Z. Two-Degree-of-Freedom Control for Active Magnetic Bearing Flywheel Rotor System Based on Inverse System Decoupling. Trans. China Electrotech. Soc. 2017, 32, 100–114. [Google Scholar]
- Si, M. Research on Current Loop Deviation Decoupling Control Strategy of Permanent Magnet Synchronous Motor. Master’s Thesis, Xi’an University of Technology, Xi’an, China, 2019. [Google Scholar]
- Zhao, J.H.; Chen, T.; Han, F.; Gao, D.R.; Du, G.J. Research on robust control strategy of single DOF supporting system of MLDSB based on H∞ mixed-sensitivity Method. High Technol. Commun. 2020, 26, 299–305. [Google Scholar]
- Zhang, W.; Cheng, L.; Zhu, H. Suspension force error source analysis and multidimensional dynamic model for a centripetal force type-magnetic bearing. IEEE. Trans. Ind. Electron. 2020, 67, 7617–7628. [Google Scholar] [CrossRef]
- Wang, N.; Jiang, D.; Behdinan, K. Vibration response analysis of rubbing faults on a dual-rotor bearing system. Arch. Appl. Mech. 2017, 87, 1891–1907. [Google Scholar] [CrossRef]
- Zhao, J.H.; Zhang, G.J.; Cao, J.B.; Gao, D.R.; Du, G.J. Decouping Control of Single DOF Supporting System of Magnetic-Liquid Double Suspension Bearing. Mach. Tool Hydraul. 2020, 48, 1–8. [Google Scholar]
- Jin, W.H.; Jin, S.; Jiang, W. Torque Decoupled Vector Control of Permanent Magnet Reluctance Hybrid Rotor Dual-stator Synchronous Motor. Large Electr. Mach. Hydraul. Turbine 2021, 1, 20–23. [Google Scholar]
- Reza, E.; Mostafa, G.; Mohammad, K.H. Nonlinear Dynamic Analysis and Experimental Verification of a Magnetically Supported Flexible Rotor System with Auxiliary Bearings. Mech. Mach. Theory 2018, 121, 545–562. [Google Scholar]
- Liu, X.D. Study on Software Decoupling and Control System of Active Magnetic Suspension Force Coupling. Master’s Thesis, Wuhan University of Technology, Wuhan, China, 2003. [Google Scholar]
- Liu, J.N. Decoupling and Control Methods Simulation of Multivariable Linear System Qingdao. Master’s Thesis, China University of Petroleum, Beijing, China, 2010. [Google Scholar]
- Zhang, J.; Chen, Z.; Zhang, H.; Feng, T. Coupling effect and pole assignment in trajectory regulation of multi-agent systems. Automatica 2021, 125, 1–7. [Google Scholar] [CrossRef]
- Chen, L.L.; Zhu, C.S.; Wang, Z.B. Decoupling Control for Active Magnetic Bearing High-speed Flywheel Rotor Based on Mode Separation and State Feedback. Proc. CSEE 2017, 37, 5461–5472. [Google Scholar]
- Wang, Y.W.; Zhang, W.A.; Dong, H.; Zhu, J.W. Generalized Extended State Observer Based Control for Networked Interconnected Systems with Delays. Asian J. Control 2018, 24, 17–22. [Google Scholar] [CrossRef]
- Zhao, Y.L.; Gong, H.L.; Yang, G.J.; Shi, Z.G.; Chen, R.N.; Zhao, L. Research on Recovery Strategy for the Horizontal AMB Rotor Drop Process Compressor. Blower Fan Technol. 2020, 62, 38–45. [Google Scholar]
- Zhao, H.K. Active Magnetic Bearing Rotor Decoupling Control Based on BP Neural Network Inverse System. Electron. Des. Eng. 2021, 29, 123–129, 134. [Google Scholar]
- Nie, S.; Guo, M.; Yin, F.; Ji, H.; Ma, Z.; Hu, Z.; Zhou, X. Research on Fluid-Structure Interaction for Piston/Cylinder Tribopair of Seawater Hydraulic Axial Piston Pump in Deep-Sea Environment. Ocean Eng. 2021, 219, 108222. [Google Scholar] [CrossRef]
- Zhou, Z.X.; Qu, Y.Y.; Wang, Y.G. Research on Double Closed-loop Control Strategy for Magnetic Levitation Vibrator. Mach. Tool Hydraul. 2012, 40, 8–11. [Google Scholar]




























| Viscosity μ/(Pa·s) | Initial Pressure p10/MPa | Bias Voltage u0/V | Bias Current i0/A |
|---|---|---|---|
| 1.3077 × 10−3 | 1 | 5 | 1.2 |
| Air permeability μ0/(H/m) | Rotor mass m/kg | Supporting area Ae/mm2 | Stiffness factor k1/(L/min/V) |
| 4π × 10−7 | 10 | 2937 | 1 × 10−4 |
| Turns of coil N/Dimensionless | Angle θ/° | Liquid resistance Rh/(N·s/m) | Supporting cavity flow q/(L/min) |
| 633 | 22.5 | 6.8×109 | 5.6471 |
| Flow coefficient /Dimensionless | Magnetic area As/mm2 | Liquid film h0/μm | Extrusion area Ab/mm2 |
| 0.71 | 1080 | 30 | 2500 |
Publisher’s Note: MDPI stays neutral with regard to jurisdictional claims in published maps and institutional affiliations. |
© 2021 by the authors. Licensee MDPI, Basel, Switzerland. This article is an open access article distributed under the terms and conditions of the Creative Commons Attribution (CC BY) license (https://creativecommons.org/licenses/by/4.0/).
Share and Cite
Zhao, J.; Han, F.; Wang, Y.; Zhang, X.; Zhang, G.; Du, G. Decoupling Control of Multi-DOF Supporting System of MLDSB. Appl. Sci. 2021, 11, 7239. https://doi.org/10.3390/app11167239
Zhao J, Han F, Wang Y, Zhang X, Zhang G, Du G. Decoupling Control of Multi-DOF Supporting System of MLDSB. Applied Sciences. 2021; 11(16):7239. https://doi.org/10.3390/app11167239
Chicago/Turabian StyleZhao, Jianhua, Fang Han, Yongqiang Wang, Xuze Zhang, Guoji Zhang, and Guojun Du. 2021. "Decoupling Control of Multi-DOF Supporting System of MLDSB" Applied Sciences 11, no. 16: 7239. https://doi.org/10.3390/app11167239
APA StyleZhao, J., Han, F., Wang, Y., Zhang, X., Zhang, G., & Du, G. (2021). Decoupling Control of Multi-DOF Supporting System of MLDSB. Applied Sciences, 11(16), 7239. https://doi.org/10.3390/app11167239
