Development of Scott Transformer Model in Electromagnetic Transients Programs for Real-Time Simulations
Abstract
:1. Introduction
- Conveniently embodying the Scott transformer in EMT programs (rather than two transformer models);
- Addressing the detailed impedance characteristics of the Scott transformer, including the leakage reactance of M- and T-phases;
- Facilitating flexible computation in terms of real-time simulation of large-scale systems owing to the lighter computational burden of the proposed model.
2. Scott Transformer Model for Real-Time Simulation
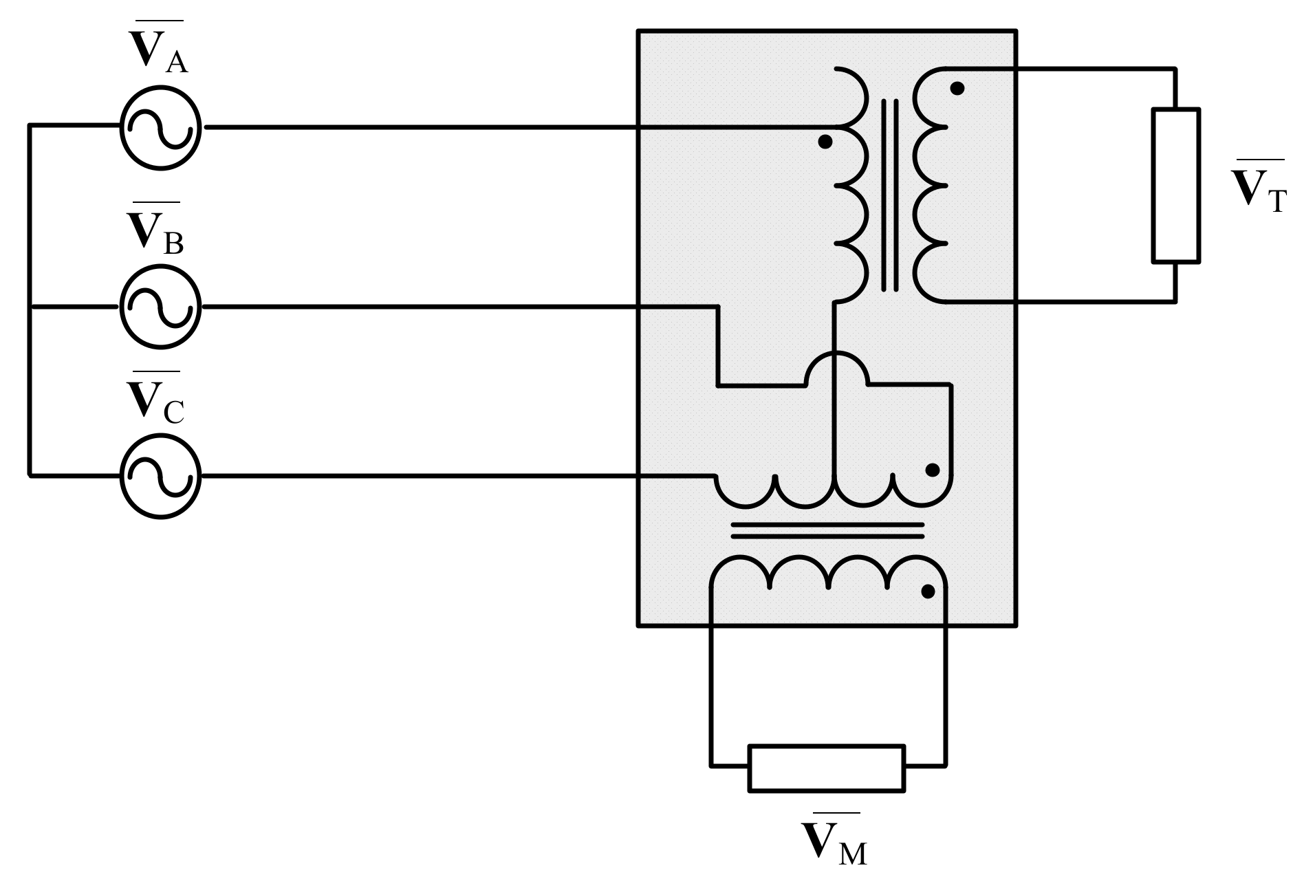
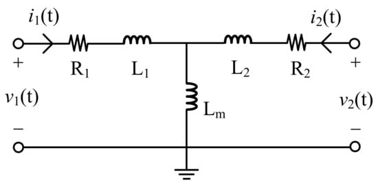
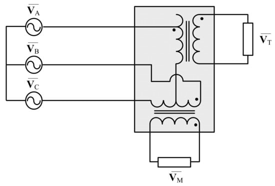
2.1. Scott Transformer
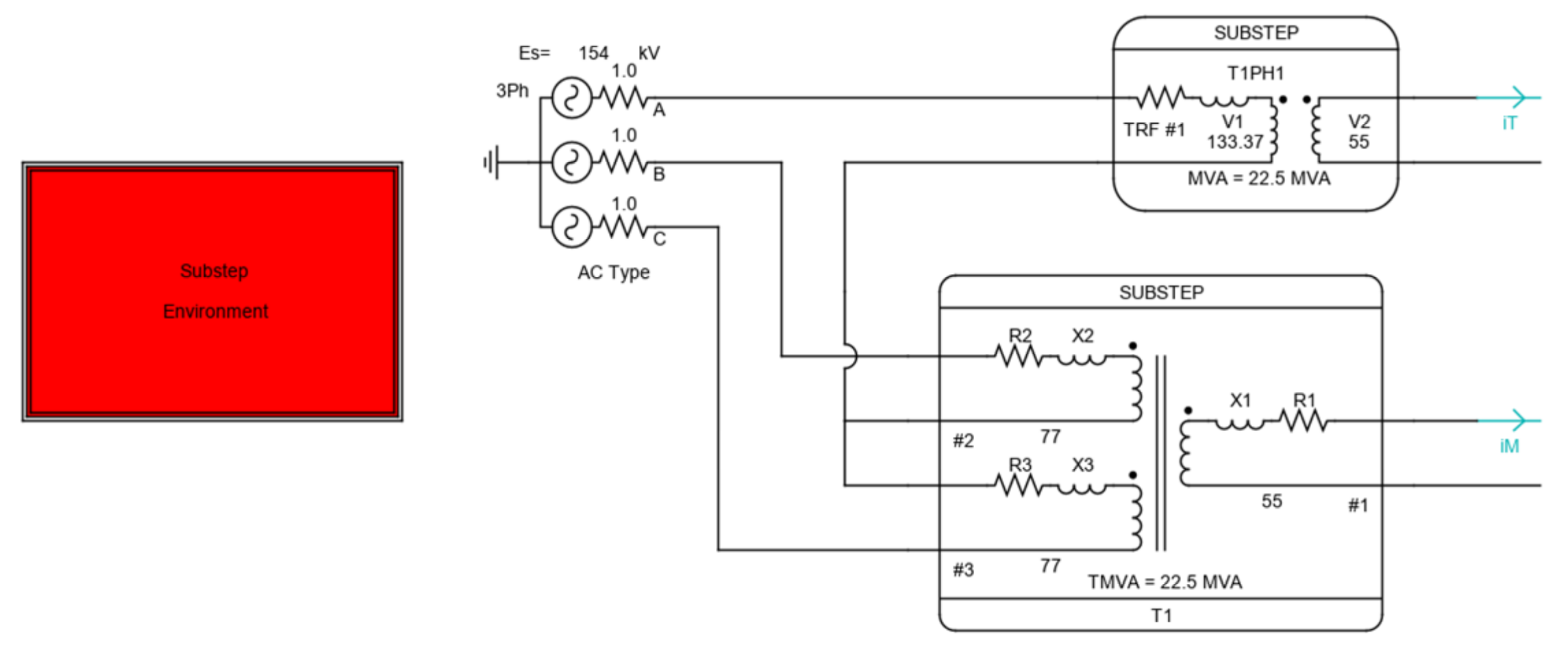
2.2. Scott Transformer Model for the Real-Time Simulator
3. Development of Scott Transformer with Electromagnetic Transients Program
3.1. Electromagnetic Transients Modeling
3.1.1. Matrix Representation for EMT Programs

3.1.2. Current Injection Model for Scott Transformer
3.2. Computational Load for Simulations of Electric Railway System
4. Simulation Results
4.1. Impedance Voltage Tests
4.2. Short-Circuit Tests
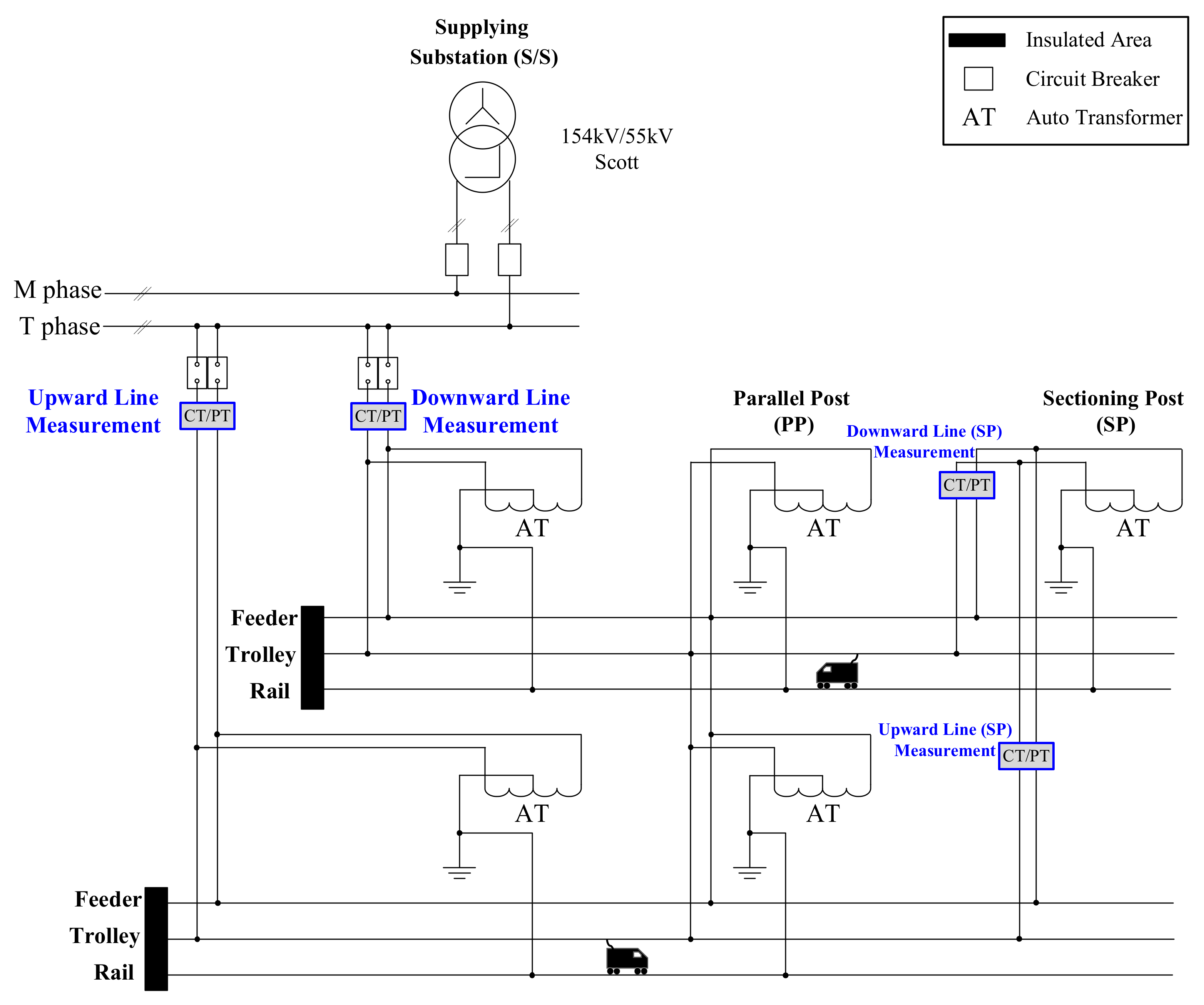
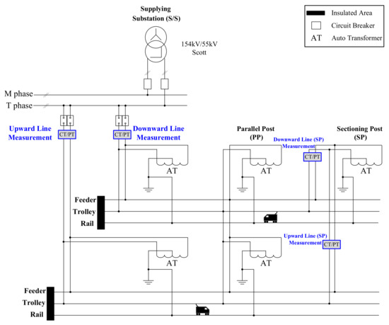
4.3. Case Study
5. Conclusions
Author Contributions
Funding
Institutional Review Board Statement
Informed Consent Statement
Data Availability Statement
Conflicts of Interest
References
- Lee, H.; Lee, C.; Jang, G.; Kwon, S. Harmonic Analysis of the Korean High-Speed Railway Using the Eight-Port Representation Model. IEEE Trans. Power Deliv. 2006, 21, 979–986. [Google Scholar] [CrossRef]
- Kneschke, T.A. Control of Utility System Unbalance Caused by Single-phase Electric Traction. IEEE Trans. Ind. Appl. 1985, 21, 1559–1570. [Google Scholar] [CrossRef]
- Huang, C.-P.; Wu, C.-J.; Chuang, Y.-S.; Peng, S.-K.; Yen, J.-L.; Han, M.-H. Loading Characteristics Analysis of Specially Connected Transformers Using Various Power Factor Definitions. IEEE Trans. Power Deliv. 2006, 21, 1406–1413. [Google Scholar] [CrossRef]
- Tanta, M.; Pinto, J.G.; Monteiro, V.; Martins, A.P.; Carvalho, A.S.; Afonso, J.L. Topologies and Operation Modes of Rail Power Conditioners in AC Traction Grids: Review and Comprehensive Comparison. Energies 2020, 13, 2151. [Google Scholar] [CrossRef]
- Mousavi Gazafrudi, S.M.; Tabakhpour Langerudy, A.; Fuchs, E.F.; Al-Haddad, K. Power Quality Issues in Railway Electrification: A Comprehensive Perspective. IEEE Trans. Ind. Electron. 2015, 62, 3081–3090. [Google Scholar] [CrossRef]
- Chen, S.-L.; Li, R.-J.; Hsi, P.-H. Traction System Unbalance Problem-Analysis Methodologies. IEEE Trans. Power Deliv. 2004, 19, 1877–1883. [Google Scholar] [CrossRef]
- Brenna, M.; Foiadelli, F.; Zaninelli, D. Electromagnetic Model of High Speed Railway Lines for Power Quality Studies. IEEE Trans. Power Syst. 2010, 25, 1301–1308. [Google Scholar] [CrossRef]
- Chymera, M.Z.; Renfrew, A.C.; Barnes, M.; Holden, J. Modeling Electrified Transit Systems. IEEE Trans. Veh. Technol. 2010, 59, 2748–2756. [Google Scholar] [CrossRef]
- Sainz, L.; Monjo, L.; Riera, S.; Pedra, J. Study of the Steinmetz Circuit Influence on ac Traction System Resonance. IEEE Trans. Power Deliv. 2012, 27, 2295–2303. [Google Scholar] [CrossRef]
- Guihua, H.; Weirong, C.; Yankun, L.; Yang, Z. Simulation of Traction Transformer Based on PSCAD/EMTDC. In Proceedings of the IEEE Power Engineering and Automation Conference, Wuhan, China, 8–9 September 2011; pp. 132–135. [Google Scholar]
- Chen, T.H. Simplified Models of Electric Substations for Three-Phase Power-Flow Studies. In Proceedings of the 1994 IEEE Industry Applications Society Annual Meeting, Denver, CO, USA, 2–6 October 1994; Volume 3, pp. 2245–2248. [Google Scholar]
- Langerudy, A.T.; Mariscotti, A.; Abolhassani, M.A. Power Quality Conditioning in Railway Electrification: A Comparative Study. IEEE Trans. Veh. Technol. 2017, 66, 6653–6662. [Google Scholar] [CrossRef]
- Li, M.; He, J.; Le, Y.; Bo, Z.Q.; Klimek, A. Developments in Digital Simulation of Traction Transformer. In Proceedings of the 43rd International Universities Power Engineering Conference, Padua, Italy, 1–4 September 2008; pp. 1–4. [Google Scholar]
- Dommel, E.W. Electromagnetic Transients Program (EMTP) Theory Book; Bonneville Power Administration: Portland, OH, USA, 1987.
- Shu, Z.; Xie, S.; Lu, K.; Zhao, Y.; Nan, X.; Qiu, D.; Zhou, F.; Gao, S.; Li, Q. Digital Detection, Control, and Distribution System for Co-Phase Traction Power Supply Application. IEEE Trans. Ind. Electron. 2013, 60, 1831–1839. [Google Scholar] [CrossRef]
- Busco, B.; Marino, P.; Porzio, M.; Schiavo, R.; Vasca, F. Digital Control and Simulation for Power Electronic Apparatus in Dual Voltage Railway Locomotive. IEEE Trans. Power Electron. 2003, 18, 1146–1157. [Google Scholar] [CrossRef]
- McLaren, P.G.; Kuél, R.; Wierckx, R.; Giesbrecht, J.; Arendt, L. A Real Time Digital Simulator for Testing Relays. IEEE Trans. Power Deliv. 1992, 7, 207–213. [Google Scholar] [CrossRef]
- Avalos, A.; Zamora, A.; Escamilla, O.; Paternina, M.R.A. Real-Time Hardware-In-the-Loop Implementation for Power Systems Protection. In Proceedings of the 2018 IEEE PES Transmission & Distribution Conference and Exhibition—Latin America (T&D-LA), Lima, Peru, 18–21 September 2018. [Google Scholar]
- Ho, J.-M.; Tsou, T.-L. The Effect Analysis and Simulation Test of Harmonics on Differential Protection of Scott Transformers. In Proceedings of the 2001 IEEE Porto Power Tech. Proceedings (Cat No. 01EX502), Porto, Portugal, 10–13 September 2001; p. 5. [Google Scholar]
- El-Sadek, M.Z. Static VAR Compensation for Phase Balancing and Power Factor Improvement of Single Phase Train Loads. Electr. Mach. Power Syst. 1998, 26, 347–361. [Google Scholar] [CrossRef]
- Wen-Shyan, C.; Jyh-Cherng, G. A New Hybrid SVC Scheme with Scott Transformer for Balance Improvement. In Proceedings of the Rail Conference, Atlanta, GA, USA, 4–6 April 2006; pp. 217–224. [Google Scholar]
- Wong, C.K.; Dai, N.Y.; Wong, M.C.; Lao, K.W. Hybrid Power Quality Conditioner for Co-Phase Power Supply System in Electrified Railway. IET Power Electron. 2012, 5, 1084–1094. [Google Scholar]
- Chen, B.K.; Guo, B.S. Three Phase Models of Specially Connected Transformers. IEEE Trans. Power Deliv. 1996, 11, 323–330. [Google Scholar] [CrossRef]
- Fukala, B.; Paleček, J. Comparison of Schemes of Traction Transformer Stations in Terms of Their Impact on the Asymmetry in the Power Supply System. In Proceedings of the 2014 15th International Scientific Conference on Electric Power Engineering (EPE), Brno-Bystrc, Czech Republic, 12–14 May 2014; pp. 207–210. [Google Scholar]
- Firat, G.; Yang, G.; Al-Ali, H.A.H. Comparative Study of Different Transformer Connections for Railway Power Supply Mitigation of Voltage Unbalance. In Proceedings of the IET Conference, Hong Kong, China, 8–12 November 2015. [Google Scholar]
- Santiyanon, D.; Hongesombut, K.; Srisonphan, S. Simulation on Voltage Unbalance Reduction in Railway Electrification System by Different Special Transformers. Procedia Comput. Sci. 2016, 86, 373–376. [Google Scholar] [CrossRef] [Green Version]
- Richardson, D.V. Rotating Electric Machinery and Transformer Technology; Reston Publishing Company: Reston, VA, USA, 1978; pp. 418–423. [Google Scholar]
- Kosow, I.L. Electric Machinery and Transformer; Prentice Hall: Upper Saddle River, NJ, USA, 1991; pp. 559–562. [Google Scholar]
- Brittain, J.C.; Scott, C.F. A Pioneer in Electrical Power Engineering. IEEE Ind. Appl. Mag. 2002, 8, 6–8. [Google Scholar] [CrossRef]
- Aihara, Y.; Miyazawa, R.; Koizumi, H. A Study on the Effect of the Scott Transformer on the Three-Phase Unbalance in Distribution Network with Single-Phase Generators. In Proceedings of the 3rd IEEE International Symposium on Power Electronics for Distributed Generation Systems (PEDG), Aalborg, Denmark, 25–28 June 2012; pp. 283–290. [Google Scholar]
- Watson, N.; Arrillaga, J. Power Systems Electromagnetic Transients Simulation; IET: Stevenage, UK, 2003. [Google Scholar]


















| M-Phase | T-Phase | |
|---|---|---|
| Transformer percent impedance setting | 12.5% | |
| Impedance voltage | 13.08 kV (8.49%) | 11.75 kV (11.36%) |
| Parameter | Value |
|---|---|
| Transformer rating | 45 MVA |
| Rated voltage | 154 kV/55 kV |
| T-side leakage reactance (Single-phase transformer) | 12.5% |
| T-side resistance | 0.2% |
| M-side leakage reactance (Single-phase 3-winding transformer) | 12.5% |
| M-side resistance | 0.2% |
| Certified Test Result | Results with the Proposed Model | |
|---|---|---|
| Impedance voltage | 19.25 kV | 19.25 kV |
| M-phase current (RMS) | 0.4090 kA | 0.4089 kA |
| T-phase current (RMS) | 0.4090 kA | 0.4091 kA |
| HV side current (RMS) | 0.1687 kA | 0.1688 kA |
| Certified Test Result | Using Proposed Model | Error | |
|---|---|---|---|
| Voltage | 55 kV | 55 kV | |
| Current (RMS) | 3.178 kA | 3.174 kA | 0.12% |
| Current (Peak) | 8.104 kA | 8.125 kA | −0.25% |
| Certified Test Result | Using Proposed Model | Error | |
|---|---|---|---|
| Voltage | 55 kV | 55 kV | |
| Current (RMS) | 3.125 kA | 3.125 kA | 0.001% |
| Current (Peak) | 7.969 kA | 7.967 kA | 0.002% |
| Parameter | Value | ||
|---|---|---|---|
| Utility-side equivalent impedance | Positive sequence: Z1 = 0.106 + j1.195% Zero sequence: Z0 = 0.73 + j3.033% | at 100 MVA Base | |
| Scott transformer | 45 MVA 154 kV/55 kV %Z = 10.0% | ||
| Auto transformer | 55 kV/27.5 kV Z = j0.45 Ω | ||
| Catenary impedance | Trolley Rail Feeder | 0.0088 + j0.245 Ω/km 0.03 + j0.081 Ω/km 0.106 + j0.35 Ω/km | |
| Catenary admittance | Trolley Rail Feeder | 0.0021 + j0.0065 mS/km 0.0026 + j0.0069 mS/km 0.0008 + j0.0038 mS/km | |
| Section distance | S/S to PP PP to SP | 8.32 km 8.42 km | |
| S/S | SP | |||||||
|---|---|---|---|---|---|---|---|---|
| Time 6:14:03 AM | Upward Line Voltage (kV) | Downward Line Voltage (kV) | Upward Line Current (kA) | Downward Line Current (kA) | Upward Line Power (MW) | Downward Line Power (MW) | Upward Line Voltage (kV) | Downward Line Voltage (kV) |
| Actual Measurement | 48.552 | 48.570 | 0.3501 | 0.3520 | 16.5850 | 16.6245 | 47.3179 | 47.3215 |
| Substep Model | 49.22 | 49.22 | 0.3528 | 0.3549 | 16.74 | 16.78 | 48.03 | 48.03 |
| Proposed Model | 49.11 | 49.11 | 0.352 | 0.3541 | 16.67 | 16.70 | 47.92 | 47.92 |
| Library Model | 52.75 | 52.75 | 0.3781 | 0.3803 | 19.22 | 19.26 | 51.46 | 51.46 |
Publisher’s Note: MDPI stays neutral with regard to jurisdictional claims in published maps and institutional affiliations. |
© 2021 by the authors. Licensee MDPI, Basel, Switzerland. This article is an open access article distributed under the terms and conditions of the Creative Commons Attribution (CC BY) license (https://creativecommons.org/licenses/by/4.0/).
Share and Cite
Lee, C.; Cho, G.-J.; Kim, J. Development of Scott Transformer Model in Electromagnetic Transients Programs for Real-Time Simulations. Appl. Sci. 2021, 11, 5752. https://doi.org/10.3390/app11125752
Lee C, Cho G-J, Kim J. Development of Scott Transformer Model in Electromagnetic Transients Programs for Real-Time Simulations. Applied Sciences. 2021; 11(12):5752. https://doi.org/10.3390/app11125752
Chicago/Turabian StyleLee, Choongman, Gyu-Jung Cho, and Joorak Kim. 2021. "Development of Scott Transformer Model in Electromagnetic Transients Programs for Real-Time Simulations" Applied Sciences 11, no. 12: 5752. https://doi.org/10.3390/app11125752
APA StyleLee, C., Cho, G.-J., & Kim, J. (2021). Development of Scott Transformer Model in Electromagnetic Transients Programs for Real-Time Simulations. Applied Sciences, 11(12), 5752. https://doi.org/10.3390/app11125752

