Case Study of Power Plants in the Slovak Republic and Construction of Microgrid and Smart Grid
Abstract
1. Introduction
Literature Overview
2. Current Situation in Slovakia
3. Microgrid
- On-grid microgrid obtains a battery-free system that is connected to the public power grid. Any excess solar energy they produce is provided in the power grid. The primary disadvantage of this structure is that they fail to operate during a blackout [26].
- Off-grid microgrids typically provide power for remote villages, industrial operations, and military bases. These usually have a very high cost of generation as they are totally dependent on diesel fuel and may face logistical challenges in fuel delivery. We can also use photovoltaic panels with battery systems, but in this case, we have certain performance limitations [26].
- Hybrid microgrids can be disconnected from the grid to operate autonomously, ensuring continuity of power supply in the case of an outage. This approach is common in locations where the grid can be unreliable, such as storm-prone or mountainous areas. As shown in Figure 6 system takes advantage of both previous systems.
Examples of Application of Microgrid Systems
4. Modeling RES in MATLAB/Simulink
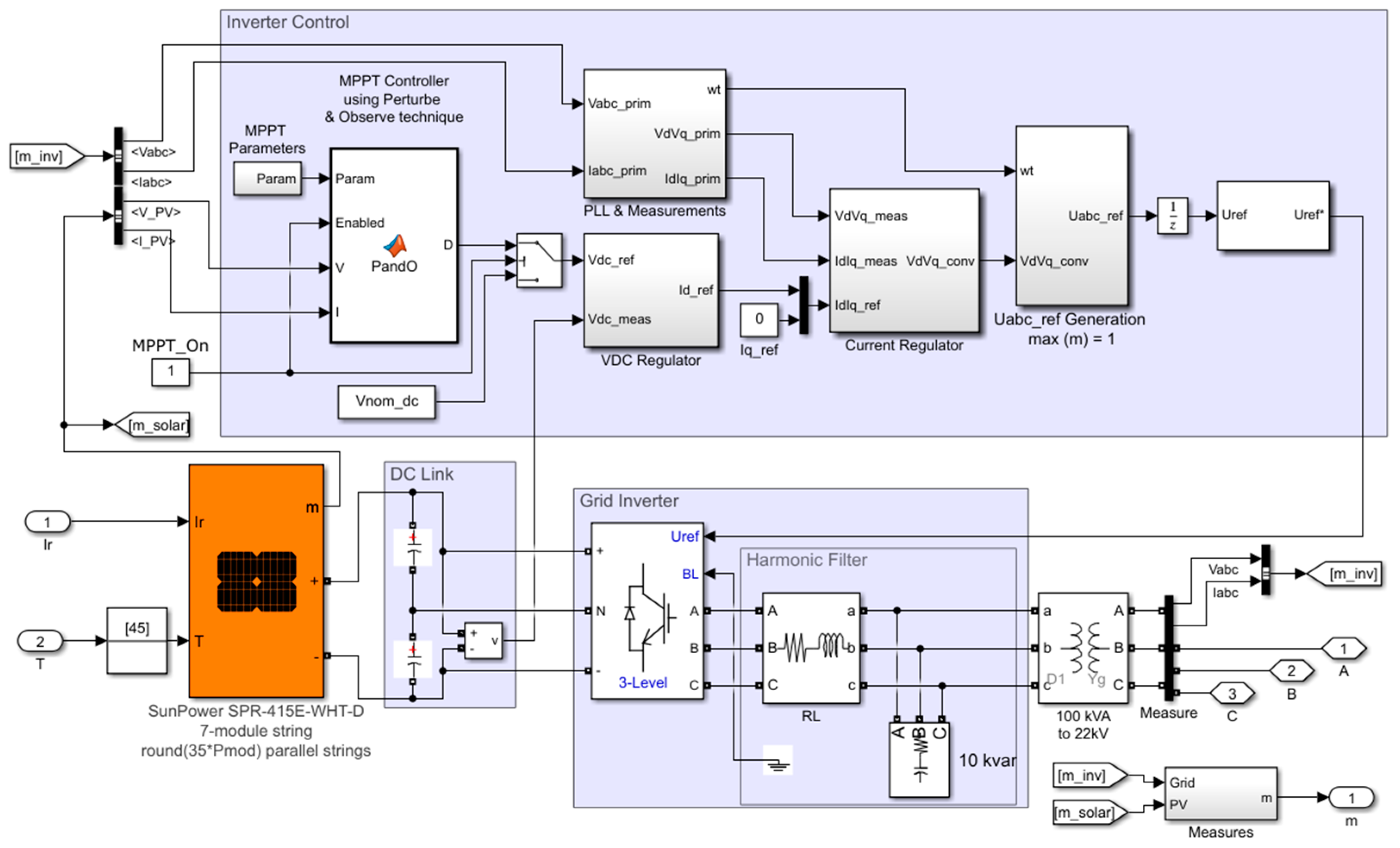
4.1. Model of Photovoltaic Station
4.2. Model of Diesel Generator
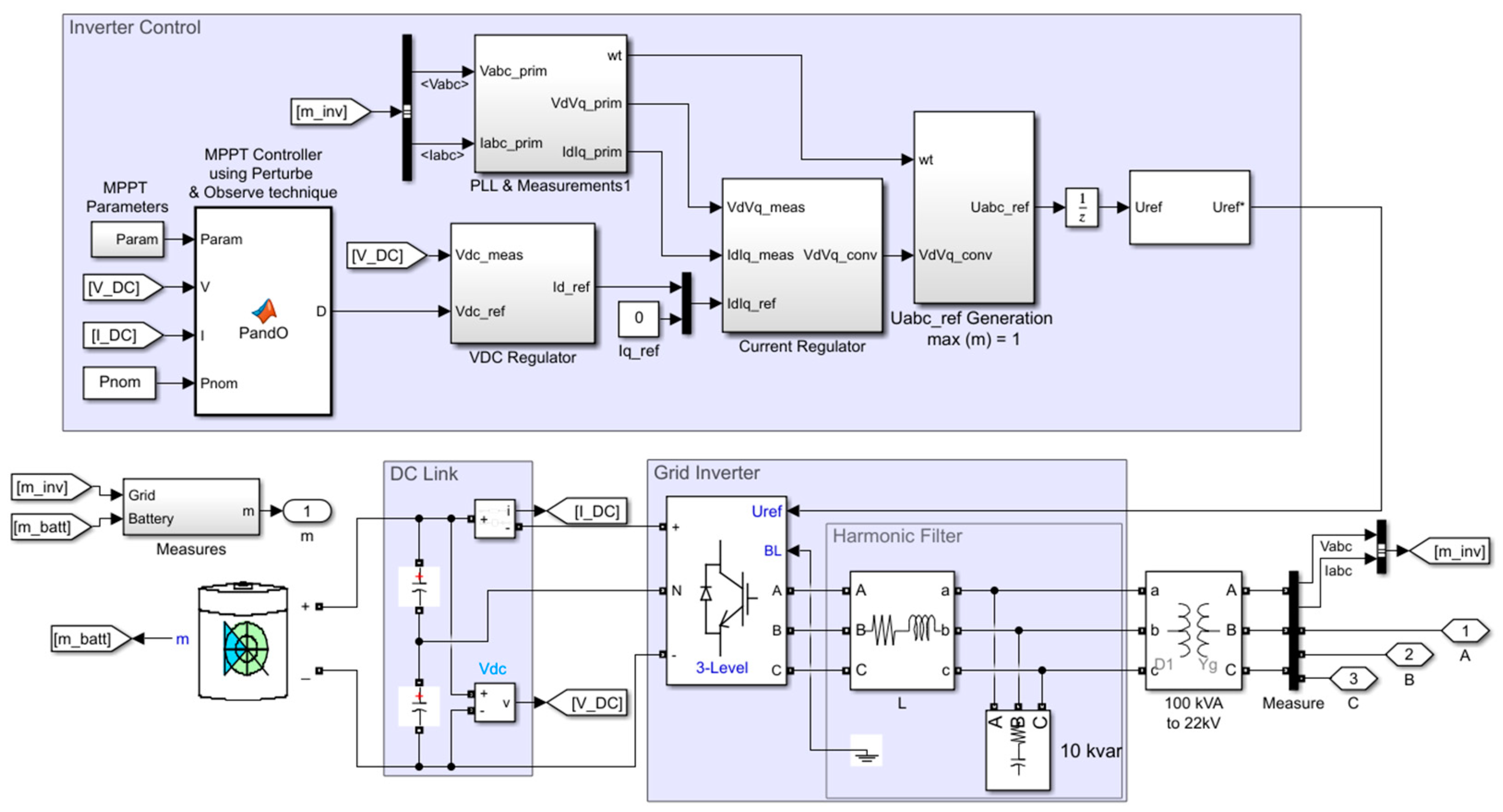
4.3. Model of Battery Energy Storage System
4.4. Model of Thermal Power Plant
4.5. Model of Hydropower Plant
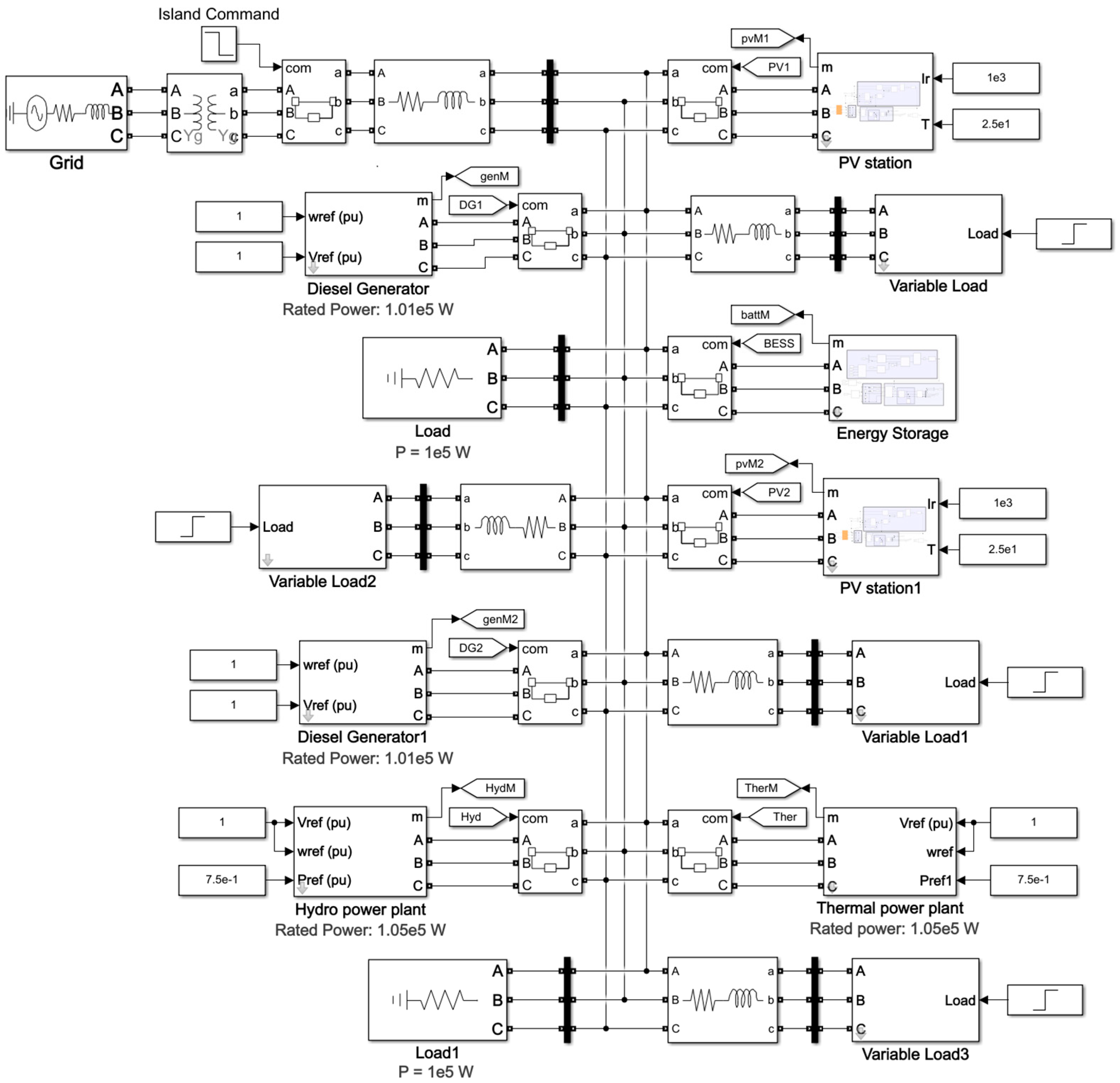
4.6. Modeled Scheme of Simulink
5. Simulation Results
5.1. Model of Photovoltaic Station
5.2. Model of Diesel Generator
5.3. Model of Battery Energy Storage System
5.4. Model of Thermal Power Plant
5.5. Model of Hydropower Plant
6. Analysis of Results and Design of a Protected System
6.1. Analysis of Results of Testing Models
Microgrid Model
6.2. Design of a Protection System
7. Discussion
8. Conclusions
Author Contributions
Funding
Institutional Review Board Statement
Informed Consent Statement
Data Availability Statement
Conflicts of Interest
References
- Ng, C.H.; Logenthiran, T.; Woo, W.L. Intelligent distributed smart grid network—Reconfiguration. In Proceedings of the 2015 IEEE Innovative Smart Grid Technologies-Asia (ISGT ASIA), Bangkok, Thailand, 3–6 November 2015; pp. 1–6. [Google Scholar] [CrossRef]
- Štefko, R. Protection System for Microgrid and Smart Grid Systems; SCYR: Košice, Slovakia, 2021; pp. 23–26. ISBN 978-80-553-3904-7. [Google Scholar]
- Jin, X.; Zhang, Y.; Wang, X. Strategy and coordinated development of strong and smart grid. In IEEE PES Innovative Smart Grid Technologies; Institute of Electrical and Electronics Engineers (IEEE): Tianjin, China, 2012; pp. 1–4. [Google Scholar]
- Che, L.; Khodayar, M.E.; Shahidehpour, M. Adaptive Protection System for Microgrids: Protection practices of a functional microgrid system. IEEE Electrif. Mag. 2014, 2, 66–80. [Google Scholar] [CrossRef]
- Aryblia, R.M.; Bertram, A.; Bolle, A.; Corovessi, F.; Dembski, D.; Fouquet, P.; Giňová, K.; Księżopolski, N.; Mantzaris, J.; Ondřich, J.; et al. Facts and Figures about Renewables in Europe. In Energy Atlas; Heinrich Böll Foundation, Berlin, Germany, Friends of the Earth Europe, Brussels, Belgium, European Renewable Energies Federation, Brussels, BelgiumGreen European Foundation, Luxembour, 2018. Available online: https://gef.eu/wp-content/uploads/2018/04/energyatlas2018_facts-and-figures-renewables-europe.pdf (accessed on 3 April 2021).
- Kharrich, M.; Kamel, S.; Alghamdi, A.; Eid, A.; Mosaad, M.; Akherraz, M.; Abdel-Akher, M. Optimal Design of an Isolated Hybrid Microgrid for Enhanced Deployment of Renewable Energy Sources in Saudi Arabia. Sustainability 2021, 13, 4708. [Google Scholar] [CrossRef]
- Choi, Y.-J.; Oh, B.-C.; Acquah, M.; Kim, D.-M.; Kim, S.-Y. Optimal Operation of a Hybrid Power System as an Island Microgrid in South-Korea. Sustainability 2021, 13, 5022. [Google Scholar] [CrossRef]
- Rosa, C.D.O.C.S.; Costa, K.A.; Christo, E.D.S.; Bertahone, P.B. Complementarity of Hydro, Photovoltaic, and Wind Power in Rio de Janeiro State. Sustainability 2017, 9, 1130. [Google Scholar] [CrossRef]
- Latif, S.A.; Chiong, M.; Rajoo, S.; Takada, A.; Chun, Y.-Y.; Tahara, K.; Ikegami, Y. The Trend and Status of Energy Resources and Greenhouse Gas Emissions in the Malaysia Power Generation Mix. Energies 2021, 14, 2200. [Google Scholar] [CrossRef]
- Puspitarini, H.D.; François, B.; Baratieri, M.; Brown, C.; Zaramella, M.; Borga, M. Complementarity between Combined Heat and Power Systems, Solar PV and Hydropower at a District Level: Sensitivity to Climate Characteristics along an Alpine Transect. Energies 2020, 13, 4156. [Google Scholar] [CrossRef]
- Pereira, J.; Ferreira, R.A.; Sousa, J.A.M.; Lagarto, J.; Martins, A.; Martins, A. Optimizing the renewable generation mix in the Portuguese power system based on temporal and spatial diversity. In Proceedings of the 11th International Conference on the European Energy Market (EEM14), Krakow, Poland, 28–30 May 2014; pp. 1–5. [Google Scholar]
- Nath, A.; Barua, S.; Mohammad, N. Electric Power Generation-Mix for Bangladesh and Its Future. In Proceedings of the 2019 International Conference on Electrical, Computer and Communication Engineering (ECCE), Cox’sBazar, Bangladesh, 7–9 February 2019; pp. 1–4. [Google Scholar]
- Ahmed, A.; Jiang, T. Operation Management of Power Grid System with Renewable Energy Sources and Energy Storage System Integrations. In Proceedings of the 2018 2nd IEEE Conference on Energy Internet and Energy System Integration (EI2), Beijing, China, 20–22 October 2018; pp. 1–6. [Google Scholar]
- Kadar, P. Power mix optimization on risk base. In Proceedings of the 2015 18th International Conference on Intelligent System Application to Power Systems (ISAP), Porto, Portugal, 11–16 September 2015; pp. 1–5. [Google Scholar]
- Hamedi, K.; Sadeghi, S.; Esfandi, S.; Azimian, M.; Golmohamadi, H. Eco-Emission Analysis of Multi-Carrier Microgrid Integrated with Compressed Air and Power-to-Gas Energy Storage Technologies. Sustainability 2021, 13, 4681. [Google Scholar] [CrossRef]
- Muriithi, G.; Chowdhury, S. Optimal Energy Management of a Grid-Tied Solar PV-Battery Microgrid: A Reinforcement Learning Approach. Energies 2021, 14, 2700. [Google Scholar] [CrossRef]
- Slovak Electricity Transmission System. “Ročenka SED 2019”, in SEPSAS. 2019. Available online: https://www.sepsas.sk/media/4171/rocenka-sed-2019-1.pdf (accessed on 3 March 2021).
- Slovak Electricity Transmission System. “Grid Maps”, in SEPSAS. Available online: https://www.sepsas.sk/en_SchemaSiete.asp?kod=107 (accessed on 3 March 2021).
- Slovak Power Plants. “Typy Elektrární”, in SEAS. Available online: https://www.seas.sk/typy-elektrarni (accessed on 3 May 2021).
- Slovak Power Plants. “Cenové Rozhodnutia ÚRSO”, in SEAS. Available online: https://www.seas.sk/cenove-rozhodnutia-urso (accessed on 3 March 2021).
- Redaction. “Vodné Elektrárne v SR”, in Energie-Portal. 2016. Available online: https://www.energie-portal.sk/Dokument/vodne-elektrarne-v-sr-100207.aspx (accessed on 3 March 2021).
- Redaction. “Bioplynové Stanice v SR”, in Energie-Portal. 2014. Available online: https://www.energie-portal.sk/Dokument/bioplynove-stanice-v-sr-100191.aspx (accessed on 3 March 2021).
- Redaction. “Fotovoltické Elektrárne v SR”, in Energie-Portal. 2014. Available online: https://www.energie-portal.sk/Dokument/fotovolticke-elektrarne-v-sr-100461.aspx (accessed on 3 March 2021).
- Slovak Renewable Energy Agency, “Obnoviteľné Zdroje Energie”. Available online: http://skrea.sk/obnovitelne-zdroje-energie/ (accessed on 3 March 2021).
- “Estrategie”, in Umweltbundesamt. 2013. Available online: https://www.umweltbundesamt.at/fileadmin/site/themen/energie/kernenergie/verfahren/slowakei/sk_estrategie2013/priloha15.pdf (accessed on 3 March 2021).
- McDowall, J. “Taking Microgrids to the Next Level with Li-ion Energy Storage”, in Altenergymag.2018. Available online: https://www.altenergymag.com/article/2018/03/taking-microgrids-to-the-next-level-with-li-ion-energy-storage/28049 (accessed on 3 March 2021).
- Pasqua, C. “Saft Enables Microgrid to Harness the Midnight Sun for Arctic Circle community”, in Saft, France. Article-Number: No 21959-1216-2. 2016. Available online: https://www.saftbatteries.com/case-studies/saft-enables-microgrid-harness-midnight-sun-arctic-circle-community-0 (accessed on 3 March 2021).
- The World Bank. “Global Solar Atlas 2.0”, Solar Resource Data: Solargis. 2019. Available online: https://solargis.com/maps-and-gis-data/download/slovakia (accessed on 4 March 2021).































| Energy Source | Western Slovakia | Middle Slovakia | Eastern Slovakia |
|---|---|---|---|
| Nuclear | 1950 MW | 0 MW | 0 MW |
| Hydro | 1166.2 MW | 1289.98 MW | 111.19 MW |
| Hard coal | 0 MW | 0 MW | 220 MW |
| Lignite | 220 MW | 81.77 MW | 0 MW |
| Natural gas | 903.3 MW | 18.9 MW | 170.5 MW |
| Oil | 45.9 MW | 32 MW | 0.72 MW |
| Mix fuels | 46 MW | 35 MW | 320.5 MW |
| Solar | 130.39 MW | 231.32 MW | 128.54 MW |
| Biomass | 43.67 MW | 56.78 MW | 52.39 MW |
| Biofuel | 44.41 MW | 33.65 MW | 24.82 MW |
| Wind | 3.14 MW | 0 MW | 0 MW |
| Other RES | 4.66 MW | 0 MW | 0 MW |
| Other | 6.3 MW | 0 MW | 6 MW |
| Total | 4563.46 MW | 1779.39 MW | 1034.66 MW |
Publisher’s Note: MDPI stays neutral with regard to jurisdictional claims in published maps and institutional affiliations. |
© 2021 by the authors. Licensee MDPI, Basel, Switzerland. This article is an open access article distributed under the terms and conditions of the Creative Commons Attribution (CC BY) license (https://creativecommons.org/licenses/by/4.0/).
Share and Cite
Štefko, R.; Čonka, Z.; Kolcun, M. Case Study of Power Plants in the Slovak Republic and Construction of Microgrid and Smart Grid. Appl. Sci. 2021, 11, 5252. https://doi.org/10.3390/app11115252
Štefko R, Čonka Z, Kolcun M. Case Study of Power Plants in the Slovak Republic and Construction of Microgrid and Smart Grid. Applied Sciences. 2021; 11(11):5252. https://doi.org/10.3390/app11115252
Chicago/Turabian StyleŠtefko, Róbert, Zsolt Čonka, and Michal Kolcun. 2021. "Case Study of Power Plants in the Slovak Republic and Construction of Microgrid and Smart Grid" Applied Sciences 11, no. 11: 5252. https://doi.org/10.3390/app11115252
APA StyleŠtefko, R., Čonka, Z., & Kolcun, M. (2021). Case Study of Power Plants in the Slovak Republic and Construction of Microgrid and Smart Grid. Applied Sciences, 11(11), 5252. https://doi.org/10.3390/app11115252

