Neutral-Point Voltage Balance Control of Three-Level Converter Based on Selection Method of Dynamical Adjustment for Small Voltage Vector
Abstract
:1. Introduction
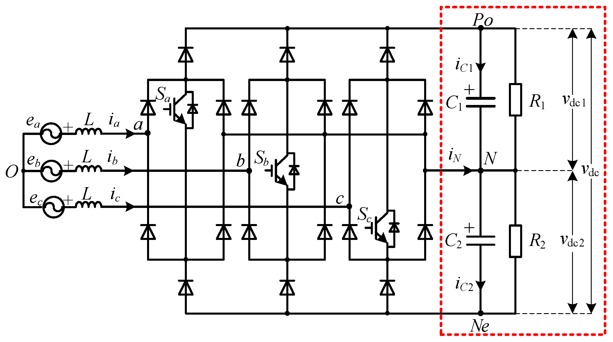
2. Analysis of Unbalanced NPV
2.1. Causes of Unbalanced NPV
2.2. Effect of Different Voltage Vectors on NPV
3. Strategy for NPV Balance Control Based on Selection Method of Dynamical Adjustment for Small-Voltage Vector
3.1. Basic Principles
3.2. Applicability under Different Modulation Degree
4. Simulation and Experimental Verification
4.1. Simulation and Verification
4.2. Experimental Verification
5. Conclusions
Author Contributions
Funding
Institutional Review Board Statement
Informed Consent Statement
Data Availability Statement
Conflicts of Interest
References
- Jain, A.; Khatri, N.; Shrivastav, P.; Mahor, A. THD analysis of cascaded H-bridge multilevel inverters in fuel cell applications. In Proceedings of the 2015 International Conference on Computer, Communication and Control (IC4), Indore, Indian, 10–12 September 2015; pp. 1–6. [Google Scholar]
- Li, J. Design and Control Optimisation of a Novel Bypass-embedded Multilevel Multicell Inverter for Hybrid Electric Vehicle Drives. In Proceedings of the 2020 IEEE 11th International Symposium on Power Electronics for Distributed Generation Systems (PEDG), Dubrovnik, Croatia, 28 September–1 October 2020; pp. 382–385. [Google Scholar]
- Li, J. Hybrid Propulsion Motor Drives Model based on Multi-level Inverters with Optimised Fuel Economy. In Proceedings of the 2020 IEEE Vehicle Power and Propulsion Conference (VPPC), Gijon, Spain, 8 November–16 December 2020; pp. 1–5. [Google Scholar] [CrossRef]
- Awal, M.A.; Bipu MR, H.; Montes, O.A.; Feng, H.; Husain, I.; Yu, W.; Lukic, S. Capacitor voltage balancing for neutral point clamped dual active bridge converters. IEEE Trans. Power Electron. 2020, 35, 11267–11276. [Google Scholar] [CrossRef]
- Peng, H.; Yuan, Z.; Zhao, X.; Narayanasamy, B.; Deshpande, A.; Emon, A.I.; Luo, F.; Chen, C. Improved space vector modulation for neutral-point balancing control in hybrid-switch-based T-type neutral-point-clamped inverters with loss and common-mode voltage reduction. Cpss Trans. Power Electron. Appl. 2019, 4, 328–338. [Google Scholar] [CrossRef]
- Cho, J.-H.; Ku, N.-J.; Han, J.-T.; Kim, R.; Hyun, D.-S. A simple control method for neutral-point voltage oscillation reduction of three-level Neutral-Point-Clamped inverter. In Proceedings of the IECON 2013—39th Annual Conference of the IEEE Industrial Electronics Society, Vienna, Austria, 10–13 November 2013; pp. 304–309. [Google Scholar] [CrossRef]
- Li, K.; Wei, M.; Xie, C.; Deng, F.; Guerrero, J.M.; Vasquez, J.C. A generalized discontinuous PWM based neutral point voltage balancing method for three-level NPC voltage source inverter with switching losses reduction. In Proceedings of the 2017 IEEE Applied Power Electronics Conference and Exposition (APEC), Tampa, FL, USA, 26–30 March 2017; pp. 1816–1820. [Google Scholar]
- Aly, M.; Mayoega, N.; Lior, A.M. A simplified SVPWM method for neutral point voltage control and common mode voltage reduction in three-level qZS T-type PV inverters. In Proceedings of the 2020 IEEE International Conference on Industrial Technology (ICIT), Buenos Aires, Argentina, 26–28 February 2020; pp. 1015–1020. [Google Scholar]
- Choi, U.M.; Lee, J.S.; Lee, K.B. New modulation strategy to balance the neutral-point voltage for three-level neutral-clamped inverter systems. IEEE Trans. Energy Convers. 2014, 29, 91–100. [Google Scholar] [CrossRef]
- Choi, U.M.; Jeong, H.G.; Lee, K.B.; Blaabjerg, F. Method for detecting an open-switch fault in a grid-connected NPC inverter system. IEEE Trans. Power Electron. 2012, 27, 2726–2739. [Google Scholar] [CrossRef]
- Wang, K.; Zheng, Z.; Xu, L.; Li, Y. Topology and control of a five-level hybrid-clamped converter for medium-voltage high-power conversions. IEEE Trans. Power Electron. 2018, 33, 4690–4702. [Google Scholar] [CrossRef]
- Tian, K.; Wu, B.; Narimani, M.; Xu, D.; Cheng, Z.; Zargari, N.R. A capacitor voltage-balancing method for nested neutral point clamped (NNPC) inverter. IEEE Trans. Power Electron. 2016, 31, 2575–2583. [Google Scholar] [CrossRef]
- Omri, B. Software method versus hardware method to balance capacitors voltages for three level NPC converter. In Proceedings of the 2017 International Conference on Green Energy Conversion Systems (GECS), Hammamet, Tunisia, 23–25 March 2017; pp. 1–4. [Google Scholar] [CrossRef]
- Zhang, H.; Zheng, W.; Yu, Y.; Li, H. A Hybrid discontinuous PWM neutral point balance method based on zero-sequence component for three-level NPC converter. In Proceedings of the 2019 22nd International Conference on Electrical Machines and Systems (ICEMS), Harbin, China, 11–14 August 2019; pp. 1–5. [Google Scholar] [CrossRef]
- Wu, X.; Tan, G.; Ye, Z.; Yao, G.; Liu, Z.; Liu, G. Virtual-space-vector PWM for a three-level neutral-point-clamped inverter with unbalanced DC-Links. IEEE Trans. Power Electron. 2018, 3, 2630–2642. [Google Scholar] [CrossRef]
- Xiang, C.; Shu, C.; Han, D.; Mao, B.; Wu, X.; Yu, T. Improved Virtual Space Vector Modulation for Three-Level Neutral-Point-Clamped Converter With Feedback of Neutral-Point Voltage. IEEE Trans. Power Electron. 2018, 33, 5452–5464. [Google Scholar] [CrossRef]
- Jiang, W.; Wang, P.; Ma, M.; Wang, J.; Li, J.; Li, L.; Chen, K. A Novel Virtual Space Vector Modulation With Reduced Common-Mode Voltage and Eliminated Neutral Point Voltage Oscillation for Neutral Point Clamped Three-Level Inverter. IEEE Trans. Ind. Electron. 2020, 67, 884–894. [Google Scholar] [CrossRef]
- Shen, J.; Schrüder, S.; Roesner, R. A neutral-point balancing controller for a three-level inverter with full power-factor range and low distortion. IEEE Trans. Ind. Appl. 2013, 49, 138–148. [Google Scholar] [CrossRef]
- Do, H.D.; Anuchin, A. An improved SVPWM strategy for three-level neutral point clamped converter capacitor voltage balancing. In Proceedings of the 2020 27th International Workshop on Electric Drives: MPEI Department of Electric Drives 90th Anniversary (IWED), Moscow, Russia, 27–30 January 2020; pp. 1–6. [Google Scholar]
- Chen, H.; Wu, P.; Lee, C.; Wang, C.; Yang, C.; Cheng, P. Zero-Sequence Voltage Injection for DC Capacitor Voltage Balancing Control of the Star-Connected Cascaded H-Bridge PWM Converter Under Unbalanced Grid. IEEE Trans. Ind. Appl. 2015, 51, 4584–4594. [Google Scholar] [CrossRef]
- Chen, F.; Qiao, W.; Wang, H.; Qu, L. A Simple Zero-Sequence Voltage Injection Method for Carrier-Based Pulse-Width Modulation of the Three-Level NPC Inverter. IEEE J. Emerg. Sel. Top. Power Electron. 2020. [Google Scholar] [CrossRef]
- Zhou, X.; Lu, S. A simple zero-sequence voltage injection method to balance the neutral-point potential for three-level NPC inverters. In Proceedings of the 2018 IEEE Applied Power Electronics Conference and Exposition (APEC), San Antonio, TX, USA, 4–8 March 2018; pp. 2471–2475. [Google Scholar] [CrossRef]
- Zhang, X.; Wu, X.; Geng, C.; Ping, X.; Chen, S.; Zhang, H. An improved simplified PWM for three-level neutral point clamped inverter based on two-level common-mode voltage reduction PWM. IEEE Trans. Power Electron. 2020, 35, 11143–11154. [Google Scholar] [CrossRef]














| Zero Voltage Vector | iN | Large Voltage Vector | iN | Medium Voltage Vector | iN | Small Positive Voltage Vector | iN | Small Negative Voltage Vector | iN |
|---|---|---|---|---|---|---|---|---|---|
| OOO | 0 | PNN | 0 | OPN | ia | ONN | ia | POO | −ia |
| PPN | PON | ib | POP | ib | ONO | −ib | |||
| NPN | NPO | ic | NNO | ic | OOP | −ic | |||
| NPP | ONP | ia | OPP | ia | NOO | −ia | |||
| NNP | NOP | ib | NON | ib | OPO | −ib | |||
| PNP | PNO | ic | PPO | ic | OON | −ic |
| Category | NPV Control Requirements | k | k1 | k2 |
|---|---|---|---|---|
| ∆vdc– < ∆vdc < –∆vdc+ | Not required | 0 | 1 | 0 |
| ∆vdc > ∆vdc+ | Required | 1 | 0 | 1 |
| ∆vdc < ∆vdc | Required | −1 | 0 | 0 |
| Control Methods | Input Power P∑I (W) | Output Power P∑O (W) | Efficiency η | THD | Power Factor | Cost | Complexity |
|---|---|---|---|---|---|---|---|
| ZSV-J | 5339 | 5020 | 94.02% | 3.32% | 0.9901 | Low | Need design or adjust regulator parameters |
| Proposed strategy | 5282 | 5022 | 95.08% | 2.61% | 0.9919 | Low | Need logic operations |
Publisher’s Note: MDPI stays neutral with regard to jurisdictional claims in published maps and institutional affiliations. |
© 2021 by the authors. Licensee MDPI, Basel, Switzerland. This article is an open access article distributed under the terms and conditions of the Creative Commons Attribution (CC BY) license (https://creativecommons.org/licenses/by/4.0/).
Share and Cite
Zhao, H.; Li, Y.; Lin, F.; Yan, Y. Neutral-Point Voltage Balance Control of Three-Level Converter Based on Selection Method of Dynamical Adjustment for Small Voltage Vector. Appl. Sci. 2021, 11, 5076. https://doi.org/10.3390/app11115076
Zhao H, Li Y, Lin F, Yan Y. Neutral-Point Voltage Balance Control of Three-Level Converter Based on Selection Method of Dynamical Adjustment for Small Voltage Vector. Applied Sciences. 2021; 11(11):5076. https://doi.org/10.3390/app11115076
Chicago/Turabian StyleZhao, Hongyan, Yan Li, Fei Lin, and Yian Yan. 2021. "Neutral-Point Voltage Balance Control of Three-Level Converter Based on Selection Method of Dynamical Adjustment for Small Voltage Vector" Applied Sciences 11, no. 11: 5076. https://doi.org/10.3390/app11115076
APA StyleZhao, H., Li, Y., Lin, F., & Yan, Y. (2021). Neutral-Point Voltage Balance Control of Three-Level Converter Based on Selection Method of Dynamical Adjustment for Small Voltage Vector. Applied Sciences, 11(11), 5076. https://doi.org/10.3390/app11115076

