Next Article in Journal
iPlus a User-Centered Methodology for Serious Games Design
Previous Article in Journal
Sign Language Recognition Using Two-Stream Convolutional Neural Networks with Wi-Fi Signals
 
 
Font Type:
Arial Georgia Verdana
Font Size:
Aa Aa Aa
Line Spacing:
Column Width:
Background:
Article

Simultaneous Load Disturbance Estimation and Speed Control for Permanent Magnet Synchronous Motors in Full Speed Range

1
College of Automation, Chongqing University, Chongqing 400044, China
2
Chongqing Chuanyi Automation Co., Ltd., Chongqing 401121, China
3
College of Traffic and Transportation, Chongqing Jiaotong University, Chongqing 400074, China
*
Author to whom correspondence should be addressed.
Appl. Sci. 2020, 10(24), 9006; https://doi.org/10.3390/app10249006
Submission received: 18 November 2020 / Revised: 11 December 2020 / Accepted: 15 December 2020 / Published: 16 December 2020

Abstract

Permanent magnet synchronous motors (PMSM), which are with the advantages of high torque-to-weight ratio and high efficiency, are widely applied in modern industrial systems. However, existing approaches may fail to accurately track the speed trajectory because of the load disturbances. This paper proposes an equivalent and combined control strategy to mitigate the slow time-varying load disturbances and decrease the overshoot for PMSM in full speed range. First, a state observer is proposed to reconstruct the current variables and speed state in the d-q axis. Hence, one can get the speed and position information without the sensors. Then, the disturbance and the load are estimated by the estimating law. Thus, it can reduce the effect of load and disturbances. Further, the PD control is introduced to weaken the overshoot. As a result, the speed trajectory can be more effectively hold both in high speed and low speed. Finally, numerical examples are presented to demonstrate the validity and effectiveness of the proposed estimation scheme and its robustness under different conditions.

1. Introduction

Permanent magnet synchronous motors (PMSM) have been widely used in the fields of electric vehicle drive system, robot, aerospace, intelligent manufacture, and other fields because of the advantages of excellent efficiency, high power density, low inertia, high torque-current ratio, no excitation loss, et al. [1]. In order to ensure the smooth running of the motor, it is very important to adopt efficient and stable control strategies for each part of the three-phase permanent magnet synchronous motor system, such as speed control [2], current control [3], and pulse width modulation [4]. Besides, sensor-less control also needs observer strategy or other control methods [5]. Among them, speed control is particularly important.
The control of current loop can be simply divided into current control in static coordinate system and current control in synchronous rotating coordinate system. For the current control in synchronous rotation coordinates, hysteresis current control and PI current control are commonly used at present. Hysteresis current control can meet the requirements of motor operation, but the electromagnetic torque fluctuates greatly during the whole starting process, and PI regulator has good dynamic performance and anti-disturbance ability, which can meet the needs of actual motor control performance [6]. The pulse width demodulation technology of three-phase voltage source inverter mainly includes two-level space vector pulse width modulation (SVPWM) and sinusoidal pulse width modulation (SPWM). SVPWM has better harmonic elimination effect and torque ripple resistance than SPWM [7].
In recent years, many control technologies are used in the research of speed control for PMSM, which can be divided into linear control and nonlinear control [8]. As is known to us all, many linear control methods based on transfer functions (the most popular one is PI control [9]) are sensitive to the system model accuracy, which is highly susceptible to external disturbances and internal parameter mismatch. Therefore, many scholars draw attention on nonlinear control design for PMSM, such as robust control [10], adaptive control [11], and sliding mode control [12].
Among these speed control strategies for PMSM, sliding mode control with the merits of simple structure and fast response has become one of the most popular methods. In reference [13], a nonlinear speed-control algorithm for the PMSM control systems using sliding-mode control (SMC) is proposed to optimize the dynamic performance of speed regulation system. In which, the new sliding-mode reaching law (NSMRL) using the system state variable and the power term of sliding surface function can be expressed in two different forms during the reaching. This method can not only effectively suppress the inherent chattering, but also increases the velocity of the system state reaching to the sliding-mode surface. A new adaptive terminal sliding mode reaching law (ATSMRL) is proposed with continuous fast terminal sliding mode control (CFTSMC) in reference [14]. It aims to enhance the speed control performance of the permanent magnet synchronous motor (PMSM) with internal and external disturbances. In reference [15], a novel sliding mode control (NSMC) strategy is developed to improve the robustness, disturbance rejection, and dynamic response performance of permanent magnet synchronous motor (PMSM) speed servo system. The integral of speed error is introduced into sliding mode surface to avoid the requirements of acceleration signal and reduce the steady-state error of the system. It can be found in the existing literature that many scholars focus on the design of new sliding mode reaching law and novel sliding mode surface. One cannot deny that these literatures have achieved good control performance. However, sometimes it is hard to know how to get a new reaching law or a new sliding mode surface, that is, it requires more professional and profound knowledge of sliding-mode control theories.
Nowadays, to get better performance, the integration of control categories with other methods have been a hotspot. The authors propose a speed observer based on back-stepping and sliding mode for low-speed operation in [16]. The reference [17] develops a low-order adaptive instantaneous speed estimator (AISE) and a self-tuning control strategy to improve the speed control performance in a wide speed range with unknown inertia parameters. In reference [10], a model predictive direct speed control (MPDSC) method is proposed to get a good anti-disturbance ability for PMSM. It depends both on full parameter disturbances and load torque observer and the precise mathematical model parameters are not needed. Actually, these methods combine the advantages of various algorithms so as to get good performance.
This paper develops a sliding mode control strategy associated with a load disturbance estimator to enhance the dynamic performance of PMSM in full speed range. The proposed estimator can reconstruct the disturbance in load caused by the variation of load environments. Then, PD control is employed to decrease the overshoot. Finally, the speed tracking performance can be improved by designing an equivalent control law. Further, numerical examples are proposed to verify the effectiveness of the presented method under both high speed and low speed.
The rest of this paper is organized as follows. Section 2 describes the model of PMSM, in which, the disturbance and uncertainties are discussed and modeled. An estimator and control strategies are designed in Section 3. Then the main theoretical results are shown in Section 4. Finally, Section 5 summarizes the innovations of this thesis and makes a prospect of this paper.

2. Materials and Methods

In this section, PMSM mathematical model is constructed to support the design of control strategy. Disturbance and uncertainties are modeled to clarify its impact on the system. Hence, one can understand how disturbance and uncertainties affect the performance of the PMSM system. Then, the estimator and controller are designed to deal with the corresponding problems and achieve speed regulation goals.

2.1. PMSM Mathematical Model

PMSM plays an increasingly important role in the speed regulation system because of its significant advantages in structure, efficiency, and so on compared with other types of motors. In existing literatures, all the PMSM mathematical model are based on the conventional assumption [15]. In order to improve the effectiveness of the speed controller, this paper considers the mathematical model in the d-q synchronous rotating reference. The stator’s voltage equation is shown as follows.
u d = R i d + d d t ψ d ω e ψ q u q = R i q + d d t ψ q + ω e ψ d
in which, subscript d and q refer to the d-component and q-component. u, i, and ψ represent the stator’s voltage, stator’s current, and stator’s flux, respectively. Then ω e is the electrical angular velocity and R is the stator resistor.
For surface-mounted PMSM, it can be obtained that stator inductor L s = L d = L q . The following mathematical model with the assumption that B = 0 is as following:
d i d d t = 1 L s R i d + p n L s ω m i q + u d d i q d t = 1 L s R i q p n L s ω m i d p n ψ f ω m + u q d ω m d t = 1 J T L + 3 p n ψ f 2 i q
in which, ψ f is the flux of magnet, p n is the pole pairs of PMSM, ω m is the mechanical angular velocity, J is the inertia, B is the friction coefficient, and T L is the load torque.
Based on the characters of PMSM, one can get that ω m , i d , and i q are variables and bounded. Thus, the nonlinear term in (2) is bounded and the varying range is determined by the value of mentioned parameters above.
As is known to all scholars, the controller can achieve better performance according to using rotor field orientation control ( i d = 0 ) strategy. Then, the mathematical model in Equation (2) can be written as follows.
d i q d t = 1 L s R i q p n ψ f ω m + u q d ω m d t = 1 J T L + 3 p n ψ f 2 i q
Therefore, the complex nonlinear mathematical model function is simplified and linearized.

2.2. System Model for Disturbance Estimator Design

It can be easily found that equation is obtained by the common assumptions. The rotor’s magnetic field is sinusoidal in the air gap space. The saturation of stator core, core Eddy current, hysteresis loss, and damping of rotor windings are ignored. It is also assumed that the magnetic circuit is linear. However, these factors will affect the performance of PMSM in the actual operating environment. Simultaneously, the nonlinear terms in system (2) also deteriorate the operating effects. Linearizing the nonlinear system with linear equation will make the research relatively simple, but it cannot completely reflect the complicated actual situation, so the accuracy of the calculation result is relatively low [18].
In this subsection, we will discuss the effects by modeling and quantifying these factors.
Define that x T = i q ω m , y = x T , u = u q , then one can get that
x ˙ = A x + B u + E ξ y = C x
in which, the parameters can be obtained by Equation (6) as A = A 1 A 2 T , A 1 = 1 L s R p n ψ f , A 2 = 1 J 3 p n ψ f 2 0 , B = 1 L s 0 T , E = 0 1 J T , C = 1 0 0 1 , ξ = T L .
Then, it can be assumed that the influence of fore-mentioned factors, including saturation of stator core, hysteresis loss, and so on, can be quantified in the system load disturbances. The details of considering the factors are as follows.
x ˙ = A x + B u + E ξ + δ
where δ represents the load disturbances. Define that d = ξ + δ . One can get that
x ˙ = A x + B u + E d
Based on the model (6), the observer and estimator can be constructed to get the load, disturbance value, and the estimation of x . It will be further discussed in the next section.
In practice, the dynamic change of load will cause load disturbance, and the output speed of motor will also shake, which greatly affects the motion accuracy and working stability of PMSM drive system [19]. How to suppress this load disturbance caused by load change is what this paper is doing.

2.3. System Model Design for Combined Controller

To get better control performance, we redefined the state variables and constructed another system function in this subsection.
First, the state variable is defined as:
z 1 = ω r e f ω m z 2 = z ˙ 1 = ω ˙ m
in which, ω r e f is the reference speed of PMSM, usually, it is set as a constant value. Hence, one can get that
z ˙ 1 = ω ˙ m = 1 J T L 3 p n ψ f 2 i q z ˙ 2 = ω ¨ m = 3 p n ψ f 2 J i ˙ q
Then, one can obtain the system as follows.
z ˙ 1 z ˙ 2 = 0 1 0 0 z 1 z 2 + 0 D u
where u = i ˙ q and D = 3 p n ψ f 2 J .
Conventionally, sliding surface and reaching law are designed to construct the control strategy in order to achieve good performance. But abundant experiences and knowledge are needed to improve them. To solve the mentioned problems above, this paper proposes a novel combined control approach based on the principle of equivalent control.

3. Main Results

This section may be divided by subheadings. It should provide a concise and precise description of the experimental results, their interpretation, as well as the experimental conclusions that can be drawn.

3.1. Design of the Combined Estimator

In speed regulation of PMSM, model simplification and operating environments may cause the parameter uncertainties and load disturbances. Hence, the dynamic and steady-state performance of PMSM will be reduced. In this paper, a compensational estimator is presented to reconstruct the modeled disturbance signal, which contains the influence of both parameter uncertainties and load disturbance. They can be used in controller design to improve the capability for anti-jamming.
Based on the system (5), state observer is proposed as follows.
x ^ ˙ = A x ^ + B u + E d ^ + L y ^ y y ^ = C x ^
where x ^ and d ^ are the estimation of x and d. L = L 1 L 2 T represents the observer gain matrix.
The compensational estimator is presented as Equation (11) if d is a slow time-varying signal.
d ^ ˙ = K x ^ x
in which, K is the estimator gain matrix, and the parameters in K are positive. Then it is followed by the stability analysis of the proposed method.
Lemma 1.
Based on system (9) and the estimator (11), one can get that the observer (10) and estimator (11) can achieve good performance if the following inequality holds [20].
A L C 0
Hence, one can get that the proposed method can achieve stable convergence.
Proof 1:
The Lyapunov function is defined as
V = E 2 K d ˜ 2 + 1 2 x ˜ 2
where d ˜ = d d ^ , x ˜ = x x ^ . The derivative can be written as
V ˙ = E K d ˜ d ˜ ˙ + x ˜ x ˜ ˙ = d ˜ d ˙ d ^ ˙ + x ˜ A x + B u + E d A x ^ + B u + E d ^ + L C x ^ x = d ˜ d ˙ d ˜ d ^ ˙ + x ˜ A x ˜ E d ˜ L C x ˜ = d ˜ d ˙ E d ˜ x ˜ + A x ˜ 2 E d ˜ x ˜ L C x ˜ 2 = d ˜ d ˙ + A L C x ˜ 2
Under the assumption that d is a slow time-varying signal, it can be obtained that d ˙ = 0 . Hence, V ˙ < 0 holds if and only if inequality (12) holds.
In fact, disturbance signals always show the characteristic of non-stationary in many systems. To enhance the tracking performance, the proposed estimator in Equation (11) can be rewritten as
d ^ ˙ = K 1 x ^ x + K 2 x ^ ˙ x ˙ + θ
where K 1 , K 2 , and K 3 are the gain matrices. It can be also obtained that the estimating signal can track actual signal well if Theorem 1 holds. The parameter θ is a correction term of estimating results error due to the simplifications and constraint assumptions. θ is determined by the experience and the bounds of disturbance signal. □
Theorem 1.
Based on system (9) and the estimator (15), set that E M K 1 + K 2 A L C = 0 and assume that d ˙ K 2 E d ˜ 0 , d ˙ θ ρ d ˜ , ρ 0 , one can get that the observer (10) and estimator (15) can achieve good performance if the following inequality holds.
A L C 0 K 2 E 0 K 1 + K 2 A L C 0
That is, the estimator (15) can be applied in some time-varying disturbance reconstructions if the derivative d ˙ of disturbance signal is bounded.
Proof 2:
Define that
V = E 2 K d ˜ 2 + 1 2 x ˜ 2
where V is the Lyapunov function, d ˜ = d d ^ , x ˜ = x x ^ . Then one can get the derivative as follows.
V ˙ = E M d ˜ d ˜ ˙ + x ˜ x ˜ ˙ = E M d ˜ d ˙ d ^ ˙ + x ˜ A x + B u + E d A x ^ + B u + E d ^ + L C x ^ x = E M d ˜ d ˙ d ˜ d ^ ˙ + x ˜ A x ˜ E d ˜ L C x ˜ = E M d ˜ d ˙ E M d ˜ θ K 2 E 2 M d ˜ 2 + E d ˜ x ˜ + A x ˜ 2 E d ˜ x ˜ L C x ˜ 2 = E M d ˜ d ˙ d ˜ θ + A L C x ˜ 2 K 2 E 2 M d ˜ 2
Thus, the inequality V ˙ < 0 holds if the Theorem 1 holds. The derivative d ˙ should be bounded to that d ˙ θ ρ d ˜ , ρ 0 . □

3.2. The Combined Controller for Speed Regulation

To obtain better speed regulation performance, a combined controller is designed for PMSM based on the system function (9) in this subsection.
First, the sliding mode surface is introduced as
s = c z 1 + z 2
where c is the sliding parameter. Then, one can get that the derivative of Equation (19) is shown in Equation (20).
s ˙ = c z ˙ 1 + z ˙ 2 = c z 2 D u
The exponential reaching law is employed to ensure the dynamic performance, thus it can be obtained that
u = 1 D c z 2 + ε sgn s + q s
in which, ε and q are corresponding parameters. Hence, the current at q axis can be rewritten as
i q = 1 D 0 t c z 2 + ε sgn s + q s d τ
Note that, the integral term in Equation (22) is used to reduce the chattering of sliding mode surface and eliminate system steady state error. However, the response ability of the system will be decreased. In this paper, PD control and sliding control are combined to get better dynamic performance. That is, the control law in (22) is presented as
i q = 1 D 0 t c z 2 + ε sgn s + q s d τ + K p z 1 + K D z 2
in which, K p and K D are gain parameters. Specially, one can set that K D / K p =   N c . It should be pointed out that the control law in Equation (23) is equal to the sliding mode control with general reaching technique.
s ˙ = ε sgn s q s N s ˙
In other words, 1 + N s ˙ = ε sgn s q s , and the value of K can be adjusted to improve the response speed.
Theorem 2.
Based on system (9) and reaching technique (24), it can be obtained that the designed control law can get good performance if and only if the following principles holds
q + ε > 0 N > 1   or q + ε < 0 N < 1
and the stable state error will be uniform convergent.
Proof 3:
The Lyapunov function is defined as
V = 1 2 s 2
Then one can get that
V ˙ = s s ˙ = s N + 1 ε sgn s + q s 1 N + 1 ε s 2 q s 2
One can get that V ˙ < 0 holds if inequalities (25) holds. □

3.3. The Equivalent Controller Design

To achieve better speed regulation results, the equivalent controller can be presented as
u e q = u c + u e
where, u c is the common control signal and u e is the compensation signal. Then one can get that
i q = i q 2 J 3 P n ψ f d ^
Based on the discussion above, one can get better speed regulation performance by using the estimation result in Equation (11).

4. Simulation Results and Discussions

Because of the limited experimental conditions, only simulation verification was carried out rather than actual experiment. Therefore, the simulation results may not be so accurate. After the follow-up funds are sufficient, some practical verification studies will be done. As for the selection methods of these parameters, they are artificially selected according to the conditions calculated in the theoretical part, which is not necessarily the best. In the follow-up, it is considered to use those optimization algorithms such as genetic algorithm and particle swarm optimization algorithm for adaptive selection.
In this section, the surface-mounted three phase PMSM is used as the simulation model. The parameters are shown in Table 1. The solve method is selected as variable-step ode23tb algorithm, the relative tolerance is set as 0.0001, and the simulation duration is set as 0.4s.
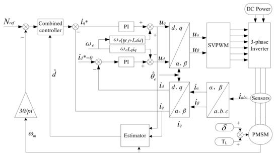
The flowchart and the Simulink block diagram of speed control and estimator are shown in Figure 1 and Figure 2. As seen from Figure 1, estimator is used to reconstruct the disturbance and uncertainties and the combined controller is designed to achieve better dynamic performance and reduce the influence of the disturbances.
It can be seen from Figure 2 that the control method proposed in this paper is based on id = 0 strategy. The vector control of three-phase PMSM mainly includes four parts: state observer, speed loop combined controller, current loop PI regulator, and SVPWM algorithm. The design of this paper is mainly embodied in the state observer and speed loop combined controller, and its control effect will be reflected in the following simulation. According to the existing examples [21] with good control effect, the traditional PI control strategy is adopted for current control, and the SVPWM control strategy is adopted for pulse width demodulation.

4.1. Simulation Results at Low Speed

In this subsection, the reference speed is set as N r = 300 r/s, then it can be obtained that ω m = π 30 N r . The load and disturbance are set as T L = 10 N·m and δ = 2 sin 500 t , respectively.
To obtain better speed response, the gain parameters are set as follows. The parameters of sliding mode controller are set as ε = 200 , q = 300 , and c = 70 . The PD controller parameters are set as K p = 10 and K D = 0.07 . The observer parameters are set as L 1 = 10 0 and L 2 = 0 10 . The estimator gain is set as K 1 = 0.01 10 , K 2 = 0 0 . In addition, the correction parameter θ = 0 . The simulation results are shown in Figure 2, Figure 3 and Figure 4.
Figure 3 shows the estimation results of load and disturbance. It can be seen that the estimate signal has some slight errors with the actual signal before t = 0.02s and can track the actual signal well after t = 0.02s. This means that the proposed method can well suppress the load disturbance caused by load change. Also, one can find out that the estimate signal has some noise. The reason of the phenomenon is that the numeral model is simplified from Simulink model. Some uncertainties are ignored and operating states are in ideal condition.
The speed response results with compensation and without compensation are shown in Figure 4, respectively. One can obtain that the results with compensation are better than that without compensation. The PD control is added to reduce overshoot. In addition, the estimates of load and disturbance are utilized to reduce the impact of noise on the system.
From Figure 4, the Table 2 can be obtained. In the first column of the table, are the rising time, setting time, overshoot of the speed curve, the lowest speed dropped when encountering torque interference in 0.02 s, and the time to restore to the rated speed. The second and third columns of the table are the values corresponding to the first column of the combined controller and the traditional sliding mode controller designed in this paper. All the five indexes show that the control effect of the proposed combined controller is very good.

4.2. Simulation Results at High Speed

In this subsection, the parameters are set as same as the low speed condition. The ideal speed is set as N r = 1000 r / s . While, the correction parameter θ = 1 . Then the simulation results are shown in Figure 5 and Figure 6.
One can find out that the estimating result is worse than that under low-speed condition. It can be concluded that the proposed method has better estimating performance under low-speed condition. However, the speed-tracking performances are better than sliding mode control under both high-speed condition and low-speed condition. In practical, the factors of load disturbance and measurement noise can cause the change of system performance, even cause safety accident. Through the proposed method, these problems can be reduced or avoided and maintain normal operation of the system.
The Table 3 can be obtained from Figure 6. It also shows that the control effect of the proposed combined controller is very good. The decrease of overshoot is due to the addition of PD controller based on sliding mode controller. The anti-torque capability is enhanced because the state observer is used to estimate the torque disturbance, and then compensate it into the combined controller.

5. Conclusions

This paper investigates a combined controller base on sliding mode control method and PD control strategy and a combined estimator based on slow time-varying estimation law and state observer. The combined controller is used to improve the tracking performance and increase the response speed of PMSM’s speed regulation by the analysis of PD control method. In addition, the estimator is presented to reconstruct the disturbance and uncertainties caused by environment and simplified model. Numerical examples based on Simulink model show the proposed algorithm can obtain a superior dynamic performance with reducing the effect of load disturbances and overshoot. The experimental implementation of the proposed algorithm, adopting optimization algorithm to select parameters adaptively, researching the high-frequency low-voltage signal injection sensorless control method, and modelling the PMSM system as a nonlinear model for research are planned to be carried out in the future.

Author Contributions

Conceptualization, Y.T. and Y.C.; methodology, Y.C.; software, L.F.; validation, L.F.; writing—original draft preparation, Y.T.; project administration, Y.T. and L.F.; funding acquisition, Y.C. All authors have read and agreed to the published version of the manuscript.

Funding

This work is supported in part by the National Natural Science Foundation of China under Grant 61803055, Grant 61633005, the Science and Technology Research Program of Chongqing Municipal Education Commission under Grant No. KJQN201800720, Natural Science Foundation of Chongqing under Grant cstc2019jcyj-msxmX0222 and National Key R&D Program of China under Grant 2020YFB2009400.

Conflicts of Interest

The authors declare no conflict of interest.

References

  1. Zhang, X.; Foo, G.H.B.; Rahman, M.F. A Robust Field-weakening Approach for Direct Torque and Flux Controlled Reluctance Synchronous Motors with Extended Constant Power Speed Region. IEEE Trans. Ind. Electron. 2019, 67, 1813–1823. [Google Scholar] [CrossRef]
  2. Zhang, X.; Sun, L.; Zhao, K.; Sun, L. Nonlinear Speed Control for PMSM System Using Sliding-Mode Control and Disturbance Compensation Techniques. IEEE Trans. Power Electron. 2013, 28, 1358–1365. [Google Scholar] [CrossRef]
  3. Moon, H.T.; Kim, H.S.; Youn, M.J. A discrete-time predictive current control for PMSM. IEEE Trans. Power Electron. 2003, 18, 464–472. [Google Scholar] [CrossRef]
  4. Koiwa, K.; Kuribayashi, T.; Zanma, T.; Liu, K.Z.; Wakaiki, M. Optimal current control for PMSM considering inverter output voltage limit: Model predictive control and pulse-width modulation. IET Electr. Power Appl. 2019, 13, 2044–2051. [Google Scholar] [CrossRef]
  5. Kim, H.; Son, J.; Lee, J. A High-Speed Sliding-Mode Observer for the Sensorless Speed Control of a PMSM. IEEE Trans. Ind. Electron. 2011, 58, 4069–4077. [Google Scholar]
  6. Mohammad, M.; Ibne, R.M.B.; Farzana, R.L.; Rahman, T. High-Speed Current dq PI Controller for Vector Controlled PMSM Drive. Sci. World J. 2014, 2014, 1–9. [Google Scholar]
  7. Wang, X.; Xing, Y.; He, Z.; Yan, L. Research and Simulation of DTC Based on SVPWM of PMSM. Procedia Eng. 2012, 29, 1685–1689. [Google Scholar] [CrossRef]
  8. Boukhezzar, B.; Siguerdidjane, H. Comparison between linear and nonlinear control strategies for variable speed wind turbines. Control Eng. Pract. 2010, 18, 1357–1368. [Google Scholar] [CrossRef]
  9. Quynh, N.V. The Fuzzy PI Controller for PMSM’s Speed to Track the Standard Model. Math. Probl. Eng. 2020, 2020, 1–20. [Google Scholar] [CrossRef]
  10. Zhang, X.G.; Cheng, Y.; Zhao, Z.H.; He, Y.K. Robust Model Predictive Direct Speed Control for SPMSM Drives Based on Full Parameter Disturbances and Load Observer. IEEE Trans. Power Electron. 2020, 35, 8361–8373. [Google Scholar] [CrossRef]
  11. Shanthi, R.; Kalyani, S.; Devie, P.M. Design and performance analysis of adaptive neuro-fuzzy controller for speed control of permanent magnet synchronous motor drive. Soft Comput. 2020. [Google Scholar] [CrossRef]
  12. Ge, Y.; Yang, L.H.; Ma, X.K. Adaptive sliding mode control based on a combined state/disturbance observer for the disturbance rejection control of PMSM. Electr. Eng. 2020, 102, 1863–1879. [Google Scholar] [CrossRef]
  13. Wang, Y.Q.; Feng, Y.T.; Zhang, X.G.; Liang, J. A New Reaching Law for Antidisturbance Sliding-Mode Control of PMSM Speed Regulation System. IEEE Trans. Power Electron. 2020, 35, 4117–4126. [Google Scholar] [CrossRef]
  14. Junejo, A.K.; Xu, W.; Mu, C.X.; Ismail, M.M.; Liu, Y. Adaptive Speed Control of PMSM Drive System Based A New Sliding-Mode Reaching Law. IEEE Trans. Power Electron. 2020, 35, 12110–12121. [Google Scholar] [CrossRef]
  15. Song, Z.; Mei, X.S.; Tao, T.T.; Xu, M.X. The Sliding-Mode Control Based on a Novel Reaching Technique for Permanent Magnet Synchronous Motors. Electr. Power Compon. Syst. 2019, 47, 1–9. [Google Scholar] [CrossRef]
  16. Cao, Y.H.; Wang, J.Z.; Shen, W. High-performance PMSM self-tuning speed control system with a low-order adaptive instantaneous speed estimator using a low-cost incremental encoder. Asian J. Control 2020. [Google Scholar] [CrossRef]
  17. Morawiec, M.; Lewicki, A.; Wilczyński, F. Speed observer of induction machine based on backstepping and sliding mode for low-speed operation. Asian J. Control 2020. [Google Scholar] [CrossRef]
  18. Li, J.; Liao, Y. Model of Permanent Magnet Synchronous Motor Considering Saturation and Rotor Flux Harmonics. Proc. CSEE 2011, 31, 60–66. [Google Scholar]
  19. Sun, J.K.; Li, S.H. Disturbance observer based iterative learning control method for a class of systems subject to mismatched disturbances. Trans. Inst. Meas. Control 2017, 39, 1749–1760. [Google Scholar] [CrossRef]
  20. Zhang, K. Observer-Based Fault Estimation and Accommodation for Dynamic Systems. Ph.D. Thesis, Nanjing University of Aeronautics and Astronautics, Nan Jing, China, 2012. [Google Scholar]
  21. Yuan, L.; Hu, B.X.; Wei, K.Y.; Chen, S. Control Principle and MATLAB Simulation of Modern Permanent Magnet Synchronous Motor; Beihang University Press: Beijing, China, 2016; pp. 70–71. [Google Scholar]
Figure 1. The speed control and estimator flowchart.
Figure 1. The speed control and estimator flowchart.
Applsci 10 09006 g001
Figure 2. The speed control and estimator blocks.
Figure 2. The speed control and estimator blocks.
Applsci 10 09006 g002
Figure 3. The actual load and disturbance with their estimates in low-speed condition.
Figure 3. The actual load and disturbance with their estimates in low-speed condition.
Applsci 10 09006 g003
Figure 4. The speed response results without compensation and with compensation in low speed condition (the blue line indicating the speed response results with compensation, and the red line indicating the speed response results without compensation).
Figure 4. The speed response results without compensation and with compensation in low speed condition (the blue line indicating the speed response results with compensation, and the red line indicating the speed response results without compensation).
Applsci 10 09006 g004
Figure 5. The actual load and disturbance with their estimates in high-speed condition.
Figure 5. The actual load and disturbance with their estimates in high-speed condition.
Applsci 10 09006 g005
Figure 6. The speed response results without compensation and with compensation in high-speed condition (the blue line indicating the speed response results with compensation, and the red line indicating the speed response results without compensation).
Figure 6. The speed response results without compensation and with compensation in high-speed condition (the blue line indicating the speed response results with compensation, and the red line indicating the speed response results without compensation).
Applsci 10 09006 g006
Table 1. Parameters of PMSM.
Table 1. Parameters of PMSM.
Parameter NameValue
Pole-pairs P n 4
Stator inductance L s 8.5 mH
Stator resistance R 2.875 Ω
Flux linkage ψ f 0.175 Wb
Rotational inertia J 0.003 kg · m 2
Damping Ratio B 0.008 N · m · s
DC side voltage U d c 311 V
Switching Frequency of PWM f p w m 10 kHz
Sampling period T s 10 μ s
Rated output torque3 N · m
Rated output current5 A
D axis current i d 0 A
Speed at low speed Nr300 rpm
Speed at high speed Nr1000 rpm
Load torque at 0–0.02 s TL0 N · m
Load torque at 0.02–0.04s TL10 N · m
Table 2. Simulation comparison performance ( N r = 300 r/s).
Table 2. Simulation comparison performance ( N r = 300 r/s).
ItemsCombined ControllerTraditional SMO
Rise time/ms3.3245.375
Setting time/ms3.148/
Overshoot/%0.46819.88
Lowest speed/rpm290193.7
Recovery time/ms0.070.33
Table 3. Simulation comparison performance ( N r = 1000 r/s).
Table 3. Simulation comparison performance ( N r = 1000 r/s).
ItemsCombined ControllerTraditional SMO
Rise time/ms6.5097.609
Setting time/ms4.376/
Overshoot/%0.49838.184
Lowest speed/rpm989.1886.8
Recovery time/ms0.050.28
Publisher’s Note: MDPI stays neutral with regard to jurisdictional claims in published maps and institutional affiliations.

Share and Cite

MDPI and ACS Style

Tian, Y.; Chai, Y.; Feng, L. Simultaneous Load Disturbance Estimation and Speed Control for Permanent Magnet Synchronous Motors in Full Speed Range. Appl. Sci. 2020, 10, 9006. https://doi.org/10.3390/app10249006

AMA Style

Tian Y, Chai Y, Feng L. Simultaneous Load Disturbance Estimation and Speed Control for Permanent Magnet Synchronous Motors in Full Speed Range. Applied Sciences. 2020; 10(24):9006. https://doi.org/10.3390/app10249006

Chicago/Turabian Style

Tian, Yingming, Yi Chai, and Li Feng. 2020. "Simultaneous Load Disturbance Estimation and Speed Control for Permanent Magnet Synchronous Motors in Full Speed Range" Applied Sciences 10, no. 24: 9006. https://doi.org/10.3390/app10249006

APA Style

Tian, Y., Chai, Y., & Feng, L. (2020). Simultaneous Load Disturbance Estimation and Speed Control for Permanent Magnet Synchronous Motors in Full Speed Range. Applied Sciences, 10(24), 9006. https://doi.org/10.3390/app10249006

Note that from the first issue of 2016, this journal uses article numbers instead of page numbers. See further details here.

Article Metrics

Back to TopTop