Polarization-Insensitive Metasurface for Harvesting Electromagnetic Energy with High Efficiency and Frequency Stability over Wide Range of Incidence Angles
Abstract
1. Introduction
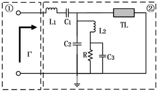
2. Design of the Harvester
3. Results and Analysis
3.1. Simulation Results
3.2. Measurement Results
4. Discussion
Author Contributions
Funding
Conflicts of Interest
References
- Song, C.; Huang, Y.; Carter, P.; Zhou, J.; Joseph, S.D.; Li, G. Novel compact and broadband frequency-selectable rectennas for a wide input-power and load impedance range. IEEE Trans. Antennas Propag. 2018, 66, 3306–3316. [Google Scholar] [CrossRef]
- Lin, W.W.; Ziolkowski, R.W.; Huang, J. Electrically small, low-profile, highly efficient, huygens dipole rectennas for wirelessly powering internet-of-things devices. IEEE Trans. Antennas Propag. 2019, 67, 3670–3679. [Google Scholar] [CrossRef]
- Smith, D.R.; Padilla, W.J.; Vier, D.C.; Nemat-Nasser, S.C.; Schultz, S. Composite medium with simultaneously negative permeability and permittivity. Phys. Rev. Lett. 2000, 84, 4184. [Google Scholar] [CrossRef] [PubMed]
- Landy, N.I.; Sajuyigbe, S.; Mock, J.J.; Smith, D.R.; Padilla, W.J. Perfect metamaterial absorber. Phys. Rev. Lett. 2008, 100, 207402. [Google Scholar] [CrossRef] [PubMed]
- Bowen, L.; Vinolas, J.; Olazagoitia, J.L. Design and potential power recovery of two types of energy harvesting shock absorbers. Energies 2019, 12, 4710. [Google Scholar] [CrossRef]
- Lim, D.; Lee, D.; Lim, S. Angle-and polarization-insensitive metamaterial absorber using via array. Sci. Rep. 2016, 6, 39686. [Google Scholar] [CrossRef]
- Lee, D.; Hwang, J.G.; Lim, D.; Hara, T.; Lim, S. Incident angle-and polarization-insensitive metamaterial absorber using circular sectors. Sci. Rep. 2016, 6, 27155. [Google Scholar] [CrossRef]
- Nguyen, T.T.; Lim, S. Wide incidence angle-insensitive metamaterial absorber for both TE and TM polarization using eight-circular-sector. Sci. Rep. 2017, 7, 3204. [Google Scholar] [CrossRef]
- Lalbakhsh, A.; Afzal, M.U.; Esselle, K.P.; Smith, S.L. Low-cost nonuniform metallic lattice for rectifying aperture near-field of electromagnetic bandgap resonator antennas. IEEE Trans. Antennas Propag. 2020, 68, 3328–3335. [Google Scholar] [CrossRef]
- Lou, T.; Yang, X.X.; Qiu, H.; Yin, Z.; Gao, S. Compact dual-polarized continuous transverse stub array with 2-D beam scanning. IEEE Trans. Antennas Propag. 2019, 67, 3000–3010. [Google Scholar] [CrossRef]
- Lalbakhsh, A.; Afzal, M.U.; Esselle, K.P.; Smith, S.L.; Zeb, B.A. Single-dielectric wideband partially reflecting surface with variable reflection components for realization of a compact high-gain resonant cavity antenna. IEEE Trans. Antennas Propag. 2019, 67, 1916–1921. [Google Scholar] [CrossRef]
- Ramahi, O.M.; Almoneef, T.S.; AlShareef, M.; Boybay, M.S. Metamaterial particles for electromagnetic energy harvesting. Appl. Phys. Lett. 2012, 101, 173903. [Google Scholar] [CrossRef]
- Almoneef, T.S.; Ramahi, O.M. Metamaterial electromagnetic energy harvester with near unity efficiency. Appl. Phys. Lett. 2015, 106, 153902. [Google Scholar] [CrossRef]
- Alavikia, B.; Almoneef, T.S.; Ramahi, O.M. Complementary split ring resonator arrays for electromagnetic energy harvesting. Appl. Phys. Lett. 2015, 107, 033902. [Google Scholar] [CrossRef]
- Alavikia, B.; Almoneef, T.S.; Ramahi, O.M. Electromagnetic energy harvesting using complementary split-ring resonators. Appl. Phys. Lett. 2014, 104, 163903. [Google Scholar] [CrossRef]
- Zhong, H.T.; Yang, X.X. Broadband meta-surface with polarization-insensitive and wide-angle for electromagnetic energy harvesting. IWAT 2017, 10, 1109. [Google Scholar]
- Yu, F.; Yang, X.; Zhong, H.; Chu, C.; Gao, S. Polarization-insensitive wide-angle-reception metasurface with simplified structure for harvesting electromagnetic energy. Appl. Phys. Lett. 2018, 113, 123903. [Google Scholar] [CrossRef]
- Ghaneizadeh, A.; Mafinezhad, K.; Joodaki, M. Design and fabrication of a 2D-isotropic flexible ultra-thin metasurface for ambient electromagnetic energy harvesting. AIP Adv. 2019, 9, 025304. [Google Scholar] [CrossRef]
- Zhang, X.; Liu, H.; Li, L. Tri-band miniaturized wide-angle and polarization-insensitive metasurface for ambient energy harvesting. Appl. Phys. Lett. 2017, 111, 071902. [Google Scholar] [CrossRef]
- Zhong, H.T.; Yang, X.X.; Song, X.T.; Guo, Z.Y.; Yu, F. Wideband metamaterial array with polarization-independent and wide incident angle for harvesting ambient electromagnetic energy and wireless power transfer. Appl. Phys. Lett. 2017, 111, 213902. [Google Scholar] [CrossRef]
- Zhong, H.T.; Yang, X.X.; Tan, C.; Yu, K. Triple-band polarization-insensitive and wide-angle metamaterial array for electromagnetic energy harvesting. Appl. Phys. Lett. 2016, 109, 253904. [Google Scholar] [CrossRef]
- Ghaderi, B.; Nayyeri, V.; Soleimani, M.; Ramahi, O.M. Pixelated metasurface for dual-band and multi-polarization electromagnetic energy harvesting. Sci. Rep. 2018, 8, 13227. [Google Scholar] [CrossRef] [PubMed]
- Zhang, X.; Liu, H.; Li, L. Electromagnetic power harvester using wide-angle and polarization-insensitive metasurfaces. Appl. Sci. 2018, 8, 497. [Google Scholar] [CrossRef]
- Zhang, P.; Li, L.; Zhang, X.; Liu, H.; Shi, Y. Design, measurement and analysis of near-field focusing reflective metasurface for dual-polarization and multi-focus wireless power transfer. IEEE Access 2019, 7, 110387–110399. [Google Scholar] [CrossRef]
- Lalbakhsh, A.; Afzal, M.U.; Esselle, K.P. Multiobjective particle swarm optimization to design a time-delay equalizer metasurface for an electromagnetic band-gap resonator antenna. IEEE Antennas Wirel. Propag. Lett. 2016, 16, 912–915. [Google Scholar] [CrossRef]
- Munk, B.A. Frequency Selective Surfaces: Theory and Design; John Wiley & Sons: Hoboken, NJ, USA, 2005. [Google Scholar]
- Kundu, D.; Mohan, A.; Chakrabarty, A. Thickness reduction of single layer circuit analog absorber. In Proceedings of the 2015 IEEE Applied Electromagnetics Conference (AEMC), Guwahati, India, 18–21 December 2015; pp. 1–2. [Google Scholar]
- Shang, Y.; Shen, Z.; Xiao, S. On the design of single-layer circuit analog absorber using double-square-loop array. IEEE Trans. Antennas Propag. 2013, 61, 6022–6029. [Google Scholar] [CrossRef]
- Marcuvitz, N. Waveguide Handbook; IET: Edison, NJ, USA, 1951; Volume 21. [Google Scholar]











| Ref | Center Frequency | Frequency Deviation | Incidence Angle Range | Efficiency at 0° | Efficiency at 60° |
|---|---|---|---|---|---|
| [16] | 5.4 GHz | 300 MHz (5.55%) | 0–60° | 92% | 48% |
| [17] | 5.8 GHz | 75 MHz (1.3%) | 0–75° | 88% | 62% |
| [18] | 2.7 GHz | 80 MHz (2.96%) | 0–60° | 91% | 54% |
| [19] | 5.7 GHz | 120 MHz (4.44%) | 0–60° | 81% | 30% |
| [20] | 3.8 GHz | 100 MHz (2.63%) | 0–45° | 90% | 52% |
| This work | 5.8 GHz | 11 MHz (0.19%) | 0–75° | 91% | 72% |
Publisher’s Note: MDPI stays neutral with regard to jurisdictional claims in published maps and institutional affiliations. |
© 2020 by the authors. Licensee MDPI, Basel, Switzerland. This article is an open access article distributed under the terms and conditions of the Creative Commons Attribution (CC BY) license (http://creativecommons.org/licenses/by/4.0/).
Share and Cite
Yu, F.; He, G.-Q.; Yang, X.-X.; Du, J.; Gao, S. Polarization-Insensitive Metasurface for Harvesting Electromagnetic Energy with High Efficiency and Frequency Stability over Wide Range of Incidence Angles. Appl. Sci. 2020, 10, 8047. https://doi.org/10.3390/app10228047
Yu F, He G-Q, Yang X-X, Du J, Gao S. Polarization-Insensitive Metasurface for Harvesting Electromagnetic Energy with High Efficiency and Frequency Stability over Wide Range of Incidence Angles. Applied Sciences. 2020; 10(22):8047. https://doi.org/10.3390/app10228047
Chicago/Turabian StyleYu, Fan, Guo-Qiang He, Xue-Xia Yang, Jinxin Du, and Steven Gao. 2020. "Polarization-Insensitive Metasurface for Harvesting Electromagnetic Energy with High Efficiency and Frequency Stability over Wide Range of Incidence Angles" Applied Sciences 10, no. 22: 8047. https://doi.org/10.3390/app10228047
APA StyleYu, F., He, G.-Q., Yang, X.-X., Du, J., & Gao, S. (2020). Polarization-Insensitive Metasurface for Harvesting Electromagnetic Energy with High Efficiency and Frequency Stability over Wide Range of Incidence Angles. Applied Sciences, 10(22), 8047. https://doi.org/10.3390/app10228047

