A Novel Explicit Analytical Multibody Approach for the Analysis of Upper Limb Dynamics and Joint Reactions Calculation Considering Muscle Wrapping
Abstract
Featured Application
Abstract
1. Introduction
2. Materials and Methods
2.1. Musculoskeletal System
2.2. Kinematical Analysis Based on the Constraints
- -
- rheonomic constraints which drive the degrees of freedom to move with the known trajectories ();
- -
- scleronomic constraints due to the relative motions blocked by the joints kinematical behaviour ();
- -
- constraints which guarantee that the bodies’ quaternions keep the unitary norm (.
- -
- the joint position calculated starting from the body , , has to be equal to the one seen by the body , ;
- -
- a vector fixed to body , , parallel to the rotation axis , has to be orthogonal with respect to others two vectors fixed to the body , and , both orthogonal to the rotation axis and to each other.
2.3. Inverse Dynamics
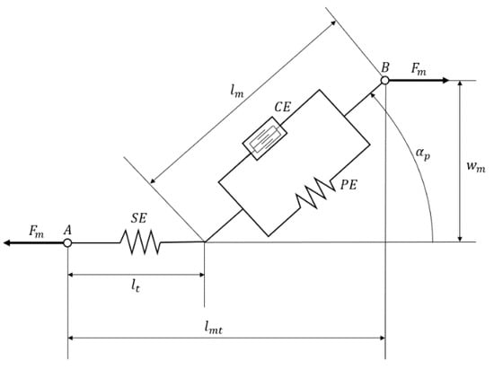
2.4. Hill Muscle Model
- -
- according to the force–length relation , increasing the muscle fibre length, the active force increases until it reaches a peak (the maximum isometric force ) in correspondence with the optimal fibre length , then it decreases;
- -
- the muscle generates a greater force than the maximum isometric one (in correspondence of zero deformation velocity) when it lengthens, with an asymptotic behaviour, and a lower force until it reaches the maximum contraction velocity , beyond which it is not able to produce actuation, following the force–velocity relation ;
- -
- the passive element opposes a growing resistance only if the muscle length is greater than the optimal fibre length , until it reaches a maximum value following the relation .
2.5. Wrapping Muscles
2.6. Static Optimization
3. Results and Discussion
4. Conclusions
- -
- despite the kinematical analysis, exactness is noticeable, the only difference found was a small overestimation of the long biceps muscle fibre length, probably due to the different wrapping algorithm used by OpenSim;
- -
- the inverse dynamics in terms of driving force results were almost completely matched;
- -
- the static optimization was characterised by a general underestimation of the muscles’ activations in all the cases considered (both physiological and non-physiological criterion in absence of passive muscles’ forces and physiological criterion considering the passive muscle actions compared with the Computed Muscle Control tool of OpenSim). The underestimation was regained by comparing the muscle forces, the differences were probably due to the different approaches in the minimization techniques and, certainly, to the different approach to the inverse dynamics of the Computed Muscle Control;
- -
- the good outcome of the comparison was also confirmed by the matching of the residual actuators.
- -
- a full validation with more upper limb kinematics;
- -
- the application of the model in the framework of the lower limb musculoskeletal system, in order to compare the simulated joint reactions with the in vivo measurements during the gait analysis;
- -
- the coupling of the model with a lubrication one, in order to estimate the wear of an artificial joint or to evaluate the joints friction forces or torques to include in the equation of motion as non-conservative actions;
- -
- the upgrade of the model by including the forward dynamics, in order to make a detailed comparison with the Computed Muscle Control tool of the OpenSim software;
- -
- the deepening of the Hill muscle model, in order to include the tendon dynamics;
- -
- the possible applications of the model in the framework of the biomechatronics and robotics fields.
Supplementary Materials
Author Contributions
Funding
Conflicts of Interest
Abbreviations
| Lagrangian coordinates | |
| Translation vector | |
| Unit quaternion vector | |
| Rotation matrix | |
| Local position vector | |
| Position, velocity and acceleration vector in the ground reference frame | |
| Number of bodies, degrees of freedom and constraints | |
| Constraint equations | |
| Constraint (Jacobian) | |
| Rotation axis unit vector | |
| Degrees of freedom vector | |
| Mass matrix | |
| Generalised force vector | |
| Lagrange multipliers | |
| Coordinate change matrix | |
| Tendon length | |
| Muscle fibre length | |
| Muscle fibre deformation velocity | |
| Muscle width | |
| Muscle fibre pennation angle | |
| Muscle contractile element force | |
| Muscle passive element force | |
| Muscle force | |
| Optimal muscle fibre length and the related pennation angle | |
| Maximum isometric force | |
| Musculotendon length and deformation velocity | |
| Surfaces’ parametric and implicit equations | |
| Curvilinear coordinate | |
| Curve | |
| Tangent, normal and binormal unit vectors | |
| Muscle (Jacobian) | |
| Muscle activation vector | |
| Lagrange multipliers related to the rheonomic constraints (or residual actuators) and to the scleronomic constraints (or joint reactions) |
References
- Ruggiero, A.; Sicilia, A. A Mixed Elasto-Hydrodynamic Lubrication Model for Wear Calculation in Artificial Hip Joints. Lubricants 2020, 8, 72. [Google Scholar] [CrossRef]
- Ruggiero, A.; Sicilia, A. Lubrication modeling and wear calculation in artificial hip joint during the gait. Tribol. Int. 2020, 142, 105993. [Google Scholar] [CrossRef]
- Ruggiero, A.; Sicilia, A.; Affatato, S. In silico total hip replacement wear testing in the framework of ISO 14242-3 accounting for mixed elasto-hydrodynamic lubrication effects. Wear 2020, 460, 203420. [Google Scholar] [CrossRef]
- Chen, Z.; Chen, Z.; Xin, H.; Zhang, Q.; Jin, Z. Musculoskeletal multibody dynamics simulation of the contact mechanics and kinematics of a natural knee joint during a walking cycle. Proc. Inst. Mech. Eng. Part H J. Eng. Med. 2018, 232, 508–519. [Google Scholar]
- Varady, P.A.; Glitsch, U.; Augat, P. Loads in the hip joint during physically demanding occupational tasks: A motion analysis study. J. Biomech. 2015, 48, 3227–3233. [Google Scholar] [CrossRef]
- Quental, C.; Folgado, J.; Ambrósio, J.; Monteiro, J. Multibody System of the Upper Limb Including a Reverse Shoulder Prosthesis. J. Biomech. Eng. 2013, 135, 111005. [Google Scholar] [CrossRef]
- Stylianou, A.P.; Guess, T.M.; Kia, M. Multibody Muscle Driven Model of an Instrumented Prosthetic Knee During Squat and Toe Rise Motions. J. Biomech. Eng. 2013, 135, 41008. [Google Scholar] [CrossRef]
- Ruggiero, A.; Merola, M.; Affatato, S. On the biotribology of total knee replacement: A new roughness measurements protocol on in vivo condyles considering the dynamic loading from musculoskeletal multibody model. Measurement 2017, 112, 22–28. [Google Scholar] [CrossRef]
- Schwarze, M.; Hurschler, C.; Seehaus, F.; Oehler, S.; Welke, B. Loads on the prosthesis–socket interface of above-knee amputees during normal gait: Validation of a multi-body simulation. J. Biomech. 2013, 46, 1201–1206. [Google Scholar] [CrossRef] [PubMed]
- Ruggiero, A.; Merola, M.; Affatato, S. Finite element simulations of hard-on-soft hip joint prosthesis accounting for dynamic loads calculated from a musculoskeletal model during walking. Materials 2018, 11, 574. [Google Scholar] [CrossRef]
- Cosenza, C.; Niola, V.; Savino, S. A mechanical hand for prosthetic applications: Multibody model and contact simulation. Proc. Inst. Mech. Eng. Part H J. Eng. Med. 2018, 232, 819–825. [Google Scholar] [CrossRef] [PubMed]
- Bergmann, G.; Bender, A.; Dymke, J.; Duda, G.; Damm, P. Standardized Loads Acting in Hip Implants. PLoS ONE 2016, 11, e0155612. [Google Scholar] [CrossRef] [PubMed]
- Kassi, J.-P.; Heller, M.O.; Stoeckle, U.; Perka, C.; Duda, G.N. Stair climbing is more critical than walking in pre-clinical assessment of primary stability in cementless THA in vitro. J. Biomech. 2005, 38, 1143–1154. [Google Scholar] [CrossRef] [PubMed]
- Westerhoff, P.; Graichen, F.; Bender, A.; Halder, A.; Beier, A.; Rohlmann, A.; Bergmann, G. In vivo measurement of shoulder joint loads during activities of daily living. J. Biomech. 2009, 42, 1840–1849. [Google Scholar] [CrossRef]
- Nordin, M.; Frankel, V.H. (Eds.) Basic Biomechanics of the Musculoskeletal System; Lippincott Williams & Wilkins: Filadelfia, PA, USA, 2001. [Google Scholar]
- Trinler, U.; Baker, R. Estimated landmark calibration of biomechanical models for inverse kinematics. Med. Eng. Phys. 2018, 51, 79–83. [Google Scholar] [CrossRef]
- Silva, M.T.; Pereira, A.F.; Martins, J. An efficient muscle fatigue model for forward and inverse dynamic analysis of human movements. Procedia IUTAM 2011, 2, 262–274. [Google Scholar] [CrossRef][Green Version]
- Silva, M.T.; Ambrósio, J. Solution of Redundant Muscle Forces in Human Locomotion with Multibody Dynamics and Optimization Tools. Mech. Based Des. Struct. Mach. 2003, 31, 381–411. [Google Scholar] [CrossRef]
- Curtis, N. Craniofacial biomechanics: An overview of recent multibody modelling studies. J. Anat. 2010, 218, 16–25. [Google Scholar] [CrossRef]
- Duprey, S.; Naaim, A.; Moissenet, F.; Begon, M.; Cheze, L. Kinematic models of the upper limb joints for multibody kinematics optimisation: An overview. J. Biomech. 2017, 62, 87–94. [Google Scholar] [CrossRef]
- Huynh, K.; Gibson, I.; Jagdish, B.; Lu, W. Development and validation of a discretised multi-body spine model in LifeMOD for biodynamic behaviour simulation. Comput. Methods Biomech. Biomed. Eng. 2013, 18, 175–184. [Google Scholar] [CrossRef]
- Holzbaur, K.R.S.; Murray, W.M.; Delp, S.L. A Model of the Upper Extremity for Simulating Musculoskeletal Surgery and Analyzing Neuromuscular Control. Ann. Biomed. Eng. 2005, 33, 829–840. [Google Scholar] [CrossRef]
- Shabana, A. Dynamics of Multibody Systems; Cambridge University Press: Cambridge, UK, 2020. [Google Scholar]
- Nikravesh, P.E.; Gim, G. Systematic Construction of the Equations of Motion for Multibody Systems Containing Closed Kinematic Loops. J. Mech. Des. 1993, 115, 143–149. [Google Scholar] [CrossRef]
- Oliveira, H. Inverse Dynamic Analysis of the Human Locomotion Apparatus for Gait; Instituto Superior Técnico: Lisbon, Portugal, 2016. [Google Scholar]
- Jovanovic, K.; Vranic, J.; Miljkovic, N. Hill’s and Huxley’s muscle models-tools for simulations in biomechanics. Serbian J. Electr. Eng. 2015, 12, 53–67. [Google Scholar] [CrossRef]
- Millard, M.; Uchida, T.; Seth, A.; Delp, S.L. Flexing Computational Muscle: Modeling and Simulation of Musculotendon Dynamics. J. Biomech. Eng. 2013, 135, 021005. [Google Scholar] [CrossRef]
- Romero, F.; Alonso, F.J. A comparison among different Hill-type contraction dynamics formulations for muscle force estimation. Mech. Sci. 2016, 7, 19–29. [Google Scholar] [CrossRef]
- John, C. Complete Description of the Thelen 2003 Muscle Model; OpenSim: Stanford, CA, USA, 2011. [Google Scholar]
- Thelen, D.G. Adjustment of Muscle Mechanics Model Parameters to Simulate Dynamic Contractions in Older Adults. J. Biomech. Eng. 2003, 125, 70–77. [Google Scholar] [CrossRef]
- Hada, M.; Yamada, D.; Tsuji, T. An analysis of equivalent impedance characteristics by modeling the human musculoskeletal structure as a multibody system. In Proceedings of the ECCOMAS Thematic Conference, Milano, Italy, 25–28 June 2007; pp. 1–20. [Google Scholar]
- Gao, F.; Damsgaard, M.; Rasmussen, J.; Christensen, S.T. Computational method for muscle-path representation in musculoskeletal models. Biol. Cybern. 2002, 87, 199–210. [Google Scholar] [CrossRef]
- Zarifi, O.; Stavness, I. Muscle wrapping on arbitrary meshes with the heat method. Comput. Methods Biomech. Biomed. Eng. 2016, 20, 1–11. [Google Scholar] [CrossRef]
- Stavness, I.; Sherman, M.; Delp, S. A General Approach to Muscle Wrapping over Multiple Surfaces; Stanford University: Stanford, CA, USA, 2012. [Google Scholar]
- Scholz, A.; Stavness, I.; Sherman, M.A.; Delp, S.L.; Kecskeméthy, A. Improved Muscle Wrapping Algorithms Using Explicit Path-Error Jacobians. New Adv. Mech. Mach. Sci. 2013, 15, 395–403. [Google Scholar]
- Thelen, D.G.; Anderson, F.C.; Delp, S.L. Generating dynamic simulations of movement using computed muscle control. J. Biomech. 2003, 36, 321–328. [Google Scholar] [CrossRef]




















| Body | Inertia Tensor Entries | ||||||
|---|---|---|---|---|---|---|---|
| Humerus | 1.86 | 14.81 | 4.55 | 13.19 | 0 | 0 | 0 |
| Forearm | 1.53 | 19.28 | 1.57 | 20.06 | 0 | 0 | 0 |
| Body | Local Position Vector | ||
|---|---|---|---|
| Humerus | 0 | −0.180 | 0 |
| Forearm | 0 | −0.181 | 0 |
| Joint | Local Position Vector | ||
|---|---|---|---|
| Shoulder | −0.0175 | −0.0070 | 0.1700 |
| Elbow | 0.0061 | −0.2904 | −0.0123 |
| Joint | Unit Vector Axis | ||
|---|---|---|---|
| Shoulder | −0.0589 | 0.0023 | 0.9983 |
| Elbow | 0.0494 | 0.0366 | 0.9981 |
| Muscle | Maximum Isometric Force | Optimal Muscle Fibre Length | Slack Tendon Length | Optimal Pennation Angle | Maximum Contraction Velocity |
|---|---|---|---|---|---|
| Long triceps | 798.52 | 0.1340 | 0.1430 | 0.209 | 10 |
| Lateral triceps | 624.30 | 0.1138 | 0.0980 | 0.157 | 10 |
| Medial triceps | 624.30 | 0.1138 | 0.0908 | 0.157 | 10 |
| Long biceps | 624.30 | 0.1157 | 0.2723 | 0 | 10 |
| Short biceps | 435.56 | 0.1321 | 0.1923 | 0 | 10 |
| Brachialis | 987.26 | 0.0858 | 0.0535 | 0 | 10 |
| Wrapping Surface | Local Position Vector | Local Orientation | Geometry | ||||
|---|---|---|---|---|---|---|---|
| Ground cylinder | −0.0439 | −0.0039 | 0.1478 | 1.3753 | −0.2946 | 2.4360 | |
| Shoulder ellipsoid 1 | −0.0078 | −0.0041 | −0.0014 | 3.0016 | −0.8535 | 2.5742 | |
| Shoulder ellipsoid 2 | 0.0033 | 0.0073 | 0.0003 | −2.0043 | −1.0016 | 0.9755 | |
| Elbow cylinder | 0.0028 | −0.2919 | −0.0069 | −0.1402 | −0.0063 | 0.1550 | |
Publisher’s Note: MDPI stays neutral with regard to jurisdictional claims in published maps and institutional affiliations. |
© 2020 by the authors. Licensee MDPI, Basel, Switzerland. This article is an open access article distributed under the terms and conditions of the Creative Commons Attribution (CC BY) license (http://creativecommons.org/licenses/by/4.0/).
Share and Cite
Ruggiero, A.; Sicilia, A. A Novel Explicit Analytical Multibody Approach for the Analysis of Upper Limb Dynamics and Joint Reactions Calculation Considering Muscle Wrapping. Appl. Sci. 2020, 10, 7760. https://doi.org/10.3390/app10217760
Ruggiero A, Sicilia A. A Novel Explicit Analytical Multibody Approach for the Analysis of Upper Limb Dynamics and Joint Reactions Calculation Considering Muscle Wrapping. Applied Sciences. 2020; 10(21):7760. https://doi.org/10.3390/app10217760
Chicago/Turabian StyleRuggiero, Alessandro, and Alessandro Sicilia. 2020. "A Novel Explicit Analytical Multibody Approach for the Analysis of Upper Limb Dynamics and Joint Reactions Calculation Considering Muscle Wrapping" Applied Sciences 10, no. 21: 7760. https://doi.org/10.3390/app10217760
APA StyleRuggiero, A., & Sicilia, A. (2020). A Novel Explicit Analytical Multibody Approach for the Analysis of Upper Limb Dynamics and Joint Reactions Calculation Considering Muscle Wrapping. Applied Sciences, 10(21), 7760. https://doi.org/10.3390/app10217760

