Swing Analysis and Control Research of the Space Tethered Combination in the Maneuver Process
Abstract
1. Introduction
2. Swing Dynamics and Analysis
2.1. Dynamical Model
- (1)
- The mission platform is completely controllable, so the influences of its mass and attitude motion are neglected.
- (2)
- The target is treated as a mass point, regardless of its attitude motion.
- (3)
- The tether is taut and straight at all times, regardless of its mass and elasticity.
- (4)
- There are no other external forces affecting the combination, such as atmospheric drag, solar light pressure and lunisolar perturbation, etc.
2.2. Swing Analysis
3. Swing Control and Simulation Study
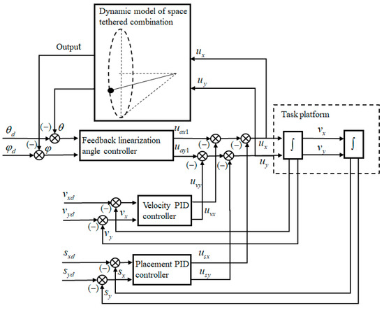
3.1. Feedback Linearization Control
3.2. Approximate Linearization Control
3.3. Variable Structure Control
4. Experimental Study
5. Conclusions
Author Contributions
Funding
Acknowledgments
Conflicts of Interest
References
- Liou, J.C.; Johnson, N.L. Planetary science-Risks in space from orbiting debris. Science 2006, 311, 340–341. [Google Scholar] [CrossRef] [PubMed]
- Flores-Abad, A.; Ma, O.; Pham, K.; Ulrich, S. A review of space robotics technologies for on-orbit servicing. Prog. Aerosp. Sci. 2014, 68, 1–26. [Google Scholar] [CrossRef]
- Xu, W.F.; Liang, B.; Xu, Y.S. Survey of modeling, planning, and ground verification of space robotic systems. Acta Astronaut. 2011, 68, 1629–1649. [Google Scholar] [CrossRef]
- Huang, P.F.; Zhang, F.; Cai, J.; Wang, D.K.; Meng, Z.J.; Guo, J. Dexterous tethered space robot: Design, measurement, control and experiment. IEEE Trans. Aerosp. Electron. Syst. 2017, 53, 1452–1468. [Google Scholar] [CrossRef]
- Bischof, B.; Kerstein, L. ROGER robotic geostationary orbit restorer. Sci. Technol. Ser. 2004, 109, 183–193. [Google Scholar]
- Pearson, J.; Carroll, J.; Levin, E.; Oldson, J.; Hausgen, P. Overview of the electrodynamic delivery expresses (EDDE). In Proceedings of the 39th AIAA/ASME/SAE/ASEE Joint Propulsion Conference & Exhibit, Huntsville, Alabama, 20–23 July 2003; AIAA: New York, NY, USA, 2003. [Google Scholar]
- Pearson, J.; Carroll, J.; Levin, E. Active debris removal: EDDE, the electrodynamic debris eliminator. In Proceedings of the 61st International Astronautical Congress, Prague, Czech Republic, 27 September–1 October 2010. SSI: 2010. [Google Scholar]
- Brophy, J.R.; Friedman, L.; Culick, F. Asteroid retrieval feasibility. In Proceedings of the 2012 IEEE Aerospace Conference, Big Sky, MT, USA, 3–10 March 2012. [Google Scholar]
- Brophy, J.R.; Culick, L.; Friedman, L. Asteroid Retrieval Feasibility Study; The University of Arizona Press: Tucson, AZ, USA, 2012. [Google Scholar]
- Nakasuka, S.; Funase, R.; Nakada, K.; Kaya, N.; Mankins, J.C. Large membrane “Furoshiki Satellite” applied to phased array antenna and its sounding rocket experiment. Acta Astronaut. 2006, 58, 395–400. [Google Scholar] [CrossRef]
- Nakasuka, S.; Aoki, T.; Ikeda, I.; Tsuda, Y.; Kawakatsu, Y. “Furoshiki satellite”-a large membrane structure as a novel space system. Acta Astronaut. 2001, 48, 461–468. [Google Scholar] [CrossRef]
- Wen, H.; Zhu, Z.H.; Jin, D.P.; Hu, H.Y. Constrained tension control of a tethered space-tug system with only length measurement. Acta Astronaut. 2016, 119, 110–117. [Google Scholar] [CrossRef]
- Wang, B.; Guo, J.F.; Yi, L.; Zhou, W.H. Anti-impact tension control strategy for the space-tethered combination after target capture. Aeronaut. J. 2018, 122, 1775–1787. [Google Scholar] [CrossRef]
- Williams, P. In-plane payload capture with an elastic tether. J. Guid. Control. Dyn. 2006, 29, 810–821. [Google Scholar] [CrossRef]
- Felisiak, P.A.; Sibilski, K.S.; Qin, K.; Li, G.; Wróblewski, W.A. Nonlinear model predictive control of spacecraft relative motion. Proc. Inst. Mech. Eng. Part. G J. Aerosp. Eng. 2019, 233, 3906–3919. [Google Scholar] [CrossRef]
- Jasper, L.; Schaub, H. Input shaped large thrust maneuver with a tethered debris object. Acta Astronaut. 2014, 96, 128–137. [Google Scholar] [CrossRef]
- Jasper, L.; Schaub, H. Tethered towing using open-loop input-shaping and discrete thrust levels. Acta Astronaut. 2014, 105, 373–384. [Google Scholar] [CrossRef]
- Aslanov, V.; Yudintsev, V. Dynamics of large space debris removal using tethered space tug. Acta Astronaut. 2013, 9, 149–156. [Google Scholar] [CrossRef]
- Aslanov, V.; Yudintsev, V. Dynamics of large debris connected to space tug by a tether. J. Guid. Control. Dyn. 2013, 36, 1654–1660. [Google Scholar] [CrossRef]
- Liu, H.T.; Zhang, Q.B.; Yang, L.P.; Zhu, Y.W.; Zhang, Y.W. Dynamics of tether-tugging reorbiting with net capture. Sci. China Technol. Sci. 2014, 57, 2407–2417. [Google Scholar] [CrossRef]
- Wang, B.; Guo, J.F.; Feng, J.G.; Wang, J. Nonlinear dynamics and coupling effect of libration and vibration of tethered space robot in deorbiting process. J. Cent. South. Univ. 2016, 23, 1095–1105. [Google Scholar] [CrossRef]
- Zhao, G.W.; Sun, L.; Tan, S.P.; Huang, H. Librational characteristics of a dumbbell modeled tethered satellite under small, continuous, constant thrust. Proc. Inst. Mech. Eng. Part. G J. Aerosp. Eng. 2012, 227, 857–872. [Google Scholar] [CrossRef]
- Sun, L.; Zhao, G.W.; Huang, H. Stability and control of tethered satellite with chemical propulsion in orbital plane. Nonlinear Dyn. 2013, 74, 1113–1131. [Google Scholar] [CrossRef]
- Liu, H.L.; He, Y.Z.; Yan, H.; Tan, S.P. Tether tension control law design during orbital transfer via small-gain theorem. Aerosp. Sci. Technol. 2017, 63, 191–202. [Google Scholar] [CrossRef]
- De Juan, D.P. Lie derivatives and structure Jacobi operator on real hypersurfaces in complex projective spaces. Differ. Geom. Appl. 2017, 50, 1–10. [Google Scholar]










| Initial Condition | Value | Parameter | Value |
|---|---|---|---|
| θ/rad | 0.52 | l/m | 1 |
| /(rad/s) | 0 | m/kg | 1 |
| φ/rad | 0 | az/(m/s2) | 9.8 |
| /(rad/s) | 0 | k1θ | 0.2 |
| v/(m/s) | 0 | k2θ | 10 |
| s/m | 0 | k1φ | 0.2 |
| k2φ | 10 |
© 2020 by the authors. Licensee MDPI, Basel, Switzerland. This article is an open access article distributed under the terms and conditions of the Creative Commons Attribution (CC BY) license (http://creativecommons.org/licenses/by/4.0/).
Share and Cite
Wang, B.; Guo, J.; Yan, Y.; Zhou, C. Swing Analysis and Control Research of the Space Tethered Combination in the Maneuver Process. Appl. Sci. 2020, 10, 4293. https://doi.org/10.3390/app10124293
Wang B, Guo J, Yan Y, Zhou C. Swing Analysis and Control Research of the Space Tethered Combination in the Maneuver Process. Applied Sciences. 2020; 10(12):4293. https://doi.org/10.3390/app10124293
Chicago/Turabian StyleWang, Ban, Jifeng Guo, Yuchen Yan, and Chuanping Zhou. 2020. "Swing Analysis and Control Research of the Space Tethered Combination in the Maneuver Process" Applied Sciences 10, no. 12: 4293. https://doi.org/10.3390/app10124293
APA StyleWang, B., Guo, J., Yan, Y., & Zhou, C. (2020). Swing Analysis and Control Research of the Space Tethered Combination in the Maneuver Process. Applied Sciences, 10(12), 4293. https://doi.org/10.3390/app10124293

