Synergy Effect during Water Treatment by Electric Discharge and Chlorination
Abstract
1. Introduction
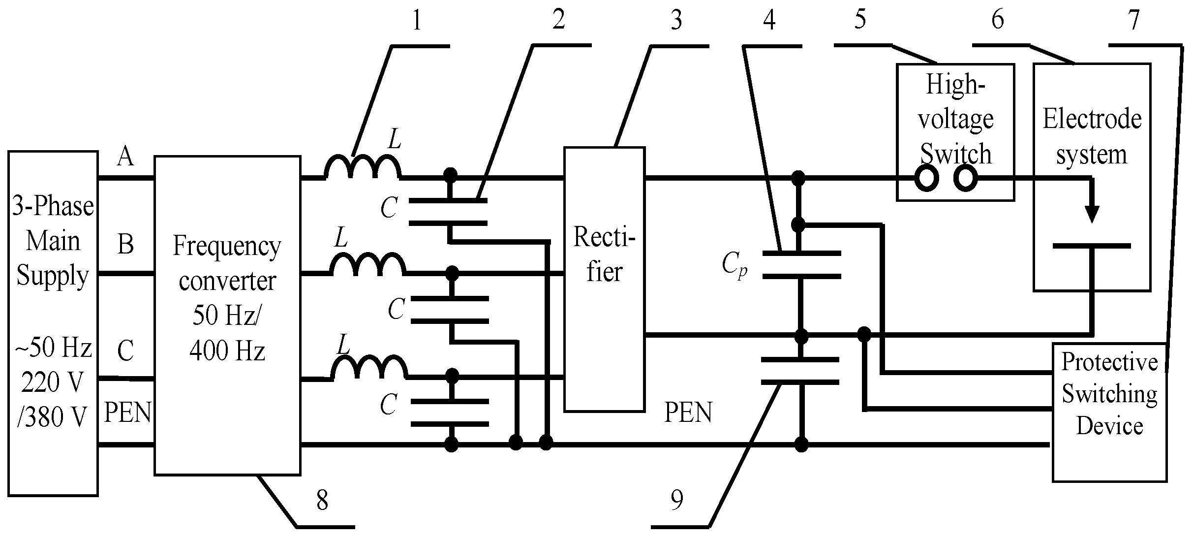
2. Materials and Methods
3. Results and Discussion
4. Conclusions
Author Contributions
Funding
Data Availability Statement
Conflicts of Interest
References
- Bezsonov, Y.; Mitryasova, O.; Smyrnov, V.; Smyrnova, S. Influence of the South-Ukraine electric power producing complex on the ecological condition of the Southern Bug River. East.-Eur. J. Enterp. Technol. 2017, 4, 20–28. [Google Scholar] [CrossRef]
- Mitryasova, O.; Pohrebennyk, V.; Kochanek, A.; Stepanova, O. Environmental Footprint Enterprise as Indicator of Balance it’s Activity. In Proceedings of the 17th International Multidisciplinary Scientific Geoconference SGEM 2017, Albena, Bulgaria, 29 June–5 July 2017; Volume 51, pp. 371–378. [Google Scholar]
- Pohrebennyk, V.; Cygnar, M.; Mitryasova, O.; Politylo, R.; Shybanova, A. Efficiency of Sewage Treatment of Company “Enzyme”. In Proceedings of the 16th International Multidisciplinary Scientific Geoconference SGEM 2016, Albena, Bulgaria, 30 June–6 July 2016; Volume II, pp. 295–302. [Google Scholar]
- Ishchenko, V.; Pohrebennyk, V.; Kochan, R.; Mitryasova, O.; Zawislak, S. Assessment of Hazardous Household Waste Generation in Eastern Europe. In Proceedings of the International Multidisciplinary Scientific Geoconference SGEM 2019, Albena, Bulgaria, 30 June–6 July 2019; Volume 19, pp. 559–566. [Google Scholar]
- Terranna, H.; Janke, R.; Murray, R.; Burkhardt, J.; Grayman, W.; Ernst, H. Future of Water Distribution Modeling and Data Analytics Tools; EPA/600/R-19/174; US Environmental Protection Agency: Washington, DC, USA, 2019.
- Mitryasova, O.; Pohrebennyk, V. Hydrochemical Indicators of Water System Analysis as Factors of the Environmental Quality State. In Sustainable Production: Novel Trends in Energy, Environment and Material Systems. Studies in Systems, Decision and Control; Królczyk, G., Wzorek, M., Król, A., Kochan, O., Su, J., Kacprzyk, J., Eds.; Springer: Cham, Switzerland, 2020; Volume 198, pp. 91–104. [Google Scholar]
- Mitryasova, O.; Cieśla, M.; Nosyk, A.; Mats, A. Hydrochemical Indicators Dynamic in Surface Water. J. Ecol. Eng. 2021, 22, 111–122. [Google Scholar] [CrossRef]
- Petrov, O.; Petrichenko, S.; Yushchishina, A.; Mitryasova, O.; Pohrebennyk, V. Electrospark Method in Galvanic Wastewater Treatment for Heavy Metal Removal. Appl. Sci. 2020, 10, 5148. [Google Scholar] [CrossRef]
- Yusuf, A.; Amusa, H.K.; Eniola, J.O.; Giwa, A.P.; Pikuda, A.; Bilad, M.R. Hazardous and emerging contaminants removal from water by plasma-based treatment: A review of recent advances. Chem. Eng. J. Adv. 2023, 14, 100443. [Google Scholar] [CrossRef]
- Ray, S.S.; Verma, R.K.; Singh, A.; Ganesapilai, M.; Kwon, Y. A holistic review of how artificial intelligence has redefined water treatment and seawater desalination processes. Desalination 2022, 546, 116221. [Google Scholar] [CrossRef]
- Wu, S.; Shi, W.; Li, K.; Cai, J.; Chen, L. Recent advances on sustainable bio-based materials for water treatment: Fabrication, modification and application. J. Environ. Chem. Eng. 2022, 10, 108921. [Google Scholar] [CrossRef]
- Anderson, L.E.; Mont, I.D.; Dunnington, D.D.; Bjorndahl, P.; Redden, D.J.; Brophy, M.J.; Gagnon, G.A. A review of long-term change in surface water natural organic matter concentration in the northern hemisphere and the implications for drinking water treatment. Sci. Total Environ. 2023, 858, 159699. [Google Scholar] [CrossRef]
- Sewak, R.; Bena, D.; Sewak, P.; Mahajan, S. Ground-tested principles of designing a robust drinking water treatment system. Water Secur. 2021, 14, 100103. [Google Scholar] [CrossRef]
- Malyushevskaya, A.; Yushchishina, A.; Mitryasova, O.; Pohrebennyk, V.; Salamon, I. Optimization of Extraction Processes of Water-Soluble Polysaccharides under the Electric Field Action. Przegląd Elektrotechniczny 2021, 97, 73–76. [Google Scholar] [CrossRef]
- Malyushevskaya, A.; Koszelnik, P.; Yushchishina, A.; Mitryasova, O.; Gruca-Rokosz, R. Green Approach to Intensify the Extraction Processes of Substances from Plant Materials. J. Ecol. Eng. 2022, 23, 197–204. [Google Scholar] [CrossRef]
- Malyushevskaya, A.; Koszelnik, P.; Yushchishina, A.; Mitryasova, O.; Mats, A.; Gruca-Rokosz, R. Eco-Friendly Principles on the Extraction of Humic Acids Intensification from Biosubstrates. J. Ecol. Eng. 2023, 24, 317–327. [Google Scholar] [CrossRef]
- Martin, J.F.; Topudurti, K.; Labunski, S. Demonstration of Microfiltration Technology. J. Air Waste Manag. Assoc. 1991, 41, 10466960. [Google Scholar] [CrossRef]
- Abdessemed, D.; Nezzal, G.; Aim, B.R. Treatment of wastewater by ultrafiltration. Desalination 1999, 126, 1–5. [Google Scholar] [CrossRef]
- Gagliardo, P.; Adham, S.; Trussell, R.; Olivieri, A. Water repurification via reverse osmosis. Desalination 1998, 117, 73–78. [Google Scholar] [CrossRef]
- Liu, S.; Song, W.; Meng, M.; Xie, M.; She, Q.; Zhao, P.; Wang, X. Engineering pressure retarded osmosis membrane bioreactor (PRO-MBR) for simultaneous water and energy recovery from municipal wastewater. Sci. Total Environ. 2022, 826, 154048. [Google Scholar] [CrossRef]
- Clever, M.; Jordt, F.; Knauf, R.; Räbiger, N.; Rüdebusch, M.; Hilker-Scheibel, R. Process water production from river water by ultrafiltration and reverse osmosis. Desalination 2020, 131, 325–336. [Google Scholar] [CrossRef]
- Beyer, M.; Lohrengel, B.; Nghiem, L.D. Membrane fouling and chemical cleaning in water recycling applications. Desalination 2010, 250, 977–981. [Google Scholar] [CrossRef]
- Zularisam, A.W.; Ismail, A.F.; Sakinah, M. Application and Challenges of Membrane in Surface Water Treatment. J. Appl. Sci. 2010, 10, 380–390. [Google Scholar] [CrossRef]
- Shao, B.; Shen, L.; Liu, Z.; Tang, L.; Tan, X.; Wang, D.; Zeng, W.; Wu, T.; Pan, Y.; Zhang, X.; et al. Disinfection byproducts formation from emerging organic micropollutants during chlorine-based disinfection processes. Chem. Eng. J. 2022, 445, 140476. [Google Scholar] [CrossRef]
- How, Z.T.; Kristiana, I.; Busetti, F.; Linge, K.L.; Joll, C.A. Organic chloramines in chlorine-based disinfected water systems: A critical review. J. Environ. Sci. 2017, 58, 2–18. [Google Scholar] [CrossRef]
- Li, T.; Wang, Z.; Wang, C.; Huang, J.; Zhou, M. Chlorination in the pandemic times: The current state of the art for monitoring chlorine residual in water and chlorine exposure in air. Sci. Total Environ. 2022, 838, 156193. [Google Scholar] [CrossRef] [PubMed]
- Plaza-Garrido, A.; Limaico, M.; Villamar-Ayala, C.A. Influence of wastewater treatment technologies on virus removal under a bibliometric-statistical analysis. J. Water Process Eng. 2022, 47, 102642. [Google Scholar] [CrossRef]
- Gohil, J.M.; Suresh, A.K. Chlorine attack on reverse osmosis membranes: Mechanisms and mitigation strategies. J. Membr. Sci. 2017, 541, 108–126. [Google Scholar] [CrossRef]
- Foroughi, M.; Khiadani, M.; Kakhki, S.; Kholghi, V.; Naderi, K.; Yektay, S. Effect of ozonation-based disinfection methods on the removal of antibiotic resistant bacteria and resistance genes (ARB/ARGs) in water and wastewater treatment: A systematic review. Sci. Total Environ. 2022, 811, 151404. [Google Scholar] [CrossRef] [PubMed]
- Epelle, E.I.; Macfarlane, A.; Cusack, M.; Burns, A.; Okolie, J.A.; Mackay, W.; Rateb, M.; Yaseen, M. Ozone application in different industries: A review of recent developments. Chem. Eng. J. 2023, 454, 140188. [Google Scholar] [CrossRef]
- Joseph, C.G.; Farm, Y.Y.; Taufiq-Yap, Y.H.; Pang, C.K.; Nga, J.L.H.; Puma, G.L. Ozonation treatment processes for the remediation of detergent wastewater: A comprehensive review. J. Environ. Chem. Eng. 2021, 9, 106099. [Google Scholar] [CrossRef]
- Morrison, C.M.; Hogard, S.; Pearce, R.; Gerrity, D.; von Gunten, U.; Wert, E.C. Ozone disinfection of waterborne pathogens and their surrogates: A critical review. Water Res. 2022, 214, 118206. [Google Scholar] [CrossRef]
- Papageorgiou, A.; Voutsa, D.; Papadakis, N. Occurrence and fate of ozonation by-products at a full-scale drinking water treatment plant. Sci. Total Environ. 2014, 481, 392–400. [Google Scholar] [CrossRef]
- Zhang, X.-Y.; Du, Y.; Lu, Y.; Wang, W.-L.; Wu, Q.-Y. Characteristics of the formation and toxicity index of nine newly identified brominated disinfection byproducts during wastewater ozonation. Sci. Total Environ. 2022, 824, 153924. [Google Scholar] [CrossRef]
- Li, L. Toxicity evaluation and by-products identification of triclosan ozonation and chlorination. Chemosphere 2020, 263, 128223. [Google Scholar] [CrossRef]
- Ye, C.; Zhang, K.; Wu, X.; Wan, K.; Cai, W.-F.; Feng, M.; Yu, X. Uncovering novel disinfection mechanisms of solar light/periodate system: The dominance of singlet oxygen and metabolomic insights. J. Hazard. Mater. 2023, 443, 130177. [Google Scholar] [CrossRef] [PubMed]
- Sun, Z.; Li, M.; Li, W.; Qiang, Z. A review of the fluence determination methods for UV reactors: Ensuring the reliability of UV disinfection. Chemosphere 2022, 286, 131488. [Google Scholar] [CrossRef] [PubMed]
- Tran, H.D.M.; Boivin, S.; Kodamatani, H.; Ikehata, K.; Fujioka, T. Potential of UV-B and UV-C irradiation in disinfecting microorganisms and removing N-nitrosodimethylamine and 1,4-dioxane for potable water reuse: A review. Chemosphere 2022, 286, 131682. [Google Scholar] [CrossRef] [PubMed]
- Chauque, B.J.M.; Brandao, F.G.; Rott, M.B. Development of solar water disinfection systems for large-scale public supply, state of the art, improvements and paths to the future—A systematic review. J. Environ. Chem. Eng. 2022, 10, 107887. [Google Scholar] [CrossRef]
- Chen, Y.D.; Duan, X.; Zhou, X.; Wang, R.; Wang, S.; Ren, N.-Q.; Ho, S.H. Advanced oxidation processes for water disinfection: Features, mechanisms and prospects. Chem. Eng. J. 2021, 409, 128207. [Google Scholar] [CrossRef]
- Li, F.; Zhong, Q.; Kong, B.; Pan, N.; Xia, X.; Bao, Y. Synergistic effect and disinfection mechanism of combined treatment with ultrasound and slightly acidic electrolyzed water and associated preservation of mirror carp (Cyprinus carpio L.) during refrigeration storage. Food Chem. 2022, 386, 132858. [Google Scholar] [CrossRef]
- Juboori, R.A.A.; Yusaf, T.; Aravinthan, V. Evaluating the impact of operating parameters on biocidal effects of pulsed ultrasound in natural water disinfection. J. Biotechnol. 2015, 208, S17–S18. [Google Scholar] [CrossRef]
- Ziylan-Yavas, A.; Ince, N.H. Single, simultaneous and sequential applications of ultrasonic frequencies for the elimination of ibuprofen in water. Ultrason. Sonochem. 2018, 40, 17–23. [Google Scholar] [CrossRef]
- Emerick, T.; Vieira, J.V.; Henrique, M.; Silveira, L.; João, J.J. Ultrasound-assisted electrocoagulation process applied to the treatment and reuse of swine slaughterhouse wastewater. J. Environ. Chem. Eng. 2020, 8, 104308. [Google Scholar] [CrossRef]
- Gerrity, D.; Stanford, B.D.; Trenholm, R.A.; Snyder, S.A. An evaluation of a pilot-scale nonthermal plasma advanced oxidation process for trace organic compound degradation. Water Res. 2010, 44, 493–504. [Google Scholar] [CrossRef]
- Moreau, M.; Orange, N.; Feuilloley, M.G.J. Non-thermal plasma technologies: New tools for bio-decontamination. Biotechnol. Adv. 2008, 26, 610–617. [Google Scholar] [CrossRef]
- Hafeez, A.; Shez, N.; Javed, F.; Fazal, T.; Rehman, M.S.F. Synergetic effect of packed-bed corona-DBD plasma micro-reactor and photocatalysis for organic pollutant degradation. Sep. Purif. Technol. 2021, 269, 118728. [Google Scholar] [CrossRef]
- Misra, N.N. The contribution of non-thermal and advanced oxidation technologies towards dissipation of pesticide residues. Trends Food Sci. Technol. 2015, 45, 229–244. [Google Scholar] [CrossRef]
- Magureanu, M.; Bile, F.; Bradu, C.; Hong, D. A review on non-thermal plasma treatment of water contaminated with antibiotics. J. Hazard. Mater. 2021, 417, 125481. [Google Scholar] [CrossRef] [PubMed]
- Pankaj, S.K.; Wan, Z.; Colonna, W.; Keener, K.M. Degradation kinetics of organic dyes in water by high voltage atmospheric air and modified air cold plasma. Water Sci. Technol. 2017, 76, 567–574. [Google Scholar] [CrossRef] [PubMed]
- Lukes, P.; Clupek, M.; Sunka, P.; Peterka, F.; Sano, T.; Negishi, N.; Takeuchi, K. Degradation of phenol by underwater pulsed corona discharge in combination with TiO2 photocatalysis. Res. Chem. Intermed. 2005, 31, 285–294. [Google Scholar] [CrossRef]
- Njoyim-Tamungang, E.; Laminsi, S.; Ghogomu, P.; Njopwouo, D.; Brisset, J.-L. Pollution control of surface waters by coupling gliding discharge treatment with incorporated oyster shell powder. Chem. Eng. J. 2011, 173, 303–308. [Google Scholar] [CrossRef]
- Oliveira, M.; Fernandez-Gomez, P.; Alvarez-Ordonez, A.; Prieto, M.; Lopez, M. Plasma activated water: A cutting-edge technology driving innovation in the food industry. Food Res. Int. 2022, 156, 11368. [Google Scholar] [CrossRef] [PubMed]
- Ho, P.Q.; Pham, T.V.; Nguyen, T.V.; Kim, L. Treatment of surface water using cold plasma for domestic water supply. Environ. Eng. Res. 2019, 24, 412–417. [Google Scholar] [CrossRef]
- Murugesan, P.; Monica, E.; Moses, V.J.A.; Anandharamakrishnan, C. Water decontamination using non-thermal plasma: Concepts, applications, and prospects. J. Environ. Chem. Eng. 2020, 8, 104377. [Google Scholar] [CrossRef]
- Weltmann, K.-D.; Kolb, J.F.; Holub, M.; Uhrlandt, D.; Šimek, M.; Ostrikov, K.; Hamaguchi, S.; Cvelbar, U.; Černák, M.; Locke, B.; et al. The future for plasma science and technology. Plasma Process Polym. 2019, 16, 1800118. [Google Scholar] [CrossRef]
- Malyushevskaya, A.P.; Malyushevskii, P.P. A novel method to control electrical-discharge nonlinear bulk cavitation. Surf. Eng. Appl. Electrochem. 2007, 43, 59–64. [Google Scholar] [CrossRef]
- Malyushevskaya, A.P.; Malyushevskii, P.P. Electrodischarge cavitation intensification in the processes of fibrous material treatment. Surf. Eng. Appl. Electrochem. 2008, 44, 253–256. [Google Scholar] [CrossRef]
- Malyushevskaya, A.P.; Malyushevskii, P.P. Influence of free reflecting surfaces on the cavitation region excited by parallel underwater discharges. Surf. Eng. Appl. Electrochem. 2010, 46, 48–52. [Google Scholar] [CrossRef]
- Malyushevskaya, A.P.; Malyushevskii, P.P. To the mechanism of electrodischarge enhancement of processes for the purification of plant fibers from noncellulose substances: Part 1. The processing medium, task setting, and research procedure. Surf. Eng. Appl. Electrochem. 2016, 52, 263–269. [Google Scholar] [CrossRef]
- Malyushevskii, P.P.; Malyushevskaya, A.P.; Yushchishina, A.N. On the mechanism of electric discharge enhancement of processes for purifying plant fibers from noncellulose substances: Part 2. Chemical and electrophysical influence of electric discharge on an aqueous medium—Experimental investigations. Surf. Eng. Appl. Electrochem. 2017, 53, 383–393. [Google Scholar] [CrossRef]
- Malyushevskaya, A.P.; Malyushevskii, P.P. Optimization of the Process of Fine Electric Discharge Dispersion. Surf. Eng. Appl. Electrochem. 2020, 56, 400–406. [Google Scholar] [CrossRef]
- Vinnychenko, D.; Nazarova, N.; Vinnychenko, I. Transformerless High-Voltage Resonant Charging Systems for Capacitive Energy Storage Devices for Electro-Discharge Technologies. In Proceedings of the IEEE 41st International Conference on Electronics and Nanotechnology (ELNANO), Kyiv, Ukraine, 10–14 October 2022; pp. 727–731. [Google Scholar] [CrossRef]
- Yushishina, A.N.; Malyushevsky, P.P.; Smalko, A.A. Iodometric determination of electric discharge volumetric cavitation. Electron. Process Mater. 2002, 38, 76–79. [Google Scholar]
- Malyushevskaya, A.P.; Malyushevskij, P.P.; Levda, V.I. Electroexplosive nonlinear, volumetric cavitation in technological reactors. Part 1. Electrodischarge generation of a gas phase—Nucleus of cavitation. Electron. Process Mater. 2004, 40, 40–46. [Google Scholar]
- Ku, Y.; Chen, K.; Lee, K.C. Ultrasonic destruction of 2-chlorophenol in aqueous solution. Water Res. 1997, 31, 929–935. [Google Scholar] [CrossRef]
- Malyushevskaya, A.P.; Malyushevskii, P.P. Peculiarities of the Evolution of Electrical Discharge Cavitation in a Magnetic Field. Surf. Eng. Appl. Electrochem. 2022, 58, 158–166. [Google Scholar] [CrossRef]
- Mondal, J.; Li, W.; Rezk, A.R.; Yeo, L.Y.; Lakkaraju, R.; Ghosh, P.; Ashokkumar, M. Acoustic cavitation at low gas pressures in PZT-based ultrasonic systems. Ultrason. Sonochem. 2021, 73, 105493. [Google Scholar] [CrossRef]
- Gogate, P.R. Intensified sulfate radical oxidation using cavitation applied for wastewater treatment. Curr. Opin. Chem. Eng. 2022, 37, 100850. [Google Scholar] [CrossRef]
- Wang, X.; Zhou, M.; Jin, X. Application of glow discharge plasma for wastewater treatment. Electrochim. Acta 2012, 83, 501–512. [Google Scholar] [CrossRef]
- Sayinli, B.; Dong, Y.; Park, Y.; Bhatnagar, A.; Sillanpää, M. Recent progress and challenges facing ballast water treatment. Chemosphere 2022, 291, 1327764. [Google Scholar] [CrossRef] [PubMed]
- Ragni, L.; Berardinelli, A.; Iaccheri, E.; Gozzi, G.; Cevoli, C.; Vannini, L. Influence of the electrode material on the decontamination efficacy of dielectric barrier discharge gas plasma treatments towards Listeria monocytogenes and Escherichia coli. Innov. Food Sci. Emerg. Technol. 2016, 37, 170–176. [Google Scholar] [CrossRef]
- Hong, Y.C.; Ma, S.H.; Kim, K.; Shin, Y.W. Multihole dielectric barrier discharge with asymmetric electrode arrangement in water and application to sterilization of aqua pathogens. Chem. Eng. J. 2019, 374, 133–143. [Google Scholar] [CrossRef]
- Smirnov, A.P.; Khvoschan, O.V.; Zhekul, V.G. Erosion of the electrode during a high-voltage electrical discharge in a liquid. Electron. Process Mater. 2022, 58, 21–33. [Google Scholar] [CrossRef]





Disclaimer/Publisher’s Note: The statements, opinions and data contained in all publications are solely those of the individual author(s) and contributor(s) and not of MDPI and/or the editor(s). MDPI and/or the editor(s) disclaim responsibility for any injury to people or property resulting from any ideas, methods, instructions or products referred to in the content. |
© 2023 by the authors. Licensee MDPI, Basel, Switzerland. This article is an open access article distributed under the terms and conditions of the Creative Commons Attribution (CC BY) license (https://creativecommons.org/licenses/by/4.0/).
Share and Cite
Malyushevskaya, A.P.; Koszelnik, P.; Yushchishina, A.; Mitryasova, O.; Mats, A.; Gruca-Rokosz, R. Synergy Effect during Water Treatment by Electric Discharge and Chlorination. Environments 2023, 10, 93. https://doi.org/10.3390/environments10060093
Malyushevskaya AP, Koszelnik P, Yushchishina A, Mitryasova O, Mats A, Gruca-Rokosz R. Synergy Effect during Water Treatment by Electric Discharge and Chlorination. Environments. 2023; 10(6):93. https://doi.org/10.3390/environments10060093
Chicago/Turabian StyleMalyushevskaya, Antonina P., Piotr Koszelnik, Anna Yushchishina, Olena Mitryasova, Andrii Mats, and Renata Gruca-Rokosz. 2023. "Synergy Effect during Water Treatment by Electric Discharge and Chlorination" Environments 10, no. 6: 93. https://doi.org/10.3390/environments10060093
APA StyleMalyushevskaya, A. P., Koszelnik, P., Yushchishina, A., Mitryasova, O., Mats, A., & Gruca-Rokosz, R. (2023). Synergy Effect during Water Treatment by Electric Discharge and Chlorination. Environments, 10(6), 93. https://doi.org/10.3390/environments10060093

