Late Holocene Environmental History and Norse Settlement in Outer Fjords from South Greenland: A Case Study at Lake Qallimiut
Abstract
1. Introduction
2. Background
2.1. Human History
2.2. Palaeoenvironmental Context
2.3. Study Site Location and Archaeological Setting
3. Materials and Methods
3.1. Non-Destructive Sedimentological Analyses (Figure 2)
3.2. Destructive Sedimentological Analyses (Figure 2)
3.3. Pollen and Non-Pollen Palynomorphs Analyses
3.4. Numerical Analysis
4. Results
4.1. Core Chronology
4.2. Lithology, Physical, and Chemical Properties of the Laminated Facies
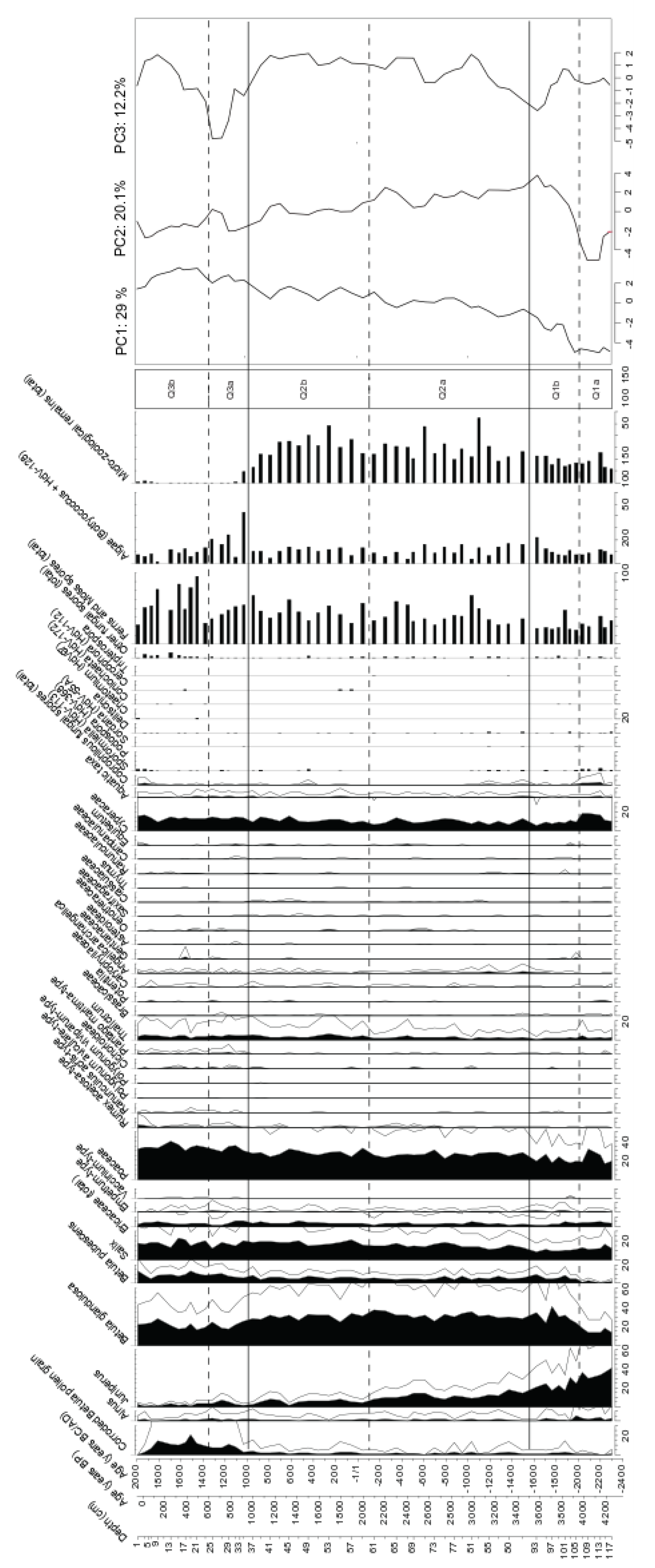
4.3. Pollen Diagram
4.4. PCA Result
5. Discussion
5.1. 2300–1500 BC: Transition from Holocene Thermal Maximum to Neoglacial
5.2. 1500 BC–1000 AD: The Pre-Landnam Landscape
5.3. 1000–1350 BC: Norse Farming Impact?
5.4. From Demise to Modern Agriculture
6. Conclusions
Author Contributions
Funding
Data Availability Statement
Acknowledgments
Conflicts of Interest
References
- Serreze, M.C.; Barry, R.G. Processes and impacts of Arctic amplification: A research synthesis. Glob. Planet. Change 2011, 77, 85–96. [Google Scholar] [CrossRef]
- Sørensen, M.; Gulløv, H.C. The Prehistory of Inuit in Northeast Greenland. Arct. Anthropol. 2012, 49, 88–104. [Google Scholar] [CrossRef]
- Jones, G. The Norse Altlantic Saga; Oxford University Press: New York, NY, USA, 1986; 337p. [Google Scholar]
- Arneborg, J.; Lynnerup, N.; Heinemeier, J.; Møhl, J.; Rud, N.; Sveinbjörnsdóttir, Á.E. Norse Greenland dietary economy ca. AD 980-ca. AD 1450: Introduction. J. North Atl. 2012, sp3, 1–39. [Google Scholar] [CrossRef]
- Arneborg, J.; Lynnerup, N.; Heinemeier, J. Human diet and subsistence patterns in Norse Greenland AD c. 980—AD c. 1450, Archaeological interpretations. J. North Atl. 2012, sp3, 119–133. [Google Scholar] [CrossRef]
- Gulløv, H.C. Nunarput, vort land–Thule kulturen 1200–1900. In Grønlands Forhistorie; Gulløv, H.C., Ed.; Gyldendal: Copenhagen, Denmark, 2004; pp. 281–341. [Google Scholar]
- Dugmore, A.; McGovern, T.; Vesteinsson, O.; Arneborg, J.; Streeter, R.; Keller, C. Cultural Adaptation, Compounding Vulnerabilities and Conjunctures in Norse Greenland. Proc. Natl. Acad. Sci. USA 2012, 109, 3658–3663. [Google Scholar] [CrossRef]
- Austrheim, G.; Asheim, L.-J.; Bjarnason, G.; Feilberg, J.; Fosaa, A.M.; Holand, Ø.; Høegh, K.; Jónsdóttir, I.S.; Magnuússon, B.; Mortensen, L.E.; et al. Sheep grazing in the North-Atlantic region—A long term perspective on management, resource economy and ecology. Mus. Nat. Hist. Archaeol. Rep. Zool. Ser. 2008, 3, 1–82. [Google Scholar]
- Madsen, C.K. Pastoral Settlement, Farming and Hierarchy in Norse Vatnahverfi, South Greenland. Ph.D. Thesis, Faculty of Humanities, University of Copenhagen, Copenhagen, Denmark, 2014; 440p. [Google Scholar]
- Jackson, R.; Arneborg, J.; Dugmore, A.; Madsen, C.; McGovern, T.; Smiarowski, K.; Streeter, R. Disequilibrium, adaptation, and the Norse settlement of Greenland. Hum. Ecol. 2018, 46, 665–684. [Google Scholar] [CrossRef]
- Fredskild, B. Studies in the vegetational history of Greenland. Medd. Om Grønland 1973, 198, 1–245. [Google Scholar]
- Fredskild, B. Paleobotanical investigations of some peat deposits of Norse age at Qagissiarssuk, South Greenland. Medd. Om Grønland 1978, 204, 1–41. [Google Scholar]
- Fredskild, B. Erosion and vegetational changes in South Greenland caused by agriculture. Geogr. Tidsskr. 1992, 92, 14–21. [Google Scholar] [CrossRef]
- McGovern, T. Climate correlation and causation in Norse Greenland. Arct. Anthropol. 1991, 28, 77–100. [Google Scholar]
- Lynnerup, N. Paleodemography of the Greenland Norse. Arct. Anthropol. 1996, 33, 122–136. [Google Scholar]
- Dugmore, A.J.; Church, M.J.; Buckland, P.C.; Edwards, K.J.; Lawson, I.; McGovern, T.; Panagiotakopulu, E.; Simpson, I.A.; Skidmore, P.; Sveinbjarnardottir, G. The Norse landnam on the North Atlantic islands, an environmental impact assessment. Polar Rec. 2005, 41, 21–37. [Google Scholar] [CrossRef]
- Commisso, R.G.; Nelson, D.E. Correlation between modern plant [delta]15N values and activity areas of Medieval Norse farms. J. Archaeol. Sci. 2008, 35, 492–504. [Google Scholar] [CrossRef]
- Buckland, P.C.; Edwards, K.J.; Panagiotakopulu, E.; Schofield, J.E. Palaeoecological and historical evidence for manuring and irrigation at Garðar (Igaliku), Norse Eastern settlement, Greenland. Holocene 2009, 19, 105–116. [Google Scholar] [CrossRef]
- Arneborg, J. Norse Greenland: Research into abandonment. In Medieval Archaeology in Scandinavia and Beyond: History, Trends and Tomorrow; Aarhus Universitetsforlag: Aarhus, Denmark, 2015; pp. 257–271. [Google Scholar]
- Gauthier, E.; Bichet, V.; Massa, C.; Vannière, B.; Petit, C.; Richard, H. Pollen and non-pollen palynomorph evidence of medieval farming activities in Greenland. Veg. Hist. Archaeobot. 2010, 19, 427–438. [Google Scholar] [CrossRef]
- Massa, C.; Bichet, V.; Gauthier, E.; Perren, P.; Mathieu, O.; Petit, C.; Monna, F.; Giraudeau, J.; Losno, R.; Richard, H. A 2500 Years Record of Natural and Anthropogenic Soil Erosion in South Greenland. Quat. Sci. Rev. 2012, 32, 119–130. [Google Scholar] [CrossRef]
- Perren, B.B.; Massa, C.; Bichet, V.; Gauthier, É.; Mathieu, O.; Petit, C.; Richard, H. A paleoecological perspective on 1450 years of human impacts from a lake in southern Greenland. Holocene 2012, 22, 1025–1034. [Google Scholar] [CrossRef]
- Bichet, V.; Gauthier, E.; Massa, C.; Perren, B.; Richard, H.; Petit, C.; Mathieu, O. The history and impacts of farming activities in south Greenland: An insight from lake deposits. Polar Rec. 2013, 49, 210–220. [Google Scholar] [CrossRef]
- Millet, L.; Massa, C.; Bichet, V.; Frossard, V.; Belle, S.; Gauthier, E. Anthropogenic versus climatic control in a high-resolution 1500-year chironomid stratigraphy from a South Western Greenland lake. Quat. Res. 2014, 81, 193–202. [Google Scholar] [CrossRef]
- Westergaard-Nielsen, A.; Bjørnsson, A.B.; Jepsen, M.R.; Stendel, M.; Hansen, B.U.; Elberling, B. Greenlandic sheep farming controlled by vegetation response today and at the end of the 21st Century. Sci. Total Environ. 2015, 512, 672–681. [Google Scholar] [CrossRef] [PubMed]
- Kaufman, D.S.; Ager, T.A.; Anderson, N.J.; Anderson, P.M.; Andrews, J.T.; Bartlein, P.J.; Brubaker, L.B.; Coats, L.L.; Cwynar, L.C.; Duvall, M.L.; et al. Holocene thermal maximum in the western Arctic (0–180 W). Quat. Sci. Rev. 2014, 23, 529–560. [Google Scholar] [CrossRef]
- Vinther, B.M.; Buchardt, S.L.; Clausen, H.B.; Dahl-Jensen, D.; Johnsen, S.J.; Fisher, D.A.; Koerner, R.M.; Raynaud, D.; Lipenkov, V.; Andersen, K.K.; et al. Holocene thinning of the Greenland ice sheet. Nature 2009, 461, 385–388. [Google Scholar] [CrossRef] [PubMed]
- Gajewski, K. Impact of Holocene climate variability on Arctic vegetation. Glob. Planet. Change 2015, 133, 272–287. [Google Scholar] [CrossRef]
- Massa, C.; Perren, B.; Gauthier, E.; Bichet, V.; Petit, C.; Richard, H. A 10-ka record of Environmental Change from Lake Igaliku, South Greenland. J. Palaeolimnol. 2012, 48, 241–258. [Google Scholar] [CrossRef]
- Kobashi, T.; Menviel, L.; Jeltsch-Thömmes, A.; Vinther, B.M.; Box, J.E.; Muscheler, R.; Nakaegawa, T.; Pfister, P.L.; Döring, M.; Leuenberger, M.; et al. Volcanic influence on centennial to millennial Holocene Greenland temperature change. Sci. Rep. 2017, 7, 1441. [Google Scholar] [CrossRef]
- Kaufman, D.S.; Schneider, D.P.; McKay, N.P.; Ammann, C.M.; Bradley, R.S.; Briffa, K.R.; Miller, G.H.; Otto-Bliesner, B.L.; Overpeck, J.T.; Vinther, B.M.; et al. Recent warming reverses long-term arctic cooling. Science 2009, 325, 1236e–1239e. [Google Scholar] [CrossRef]
- Moritz, R.E.; Bitz, C.M.; Steig, E.J. Dynamics of recent climate change in the Arctic. Science 2002, 297, 1497–1502. [Google Scholar] [CrossRef]
- Ledger, P.M.; Edwards, K.J.; Schofield, J.E. Vatnahverfi: A green and pleasant land? Palaeoecological reconstructions of environmental and land-use change. J. North Atl. 2014, sp6, 29–46. [Google Scholar] [CrossRef]
- Ledger, P.M.; Edwards, K.J.; Schofield, J.E. A multiple profile approach to the palynological reconstruction of Norse landscapes in Greenland’s Eastern Settlement. Quat. Res. 2014, 82, 22–37. [Google Scholar] [CrossRef]
- Ledger, P.M.; Edwards, K.J.; Schofield, J.E. Shieling activity in the Norse eastern settlement: Palaeoenvironment of the ‘Mountain farm’, Vatnahverfi, Greenland. Holocene 2013, 23, 810–822. [Google Scholar] [CrossRef]
- Edwards, K.J.; Schofield, J.E.; Mauquoy, D. High Resolution Paleoenvironmental and Chronological Investigations of Norse Landnam at Tasiusaq, Eastern Settlement, Greenland. Quat. Res. 2008, 6, 1–15. [Google Scholar] [CrossRef]
- Feilberg, J. A Phytogeographical Study of South Greenland Vascular Plants; Museum Tusculanum Press: Copenhagen, Denmark, 1984; Volume 15. [Google Scholar]
- Cappelen, J.; Jorgensen, B.V.; Laursen, E.V.; Stannius, L.S.; Thomsen, R.S. The Observed Climate of Greenland with Climatological Standard Normals, 1961–1990; DMI Technical Report No. 00-18; Danish Meteorological Institute: Copenhagen, Denmark, 2001; 152p. [Google Scholar]
- Cappelen, J. Weather Observations from Greenland 1958–2013. Observations Data with Description; DMI Technical Report No. 14-08; Danish Meteorological Institute: Copenhagen, Denmark, 2014; 24p. [Google Scholar]
- Madsen, C.K.; Arneborg, J.; Heide, P.B.; Smiarowski, K. Norse Coastal Farms; Field Report in the South West Vatnahverfi Peninsulan; Department of Danish Middle Age and Renaissance: Copenhagen, Denmark, 2009; 96p. [Google Scholar]
- Appleby, P.G. Chronostratigraphic techniques in recent sediments. In Tracking Environmental Change Using Lake Sediments: Basin Analysis, Coring, and Chronological Techniques; Springer: Dordrecht, The Netherlands, 2001; pp. 171–203. [Google Scholar]
- Appleby, P.G.; Oldfield, F. The calculation of lead-210 dates assuming a constant rate of supply of unsupported 210Pb to the sediment. Catena 1978, 5, 1–8. [Google Scholar] [CrossRef]
- Blaauw, M. Methods and code for ‘classical’ age-modelling of radiocarbon sequences. Quat. Geochronol. 2010, 5, 512–518. [Google Scholar] [CrossRef]
- Migeon, S.; Weber, O.; Faugeres, J.-C.; Saint-Paul, J. SCOPIX: A new X-ray imaging system for core analysis. Geo-Mar. Lett. 1998, 18, 251–255. [Google Scholar] [CrossRef]
- Arnaud, F.; Révillon, S.; Debret, M.; Revel, M.; Chapron, E.; Jacob, J.; Giguet-Covex, C.; Poulenard, J.; Magny, M. Lake Bourget regional erosion patterns reconstruction reveals Holocene NW European Alps soil evolution and paleohydrology. Quat. Sci. Rev. 2012, 51, 81–92. [Google Scholar] [CrossRef]
- Meyers, P.A.; Ishiwatari, R. Lacustrine organic geochemistry—An overview of indicators of organic matter sources and diagenesis in lake sediments. Org. Geochem. 1993, 20, 867–900. [Google Scholar] [CrossRef]
- Graz, Y.; Di-Giovanni, C.; Copard, Y.; Laggoun-Défarge, F.; Boussafir, M.; Lallier-Vergès, E.; Baillif, P.; Perdereau, L.; Simonneau, A. Quantitative palynofacies analysis as a new tool to study transfers of fossil organic matter in recent terrestrial environments. Int. J. Coal Geol. 2010, 84, 49–62. [Google Scholar] [CrossRef]
- Combaz, A. Les palynofaciès. Rev. Micropaléontologie 1964, 7, 205–218. [Google Scholar]
- Simonneau, A.; Chapron, E.; Vannière, B.; Wirth, S.B.; Gilli, A.; Di Giovanni, C.; Anselmetti, F.S.; Desmet, M.; Magny, M. Mass-movement and flood-induced deposits in Lake Ledro, Southern Alps, Italy: Implications for Holocene palaeohydrology and natural hazards. Clim. Past 2013, 9, 825–840. [Google Scholar] [CrossRef]
- Simonneau, A.; Chapron, E.; Garçon, M.; Winiarski, T.; Graz, Y.; Chauvel, C.; Debret, M.; Motelica-Heino, M.; Desmet, M.; Di Giovanni, C. Tracking Holocene glacial and high-altitude alpine environments fluctuations from minerogenic and organic markers in proglacial lake sediments (Lake Blanc Huez, Western French Alps). Quat. Sci. Rev. 2014, 89, 27–43. [Google Scholar] [CrossRef]
- Foucher, A.; Salvador-Blanes, S.; Evrard, O.; Simonneau, A.; Chapron, E.; Courp, T.; Cerdan, O.; Lefèvre, I.; Adriaensen, H.; Lecompte, F.; et al. Increase in soil erosion after agricultural intensification: Evidence from a lowland basin in France. Anthropocene 2014, 7, 30–41. [Google Scholar] [CrossRef]
- Fægri, K.; Iversen, J. Textbook of Pollen Analysis; Wiley: Chichester, UK, 1989. [Google Scholar]
- Reille, M. Pollen et Spores d’Europe et d’Afrique du Nord; Laboratoire de Botanique Historique et Palynologie: Marseille, France, 1992. [Google Scholar]
- van Geel, B. Non-pollen palynomorphs. In Tracking Environmental Change Using Lake Sediments (Terrestrial, Algal and Silicaceous Indicators); Smol, J.P., Birks, H.J.B., Last, W.M., Eds.; Kluwer: Dordrecht, The Netherlands, 2001; Volume 3, pp. 99–119. [Google Scholar]
- van Geel, B.; Aptroot, A. Fossil ascomycetes in Quaternary deposits. Nova Hedwig. 2006, 82, 313–329. [Google Scholar] [CrossRef]
- Beug, H.-J. Leitfaden der Pollenbestimmung fur Mitteleuropa und Angrenzende Gebiete; Pfeil: München, Germany, 2004. [Google Scholar]
- Caseldine, C. Changes in Betula in the Holocene record from Iceland—A palaeoclimatic record or evidence for early Holocene hybridisation? Rev. Palaeobot. Palynol. 2001, 117, 139–152. [Google Scholar] [CrossRef]
- Mäkelä, E. The Holocene history of Betula at Lake lilompolo, Inari Lapland, northeastern Finland. Holocene 1998, 8, 55–67. [Google Scholar] [CrossRef]
- Grimm, E.C. CONISS: A FORTRAN 77 Program for Stratigraphically Constrained Cluster Analysis by the Method of Incremental Sum of Squares. Comput. Geosci. 1987, 13, 13–35. [Google Scholar] [CrossRef]
- Grimm, E.C. Tilia Software; Illinois State Museum, Research and Collection Center: Springfield, IL, USA, 1991. [Google Scholar]
- Blackford, J.J.; Innes, J.B. Linking current environments and processes to fungal spore assemblages, surface NPM data from woodland environments. Rev. Palaeobot. Palynol. 2006, 141, 179–187. [Google Scholar] [CrossRef]
- Chapron, E.; Arnaud, F.; Noël, H.; Revel, M.; Desmet, M.; Perdereau, L. Rhone River flood deposits in Lake Le Bourget, a proxy for Holocene environmental changes in the NW Alps, France. Boreas 2005, 34, 404–416. [Google Scholar] [CrossRef]
- Di-Giovanni, C.; Disnar, J.R.; Bichet, V.; Campy, M.; Guillet, B. Geochemical characterization of soil organic matter and variability of a postglacial detrital organic supply (Chaillexon Lake, France). Earth Surf. Process. Landf. 1998, 23, 1057–1069. [Google Scholar] [CrossRef]
- Simonneau, A.; Doyen, E.; Chapron, E.; Millet, L.; Vannière, B.; Di Giovanni, C.; Bossard, N.; Tachikawa, K.; Bard, E.; Albéric, P.; et al. Holocene land-use evolution and associated soil erosion in the French Prealps inferred from Lake Paladru sediments and archaeological evidences. J. Archaeol. Sci. 2013, 40, 1636–1645. [Google Scholar] [CrossRef]
- Mulder, T.; Alexander, J. The physical character of subaqueous sedimentary density flows and their deposits. Sedimentology 2001, 48, 269–299. [Google Scholar] [CrossRef]
- Guillemot, T.; Zocatelli, R.; Bichet, V.; Jacob, J.; Massa, C.; Le Milbeau, C.; Richard, H.; Gauthier, E. Evolution of pastoralism in Southern Greenland during the last two millennia reconstructed from bile acids and coprophilous fungal spores in lacustrine sediments. Org. Geochem. 2015, 81, 40–44. [Google Scholar] [CrossRef]
- Guillemot, T.; Bichet, V.; Gauthier, E.; Zocatelli, R.; Massa, C.; Richard, H. Environmental responses of past and recent agro-pastoral activities on south Greenlandic ecosystems through molecular biomarkers. Holocene 2017, 27, 783–795. [Google Scholar] [CrossRef]
- Larsen, N.K.; Kjær, K.H.; Olsen, J.; Funder, S.; Kjeldsen, K.K.; Nørgaard-Pedersen, N. Restricted impact of Holocene climate variations on the Southern Greenland ice sheet. Quat. Sc. Rev. 2011, 130, 3171–3180. [Google Scholar] [CrossRef]
- Young, N.E.; Schweinsberg, A.D.; Briner, J.P.; Schaefer, J.M. Glacier maxima in Baffin Bay during the Medieval Warm Period coeval with Norse settlement. Sci. Adv. 2015, 1, e1500806. [Google Scholar] [CrossRef]
- Jomelli, V.; Lane, T.; Favier, V.; Masson-Delmotte, V.; Swingedouw, D.; Tinterknecht, V.; Schimmelpfennig, I.; Brunstein, D.; Verfaillie, D.; Adamson, K.; et al. Paradoxial cold conditions during the medieval climate anomaly in the Western Arctic. Sci. Rep. 2016, 6, 32984. [Google Scholar] [CrossRef] [PubMed]
- Grove, J.M. The initiation of the ‘Little Ice’ ‘Age’ in regions round the North Atlantic. Clim. Change 2001, 48, 53–82. [Google Scholar] [CrossRef]
- Nesje, A.; Dahl, S.O.; Matthews, J.A.; Berrisford, M.S. A 4500-yr record of river floods obtained from a sediment core in Lake Atnsjøen, eastern Norway. J. Paleolimnol. 2000, 25, 329–342. [Google Scholar] [CrossRef]
- Lamoureux, S. Five centuries of internannual sediment yield and rainfall-induced erosion in the Canadian High Arctic recorded in lacustrine varves. Water Resour. Res. 2000, 36, 309–318. [Google Scholar] [CrossRef]
- Bøe, A.G.; Dahl, S.O.; Lie, O.; Nesje, A. Holocene river floods in the upper Glomma catchment, southern Norway, a high-resolution multiproxy record from lacustrine sediments. Holocene 2006, 16, 445–455. [Google Scholar] [CrossRef]





| Depth (cm) | l | Radiocarbon Ages BP | Calibrated Ages (BC/AD) | Lab Code | 
|---|---|---|---|---|
| 19.5 | 400 ± 30 | 1438–1623 cal. AD | Beta-395567 | |
| 51.25 | 1710 ± 30 | 252–415 cal. AD | Beta-363187 | |
| 71.1 | 2480 ± 30 | 772–429 cal. BC | Lyon-9888 | |
| 88.4 | 3100 ± 30 | 1433–1278 cal. BC | Lyon-9889 | |
| 93.25 | 3375 ± 30 | 1744–1544 cal. BC | Lyon-9890 | |
| 95.75 | 3430 ± 30 | 1874–1626 cal. BC | Lyon-9891 | 
| Disclaimer/Publisher’s Note: The statements, opinions and data contained in all publications are solely those of the individual author(s) and contributor(s) and not of MDPI and/or the editor(s). MDPI and/or the editor(s) disclaim responsibility for any injury to people or property resulting from any ideas, methods, instructions or products referred to in the content. | 
© 2023 by the authors. Licensee MDPI, Basel, Switzerland. This article is an open access article distributed under the terms and conditions of the Creative Commons Attribution (CC BY) license (https://creativecommons.org/licenses/by/4.0/).
Share and Cite
Gauthier, E.; Currás, A.; Massa, C.; Guillemot, T.; Richard, H.; Bichet, V. Late Holocene Environmental History and Norse Settlement in Outer Fjords from South Greenland: A Case Study at Lake Qallimiut. Geosciences 2023, 13, 123. https://doi.org/10.3390/geosciences13040123
Gauthier E, Currás A, Massa C, Guillemot T, Richard H, Bichet V. Late Holocene Environmental History and Norse Settlement in Outer Fjords from South Greenland: A Case Study at Lake Qallimiut. Geosciences. 2023; 13(4):123. https://doi.org/10.3390/geosciences13040123
Chicago/Turabian StyleGauthier, Emilie, Andrés Currás, Charly Massa, Typhaine Guillemot, Hervé Richard, and Vincent Bichet. 2023. "Late Holocene Environmental History and Norse Settlement in Outer Fjords from South Greenland: A Case Study at Lake Qallimiut" Geosciences 13, no. 4: 123. https://doi.org/10.3390/geosciences13040123
APA StyleGauthier, E., Currás, A., Massa, C., Guillemot, T., Richard, H., & Bichet, V. (2023). Late Holocene Environmental History and Norse Settlement in Outer Fjords from South Greenland: A Case Study at Lake Qallimiut. Geosciences, 13(4), 123. https://doi.org/10.3390/geosciences13040123
 
        



 
       