Machine Learning-Assisted Output Optimization of Non-Resonant Motors
Abstract
1. Introduction
2. Prototype and Principle of a Non-Resonant Piezoelectric Actuator
2.1. Basic Structure
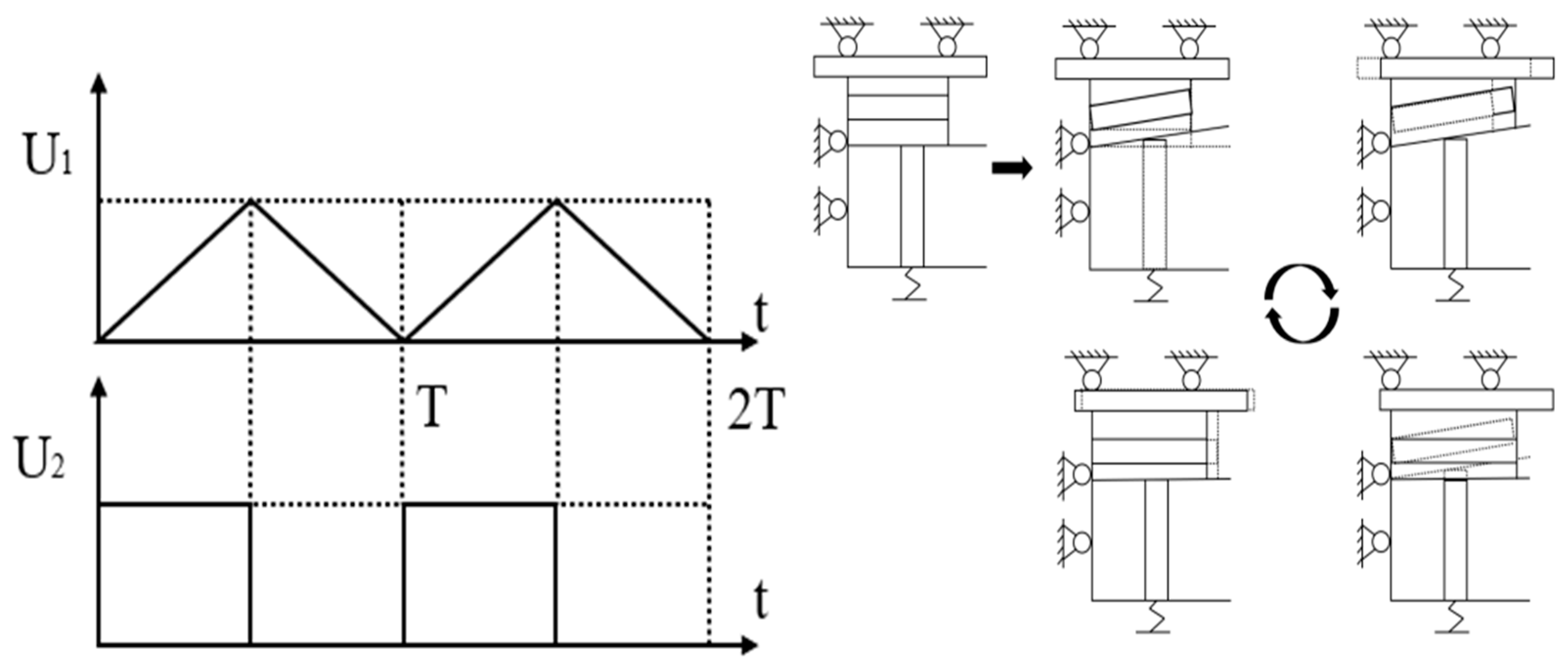
2.2. Principle of Operation
2.3. Electromechanical Input Parameters
- 1
- Input voltage of the stacked piezoelectric ceramics
- 2
- Frequency of the operating condition
- 3
- Direction of guideway motion
- 4
- Sampling period
- Referring to Figure 3, the two stacked piezoelectric ceramics are arranged in longitudinal and transverse rows, respectively. This arrangement increases the input voltage to the longitudinally stacked piezoelectric ceramics along the longitudinal direction of the mechanism. Conversely, the transverse stacked piezoelectric ceramics influence the motion of the guideway, and subsequent motion characterization studies are also conducted on the loaded guideway. Therefore, transverse voltage is selected as a parameter for the study.
- For the operating frequency, since the focus is on a non-resonant piezoelectric linear motor, the resonance frequency obtained from modal analysis is 4776 Hz, while the input frequencies used in this experiment are only 1 Hz and 10 Hz—significantly lower than the resonance frequency. Thus, the input frequency has a negligible impact on the experiment, though frequency is still used as a training feature to assess its influence.
- Due to the structural asymmetry of the non-resonant piezoelectric linear motor, the hysteresis effect of the piezoelectric ceramics [25,26,27], and the quality variations in the guideway friction surfaces, two motion directions of the guideway are set up, with guideway motion direction used as a study parameter.
- Data collected with different sampling periods may impact the final results; therefore, the sampling period is included as a parameter to explore whether its size has a significant effect.
3. Experiments
- (1)
- Experimental system
- (2)
- Continuous operation mode experiment
- (3)
- Experiment of stepping action mode
3.1. Data Acquisition
3.2. Random Forest Algorithm
3.3. Data Analysis
- (1)
- Normalization: Due to the wide range of data values, normalization was applied [41]. Data along the x and y-axis were scaled to the range [0, 1], while the z-axis data were scaled to the range [−1, 1]. The normalization formula used is:
- (2)
- Noise Reduction: Gaussian filters were employed to reduce noise and abrupt variations within the data [42]. The Gaussian function applied is defined as:
- (3)
- Interpolation: To generate smoother surfaces [43], the data were interpolated to estimate new data points between known data points. The interpolation function used is:
3.3.1. Finding the Minimum Input Voltage
- (1)
- Data Extraction and Fitting: The dataset was loaded, and displacement data for voltages of 28 V and 30 V were extracted. A linear fit was subsequently applied to this data to determine the slope and intercept of the fitted line.
- (2)
- Slope Analysis: By analyzing the range of slopes, it was observed that the slope of the fitted line is approximately −7.07 × 10−8 at 28 V and 2.17 × 10−6 at 30 V. Interpolation was then conducted to determine the voltage corresponding to intermediate slopes.
- (3)
- Interpolation Function Creation: A linear interpolation function was established to determine voltage values corresponding to slopes within the range of (0, 2.17 × 10−6). The interpolation formula is as follows:
- (4)
- Calculation Using Linear Interpolation: The displacement data for the corresponding intermediate voltage values were obtained through linear interpolation, using the following specific interpolation formula:
- (5)
- Data Fitting and Visualization: Finally, the interpolated data were subjected to a linear fit to determine the slope and intercept of the resulting line. The displacement data at 28 V, 30 V, and the interpolated voltages were visualized alongside their corresponding linear fitting results, as shown in Figure 12 below.
3.3.2. Finding the Optimal Voltage for Linear Motion
- (1)
- Peak Detection: The data points were iterated through to identify local maxima (peaks) and local minima (valleys) by comparing their relative magnitudes.
- (2)
- Downsampling: To enhance visualization and handle the high number of collected points, downsampling was applied. One data point was selected for every 100 data points to reduce the dataset size.
4. Conclusions
- (a)
- The developed model achieves a mean squared error (MSE) of 0.0037, demonstrating strong training stability and high predictive accuracy.
- (b)
- Among the four input features analyzed, voltage emerges as the most significant predictor of displacement increments, exhibiting substantially higher feature importance compared to the other variables. In contrast, the direction of guide rail motion, sampling period, and excitation frequency contribute negligibly to the model’s prediction capability.
- (c)
- The threshold input voltage required for the guide rail to overcome static friction and produce measurable displacement is determined to be 28.96 V. This voltage also corresponds to the point of maximum linearity in the guide rail’s motion, suggesting an optimal operating condition for precise positioning control.
Author Contributions
Funding
Institutional Review Board Statement
Informed Consent Statement
Data Availability Statement
Conflicts of Interest
References
- Zhou, S.; Wang, G. Finite element analysis of a compound device integrated into a piezoelectric actuator and a piezoelectric harvester. In Proceedings of the 2022 16th Symposium on Piezoelectricity, Acoustic Waves, and Device Applications (SPAWDA), Nanjing, China, 10–14 October 2022; pp. 415–419. [Google Scholar]
- Zymelka, D.; Takeshita, T.; Takei, Y.; Kobayashi, T.; Hanakawa, T. Soft packaging of flexible piezoelectric actuators for applications in wearable haptic devices. In Proceedings of the 2024 IEEE 37th International Conference on Micro Electro Mechanical Systems (MEMS), Austin, TX, USA, 21–25 January 2024; pp. 383–385. [Google Scholar]
- Surendran, N.; Durasiewicz, C.P.; Hoffmann, T.; Wille, A.; Bussmann, A.B.; Richter, M. Microfluidic delivery of high viscosity liquids using piezoelectric micropumps for subcutaneous drug infusion applications. IEEE Open J. Eng. Med. Biol. 2024, 5, 21–31. [Google Scholar] [CrossRef]
- Zhou, X.; Wu, S.; Wang, X.; Wang, Z.; Zhu, Q.; Sun, J.; Huang, P.; Wang, X.; Huang, W.; Lu, Q. Review on piezoelectric actuators: Materials, classifications, applications, and recent trends. Front. Mech. Eng. 2024, 19, 6. [Google Scholar] [CrossRef]
- Mohith, S.; Upadhya, A.R.; Navin, K.P.; Kulkarni, S.; Rao, M. Recent trends in piezoelectric actuators for precision motion and their applications: A review. Smart Mater. Struct. 2020, 30, 013002. [Google Scholar] [CrossRef]
- Xue, X. Plasmonic fiber-optic ultrasonic actuator. In Proceedings of the 2023 IEEE 7th International Symposium on Electromagnetic Compatibility (ISEMC), Hangzhou, China, 20–23 October 2023; pp. 1–5. [Google Scholar]
- Zhao, S.; Han, X.; Sang, Y. Application research of high-precision ultrasonic technology in position sensing for pneumatic actuators. In Proceedings of the 2024 International Conference on Intelligent Computing and Robotics (ICICR), Dalian, China, 12–14 April 2024; pp. 257–261. [Google Scholar]
- Li, Y.; Yuan, L.; Wang, L. Research on preload characteristics of the inertial piezoelectric actuator. In Proceedings of the 2023 17th Symposium on Piezoelectricity, Acoustic Waves, and Device Applications (SPAWDA), Chengdu, China, 10–12 November 2023; pp. 1–5. [Google Scholar]
- Sun, W.; Xu, Z.; Wang, K.; Li, X.; Tang, J.; Yang, Z.; Huang, H. An impact inertial piezoelectric actuator designed by means of the asymmetric friction. IEEE Trans. Ind. Electron. 2022, 70, 699–708. [Google Scholar] [CrossRef]
- Ma, J.; Li, J.; Lin, X.; He, X.; Hu, Y.; Li, J.; Wen, J. An inchworm and stick-slip dual mode piezoelectric linear actuator for cell injection. IEEE Access 2023, 11, 70534–70541. [Google Scholar] [CrossRef]
- Shan, J.; Li, Y.; Li, H.; Bai, D. Design and simulation of a 2-dof inchworm linear piezoelectric actuator. In Proceedings of the 2023 IEEE International Conference on Mechatronics and Automation (ICMA), Harbin, China, 6–9 August 2023; pp. 2283–2288. [Google Scholar]
- Guan, J.; Zhang, S.; Deng, J.; Liu, J.; Liu, Y. A driving-clamping integrated inch-worm linear piezoelectric actuator with miniaturization and high thrust density. IEEE Trans. Ind. Electron. 2024, 72, 801–810. [Google Scholar] [CrossRef]
- Ma, X.; Liu, J.; Deng, J.; Chang, Q.; Liu, Y. A simplified inchworm rotary piezoelectric actuator inspired by finger twist: Design, modeling, and experimental evaluation. IEEE Trans. Ind. Electron. 2023, 70, 12660–12669. [Google Scholar] [CrossRef]
- Qiu, C.; Ling, J.; Zhang, Y.; Ming, M.; Feng, Z.; Xiao, X. A novel cooperative compensation method to compensate for return stroke of stick-slip piezoelectric actuators. Mech. Mach. Theory 2021, 159, 104254. [Google Scholar] [CrossRef]
- Li, J.; Chen, S.; He, L.; Jian, J.; Hu, Y.; Wen, J.; Chen, S.; Kan, J. A bionic type piezoelectric actuator based on walking motion and asymmetrical l-shaped flexure mechanisms. IEEE/ASME Trans. Mechatron. 2022, 28, 1326–1336. [Google Scholar] [CrossRef]
- Wang, J.; Huang, H.; Zhao, H. Model-based optimization for structure dimension and driving signal of a stick-slip piezoelectric actuator. Mech. Syst. Signal Process. 2022, 164, 108191. [Google Scholar] [CrossRef]
- Gao, J.; Zhang, J.; Wang, Z.; She, M.; Tian, H.; Li, J.; Zhou, D. A multiple feedback parameter contact force closed-loop control piezoelectric actuator with high working performance retention. Mech. Syst. Signal Process. 2024, 212, 111275. [Google Scholar] [CrossRef]
- Hou, L. Research on the Compensation Control Method of Boost PFC Based on Data-Driven Technology. Doctoral Dissertation, Xi’an University of Technology, Xi’an, China, 2023. [Google Scholar] [CrossRef]
- Li, Y.H.; Zhao, C.H.; Zhou, Y.F.; Qing, Y.G. Data-driven deep neural network control for permanent magnet synchronous motors. J. Electr. Mach. Control 2022, 26, 115–125. [Google Scholar] [CrossRef]
- Makarem, S.; Delibas, B.; Koc, B. Data-Driven Tuning of PID Controlled Piezoelectric Ultrasonic Motor. Actuators 2021, 10, 148. [Google Scholar] [CrossRef]
- Sharadhi, A.K.; Gururaj, V.; Umadi, K.R.; Kumar, M.; Shankar, S.P.; Varadam, D. Comprehensive survey of different machine learning algorithms used for software defect prediction. In Proceedings of the 2022 International Conference on Decision Aid Sciences and Applications (DASA), Chiangrai, Thailand, 23–25 March 2022; pp. 425–430. [Google Scholar]
- Mozaffari, S.; Al-Jarrah, O.Y.; Dianati, M.; Jennings, P.; Mouzakitis, A. Deep learning-based vehicle behavior prediction for autonomous driving applications: A review. IEEE Trans. Intell. Transp. Syst. 2020, 23, 33–47. [Google Scholar] [CrossRef]
- Chang, L.; Wu, H.; Alshamrani, A.M. Nonlinear guided waves in the sandwich nanostructure coupled with piezoelectric actuator: Introducing machine learning approach to measure nonlinear phase velocities. Measurement 2024, 230, 114511. [Google Scholar] [CrossRef]
- Bender, A. Model-based condition monitoring of piezoelectric bending actuators. Sens. Actuators A Phys. 2023, 357, 114399. [Google Scholar] [CrossRef]
- Dai, Y.; Li, D.; Wang, D. Review on the nonlinear modeling of hysteresis in piezoelectric ceramic actuators. Actuators 2023, 12, 442. [Google Scholar] [CrossRef]
- Chen, G.; Yan, X.; Cai, J.; Guo, H. Hysteresis nonlinear modeling and compensation of piezoelectric ceramic sensors in micro measurement systems. Meas. Sci. Technol. 2018, 29, 095102. [Google Scholar] [CrossRef]
- He, L.; Wang, Z.; Zhou, Z. Dynamic modeling and control of piezoelectric ceramic actuators based on improved duhem. In Proceedings of the 2023 35th Chinese Control and Decision Conference (CCDC), Yichang, China, 20–22 May 2023; pp. 1622–1626. [Google Scholar]
- Qiu, S.; Cui, X.; Ping, Z.; Shan, N.; Li, Z.; Bao, X.; Xu, X. Deep learning techniques in intelligent fault diagnosis and prognosis for industrial systems: A review. Sensors 2023, 23, 1305. [Google Scholar] [CrossRef] [PubMed]
- Tama, B.A.; Vania, M.; Lee, S.; Lim, S. Recent advances in the application of deep learning for fault diagnosis of rotating machinery using vibration signals. Artif. Intell. Rev. 2023, 56, 4667–4709. [Google Scholar] [CrossRef]
- Sun, J.; Zhang, S.; Cheng, J.; Deng, J.; Liu, Y. Modeling and experiments of bipedal actuated linear piezoelectric platform with smooth motion and strong load capacity. IEEE Trans. Ind. Electron. 2024, 72, 2872–2881. [Google Scholar] [CrossRef]
- Wang, S.; Rong, W.; Wang, L.; Sun, L. Design, analysis and experimental performance of a stepping type piezoelectric linear actuator based on compliant foot driving. Smart Mater. Struct. 2016, 25, 115003. [Google Scholar] [CrossRef]
- Likitha, N.R.; Nagalakshmi, J. Improving prediction accuracy in drift detection using random forest in comparing with modified light gradient boost model. In Proceedings of the 2024 Ninth International Conference on Science Technology Engineering and Mathematics (ICONSTEM), Chennai, India, 4–5 April 2024; pp. 1–4. [Google Scholar]
- Briouza, S.; Gritli, H.; Khraief, N.; Belghith, S.; Singh, D. Classification of semg biomedical signals for upper-limb rehabilitation using the random forest method. In Proceedings of the 2022 5th International Conference on Advanced Systems and Emergent Technologies (IC_ASET), Hammamet, Tunisia, 22–25 March 2022; pp. 161–166. [Google Scholar]
- Wahyono, I.D.; Asfani, K.; Mohamad, M.M.; Saryono, D.; Putranto, H.; Haruzuan, M.N. Optimization of random forest with genetic algorithm for determination of assessment. In Proceedings of the 2022 International Conference on Electrical Engineering, Computer and Information Technology(ICEECIT), Jember, Indonesia, 22–23 November 2022; pp. 1–6. [Google Scholar]
- Aaboub, F.; Chamlal, H.; Ouaderhman, T. Analysis of the prediction performance of decision tree-based algorithms. In Proceedings of the 2023 International Conference on Decision Aid Sciences and Applications (DASA), Annaba, Algeria, 16–17 September 2023; pp. 7–11. [Google Scholar]
- Schidler, A.; Szeider, S. Sat-based decision tree learning for large data sets. J. Artif. Intell. Res. 2024, 80, 875–918. [Google Scholar] [CrossRef]
- Plaia, A.; Buscemi, S.; Fürnkranz, J.; Mencía, E.L. Comparing boosting and bagging for decision trees of rankings. J. Classif. 2022, 39, 78–99. [Google Scholar] [CrossRef]
- Louk, M.H.L.; Tama, B.A. Dualids: A bagging-based gradient boosting decision tree model for network anomaly intrusion detection system. Expert Syst. Appl. 2023, 213, 119030. [Google Scholar] [CrossRef]
- Khaire, U.M.; Dhanalakshmi, R. Stability of feature selection algorithm: A review. J. King Saud Univ.-Comput. Inf. Sci. 2022, 34, 1060–1073. [Google Scholar] [CrossRef]
- Au, Q.; Herbinger, J.; Stachl, C.; Bischl, B.; Casalicchio, G. Grouped feature importance and combined features effect plot. Data Min. Knowl. Discov. 2022, 36, 1401–1450. [Google Scholar] [CrossRef]
- Huang, L.; Qin, J.; Zhou, Y.; Zhu, F.; Liu, L.; Shao, L. Normalization techniques in training dnns: Methodology, analysis and application. IEEE Trans. Pattern Anal. Mach. Intell. 2023, 45, 10173–10196. [Google Scholar] [CrossRef]
- Särkkä, S.; Svensson, L. Bayesian Filtering and Smoothing; Cambridge University Press: Cambridge, UK, 2023; Volume 17. [Google Scholar]
- Panda, J.; Meher, S. An improved image interpolation technique using ola e-spline. Egypt. Inform. J. 2022, 23, 159–172. [Google Scholar] [CrossRef]
- Björck, A. Numerical Methods for Least Squares Problems; SIAM: Philadelphia, PA, USA, 2024. [Google Scholar]
- Luo, Y.-F.; Lu, K.-Y. An online state of health estimation technique for lithium-ion battery using artificial neural network and linear interpolation. J. Energy Storage 2022, 52, 105062. [Google Scholar] [CrossRef]
- James, G.; Witten, D.; Hastie, T.; Tibshirani, R.; Taylor, J. Linear Regression; Springer: Cham, Switzerland, 2023; pp. 69–134. [Google Scholar] [CrossRef]
- Calonico, S.; Cattaneo, M.D.; Farrell, M.H. Coverage error optimal confidence intervals for local polynomial regression. Bernoulli 2022, 28, 2998–3022. [Google Scholar] [CrossRef]


















| Parameter | Dimension | Maximum Free Stroke | Piezoelectric Constant | Capacitance | Stiffness |
|---|---|---|---|---|---|
| Value | 5 × 5 × 14 | 19.8 | 443 | 1080 | 118 |
| Unit | mm × mm × mm | μm | d33 (10−12 C/N) | nF | N/μm |
| Input Voltage (V) | 20 | 24 | 26 | 28 | 30 | 40 | 50 | 100 |
|---|---|---|---|---|---|---|---|---|
| Frequency (Hz) | 1 | 1 | 1 | 1 | 1 | 1 | 1 | 1/10 |
| Sampling period (μs) | 500 | 500 | 500 | 500 | 500 | 500 | 500 | 50/500 |
| Directional | Left/ Right | Left/ Right | Left/ Right | Left/ Right | Left/ Right | Left/ Right | Left/ Right | Left/ Right |
Disclaimer/Publisher’s Note: The statements, opinions and data contained in all publications are solely those of the individual author(s) and contributor(s) and not of MDPI and/or the editor(s). MDPI and/or the editor(s) disclaim responsibility for any injury to people or property resulting from any ideas, methods, instructions or products referred to in the content. |
© 2026 by the authors. Licensee MDPI, Basel, Switzerland. This article is an open access article distributed under the terms and conditions of the Creative Commons Attribution (CC BY) license.
Share and Cite
Sun, M.; Yu, P.; Cao, Z.; Zhu, M.; Su, S.; Zheng, L. Machine Learning-Assisted Output Optimization of Non-Resonant Motors. Actuators 2026, 15, 48. https://doi.org/10.3390/act15010048
Sun M, Yu P, Cao Z, Zhu M, Su S, Zheng L. Machine Learning-Assisted Output Optimization of Non-Resonant Motors. Actuators. 2026; 15(1):48. https://doi.org/10.3390/act15010048
Chicago/Turabian StyleSun, Mengxin, Pengfei Yu, Zhenwei Cao, Muzhi Zhu, Songfei Su, and Lukai Zheng. 2026. "Machine Learning-Assisted Output Optimization of Non-Resonant Motors" Actuators 15, no. 1: 48. https://doi.org/10.3390/act15010048
APA StyleSun, M., Yu, P., Cao, Z., Zhu, M., Su, S., & Zheng, L. (2026). Machine Learning-Assisted Output Optimization of Non-Resonant Motors. Actuators, 15(1), 48. https://doi.org/10.3390/act15010048

