Study and Experimental Verification on Anti-Disturbance Control Strategy for Electro-Mechanical Servo Systems
Abstract
1. Introduction
2. Classification and Structural Composition of EMA
3. Basic Equations and Mathematical Models of Core Components
3.1. Servo Motor
- (1)
- Assume that the three-phase winding of the stator is completely symmetrical.
- (2)
- Ignoring the saturation of magnetic circuit, the self-inductance and mutual inductance of each winding are assumed to be constant.
- (3)
- Ignore the stator core loss.
- (4)
- The effect of temperature change on the motor is not considered.
- (5)
- To simplify the mathematical model, the nonlinear friction torque is reduced to a constant efficiency.
3.2. Planetary-Roller Screw Pair
3.3. Force Sensor
3.4. Load Connection Point
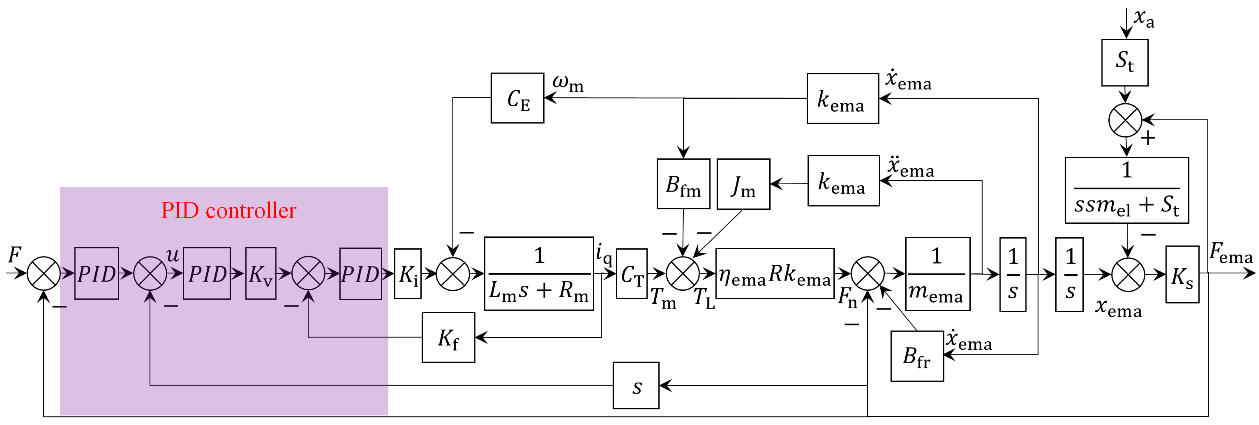
4. Anti-Disturbance Control Strategy for the Force Servo System
4.1. Establishment of an Open-Loop Model of the Force Servo System
4.2. Design of the Force Servo System Controller
- (1)
- Given a step command of 10 kN, a response curve of the DEMA system was obtained (as shown in Figure 9), with a rise time of 1.6 s and a steady-state error of 3 N (0.03%). It is worth mentioning that this result is relatively ideal. For actual EMA systems, such high control accuracy would not be possible due to sensor testing errors and nonlinear friction.
- (2)
- Given a sinusoidal command with an amplitude of 2 kN and a frequency of 1 Hz, a response curve of the DEMA system was obtained (as shown in Figure 10), wherein the input curve and the output curve almost completely overlapped, with a tracking error of 63 N (3.15%).
- (3)
- Given a sinusoidal command with an amplitude of 2 kN and a frequency of 5 Hz, a response curve of the DEMA system was obtained (as shown in Figure 11), wherein the overlap between the input curve and the output curve was relatively high, with a tracking error of 300 N (15%).
- (4)
- Given a sinusoidal command with an amplitude of 2 kN and a frequency of 10 Hz, a response curve of the DEMA system was obtained (as shown in Figure 12), wherein the overlap between the input curve and the output curve was slightly poor, with a tracking error of 550 N (27.5%).
4.3. Design of a Force Servo System Controller to Overcome External Position Disturbances
- (1)
- Given a motion command of 0 kN, a response curve of the DEMA system was obtained (as shown in Figure 15), wherein the system with the feedforward correction element added significantly weakened the disturbance force, with an output force of approximately 2 × 10−10 kN.
- (2)
- Given a step command of 2 kN, a response curve of the DEMA system was obtained (as shown in Figure 16), wherein the system with the feedforward correction element added exhibited a smooth output curve without jitter.
- (3)
- Given a sinusoidal command with an amplitude of 2 kN and a frequency of 5 Hz, a response curve of the DEMA system was obtained (as shown in Figure 17), wherein the system with the feedforward correction element added exhibited a smooth output curve without jitter, with a tracking error of 300 N (15%).
- (4)
- Given a sinusoidal command with an amplitude of 2 kN and a frequency of 10 Hz, a response curve of the DEMA system was obtained (as shown in Figure 18), wherein the system with the feedforward correction element added exhibited a smooth output curve without jitter, with a tracking error of 550 N (27.5%).
5. Anti-Disturbance Control Strategy for Position Servo System
5.1. Establishment of an Open-Loop Model of the Position Servo System
5.2. Design of the Position Servo System Controller
- (1)
- Under the condition of no disturbance force, the rise time of the 100 mm step response was 0.3 s, and the system exhibited a smooth output curve without steady-state error; for the response to the sinusoidal command of ±50 mm at 1 Hz, the output curve was smooth, with a tracking error of 4.2 mm (8.4%); for the response to the sinusoidal command of ±25 mm at 2 Hz, the output curve was smooth, with a tracking error of 3.8 mm (15.2%).
- (2)
- Under the condition of a random disturbance force within the range of ±1 kN, the accuracy and dynamic performance of the step response and sinusoidal response were almost unaffected, and the system exhibited a smooth output curve with almost no jitter.
- (3)
- Under the condition of an impact force of 5 kN, the output curves of the step response and sinusoidal response fluctuated slightly, and subsequently, the system immediately recovered to a dynamic steady state.
6. Building of the Test Bed and Analysis of the Test Data
6.1. Static Anti-Disturbance Test
6.2. Dynamic Anti-Disturbance Test
7. Conclusions
- (1)
- The classification and structural composition of EMAs were introduced first. Then, taking the DEMA and GEMA as objects of study and based on their working principles and connection methods, the basic equations of each core component were derived, the mathematical models were established for the force servo system and the position servo system, and the performance simulation models of core components and servo systems were built in Amesim. These efforts laid a solid foundation for the study of control strategies.
- (2)
- Under the condition of no external position disturbance, the DEMA force servo system introduced with a PID controller exhibited good motion accuracy and dynamic performance. However, under the condition of an external position disturbance signal of 10 mm at 5 Hz, the output curve of the DEMA force servo system fluctuated significantly, severely impacting the system performance.
- (3)
- Drawing on the principle of structure invariance and the mathematical model, a relatively complex high-order transfer function GT associated with various parameters such as speed and acceleration was derived and obtained as feedforward compensation, so as to suppress the impact of external position disturbances on the performance of the force servo system. Simulation results indicated that the DEMA force servo system introduced with a composite controller (consisting of a PID controller and a feedforward correction element) exhibited good anti-disturbance capability, rapidity, and loading accuracy, the output curve was smooth without jitter, and the system performance was almost unaffected by external position disturbances.
- (4)
- Speed feedback was introduced to increase the damping ratio of the position servo system, thereby enhancing its stability. Additionally, the tracking accuracy and rapidity of the position servo system were further improved by introducing a PID controller. Simulation results indicated that under the condition of no disturbance force, the GEMA position servo system exhibited good dynamic performance, while under multiple external disturbance forces, the motion accuracy and dynamic performance of the GEMA position servo system introduced with a PID controller were almost unaffected, and there was no need to adopt the composite control method (i.e., PID controller + feedforward correction element).
- (5)
- A dual-channel EMA performance testing system was developed based on the DEMA and GEMA, which consists of an ECU and a testing system. The static and dynamic anti-jamming tests were carried out. The experimental results show that the DEMA force servo system and the GEMA position servo system have high robustness and good anti-disturbance characteristics, and the tracking error and vibration amplitude are small. The test results were basically consistent with the simulation results, which verified the correctness of the single-channel EMA anti-disturbance control strategy and the availability of the simulation model and laid a solid foundation for subsequent research on dual-channel synchronous control strategies.
Author Contributions
Funding
Informed Consent Statement
Data Availability Statement
Conflicts of Interest
Abbreviations
| Parameter | Definition | Parameter | Definition |
| id | d-axis current (A) | Ki | Current control gain (Nm/A) |
| iq | q-axis current (A) | Kf | Current feedback coefficient (–) |
| Rm | Motor phase resistance (Ω) | Kv | Gain coefficient of q-axis (A/V) |
| Lm | Inductance in the d-axis and q-axis (mH) | CE | Back-EMF coefficient (V·s/rad) |
| u | Input signal (V) | CT | Motor torque constant (N·m/A) |
| Jm | Moment of inertia of motor rotor (kg·m2) | Tm | Motor electromagnetic torque (Nm) |
| ωm | Angular velocity of motor rotor (rad/s) | TL | Motor output torque (Nm) |
| θm | Angle of motor rotor (rad) | Td(t) | External disturbance torque (Nm) |
| Bfm | Motor rotational damping coefficient (Nms/rad) | ηema | Direct efficiency of the EMA system (–) |
| xema | Linear displacement of screw-pair output (m) | Fn | Input force of screw pair (N) |
| mema | Mass of screw pair (Kg) | Fema | Output force of screw pair (N) |
| Prs | Lead of screw pair (m) | Bfr | Friction coefficient of screw pair (N·s/m) |
| R | Reduction ratio of reducer (for DEMA takes 1) | kema | Transmission ratio of screw pair (1/m) |
| Ks | Stiffness of the force sensor (N/m) | xfs | Displacement of the load (m) |
| St | Connection stiffness (N/m) | mel | Load mass (Kg) |
References
- Lu, X.; Liang, J.; Liao, Y. Design of Fault Tolerant Permanent Magnet Motor in Direct Drive Electromechanical Actuator. J. Natl. Univ. Def. Technol. 2011, 33, 134–139. [Google Scholar]
- Zhao, J. Design and Research of Displacement-Speed Composite Regulating Electro-Hydrostatic Actuator for Rocket Rudder. Master’s Thesis, Harbin Institute of Technology, Harbin, China, 2014. [Google Scholar]
- Li, X. Research on the High-Precision Motion Control Method of Electromechanical Actuator System Based on System Disturbance Adaptive Identification and Suppression. Master’s Thesis, Nanjing University of Science & Technology, Nanjing, China, 2021. [Google Scholar]
- Derrien, J.C.; Sécurité, S.D. Electromechanical actuator (EMA) advanced technologies for flight controls. In Proceedings of the 28th International Congress of the Aeronautical Sciences, Brisbane, Australia, 23–28 September 2012; pp. 1–10. [Google Scholar]
- Rosero, J.A.; Ortega, J.A.; Aldabas, E.; Romeral, L.A.R.L. Moving towards a more electric aircraft. IEEE Aerosp. Electron. Syst. Mag. 2007, 22, 3–9. [Google Scholar] [CrossRef]
- Garcia, A.; Cusido, I.; Rosero, J.A.; Ortega, J.A.; Romeral, L. Reliable electro-mechanical actuators in aircraft. IEEE Aerosp. Electron. Syst. Mag. 2008, 23, 19–25. [Google Scholar] [CrossRef]
- AbdElhafez, A.A.; Forsyth, A.J. A review of more-electric aircraft. In Proceedings of the 13th International Conference on Aerospace Sciences & Aviation Technology, ASAT-13, Cairo, Egypt, 26–28 May 2009; pp. 1–13. [Google Scholar]
- Chen, X. Research on Control Strategy of Electromechanical Actuation Servo System for More Electric Aircraft. Ph.D. Thesis, Northwestern Polytechnical University, Xi’an, China, 2016. [Google Scholar]
- Albright, J.; Moore, L. Development and implementation of electromechanical actuators for the X-38 atmospheric test vehicles. In Proceedings of the 2008 AIAA Atmospheric Flight Mechanics Conference and Exhibit, Honolulu, HI, USA, 18–21 August 2008; p. 6569. [Google Scholar]
- Te, R.; Wang, N.; Yao, N.; Chen, X. A brief analysis of the development of the X-37B in the United States. Aerosp. China 2020, 504, 37–40. [Google Scholar]
- Qiao, G.; Liu, G.; Shi, Z.; Wang, Y.; Ma, S.; Lim, T.C. A review of electromechanical actuators for More/All Electric aircraft systems. Proc. Inst. Mech. Eng. Part C J. Mech. Eng. Sci. 2018, 232, 4128–4151. [Google Scholar] [CrossRef]
- Woodburn, D.; Wu, T.; Zhou, L.; Hu, Y.; Lin, Y.-R.; Chow, L.; Leland, Q. High-Performance Electromechanical Actuator Dynamic Heat Generation Modeling. IEEE Trans. Aerosp. Electron. Syst. 2014, 50, 530–541. [Google Scholar] [CrossRef]
- Giangrande, P.; Galassini, A.; Papadopoulos, S.; Al-Timimy, A.; Calzo, G.L.; Degano, M.; Galea, M.; Gerada, C. Considerations on the Development of an Electric Drive for a Secondary Flight Control Electromechanical Actuator. IEEE Trans. Ind. Appl. 2019, 55, 3544–3554. [Google Scholar] [CrossRef]
- Chen, J.; Wang, C.; Chen, J. Investigation on the selection of electric power system architecture for future more electric aircraft. IEEE Trans. Transp. Electrif. 2018, 4, 563–576. [Google Scholar] [CrossRef]
- Gong, X.; Ge, W.; Yan, J.; Zhang, Y.; Gongye, X. Review on the Development, Control Method and Application Prospect of Brake-by-Wire Actuator. Actuators 2020, 9, 15. [Google Scholar] [CrossRef]
- Line, C.; Manzie, C.; Malcolm, G.C. Electromechanical Brake Modeling and Control: From PI to MPC. IEEE Trans. Control Syst. Technol. 2008, 16, 446–457. [Google Scholar] [CrossRef]
- Peng, X.; Jia, M.; He, L.; Yu, X.; Lv, Y. Fuzzy sliding mode control based on longitudinal force estimation for electro-mechanical braking systems using BLDC motor. CES Trans. Electr. Mach. Syst. 2018, 2, 142–151. [Google Scholar] [CrossRef]
- Atia, M.R.A.; Haggag, S.A.; Kamal, A.M.M. Enhanced Electromechanical Brake-by-Wire System Using Sliding Mode Controller. J. Dyn. Syst. Meas. Control 2016, 138, 041003. [Google Scholar] [CrossRef]
- Nakkarat, P.; Kuntanapreeda, S. Observer-based backstepping force control of an electrohydraulic actuator. Control Eng. Pract. 2009, 17, 895–902. [Google Scholar] [CrossRef]
- Barambones, O.; Cortajarena, J.A.; Alkorta, P. New Control Schemes for Actuators. Actuators 2024, 13, 99. [Google Scholar] [CrossRef]
- Jing, C.; Xu, H.; Jiang, J. Practical torque tracking control of electro-hydraulic load simulator using singular perturbation theory. ISA Trans. 2020, 102, 304–313. [Google Scholar] [CrossRef]
- Ma, R.; Zhang, H.; Yuan, M.; Liang, B.; Li, Y.; Huangfu, Y. Chattering suppression fast terminal sliding mode control for aircraft EMA braking system. IEEE Trans. Transp. Electrif. 2021, 7, 1901–1914. [Google Scholar] [CrossRef]
- Huang, J.; Song, Z.; Wu, J.; Guo, H.; Qiu, C.; Tan, Q. Parameter Adaptive Sliding Mode Force Control for Aerospace Electro-Hydraulic Load Simulator. Aerospace 2023, 10, 160. [Google Scholar] [CrossRef]
- Kim, G.; You, S.; Lee, S.; Shin, D.; Kim, W. Robust nonlinear torque control using steering wheel torque model for electric power steering system. IEEE Trans. Veh. Technol. 2023, 72, 9555–9560. [Google Scholar] [CrossRef]
- Xing, X.; Zhang, S.; Huang, T.; Huang, J.S.; Su, H.; Li, Y. Spatial Iterative Learning Torque Control of Robotic Exoskeletons for High Accuracy and Rapid Convergence Assistance. In IEEE/ASME Transactions on Mechatronics; IEEE: Piscataway, NJ, USA, 2024. [Google Scholar]
- Özkan, B. Control of an Electromechanical Control Actuation System Using a Fractional Order Proportional, Integral, and Derivative-Type Controller. IFAC Proc. Vol. 2014, 47, 4493–4498. [Google Scholar] [CrossRef]
- Wrat, G.; Bhola, M.; Ranjan, P.; Mishra, S.K.; Das, J. Energy saving and Fuzzy-PID position control of electro-hydraulic system by leakage compensation through proportional flow control valve. ISA Trans. 2020, 101, 269–280. [Google Scholar] [CrossRef]
- Temporelli, R.; Boisvert, M.; Micheau, P. Control of an electromechanical clutch actuator using a dual sliding mode controller: Theory and experimental investigations. IEEE/ASME Trans. Mechatron. 2019, 24, 1674–1685. [Google Scholar] [CrossRef]
- Lu, H.; Li, Y.; Zhu, C. Robust synthesized control of electromechanical actuator for thrust vector system in spacecraft. Comput. Math. Appl. 2012, 64, 699–708. [Google Scholar] [CrossRef][Green Version]
- Wang, C.; Jiao, Z.; Quan, L. Nonlinear robust dual-loop control for electro-hydraulic load simulator. ISA Trans. 2015, 59, 280–289. [Google Scholar] [CrossRef] [PubMed]
- Ji, H.; Wei, Y.; Fan, L.; Liu, S.; Wang, Y.; Wang, L. Disturbance-Improved Model-Free Adaptive Prediction Control for Discrete-Time Nonlinear Systems with Time Delay. Symmetry 2021, 13, 2128. [Google Scholar] [CrossRef]
- Landau, I.D.; Constantinescu, A.; Rey, D. Adaptive narrow band disturbance rejection applied to an active suspension—An internal model principle approach. Automatica 2005, 41, 563–574. [Google Scholar] [CrossRef]
- Rcr, A.; Repa, B.; Emp, C. Hybrid data-driven fuzzy active disturbance rejection control for tower crane systems. Eur. J. Control 2021, 58, 373–387. [Google Scholar]
- Kumar, N.; Rani, M. Neural network-based hybrid force/position control of constrained reconfigurable manipulators. Neurocomputing 2021, 420, 1–14. [Google Scholar] [CrossRef]
- Chen, Q.; Chen, H.; Zhu, D.; Li, L. Design and Analysis of an Active Disturbance Rejection Robust Adaptive Control System for Electromechanical Actuator. Actuators 2021, 10, 307. [Google Scholar] [CrossRef]
- Zhang, M.; Li, Q. A Compound Scheme Based on Improved ADRC and Nonlinear Compensation for Electromechanical Actuator. Actuators 2022, 11, 93. [Google Scholar] [CrossRef]
- Zhang, P.; Shi, Z.; Yu, B. Research on Friction Compensation Method of Electromechanical Actuator Based on Improved Active Disturbance Rejection Control. Actuators 2023, 12, 445. [Google Scholar] [CrossRef]
- Fang, Q.; Zhou, Y.; Ma, S.; Zhang, C.; Wang, Y.; Huangfu, H. Electromechanical Actuator Servo Control Technology Based on Active Disturbance Rejection Control. Electronics 2023, 12, 1934. [Google Scholar] [CrossRef]
- Yang, G.; Wang, H.; Yao, J.; Zou, X. Multilayer neurocontrol of servo electromechanical systems with disturbance compensation. Appl. Soft Comput. 2024, 151, 111043. [Google Scholar] [CrossRef]
- Chaiprabha, K.; Chancharoen, R. A Deep Trajectory Controller for a Mechanical Linear Stage Using Digital Twin Concept. Actuators 2023, 12, 91. [Google Scholar] [CrossRef]
- Sun, Y.; Liang, X.; Wan, Y. Tracking Control of Robot Manipulator with Friction Compensation Using Time-Delay Control and an Adaptive Fuzzy Logic System. Actuators 2023, 12, 184. [Google Scholar] [CrossRef]
- Hu, J.; Cao, M.; Bai, Y.; Song, Q.; Yao, J. Dual cerebella model neural networks based robust adaptive output feedback control for electromechanical actuator with anti-parameter perturbation and anti-disturbance. Int. J. Adapt. Control Signal Process. 2024, 38, 1457–1476. [Google Scholar] [CrossRef]
- Liu, Y.-C. Disturbance-Observer-Based Sliding-Mode Speed Control for Synchronous Reluctance Motor Drives via Generalized Super-Twisting Algorithm. Actuators 2024, 13, 233. [Google Scholar] [CrossRef]
- Tahami, H.; Saberi, S.; Ali, B.M.; AbdulAmeer, S.; Abdul Hussein, A.H.; Chaoui, H. A Robust Hꝏ-Based State Feedback Control of Permanent Magnet Synchronous Motor Drives Using Adaptive Fuzzy Sliding Mode Observers. Actuators 2024, 13, 307. [Google Scholar] [CrossRef]
- Wang, D. Study on Synchronization Theory and Crucial Technology of Dual Redundant Electromechanical Actuation System. Ph.D. Thesis, Beihang University, Beijing, China, 2016. [Google Scholar]
- Gerada, C.; Bradley, K.; Whitley, C.; Towers, G. A directly driven EMA for aerospace application. In Proceedings of the International Conference on Recent advances in Aerospace Actuation Systems and Components, Toulouse, France, 13–15 June 2007; pp. 81–86. [Google Scholar]
- Curtiss-Wright. Exlar Electric Linear & Rotary Actuator Products. Available online: https://www.cw-actuation.com/en-gb/products (accessed on 1 October 2023).
- Zheng, S.; Fu, Y.; Wang, D.; Zhang, W.; Pan, J. Investigations on system integration method and dynamic performance of electromechanical actuator. Sci. Prog. 2020, 103, 0036850420940923. [Google Scholar] [CrossRef] [PubMed]
- Karam, W.; Mare, J.C. Modelling and simulation of mechanical transmission in roller-screw electromechanical actuators. Aircr. Eng. Aerosp. Technol. 2009, 81, 288–298. [Google Scholar] [CrossRef]
- Maré, J.-C. Practical Considerations in the Modelling and Simulation of Electromechanical Actuators. Actuators 2020, 9, 94. [Google Scholar] [CrossRef]
























Disclaimer/Publisher’s Note: The statements, opinions and data contained in all publications are solely those of the individual author(s) and contributor(s) and not of MDPI and/or the editor(s). MDPI and/or the editor(s) disclaim responsibility for any injury to people or property resulting from any ideas, methods, instructions or products referred to in the content. |
© 2024 by the authors. Licensee MDPI, Basel, Switzerland. This article is an open access article distributed under the terms and conditions of the Creative Commons Attribution (CC BY) license (https://creativecommons.org/licenses/by/4.0/).
Share and Cite
Zheng, S.; Wang, D.; Wei, J.; Yang, Y.; Zhu, J. Study and Experimental Verification on Anti-Disturbance Control Strategy for Electro-Mechanical Servo Systems. Actuators 2024, 13, 377. https://doi.org/10.3390/act13090377
Zheng S, Wang D, Wei J, Yang Y, Zhu J. Study and Experimental Verification on Anti-Disturbance Control Strategy for Electro-Mechanical Servo Systems. Actuators. 2024; 13(9):377. https://doi.org/10.3390/act13090377
Chicago/Turabian StyleZheng, Shicheng, Deyi Wang, Jingkun Wei, Yunjie Yang, and Jihong Zhu. 2024. "Study and Experimental Verification on Anti-Disturbance Control Strategy for Electro-Mechanical Servo Systems" Actuators 13, no. 9: 377. https://doi.org/10.3390/act13090377
APA StyleZheng, S., Wang, D., Wei, J., Yang, Y., & Zhu, J. (2024). Study and Experimental Verification on Anti-Disturbance Control Strategy for Electro-Mechanical Servo Systems. Actuators, 13(9), 377. https://doi.org/10.3390/act13090377

