Manufacture of a 4-Degree-of-Freedom Robot to Support an IRB 120 Robot
Abstract
1. Introduction
2. Materials and Methods
- A 3D printer;
- A filament reel of PLA;
- Four Arduino UNO boards;
- Four L298N motor controllers;
- Four Breadboards for Arduino UNO with 12 VDC 10 amp power supply;
- Push buttons;
- Potentiometers;
- Multiple connectors;
- 4 × GM 25-370 DC motors with encoder.
3. Development and Simulations
3.1. PI-V Controller Design for Four-Degrees-of-Freedom Robot
3.2. Lyapunov Stability Criterion
3.3. Open-Loop Simulations
3.4. Closed-Loop Simulations
3.5. Design of the Bounded PI-V Controller for the Four-Degrees-of-Freedom Robot
Lyapunov Stability Criterion for the Bounded PI-V
3.6. Closed-Loop Simulations for Bounded PI-V
3.7. Simulation Results of Robot Errors
4. Prototype Development
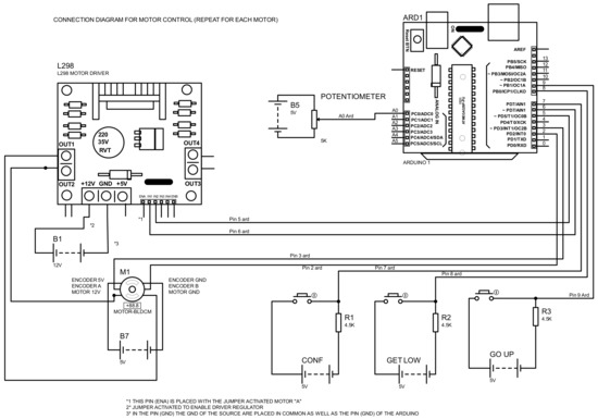
4.1. Electrical Diagrams
4.2. Results
4.3. Experimental Tests
5. Discussion
6. Conclusions
Supplementary Materials
Author Contributions
Funding
Data Availability Statement
Acknowledgments
Conflicts of Interest
Abbreviations
| DOF | Degrees of Freedom |
| PID | Integral and Derivative Proportional |
| PI-V | Integral and Proportional—the gain of the speed |
| SILS | Single-Incision Laparoscopic Surgery |
| HIM | Lagrange–Euler |
| PIDNN | Integral and Derivative Proportional with Neural Networks |
| PSO | Particle Swarm Optimization |
| YOLO | You Only Look Once |
| SLE | Exoskeleton System |
| PLA | Polylactic acid, thermoplastic type |
| VCD | Direct-Current Voltage |
| DH | Denavit–Hartenberg |
| PWM | Pulse width modulation |
Appendix A
Appendix A.1. Development of the 4-Degrees-of-Freedom Robot









Appendix A.2. Direct Kinematics of A Four-Degrees-of-Freedom Robot
- Number the links starting with 1 (first moving link in the chain) and ending with “n” (last moving link). The fixed base of the robot is numbered link 0;
- Number each joint starting with 1 (the one corresponding to the first degree of freedom) and ending with “n”;
- Locate the axis of each joint. If it is rotating, the axis will be its own axis of rotation. If it is prismatic, it will be the axis along which the displacement occurs;
- For i from 0 to place the axis on the axis of the joint
- Place the origin of the base system at any point on the axis . The axes and shall be positioned so as to form a right-handed system with ;
- For from 1 to , locate the origin of the system (attached to the link ) at the intersection of the axis with the common normal line and . If both axes were cut, it would be located at the cutting point. If they were parallel , it would be located at the joint ;
- Place on the common normal line and ;
- Place so that they form a right-handed system with and ;
- Place the system at the end of the robot so that matches the address of and be normal to and ;
- Obtain as the angle that must be rotated around so that and remain parallel;
- Obtain as the distance, measured along , that would have to be moved so that and were aligned;
- Obtain as the distance measured along (which would now coincide with ) that would have to be shifted to the new one for its origin to match ;
- Obtain as the angle that would have to be rotated around , so that the new totally coincided with ;
- Obtain the transformation matrices ;
- Obtain the transformation matrix that relates the base system to that of the robot end ;
- The matrix defines the orientation (rotation submatrix) and position (translation submatrix) of the end and refers to the base as a function of the n articular coordinates.

| It is the angle formed by the axes and measured in a plane perpendicular to the axis , using the right-hand ruler. This is a variable parameter in swivel joints. | |
| It is the distance along the axis from the origin of the coordinate system to the intersection of the axis with the axis . It is a variable parameter in prismatic joints. | |
| It is the distance along the axis that goes from the intersection of the axis with the axis . | |
| It is the angle of separation of the axis axis, measured in a plane perpendicular to the axis , using the right-hand ruler. |


Appendix A.3. Homogeneous Transformation Matrices
Appendix A.4. Four-Degrees-of-Freedom Robot Dynamics
Appendix B
Appendix B.1. Programming
| const int C1 = 3; //Sig A encoder const int C2 = 2; //Sig B encoder volatile int n = 0; volatile byte ant = 0; volatile byte act = 0; const int Pin_config = 7; const int Pin_m3_down = 8; const int Pin_m3_up = 9; int btn_config = 0; int btn_m3Down = 0; int btn_m3Up = 0; const int Pin_m3A1 = 5; const int Pin_m3A2 = 6; int m3A1 = 0; int m3A2 = 0; unsigned long lasTime = 0; unsigned long sampleTime = 100; const int r = 1980; //9592 Number of steps in the route const float recorrido = 360.0; //Distance of the route in m float angulo = 0.0; //Distance calibration float angulo_previo = 0.0; bool status = false; double setpoint = 0; double respuesta = 0; double Y1 = 0; double Y2 = 0; double Y3 = 0; uint32_t timer = 0; double dt = 0; double U = 0; double Gt = 35; //950 double Gd = 150; //0.3 double ki = 0.001; void setup() { Serial.begin(9600); pinMode(C1, INPUT); pinMode(C2, INPUT); attachInterrupt(digitalPinToInterrupt(C1), encoder, CHANGE); attachInterrupt(digitalPinToInterrupt(C2), encoder, CHANGE); pinMode(Pin_config, INPUT); pinMode(Pin_m3_down, INPUT); pinMode(Pin_m3_up, INPUT); pinMode(Pin_m3A1,OUTPUT); pinMode(Pin_m3A2,OUTPUT); timer = micros(); } void loop() { btn_config = digitalRead(Pin_config); btn_m3Down = digitalRead(Pin_m3_down); btn_m3Up = digitalRead(Pin_m3_up); //delay(200); if(btn_config == HIGH){ status = true; delay(1000); } if (btn_m3Down == HIGH and btn_m3Up == LOW) { analogWrite(Pin_m3A1,0); analogWrite(Pin_m3A2,250); } else if(btn_m3Down == LOW and btn_m3Up == HIGH) { analogWrite(Pin_m3A1,250); analogWrite(Pin_m3A2,0); }else { analogWrite(Pin_m3A1,0); analogWrite(Pin_m3A2,0); } setpoint = (analogRead(A0)*0.023)*(15,652)/1023; angulo = n*recorrido/r; Serial.print(“Modo manual: “); Serial.print(angulo,4); Serial.println(“ , setpoint = “ + String(setpoint)); U = 0; timer = micros(); while(status){ int atd = 150 ; setpoint = (analogRead(A0)*0.023)*(15,652)/1023; angulo_previo = angulo; angulo = n*recorrido/r; Y1 = angulo—setpoint; dt = (double)(micros()-timer)/100000;//original 1000000 timer = micros(); Y2 = (angulo − angulo_previo)/dt; //Y3 = Y3 + (10*ki*Y1); U = −(10*Gt*Y1) −(0 −((1*Gd*Y2); If(U < -atd){ U = −(atd; } else if(U > atd){ U = atd; } if(U <= −(15.0001){ analogWrite(Pin_m3A1,map(abs(U),5.001,165,2,250)); analogWrite(Pin_m3A2,0); } else if(U >= 15.0001){ analogWrite(Pin_m3A1,0); analogWrite(Pin_m3A2,map(U,5.001,165,2,250)); } else{ analogWrite(Pin_m3A1,0); analogWrite(Pin_m3A2,0); } Serial.println(“Ref = “ + String(setpoint) +”, error = “ + String(Y1) + “, posicion = “ + String(angulo) + “, U = “ + String(U) + “, velocidad = “ + String(Y2)); } } void encoder(void) { Ant = act; if(digitalRead(C1)) bitSet(act,1); else bitClear(act,1); if(digitalRead(C2)) bitSet(act,0); else bitClear(act,0); if(ant == 2 && act ==0) n++; if(ant == 0 && act ==1) n++; if(ant == 3 && act ==2) n++; if(ant == 1 && act ==3) n++; if(ant == 1 && act ==0) n--; if(ant == 3 && act ==1) n--; if(ant == 0 && act ==2) n--; if(ant == 2 && act ==3) n--; } |
References
- Jordán-Martínez, L.A.; Figueroa-García, M.G.; Pérez-Cruz, J.H. Modeling and Optimal Controller Based on Disturbance Detector for the Stabilization of a Three-link Inverted Pendulum Mobile Robot. Electronics 2020, 9, 1821. [Google Scholar] [CrossRef]
- Jia, Z.; Li, R.; Liu, J.; Wang, Y. Dynamic Modeling and Performance Analysis of a Hip Rehabilitation Robot. Biomimetics 2023, 8, 585. [Google Scholar] [CrossRef] [PubMed]
- Pisla, D.; Hajjar, N.A.; Gherman, B.; Radu, C.; Antal, T.; Tucan, P.; Literat, R.; Vaida, C. Development of a 6-DOF Parallel Robot for Potential Single-Incision Laparoscopic Surgery Application. Machines 2023, 11, 978. [Google Scholar] [CrossRef]
- Urrea, C.; Saa, D. Design, Simulation, Implementation, and Comparison of Advanced Control Strategies Applied to a 6-DoF Planar Robot. Symmetry 2023, 15, 1070. [Google Scholar] [CrossRef]
- Urrea, C.; Saa, D. Design and Implementation of a Graphic Simulator for Calculating the Inverse Kinematics of a Redundant Planar Manipulator Robot. Appl. Sci. 2020, 10, 6770. [Google Scholar] [CrossRef]
- Joyo, M.K.; Raza, Y.; Ahmed, S.F.; Billah, M.M.; Kadir, K.; Naidu, K.; Ali, A.; Mohd Yusof, Z. Optimized Proportional-Integral-Derivative Controller for Upper Limb Rehabilitation Robot. Electronics 2019, 8, 826. [Google Scholar] [CrossRef]
- Lee, T.; Kim, I.; Baek, Y.S. Design of a 2DoF Ankle Exoskeleton with a Polycentric Structure and a Bi-Directional Tendon-Driven Actuator Controlled Using a PID Neural Network. Actuators 2021, 10, 9. [Google Scholar] [CrossRef]
- Zhao, C.; Liu, Z.; Zhu, L.; Wang, Y. Design and Research of Series Actuator Structure and Control System Based on Lower Limb Exoskeleton Rehabilitation Robot. Actuators 2024, 13, 20. [Google Scholar] [CrossRef]
- Li, J.; Luo, J.; Guo, S.; Feng, B. Research on Yaw Stability Control Strategy Based on Direct Slip Rate Allocation. Electronics 2024, 13, 193. [Google Scholar] [CrossRef]
- Yang, Z.; Yan, K.; Zhang, Z.; Duan, H.; Liu, X.; Li, Y.; Zhang, D.; Yan, Y.; Fan, S. Research on the Anti-Swing Control Methods of Dual-Arm Wheeled Inspection Robots for High-Voltage Transmission Lines. Actuators 2023, 12, 472. [Google Scholar] [CrossRef]
- Yang, S.-Y.; Cheng, H.-Y.; Yu, C.-C. Real-Time Object Detection and Tracking for Unmanned Aerial Vehicles Based on Convolutional Neural Networks. Electronics 2023, 12, 4928. [Google Scholar] [CrossRef]
- Shaju, A.; Southward, S.; Ahmadian, M. PID-Based Longitudinal Control of Platooning Trucks. Machines 2023, 11, 1069. [Google Scholar] [CrossRef]
- Khan, H.; Khatoon, S.; Gaur, P.; Abbas, M.; Saleel, C.A.; Khan, S.A. Speed Control of Wheeled Mobile Robot by Nature-Inspired Social Spider Algorithm-Based PID Controller. Processes 2023, 11, 1202. [Google Scholar] [CrossRef]
- Folgheraiter, M.; Yessirkepov, S.; Umurzakov, T. NU-Biped-4.5: A Lightweight and Low-Prototyping-Cost Full-Size Bipedal Robot. Robotics 2023, 13, 9. [Google Scholar] [CrossRef]
- Ghorbanpour, A. Cooperative Robot Manipulators Dynamical Modeling and Control: An Overview. Dynamics 2023, 3, 820–854. [Google Scholar] [CrossRef]
- Jagatheesaperumal, S.K.; Rajamohan, V.P.; Saudagar, A.K.J.; AlTameem, A.; Sajjad, M.; Muhammad, K. MoMo: Mouse-Based Motion Planning for Optimized Grasping to Declutter Objects Using a Mobile Robotic Manipulator. Mathematics 2023, 11, 4371. [Google Scholar] [CrossRef]
- Huerta-Chua, J.; Diaz-Arango, G.; Vazquez-Leal, H.; Flores-Mendez, J.; Moreno-Moreno, M.; Ambrosio-Lazaro, R.C.; Hernandez-Mejia, C. Exploring a Novel Multiple-Query Resistive Grid-Based Planning Method Applied to High-DOF Robotic Manipulators. Sensors 2021, 21, 3274. [Google Scholar] [CrossRef]
- Chen, F.; Wang, F.; Dong, Y.; Yong, Q.; Yang, X.; Zheng, L.; Gao, Y.; Su, H. Sensor Fusion-Based Anthropomorphic Control of a Robotic Arm. Bioengineering 2023, 10, 1243. [Google Scholar] [CrossRef]
- Kusaka, T.; Tanaka, T. Partial Lagrangian for Efficient Extension and Reconstruction of Multi-DoF Systems and Efficient Analysis Using Automatic Differentiation. Robotics 2022, 11, 149. [Google Scholar] [CrossRef]
- Sarajchi, M.; Sirlantzis, K. Design and Control of a Single-Leg Exoskeleton with Gravity Compensation for Children with Unilateral Cerebral Palsy. Sensors 2023, 23, 6103. [Google Scholar] [CrossRef]
- Paixão, T.; Alvarez, A.B.; Florez, R.; Palomino-Quispe, F. Fuzzy Controller Implemented for Movement of a Tendon-Driven 3D Robotic Lumbar Spine Mechanism. Sensors 2023, 23, 9633. [Google Scholar] [CrossRef] [PubMed]
- Kajzr, D.; Myslivec, T.; Černohorský, J. Modelling, Analysis and Comparison of Robot Energy Consumption for Three-Dimensional Concrete Printing Technology. Robotics 2024, 13, 78. [Google Scholar] [CrossRef]
- Rybczak, M.; Popowniak, N.; Kozakiewicz, K. Applied AI with PLC and IRB1200. Appl. Sci. 2022, 12, 12918. [Google Scholar] [CrossRef]
- Kyrylovych, V.; Kravchuk, A.; Dobrzhanskyi, O.; Kryzhanivska, I.; Dimitrov, L. Automation of the Process of Attestation of Metrics for Industrial Robots Using Software Products CoppeliaSim and MATLAB. Eng. Proc. 2024, 70, 9. [Google Scholar] [CrossRef]
- Wang, R.; Guo, X.; Li, S.; Wang, L. Separation and Calibration Method of Structural Parameters of 6R Tandem Robotic Arm Based on Binocular Vision. Mathematics 2023, 11, 2491. [Google Scholar] [CrossRef]
- Shen, S.; Jin, L. State Reconstruction of Remote Robotic System Using Delayed Output and Torque Estimation. Symmetry 2024, 16, 975. [Google Scholar] [CrossRef]
- Xu, S. Disturbance Observer-Based Adaptive Fault Tolerant Control with Prescribed Performance of a Continuum Robot. Actuators 2024, 13, 267. [Google Scholar] [CrossRef]
- Wang, Y.; Zhang, W.; Shi, D.; Geng, Y. Design and Control of an Adaptive Knee Joint Exoskeleton Mechanism with Buffering Function. Sensors 2021, 21, 8390. [Google Scholar] [CrossRef]
- Palomino-Resendiz, S.I.; Lozada-Castillo, N.B.; Flores-Hernández, D.A.; Gutiérrez-Frías, O.O.; Luviano-Juárez, A. Adaptive Active Disturbance Rejection Control of Solar Tracking Systems with Partially Known Model. Mathematics 2021, 9, 2871. [Google Scholar] [CrossRef]
- Corke, P. Robotics, Vision and Control; Springer: Berlin, Heidelberg, 2011; Volume 73. [Google Scholar] [CrossRef]
- Spong, M.W.; Hutchinson, S.; Vidyasagar, M. Robot Modeling and Control, 2nd ed.; John Wiley & Sons: Hoboken, NJ, USA, 2020. [Google Scholar]
- Arimoto, S. Control Theory of Non-linear Mechanical Systems; Oxford University Press: Oxford, UK, 1996. [Google Scholar] [CrossRef]
- Guel-Cortez, A.J.; Méndez-Barrios, C.-F.; González-Galván, E.J.; Mejía-Rodríguez, G.; Félix, L. Geometrical design of fractional PD μ controllers for linear time-invariant fractional-order systems with time delay. Proc. Inst. Mech. Eng. Part I J. Syst. Control. Eng. 2019, 233, 815–829. [Google Scholar] [CrossRef]
- Reyes-Cortés, F. Robotics Control of Manipulator Robots; Alfaomega: Mexico City, Mexico, 2011; ISBN 978-607-707-190-7. [Google Scholar]



























| Id | Symbol | Unit | Description |
|---|---|---|---|
| 1 | Mass of the first link, the link coupling, and the motor | ||
| 2 | Mass of the second link, the link coupling, and the motor | ||
| 3 | Third link mass, link coupling, two bearings, and motor | ||
| 4 | Flange mass | ||
| 5 | Gravity |
| Eje 1 | |||||
| Control | RMSE | IAE | ITAE | ISE | ITSE |
| PVTANH | 0.742 | 2042 | 3702 | 1622 | 2928 |
| PIV | 10,434 | 32,490 | 55,664 | 506,001 | 809,115 |
| Eje 2 | |||||
| Control | RMSE | IAE | ITAE | ISE | ITSE |
| PVTANH | 1202 | 3481 | 6422 | 4745 | 8822 |
| PIV | 5961 | 19,418 | 35,358 | 181,531 | 311,114 |
| Eje 3 | |||||
| Control | RMSE | IAE | ITAE | ISE | ITSE |
| PVTANH | 1947 | 6062 | 11,471 | 14,680 | 28,281 |
| PIV | 10,443 | 32,549 | 55,890 | 508,019 | 814,458 |
| Eje 4 | |||||
| Control | RMSE | IAE | ITAE | ISE | ITSE |
| PVTANH | 1945 | 6055 | 11,502 | 14,647 | 28,439 |
| PIV | 10,434 | 32,481 | 55,648 | 505,822 | 808,838 |
| Line Color | Description | |
|---|---|---|
![]() | Blue | Reference value (S. P.) |
![]() | Red | Error |
![]() | Green | System output signal (angle given by the encoder) |
![]() | Orange | Control output value |
![]() | Purple | Engine speed |
Disclaimer/Publisher’s Note: The statements, opinions and data contained in all publications are solely those of the individual author(s) and contributor(s) and not of MDPI and/or the editor(s). MDPI and/or the editor(s) disclaim responsibility for any injury to people or property resulting from any ideas, methods, instructions or products referred to in the content. |
© 2024 by the authors. Licensee MDPI, Basel, Switzerland. This article is an open access article distributed under the terms and conditions of the Creative Commons Attribution (CC BY) license (https://creativecommons.org/licenses/by/4.0/).
Share and Cite
Balcazar, R.; Rubio, J.d.J.; Hernandez, M.A.; Pacheco, J.; Guel-Cortez, A.-J.; Ochoa, G.; Garcia, E.; Zacarías, A.; González, G.S. Manufacture of a 4-Degree-of-Freedom Robot to Support an IRB 120 Robot. Actuators 2024, 13, 483. https://doi.org/10.3390/act13120483
Balcazar R, Rubio JdJ, Hernandez MA, Pacheco J, Guel-Cortez A-J, Ochoa G, Garcia E, Zacarías A, González GS. Manufacture of a 4-Degree-of-Freedom Robot to Support an IRB 120 Robot. Actuators. 2024; 13(12):483. https://doi.org/10.3390/act13120483
Chicago/Turabian StyleBalcazar, Ricardo, José de Jesús Rubio, Mario Alberto Hernandez, Jaime Pacheco, Adrian-Josue Guel-Cortez, Genaro Ochoa, Enrique Garcia, Alejandro Zacarías, and Gabriela Saavedra González. 2024. "Manufacture of a 4-Degree-of-Freedom Robot to Support an IRB 120 Robot" Actuators 13, no. 12: 483. https://doi.org/10.3390/act13120483
APA StyleBalcazar, R., Rubio, J. d. J., Hernandez, M. A., Pacheco, J., Guel-Cortez, A.-J., Ochoa, G., Garcia, E., Zacarías, A., & González, G. S. (2024). Manufacture of a 4-Degree-of-Freedom Robot to Support an IRB 120 Robot. Actuators, 13(12), 483. https://doi.org/10.3390/act13120483






