Abstract
The design of the gear quantity and transmission parameters of a vehicle has large effects on its economical and power performance. This paper mainly researches the gear conditions (including the gear quantity and each gear’s transmission parameters) of two-gear and three-gear AMT (Automated Mechanical Transmission). This research uses Cruise software to build a multi-gear simulation model of a BEV (Battery Electric Vehicle) and adopts the LHS (Latin hypercube sampling) method to design an experiment plan and conduct a simulation experiment. This paper proposes a systematic method for influencing factor analyses and the optimization of transmission parameters, combining fuzzy theory, multiple regression, and particle swarm optimization. The research results show that the gear quantity allowing for optimal overall performance is three. The highest score obtained in the results of the simulation experiment for three-gear AMT is 11.15% higher than that of the two-gear AMT. The optimal design plan for the two-gear AMT is a small ig1 with a big k1, in which case the highest score of the regression model increases by 2.67% compared with that before modeling. The optimal design plan for the three-gear AMT is a big k1 with a big k2, in which case the highest score of the regression model increases by 12.78% compared with that before modeling. Then, this research uses PSO (particle swarm optimization) to further optimize the regression models and compares the difference between the highest scores in the results of the simulation experiment. The difference between the highest scores of the three-gear and two-gear AMT further increases to 21.95% after optimization. As shown in the results, the key factor influencing the performance of two-gear and three-gear AMT is gear quantity.
1. Introduction
With the continuous development of global industries, the energy waste problem and environmental concerns are becoming increasingly serious. In this regard, striving to develop a BEV (Battery Electric Vehicle) has been considered an important way to ameliorate energy consumption, environmental pollution, and other problems, and is an important developmental direction in the automobile field [1]. Moreover, a BEV has great advantages over internal combustion engine vehicles in terms of carbon peaking and carbon neutrality goals, structure simplification, exhaust gas emissions, operational efficiency, and so on. To bring these advantages into play, research on automatic transmissions is required [2].
Currently, most BEVs in mass production adopt a direct-driven mode and only few high-end electric vehicles have a two-gear AMT. This paper explores the overall performance changes in a BEV after the configuration of a two-gear or three-gear AMT. The first type of BEV with a two-gear AMT belongs to the Porsche Taycan, which was mass-produced in 2019 and which is as expensive as the BMW i8 [3]. The research in this paper can be applied to other vehicle models, like commercial battery electric vehicles. The optimization of the gear design and transmission parameters in this research can also serve as a reference for time and cost reductions in terms of transportation, etc. Therefore, there is plenty of room for research on the application of two-gear and multi-gear AMT to BEVs.
Research on the multiple gears of electric vehicles can improve the speed ratio range and the distribution of AMT, thereby improving the vehicles’ performance, saving fuel, and enhancing shift smoothness. Currently, studies on the multiple gears of electric vehicles focus on a comparison of the overall vehicle performance, and most of them focus on electric vehicles with a two-gear AMT and a fixed-gear-ratio transmission. To solve the low working efficiency of the driving motor of a BEV with a fixed speed ratio, the authors of [4] changed a fixed gear ratio into a two-gear AMT plan with the goal of reserving the power battery and driving motor. The simulation analysis and comparison results show that the two-gear AMT had a significant advantage in terms of the overall performance improvement of the BEV. The authors of [5] first compared the overall performance of BEVs with a fixed gear ratio and a two-gear AMT and then optimized the fixed gear ratio and two-gear transmission ratio, respectively, using a genetic algorithm. The results show that the BEV with the two-gear AMT had a better performance. With the goal of satisfying the desired power of electric off-roaders, the authors of [6] optimized the transmission ratio of a two-gear AMT with the minimum overall energy consumption as the optimization objective and obtained the optimal transmission ratio. The authors of [7] proposed an optimization method for the drivetrain system of a dual-motor off-road vehicle based on the power envelope (force–speed characteristics) difference between the minimizing target and the dual-motor model. The results show that compared to a single-motor drive system, the overall performance shows a significant improvement in terms of power. Furthermore, when compared to a non-optimized dual-motor system, there is a noticeable improvement in economic efficiency.
Compared with a vehicle with a fixed gear ratio, a vehicle with a multi-gear AMT can further improve the vehicle’s overall performance through different gear-shift control strategies. The authors of [8] developed a gear-shift control strategy using a transmission ratio obtained by the initial parameter matching and then adjusted the transmission ratio and proposed a transmission ratio range optimization plan to optimize the matching of the number of teeth, but this research adopted the same gear-shift control strategy throughout the entire process. To solve this problem, in the optimization of the transmission ratio of a BEV with a two-gear AMT, the authors of [9] dynamically adjusted the shift control strategy for each group of transmission ratios obtained after optimization. The simulation results show that the overall energy consumption reduced to some extent compared with that in a plan that did not adjust the shift control strategy dynamically. The authors of [10] proposed a new dual-motor four-wheel-drive electric vehicle configuration, featuring a two-gear transmission on the rear axle, based on the characteristics of the vehicle’s driving cycles. An energy management strategy was then developed, focusing on the optimal low-energy torque distribution for different gears. The driving efficiency under the same conditions but with different gears was compared, leading to the development of an optimal economical gear-shifting control strategy. The authors of [11] proposed a transmission system design consisting of a two-speed transmission without a clutch, paired with an open differential on each axle. This setup resulted in a drivetrain system with eight different gear combinations. Additionally, a “torque fill” control strategy was introduced to manage the gear-shifting process, compensating for torque gaps during shifts. The results show a significant reduction in energy consumption during both steady-state driving cycles and other driving cycles.
However, three-gear AMT is rarely applied in the electric vehicle field, and their development is currently mainly in the academic research stage. The authors of [12] considered the minimization of power loss in the power transmission process as the objective function and evaluated the energy utilization performance of an SPHT (Serial-Parallel Hybrid Transmission) with different numbers of gears using a dynamic planning method. The experimental results show that the fuel consumption of the engine reduced when the number of gears changed from 1 to 2 and from 1 to 3. The authors of [13] adopted a DOE (Design of Experiment) method allowing for an SPHT to choose the optimal transmission ratios of transmissions with three kinds of gear quantities and analyzed the effects on the overall acceleration performance, climbing performance, and fuel consumption when the hybrid power system was equipped with different transmissions. The results show that an increase in gears could improve the overall power performance of a vehicle and could reduce the entire vehicle’s battery discharge power and capacity, but this would reduce the improvement in overall fuel consumption. Reference [14] proposed a three-gear variable speed transmission to ensure the motor remains in the peak efficiency range, considering the minimum fuel consumption in a UDDS (Urban Dynamometer Driving Schedule) driving cycle as the objective, and obtained the final shift strategy after optimizing the transmission ratio. The energy consumption of a BEV with a three-gear AMT reduced by 9.3% compared with that of a BEV with a single-speed reducer. Reference [15] proposed a multi-target transmission ratio optimization method considering gear shift performance. The method first optimized the three-gear AMT’s transmission ratio to improve power performance, economical efficiency, and comfort, improved aspects of the three-gear AMT performance, such as shift time, clutch friction, and shift wobble, and finally made a comparison with two-gear and fixed-speed-ratio AMT in terms of performance. The results showed that the three-gear AMT had a superior performance to that of fixed-speed-ratio and two-gear AMT as a whole.
The studies above referred less to the influence of driving cycle on the reliability of research results regarding transmission parameters, but were more focused on driving cycle. This paper uses three driving cycles for the experiment to enhance the reliability of the experimental data. Because the increase in driving cycles causes an increase in the experiment groups, the paper uses an LHS (Latin Hypercube Sampling) experiment design method to reduce the number of experiment groups while maintaining the experimental plan’s randomness, homogeneity, and rationality [16], and then builds a comprehensive evaluation system with the energy consumption and power performance indexes in three driving cycles using fuzzy theory to analyze the AMT’s gear conditions (including the gear quantity and each gear’s transmission parameters). Then, the paper builds multiple regression models for two-gear and three-gear AMT based on the fuzzy theory evaluation system to explore the transmission parameter design plan. Finally, the paper optimizes two-gear and three-gear AMT with the PSO and the enumeration method, and then discusses the key factor causing the difference in performance between two-gear and three-gear AMT.
2. Establishment of the BEV Simulation Model
2.1. The Working Principle
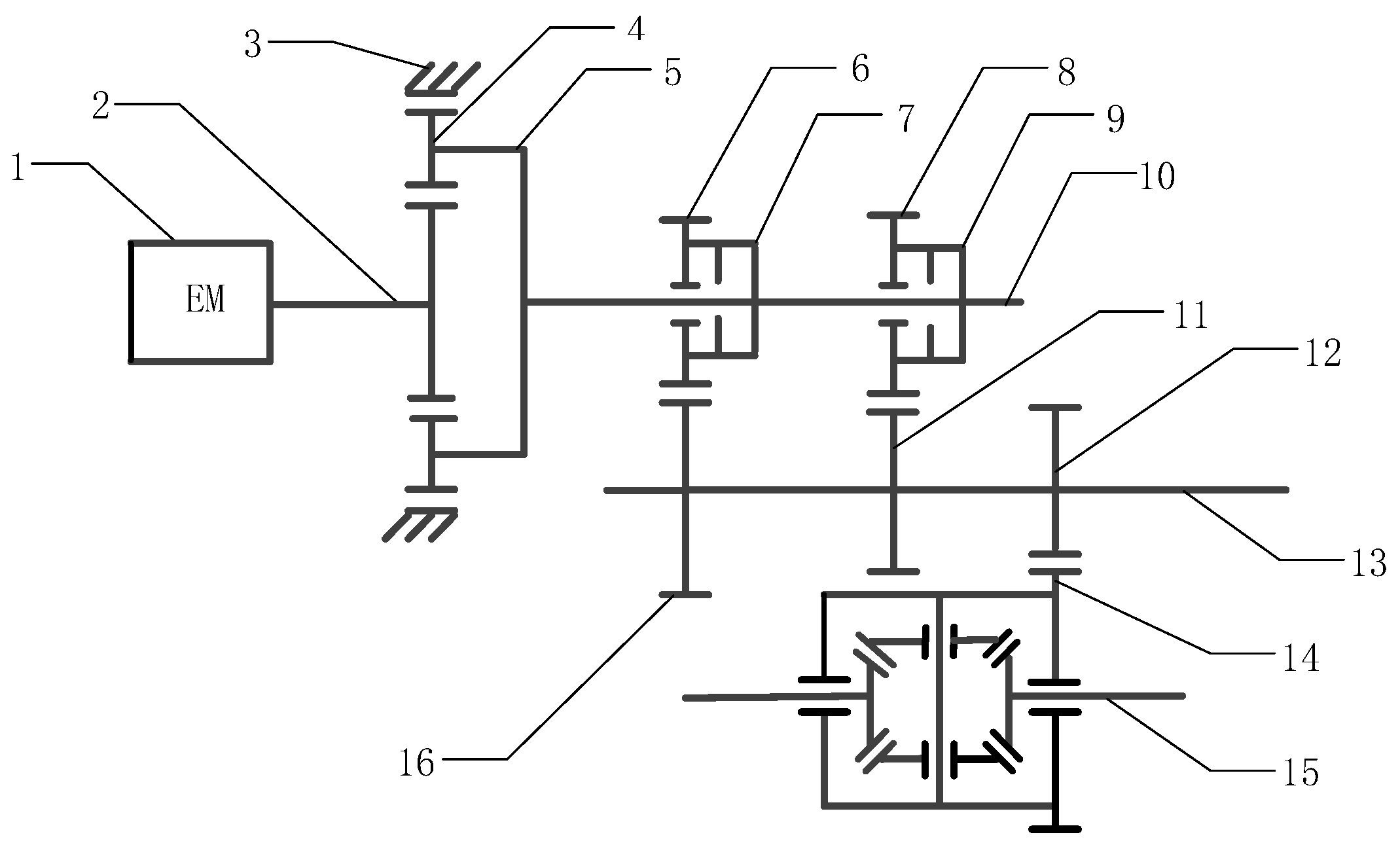
Figure 1 shows a schematic diagram of a two-gear AMT structure. As illustrated, the power from the driving motor is transmitted to the planetary carrier, which drives intermediate shaft 1. When clutch 1 is engaged and clutch 2 is disconnected, the power continues to drive intermediate shaft 2 via the first gear’s driven gear, causing the driving gear of the main reducer to rotate. This rotation drives the driven gear of the main reducer, transmitting power to the main reducer, which ultimately drives the differential to output power from both ends of the output shaft. This describes the power transmission route for the first gear. When clutch 1 is disconnected and clutch 2 is engaged, the power flows through the second gear’s driven gear to drive intermediate shaft 2. The subsequent power transmission follows the same route as that of the first gear, forming the second-gear power transmission route.
Figure 1.
Schematic diagram of two-gear AMT. (1—driving motor; 2—input shaft; 3—brake; 4—planet wheel; 5—planetary carrier; 6—driving gear of the first gear; 7—clutch 1; 8—driving gear of the second gear; 9—clutch 2; 10—intermediate shaft 1; 11—driven gear of the second gear; 12—driving gear of main reducing gear; 13—intermediate shaft 2; 14—driven gear of main reducing gear and differential gear; 15—output shaft; 16—driven gear of the first gear).
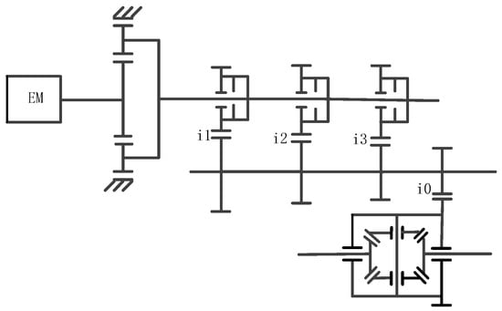
Figure 2 shows the structure schematic of a three-gear AMT, which operates similarly to the two-gear AMT described above. For BEVs, multi-gear AMT offers the following advantages over systems with fewer gears or fixed-ratio transmissions:
Figure 2.
Schematic diagram of three-gear AMT.
(1) Higher efficiency. Multi-gear AMT enables a more precise match between the motor and its operating speed. By selecting the appropriate gear positions, the electric vehicle can ensure that the motor more frequently operates within its optimal range across different vehicle speeds, thereby enhancing overall performance and efficiency.
(2) Improved driving experience. Multi-gear AMT facilitates smoother acceleration and deceleration, leading to a more comfortable driving experience.
(3) Enhanced energy utilization. Multi-gear AMT adjusts gear positions effectively across various driving conditions, which improves energy efficiency and extends the range of the battery.
Despite the advantages over AMT with fewer gears or fixed-speed-ratio transmission plans, the three-gear AMT has limitations, including a complex design, a more intricate production process, and greater difficulties in their control compared to two-gear AMT. Therefore, the selection of an appropriate transmission system requires a comprehensive consideration of the practical operating conditions and requirements of the vehicle. Moreover, the claim that multi-gear AMT outperforms AMT with fewer gears has yet to be validated in real-world driving scenarios. This study focuses on the factors influencing gear quantity and transmission parameters. Additionally, the research provides a reference for simulation experiments, assisting manufacturers before sample car production and thus reducing the need for physical and financial resources during the research and development phase.
2.2. Parameter Matching
Using a BEV with a fixed-speed-ratio transmission plan as the research object, this paper proposes and designs two-gear and three-gear AMT plans based on this concept. The specific parameters of the vehicle used are presented in Table 1.
Table 1.
Basic parameters of the vehicle.
Given the high efficiency, high reliability, wide operating range, and favorable external characteristics of the permanent magnet synchronous motor, this study selected it as the driving motor for the BEV.
Based on the design values of the performance indices listed in the table, calculations were conducted to select the driving motor parameters for the model. In Formula (1), Pmax1 represents the motor output power of an electric vehicle at a maximum speed of 150 km/h on a level road, Pmax2 denotes the motor output power at 30 km/h with a maximum gradeability of 30%, and Pmax3 refers to the motor output power when the vehicle accelerates from 0 to 100 km/h within 11 s [17].
where uamax denotes the maximum speed, um represents the final speed within the acceleration range, δ is the rotational mass conversion coefficient, tm is the acceleration time, ua refers to the continuous climbing speed, and αmax indicates the maximum grade ability.
The parameters listed in Table 1 were substituted into Formula (1), resulting in the following formula:
The driving motor’s power must simultaneously satisfy the design requirements for maximum speed, maximum gradeability, and a 0–100 km/h acceleration time. Therefore, the motor output power Pmax should meet the condition . Considering that the motor inevitably incurs some energy losses, a margin of 10~15% is recommended when selecting motor power. Thus, Pmax = 75 kw.
Figure 3 shows a contour map of motor efficiency.
Figure 3.
Contour map of motor efficiency.
Based on the motor characteristics and the economic performance discussed in this paper, an economical shift in control strategy, commonly used in the market and by research institutions, is adopted. This strategy selects the intersection point of the speed–efficiency curves between two adjacent gears, used as the shift point [18].
The gear count of the AMT is closely linked to the overall performance of BEVs. Increasing the number of gears enables the driving motor to operate more frequently within its high-efficiency range, significantly enhancing economic performance. However, a higher gear count also raises the manufacturing cost of AMT, making it essential to select an appropriate number of gears. Additionally, it has been noted that most BEVs have a direct-driven configuration. While two-gear BEVs are already in production, their overall presence in the market remains limited. Therefore, this paper primarily examines the performance of BEVs equipped with two-gear and three-gear AMT.
To better meet the power performance requirements of vehicles, this paper designs the first-gear transmission ratio, which is primarily based on two performance indicators: maximum gradeability and maximum speed [19].
(1) A design is established with a stable speed ua = 30 km/h and a gradeability of 30%.
where Tmax represents the maximum driving torque, ua is the continuous climbing speed, and ig1 denotes the first-gear transmission ratio.
(2) The design is based on the maximum motor speed and driving power required to achieve a top vehicle speed of 150 km/h.
where Tnmax represents the torque at the maximum driving motor speed, umax denotes the maximum vehicle speed, and nmax is the peak driving speed.
The transmission ratio range for the first gear was designated as .
The ratio between AMT gears should not exceed 1.8 [20], as higher ratios may lead to difficulties in gear shifting. A total of 1.8 was set as the upper limit, and 1.1 as the lower limit, which should not be too low; thus, the acceptable range for the gear ratio is [1.1,1.8]. The first-gear transmission ratio was calculated based on the power performance requirements. From this, using Formula (6), the second-gear transmission ratio for two-gear AMT was determined according to the ratio range defined by k1, and the third-gear transmission ratio for three-gear AMT was designed according to the ratio range defined by k2.
By using the control variable method, all factors except the number of gears in the transmission were standardized. For both two-speed and three-speed transmissions, the same motor, the same range of first-gear transmission ratios, and consistent gear–gear ratio ranges were employed. These ranges were determined using identical power performance metrics, ensuring the reliability of our analysis concerning the number of gears.
2.3. Establishment of the Complete Vehicle Model
The vehicle model was developed using AVL-Cruise (version: 2019) software, which is primarily employed to simulate and analyze key vehicle performance metrics such as power and fuel economy. The modular modeling approach of the software streamlines the entire vehicle modeling process, making it more efficient and user-friendly. Additionally, it features an interactive interface with other software platforms like Matlab and dSPACE. AVL-Cruise offers a variety of vehicle models, including new energy vehicles, hybrid electric locomotives, off-road vehicles, and driving cycles. The user-friendly design of the AVL-Cruise software has led to its widespread use in vehicle-related enterprises and research institutes [21].
The electric vehicle model developed with this software is shown in Figure 4.
Figure 4.
Full-vehicle model of a BEV.
(1) To build the model, start by dragging the necessary modules from the Modules library into the model construction area, establishing both mechanical and electrical connections between them.
(2) Open the parameter settings interface for each module and input the specific parameters required to complete the vehicle model configuration.
(3) After setting the parameter, connect the data buses between components to ensure accurate data flow for inputs and outputs.
(4) Configure the simulation tasks in the Task Folder according to the research objectives.
(5) Run the vehicle model, and the result manager in the software will record all experimental data and corresponding graphs from the simulation tasks.
Given the large number of components in the model, the focus will be on the most critical modules: the drive motor and the AMT module for modeling explanations.
The drive motor model corresponds to the eDrive module shown in Figure 4, with its main parameter settings interface illustrated in Figure 5.
Figure 5.
Drive motor parameter settings interface.
The required input parameters include the motor type, rated voltage, peak speed, and other specifications. For instance, in Figure 5, “Type of Machine: PSM” indicates that the motor type is a Permanent Magnet Synchronous Motor (PMSM). Figure 6 displays the interface for inputting the efficiency map data of the drive motor, where (a) represents speed, (b) represents torque, and (c) represents motor efficiency. Once the efficiency map data are entered into this interface, the drive motor model is complete.
Figure 6.
Drive motor map data settings interface.
The AMT model corresponds to the Gear Box module shown in FIG. 4, with its main parameter configuration interface illustrated in Figure 7. After entering parameter b, which represents the transmission ratio of each gear, the module automatically matches the number of teeth on the driving and driven gears for the current gear position. Additionally, values for e and f can be input as needed for research purposes. This allows the module to automatically adjust the ratio of teeth between the driving and driven gears, yielding the appropriate transmission ratio.
Figure 7.
Transmission gear ratio settings interface.
The parameter configuration process for other modules in the model is similar to that presented above, with each settings window offering a user-friendly, highly integrated visual interface that facilitates easy input.
3. Experiment Plan Design and Result Analysis
3.1. LHS Design Principle
Mc Kay et al. [22] introduced the LHS method in 1979, which is a design approach for selecting sample points in a multi-dimensional space. It is widely used in numerical simulations and experiment design.
Unlike unrestricted random sampling, LHS utilizes the principle of stratified sampling. It begins by defining a sampling range, and based on the domain xi ∈ [xia, xib], divides this range evenly into S sections of equal length, such that xia = xi0 < xi1 < … < xis−1 < xis = xib, i = 1, 2, …, n. In this way, the sampling range is segmented into Sn hypercubes. Next, an n × S matrix M is generated through a random permutation of sequence {1, 2, …, n}. In the matrix, each row corresponds to a small hypercube, from which a point is selected as the final sample point. Figure 8 illustrates a comparison between LHS sampling points and randomly generated sampling points.
Figure 8.
A comparison of LHS sampling and random sampling.
As shown in Figure 8, each partitioned interval includes LHS sample points, unlike random sampling, where points may be unevenly distributed or clustered on one side, resulting in a suboptimal range and distribution. One key advantage of LHS is that it ensures sample points are spread across the entire range of input variable values. Additionally, LHS rearranges the sample points for the input variables while minimizing the correlations among the randomly sampled points for each variable.
In addition, the Monte Carlo method is a simple, effective, and widely adopted experimental design approach. However, its ability to ensure the quality of sample points becomes evident only with large-scale sampling. In contrast, LHS can deliver highly accurate and reliable results even with small-scale sampling [23].
On the other hand, in full factorial experiments, the number of experimental designs grows exponentially as the number of input variables increases. In contrast, LHS can maintain a relatively low number of experimental designs, even when the number of input variables varies, while still ensuring the randomness and validity of the sample points. Therefore, LHS offers a significant advantage in studies involving varying numbers of variables.
3.2. LHS Experiment Table
Based on the LHS method described in Section 3.1, the experimental design table required for this study was prepared. Table 2 presents 20 transmission schemes for two-speed transmission, generated using the LHS method, with the specific data detailed as follows.
Table 2.
Transmission plans of two-gear AMT.
Figure 9 gives 20 groups of three-gear AMT plans obtained with the LHS method. Table 3 shows specific data.
Figure 9.
LHS generation figure of the transmission plans of three-gear AMT.
Table 3.
Transmission plans of three-gear AMT.
Using the LHS method, sample points are evenly and randomly distributed across the entire sampling range. Based on this, performance experiments are conducted on BEVs equipped with two-gear and three-gear AMT. Compared to the combined experiments, the number of tests is significantly reduced, which greatly lowers the time needed for the experiments.
3.3. Comparison and Analysis of the Experimental Results of Two-Gear and Three-Gear AMT
As previously mentioned, to ensure the reliability of the experimental results, the study selected three driving cycles: the NEDC (new European driving cycle), the FTP-75 (Federal Test Procedure), and the WLTC (World Light Duty Test Cycle), as shown in Figure 10a–c.
Figure 10.
Driving cycles: (a) NEDC; (b) FTP75; (c) WLTC.
A performance simulation experiment was conducted for the BEV model using the simulation software CRUISE, based on the driving cycles mentioned above. Table 4 presents the performance simulation data for the BEV equipped with a two-gear AMT, while Table 5 provides the corresponding data for the BEV with a three-gear AMT.
Table 4.
Performance experiment results of two-gear AMT.
Table 5.
Performance experiment results of three-gear AMT.
Based on the results of 20 sets of two-gear AMT simulation and 20 sets of three-gear AMT simulation, four indices were used to create scatter plots to compare the data, as shown in Figure 11.

Figure 11.
Comparison diagrams of experimental results: (a) NEDC; (b) FTP75; (c) WLTC; (d) 100 km acceleration time.
Clearly, both energy consumption and the 0-100 km/h acceleration time benefit from being minimized, as lower values lead to a better performance in both areas. As shown in the four pictures, most red points are positioned below the blue points when comparing both energy consumption and 100 km acceleration time across three driving cycles, suggesting that the simulation results for the three-gear AMT are generally superior to those of the two-gear AMT.
However, differences in driving cycles, economic performance metrics, and power performance metrics make it challenging to determine which AMT offers superior performance. To address this, a comprehensive evaluation system was developed, employing fuzzy theory to assess and identify the optimal gear quantity by considering four key metrics.
The fuzzy comprehensive evaluation method is an integrated evaluation approach based on fuzzy mathematic theory [24]. It converts subjective assessments into objective quantitative indices using membership degree theory and establishes a multi-factor evaluation system to objectively assess complex systems. The specific steps are as follows:
(1) To establish a factor set and a rating set, this paper selects energy consumption in the NEDC, FTP75, and WLTC driving cycles, along with the 100 km acceleration time, as the four performance indicators, denoted as . These indicators are the factor set for evaluating the pros and cons of different gear counts in AMT, i.e., . Subsequently, each factor is categorized into four levels—great, good, moderate, and weak—with corresponding scores of s1 = 100, s2 = 75, s3 = 50, and s4 = 25, forming the rating set .
(2) Construct index performance evaluation sections. As previously mentioned, for the four performance indices, lower values indicate better performance. Based on the experimental results of two-gear and three-gear AMT shown in Table 4 and Table 5, the minimum and maximum values from 40 sets of data for each performance index were used as the standards for “great” and “weak” grades, respectively. Intermediate values were divided according to an equidistant partitioning principle, resulting in the index performance evaluation sections outlined in Table 6.
Table 6.
Index performance evaluation sections.
(3) Select the membership degree function and construct a fuzzy evaluation matrix. Three common types of membership degree function are the triangular, trapezoidal, and normal distribution functions. Compared to the triangular function, both the normal distribution and trapezoidal functions are more efficient at filtering low-value information. Moreover, the normal distribution function not only offers effective filtering but also possesses smoothness and gradual transition characteristics, making it more precise in describing and modeling complex change processes. Therefore, this paper utilized the normal distribution function to construct the membership degree functions.
The paper describes experiment group i as (where the first 20 groups represent two-gear AMT experiments and the last 20 represent three-gear AMT experiments, i.e., i = 1, 2, …,20), in which xi,1, …, xi,4 are the values of the four performance indices obtained from experiment group i. Let ri,j(s1) denote the membership degree of xi,j (the j-th index value in experiment group i) to evaluation grade vk. Using the normal distribution membership function of the great grade as an example, we present the general form of the normal distribution membership degree function [25]:
where μj,k represents the expected value of the normal distribution membership function for index j with respect to evaluation grade Skwhile, σ denotes the standard deviation of the normal distribution membership function, which must satisfy the requirements of the membership normalization and is defined as .
Taking the first performance index, eNEDC, as an example, the expected value μ and standard deviation σ are calculated and presented in Table 7.
Table 7.
Membership degree function parameters of performance index eNEDC.
The parameters from Table 7 were applied to the normal distribution membership function, and using the specific expressions, the membership function curves for the four grades were obtained, as shown in Figure 12.
Figure 12.
Energy consumption elevation grade membership degree function in the NEDC driving cycle.
Similarly, the normal distribution membership functions for the other three indexes were obtained using this method.
After obtaining the membership degrees of the evaluation grades for each index in experiment group i using the membership degree function, normalization was required to form the fuzzy evaluation matrix for experiment group i. The normalization of the membership degrees is illustrated in Formula (8):
where denotes the membership degree of performance index j to evaluation grade vk after normalization in experiment group i.
Formula (9) shows the fuzzy evaluation matrix:
The fuzzy comprehensive elevation matrices for 40 sets of experimental data were obtained using the aforementioned method.
(4) To calculate fuzzy comprehensive evaluation vectors, it is necessary to first determine the weights of the four performance indices. The research presented in this paper emphasizes economic performance while also considering power performance. Compared to the NEDC driving cycle, the WLTC driving cycle provides a more realistic assessment, while the FTP75 driving cycle is specific to urban conditions in American cities and thus differs from urban driving cycles elsewhere. Based on these considerations, the weights were allocated as .
Bi is defined as the fuzzy comprehension evaluation vector for experiment group i, with the calculation given by Formula (10):
where is a fuzzy operator.
There are four common fuzzy operators: , and . The first two fuzzy operators may produce calculation errors that are indeterminable in the evaluation results, while tends to be unstable [26]. Therefore, this paper selected the product-sum fuzzy operator , which is a weighted mean operator.
Following the fuzzy calculations described above, 40 sets of comprehensive evaluation vectors were obtained, as presented in Table 8 and Table 9.
Table 8.
Comprehensive evaluation vectors of two-gear AMT.
Table 9.
Comprehensive evaluation vectors of three-gear AMT.
(5) To perform defuzzification, the fuzzy comprehensive evaluation vectors for 40 groups of experimental results were obtained in Step 4. However, comparing these vectors directly does not provide a clear visual representation. To better observe the outcomes, defuzzification was applied to the 40 groups of evaluation vectors, yielding gi, the specific score for each experimental group. The defuzzification calculations were conducted based on the comment set S established in step 1. The calculation formula is as follows:
Based on Formula (11), 20 sets of test results were obtained for both the two-speed and three-speed transmissions. The detailed scoring results are illustrated in Figure 13.
Figure 13.
Comparison of the experimental; result scores of two-gear and three-gear AMT.
According to Figure 13, in the high score range of 75 and above, there are nine groups of experimental results for the three-gear AMT, which is eight more than those for the two-gear AMT. In the low score range of 50 and below, there are four groups of experimental results for the two-gear AMT, while none are observed for the three-gear AMT. In the intermediate range of 75–50, there are 15 groups of experimental results for the two-gear AMT and 11 groups for the three-gear AMT. It is evident that most experimental scores for the two-gear AMT fall within the intermediate range. The average calculated scores are 65.82 and 66.88, respectively, indicating that there is minimal difference in overall performance between the two types of AMT in this section.
In general, when designing gear configurations, a three-gear AMT is preferable for achieving high performance, without considering design complexity and manufacturing challenges. Conversely, a two-gear AMT is more suitable when prioritizing cost-effectiveness and reducing design complexity and manufacturing difficulty while maintaining good performance.
Certainly, when considering the broader transmission sector, the design complexity and manufacturing process of three-speed transmission are not necessarily more challenging than those of two-speed transmission. Different transmission types and configurations have distinct characteristics, such as high transmission efficiency, lightweight construction, simplicity, and compactness. This paper examines the AMT introduced in Section 2.1. For this type of AMT, the three-speed transmission incorporates an additional gear pair and clutch compared to the two-speed version. These modifications have a relatively minor impact on vehicle quality and the complexity of processing and manufacturing.
4. Analysis and Optimization of Gear Conditions
4.1. Multiple Regression Model of the Vehicle Performances
In the study, each dependent variable, such as NEDC energy consumption or FTP75 energy consumption, is associated with at least two independent variables, including ig1, k1, and others. To analyze the relationship between multiple independent and dependent variables, a multiple regression model was employed.
To conduct a more comprehensive analysis, we defined the experimental result score of the two-gear AMT obtained using the fuzzy evaluation system as y5, while the four indices were denoted as y1, y2, y3, and y4, respectively. Based on the collected scatter point data, multiple regression models were developed for ig1 and k1 with the aforementioned five indices. Figure 14a illustrates the 3D plot and contour map of the regression model for eNEDC with ig1 and k1. Similarly, regression models for eFTP75, eWLTC, t, and y5 with ig1 and k1 were also established.
Figure 14.
Regression models of energy consumption with ig1 and k1. (a) NEDC; (b) FTP75; (c) WLTC.
Table 10 presents the Adjusted-R2 values for five regression models. The models for y1, y2, y3, and y5 exhibit high levels of fit, while the model for t, (i.e., y4), demonstrates a lower, yet acceptable, Adjusted-R2 value.
Table 10.
Fitting precision of the multiple regression model (of yi with ig1 and k1) of two-gear AMT.
In Figure 14, it is evident that the energy consumption across the three driving cycles follows a similar trend. For any given value of ig1 within its range, the energy consumption in all three cycles decreases as k1 increases, exhibiting comparable downward trends, albeit at different rates. Similarly, for any selected value of k1 within its range, energy consumption across the three cycles declines as ig1 decreases. Notably, when ig1 decreases while k1 increases, there is a more pronounced downward trend in energy consumption.
Figure 15 illustrates the regression model for the 100 km acceleration time based on ig1 and k1. The fitting accuracy is 0.89. The paper focuses on economic performance while also considering power performance, ensuring that the fitting accuracy remains within an acceptable reference range.
Figure 15.
Regression models of 100 km acceleration time with ig1 and k1.
In the model, 100 km acceleration time t exhibits a trend distinct from that of energy consumption. When ig1 is within the range of 3~4 and k1 is between 1.5 and 1.8, t is minimized.
Figure 16 presents the multiple regression model derived from the scores of 20 experimental results for a two-gear AMT, obtained using a fuzzy evaluation system. As defined in the comment set S of the fuzzy system, better experimental outcomes yield higher scores.
Figure 16.
Regression models of AMT experiment results with ig1 and k1.
It can be observed that the experimental group scores generally exhibit an increasing trend, which corresponds inversely to the decreasing trend in energy consumption. Specifically, when ig1 decreases and k1 increases, the experimental group scores show a more pronounced upward trend. Through the model, the highest score achieved is 78.2309.
When designing a two-gear AMT, if prioritizing economic performance, a design can be developed within the specified range by referring to the models of y1, y2, and y3. If prioritizing power performance, the model of y4 should be used as a reference. For a design that focuses on economic performance while also considering power performance, the model of y5 can serve as a guide within the design value range.
In the experiment involving three-gear AMT, each dependent variable yi is associated with three independent variables ig1, k1, and k2. Unlike two-gear AMT, three-gear AMT introduces an additional independent variable, making it impossible to directly observe all data variations using a 3D diagram. To address this, for each yi, one of the three independent variables was fixed sequentially while keeping the other two unchanged. For the fixed factor, three values—small, medium, and large—were selected from its range and substituted into the multiple regression model, as presented in Table 11. This method enables dimensionality reductions, allowing us to observe the overall change trends.
Table 11.
Fixed values of independent variables of three-gear AMT.
Due to the large number of images generated after the dimensionality reduction, this paper focuses on the regression models of the experimental result scores, which are the main concern. For the regression models of indices y1, y2, y3, and y4, only the most representative images were selected for discussion and analysis.
We analyzed the regression models of three economic performance indices, y1, y2, and y3. Figure 17a illustrates the eWLTC multiple regression model, which shows an overall trend in economic performance similar to the performance of the two-gear AMT. When k1 increases and ig1 decreases, energy consumption is significantly reduced. The trend in the 100 km acceleration time (t) is also largely consistent with the trend observed in the two-gear AMT. However, upon further examination, it is observed that when k1 reaches its maximum, the trend differs slightly; in this case, t decreases as k2 and ig1 increase. Therefore, when designing a three-gear AMT with a primary focus on power performance, a design featuring a large transmission ratio and gear–gear ratio may be considered.
Figure 17.
Multiple regression model of the experimental results of three-gear AMT. (a) eWLTC; (b) t.
For ease of analysis and discussion, the max–min values from (a) to (i) are presented based on Figure 18. The corresponding data are summarized in Table 12.
Figure 18.
Multiple regression model of experimental results of three-gear AMT. (a) ig1 = 1.98; (b) ig1 = 3.43; (c) ig1 = 5; (d) k1 = 1.1; (e) k1 = 1.44; (f) k1 = 1.77; (g) k2 = 1.13; (h) k2 = 1.45; (i) k2 = 1.77.
Table 12.
Max–min corresponded to the fixed value of each factor.
When ig1 is treated as a fixed parameter and gradually increased, the model’s max-min value shows a significant rise, indicating that when ig1 reaches its maximum, i.e., ig1 = 5, it greatly impacts the model. Under this condition, the highest observed score is 95.528, which is the peak among the nine models illustrated in Figure 18a–i. Thus, when ig1 is at its maximum, the careful design of k1 and k2 is essential. As indicated by the trend in the model in Figure 18c, selecting larger values for k1 and k2 can yield a transmission plan with higher scores. However, when ig1 = 3.43, as shown in Figure 18b, the model demonstrates greater stability compared to scenarios with larger ig1 values. In this situation, k1 and k2 have a broader design range, and the highest score achieved is 92.6383, just three points lower than the highest score for the maximum ig1, showing only a slight difference. Therefore, this model is recommended as a reference. When ig1 = 1.98, the max-min value is only 12.6674, the smallest among the nine models in Figure 18a–i, suggesting the model is most stable under this condition. However, the highest score is only 84.8852, which is significantly lower than the highest scores observed when ig1 takes on medium or high values.
When k1 and k2 are treated as fixed values, the comparisons between Figure 18d,g, Figure 18e,h, and Figure 18f,i, along with the overall max–min analysis of k1 and k2, reveal that the influence of k1 on the model and the trend in the changes in score are similar to those of k2. The highest score among the two groups, comprising a total of six models, is observed when k1 = 1.77. Therefore, the analysis primarily focuses on cases where k1 takes on large, medium, and small values.
When the fixed value of k1 = 1.1 and k1 = 1.44, the highest scores for the model are 85.6201 and 81.3867, respectively, both higher than the max–min value for ig1 = 3.43. However, there is a significant difference between the highest scores, so this case is not considered for the time being. With k1 = 1.77, the highest score reaches 94.2959. Although the max–min remains relatively large, it has significantly decreased compared to the case where ig1 = 5. This substantially enhances the stability of the model and broadens the design range for ig1 and k2 in the high-score segment. Additionally, the highest score is only 1.2321 lower than that in the scenario where ig1 = 5. Therefore, for both models, it is recommended to use the model with fixed value k1 = 1.77 as a reference.
Considering model stability and comprehensive performance, the multiple regression model of the experimental result scores with fixed values of ig1 = 3.43 and k1 = 1.77 is recommended for designing a transmission plan. As shown by the score trends in Figure 18b,f, achieving a higher score requires that the design values of k1, k2, and ig1 are increased.
4.2. Analysis of the Optimization Results of Two-Gear and Three-Gear AMT
In Section 4.1, favorable results were achieved for the transmission plans of two-gear and three-gear AMT. However, there might still be better solutions that have not yet been identified within the model. Therefore, a PSO (Particle Swarm Optimization) method [27] was introduced to optimize the multiple regression models of the experimental scores for the two-gear and three-gear AMT, which are the main focus of this study. Subsequently, an optimal solution was derived using the enumeration method. Finally, the optimal solutions obtained from both the PSO and the enumeration method were compared.
During the optimization process using PSO, the algorithm records each improved solution to replace the previous second-best solution. Formula (12) represents the velocity and position update formula of PSO [28]:
where represents the velocity of particle i when exploring a d-dimensional space after the t-th iteration, while denotes the position of particle i in the d-dimensional space at the same iteration. and correspond to the local and global optimal values, respectively. is the inertia weight, and are the individual and global learning factors, and rand is a random number within the range (0,1).
Figure 19 presents the convergence plot of the PSO optimization results for the experimental score multiple regression model. Due to the excessive number of enumeration schemes, visual observation through figures is challenging. Therefore, the optimal solutions obtained via the enumeration method are listed in the following table.
Figure 19.
Optimization results’ convergence map: (a) two-gear AMT; (b) three-gear AMT.
As shown in Table 13, the parameter optimization results obtained from the two optimization methods are largely consistent. The results were rounded to two decimal places, yielding the highest scores for two-gear and three-gear AMT within their respective value ranges, at 78.46 and 95.68, respectively. These scores represent increases of 2.97% and 12.96% compared to the highest scores in the fuzzy system evaluation described in Section 3.
Table 13.
Optimal solutions of the enumeration method and PSO.
In the optimization of transmission parameters, the two-gear AMT shows limited improvements, reflecting a low ceiling for optimization; while the three-gear AMT demonstrates significant optimization potential, indicating a higher optimization limit. Based on the comprehensive evaluation index y5, the highest score for the optimized three-gear AMT was 21.95% greater than that of the optimized two-gear AMT. Prior to optimization, as indicated by the fuzzy evaluation scores in Section 3, the highest score for the three-gear AMT was 11.15% higher than that of the two-gear AMT. These results show a substantial difference in the comprehensive scores of two-gear and three-gear AMT both before and after optimization. Furthermore, the difference increases post-optimization, suggesting that a higher gear count effectively enhances parameter optimization outcomes. Therefore, the key factor in improving the overall performance of BEVs is the adjustment of gear quantity.
5. Conclusions
The study designed an experimental plan using the LHS method, enhancing the randomness, uniformity, and rationality of the plan while reducing the number of experiments. After conducting simulation experiments, scores for two-gear and three-gear AMT were obtained through a fuzzy evaluation system. Based on these scores, multiple regression models were developed, and the optimal transmission plans and scores for two-gear and three-gear AMT were determined using the PSO and enumeration methods. The following conclusions were drawn:
(1) The score results from the fuzzy evaluation system were discussed, and design plans for gear quantity were proposed. To achieve a high performance, the three-gear option is preferable; for cost reduction while maintaining performance, the two-gear option is more suitable. Additionally, the fuzzy evaluation system integrates different evaluation factors within a unified framework, ensuring comprehensive and rational evaluation results.
(2) Multiple regression models for two-gear and three-gear AMT were analyzed, and high-score recommended design plans for transmission parameters were provided. For the two-gear AMT, a design with a small ig1 and a high gear–gear ratio is recommended; for the three-gear AMT, a design with a large ig1 and a high gear–gear ratio is preferred.
(3) The transmission parameters of two-gear and three-gear AMT were optimized using the PSO and enumeration methods. The optimization results showed improvements of 2.97% and 12.96%, respectively. Additionally, the analysis of the highest scores obtained compared to pre-optimization scores revealed that the key factor for enhancing BEV performance is adjusting the gear quantity. Both optimization methods yielded nearly identical results; however, Particle Swarm Optimization significantly reduced the number of calculations, thereby enhancing research efficiency.
Author Contributions
Methodology, H.X., Z.C., and M.Y.; software, M.Y., H.X., and Z.C.; validation, H.X. and M.Y.; investigation, H.X. and Z.C.; resources, H.X. and Z.C.; writing—original draft preparation, M.Y. and Z.C.; writing—review and editing, H.X. and Z.C.; supervision, H.X., Z.C., and X.S.; and project administration, H.X., Z.C., and X.S. All authors have read and agreed to the published version of the manuscript.
Funding
This research was funded by the Jiangsu Province Vocational College Young Teacher Enterprise Practice Training Project (grant number: 2023QYSJ058), and the 2024 Innovation Training Program for College Students at the School of Transportation Engineering/Nanjing Vocational University of Industry Technology.
Data Availability Statement
The data presented in this study are available on demand from the corresponding author or first author at (cz38@njfu.edu.cn or xuh1@niit.edu.cn).
Acknowledgments
The authors thank the Jiangsu Province Vocational College Young Teacher Enterprise Practice Training Project (grant number: 2023QYSJ058), and the 2024 Innovation Training Program for College Students at the School of Transportation Engineering/Nanjing Vocational University of Industry Technology for funding. We also thank the anonymous reviewers for providing critical comments and suggestions that improved the manuscript.
Conflicts of Interest
The authors declare no conflicts of interest.
References
- Luo, G.; Zhang, C.; Cai, X.; Lan, L.; Yang, Y.; Chen, Y. Prediction and Evaluation of Urban Road Traffic Greenness under the Influence of New Energy Vehicle Penetration:A Case Study in Xi’an. Acta Sci. Circumstantiae 2024, 44, 477–490. [Google Scholar] [CrossRef]
- Xu, X.; Zhao, J.; Dong, P.; Wang, S.; Liu, Y. Technical Characteristics and Prospects of Power Transmissions for Commercial Vehicles under the “Carbon-Peak and Carbon-Neutrality” Target. J. Automot. Saf. Energy 2023, 14, 395–412. [Google Scholar]
- Liu, Y.; Liu, Y.; Gao, L.; Zhou, Z.; Wang, Z.; Chen, Y.; Wang, T. Comparative Study on Key Performance of Battery Electric Vehicles Under Different Drive Systems. Chin. J. Automot. Eng. 2024, 14, 264–274. [Google Scholar]
- ZHENG, J.; CHEN, J. Optimization Design of Pure Electric Vehicle Power System Speed Ratio. J. Mech. Transm. 2019, 43, 79–82+93. [Google Scholar] [CrossRef]
- Walker, P.D.; Abdul Rahman, S.; Zhu, B.; Zhang, N. Modelling, Simulations, and Optimisation of Electric Vehicles for Analysis of Transmission Ratio Selection. Adv. Mech. Eng. 2013, 5, 340435. [Google Scholar] [CrossRef]
- Zhao, X.; Wang, J.; Zhang, Y.; Tang, J.; Zhao, X. Gear Ratio Optimization of Two-Speed Transmission in Electric off-Road Vehicle. In Proceedings of the 2019 Chinese Control And Decision Conference (CCDC), Nanchang, China, 3–5 June 2019; pp. 4810–4815. [Google Scholar]
- Nguyen, C.T.P.; Nguyễn, B.-H.; Trovão, J.P.F.; Ta, M.C. Optimal Drivetrain Design Methodology for Enhancing Dynamic and Energy Performances of Dual-Motor Electric Vehicles. Energy Convers. Manag. 2022, 252, 115054. [Google Scholar] [CrossRef]
- Zhao, H.; Feng, Y.; Huang, K. Transmission Ratio Interval Optimization for Electric Vehicle. China Mech. Eng. 2015, 26, 698–703+709. [Google Scholar]
- Song, Q.; Ye, S.; Gao, P.; Li, Y. Dynamic Optimization Method for Speed Ratio of Electric Vehicle’s Transmission System Based on NMOPSO Algorithm. Automot. Eng. 2017, 39, 1167–1175. [Google Scholar] [CrossRef]
- Wang, J.; Zhang, C.; Guo, D.; Yang, F.; Zhang, Z.; Zhao, M. Drive-Cycle-Based Configuration Design and Energy Efficiency Analysis of Dual-Motor 4WD System with Two-Speed Transmission for Electric Vehicles. IEEE Trans. Transp. Electrif. 2024, 10, 1887–1899. [Google Scholar] [CrossRef]
- De Pinto, S.; Camocardi, P.; Sorniotti, A.; Gruber, P.; Perlo, P.; Viotto, F. Torque-Fill Control and Energy Management for a Four-Wheel-Drive Electric Vehicle Layout with Two-Speed Transmissions. IEEE Trans. Ind. Appl. 2017, 53, 447–458. [Google Scholar] [CrossRef]
- Dong, P.; Zhao, J.; Xu, X.; Liu, Y.; Wang, S.; Huang, H.; Wang, R.; Zheng, L.; Zhou, Z. Performance Comparison of Series–Parallel Hybrid Transmissions with Multiple Gears and Modes Based on Efficiency Model. Energy Convers. Manag. 2022, 274, 116442. [Google Scholar] [CrossRef]
- Sun, Y.; Han, Z.; Liu, H.; Xu, Z. Effects of Transmission Gears on Series-Parallel Hybrid Vehicle Performance. J. Tongji Univ. 2024, 52, 115–121. [Google Scholar]
- Zhang, Z.; Zuo, C.; Hao, W.; Zuo, Y.; Zhao, X.L.; Zhang, M. Three-Speed Transmission System for Purely Electric Vehicles. Int.J. Automot. Technol. 2013, 14, 773–778. [Google Scholar] [CrossRef]
- Wu, P.; Qiang, P.; Pan, T.; Zang, H. Multi-Objective Optimization of Gear Ratios of a Seamless Three-Speed Automated Manual Transmission for Electric Vehicles Considering Shift Performance. Energies 2022, 15, 4149. [Google Scholar] [CrossRef]
- Zhang, Y.; Yang, J. Stratified Latin Hypercube Sampling Method and Application. Stat. Decis. 2023, 39, 48–51. [Google Scholar] [CrossRef]
- Wang, W.; Yang, F.; Wang, R.; Jiang, S. Optimization of Power Parameters for Pure Electric Vehicles. Mach. Des. Manuf. 2023, 37–40. [Google Scholar] [CrossRef]
- Chen, S.; Qin, D.; Hu, M.; Hu, J. Pure Electric Vehicle AMT Comprehensive Shift Strategy Considering Dynamics and Economic Performances. China Mech. Eng. 2013, 24, 2687–2692. [Google Scholar]
- Hou, B. Research on AMT Intelligent Control Strategy of Pure Electric Commercial Vehicle. Master’s Thesis, China University of Petroleum, Qingdao, China, 2024. [Google Scholar]
- Peng, P.; Xu, X.; Zeng, J. Research on Parameter Matching of the Electric Vehicle Transmission System Based on Motor Efficiency. Mach. Des. Manuf. 2021, 39–44. [Google Scholar] [CrossRef]
- Luo, X. Research on Control Strategy Design and Optimization Algorithm of Extended Range Electric Vehicle. Master’s Thesis, Jilin University, Changchun, China, 2023. [Google Scholar]
- McKay, M.D.; Beckman, R.J.; Conover, W.J. Comparison of Three Methods for Selecting Values of Input Variables in the Analysis of Output from a Computer Code. Technometrics 1979, 21, 239–245. [Google Scholar] [CrossRef]
- Helton, J.C.; Davis, F.J. Latin Hypercube Sampling and the Propagation of Uncertainty in Analyses of Complex Systems. Reliab. Eng. Syst. Saf. 2003, 81, 23–69. [Google Scholar] [CrossRef]
- Hua, C.; Niu, R.; Yu, B.; Zheng, X.; Bai, R.; Zhang, S. A Global Path Planning Method for Unmanned Ground Vehicles in Off-Road Environments Based on Mobility Prediction. Machines 2022, 10, 375. [Google Scholar] [CrossRef]
- Liu, H.; Xing, Z. Research on Fuzzy Comprehensive Evaluation and Sensitivity Analysis of Starting Quality of Dual Clutch Transmission Vehicles. Chin. J. Automot. Eng. 2022, 12, 55–63. [Google Scholar]
- Zhang, Q.; Wang, X. The Comparison of Some Fuzzy Operators Used in Fuzzy Comprehensive Evaluation Models. Fuzzy Syst. Math. 2016, 30, 165–171. [Google Scholar]
- Liao, W.; Cheng, S.; Shang, D.; Wei, Z. Particle Swarm Optimization Algorithm Integrated with Multiple-Strategies. Comput. Eng. Appl. 2021, 57, 69–76. [Google Scholar]
- Huang, K.; Liu, Z.; Qiu, M.; Zhang, Y.; Wang, Q.; Ru, Y. Multi Objective Parameter Decoupling Optimization Method of Two-Speed EVs. China Mech. Eng. 2020, 31, 746–755. [Google Scholar]
Disclaimer/Publisher’s Note: The statements, opinions and data contained in all publications are solely those of the individual author(s) and contributor(s) and not of MDPI and/or the editor(s). MDPI and/or the editor(s) disclaim responsibility for any injury to people or property resulting from any ideas, methods, instructions or products referred to in the content. |
© 2024 by the authors. Licensee MDPI, Basel, Switzerland. This article is an open access article distributed under the terms and conditions of the Creative Commons Attribution (CC BY) license (https://creativecommons.org/licenses/by/4.0/).