Innovation in Intelligent Temperature Management in Educational Spaces for the Reduction of Energy Consumption Through Intelligent Control Systems
Abstract
1. Introduction
1.1. Sustainability in Construction
1.2. Justification for Focusing on Building Sustainability
2. Materials and Methods
2.1. Materials
- RTD (resistance temperature detector) type PT100 with signal processing module (acquired in TACT AUTOMATION, place: Aguascalientes, Mexico).
- HS0038B infrared receiver (fabricant 1-source electronic components, acquired in Jalisco, México).
- Sonoff Pow R2 energy consumption meter (Fabricant: Sonoff, acquired in Jalisco, México).
- Siemens Logo 8 Comfort PLC (Fabricant: Siemens, acquired in: Jalisco, Mexico).
- Raspberry Pi 3 B+ (Operative System version Linux 5.4.51-v7+ arm LE, Fabricant Raspberry Pi, acquired in Jalisco, Mexico).
- NodeMCU 1.0 ESP 12-E (V2 board, acquired in AV Electronics Web page, place: Quito, Ecuador).
- Node-RED (software version v1.0.6, Fabricant del software IBM and Open JS Foundation, acquired: Preinstalled in Raspberry Pi 3+).
- Mosquitto software version 1.5.7-deb10u1 (MQTT protocol, Fabricant: EPL/EDL Licensed, acquired in Web Open-Source Software).
- 2N222 transistor, (Fabricant: Mouser Electronics, acquired in Jalisco, México).
2.2. Methodology
- Obtaining hexadecimal codes:
- Use of infrared emitters and receivers to decode the remote-control signals of the mini-split.
- Development of a code in “into” language to capture and store signals.
- Control and transmission of variables:
- Implementation of a block diagram in the Siemens Logo 8 PLC for temperature control.
- Use of Node-RED and Mosquitto (MQTT) on the Raspberry Pi 3+ to transmit the variables to the NodeMCU ESP12-E board.
- Emission of infrared signals:
- Development of a code on the ESP12-E board to receive and process the controlled variables.
- Emission of infrared signals towards the mini-split using an IR-333 LED.
- Reading and analysis of energy consumption:
- Using the Sonoff Pow R2 device to record energy consumption.
- Comparison between the consumption recorded with manual handling of the mini-split and the consumption with the automated system.
2.2.1. Phase 1: Obtaining Data for the Emission of Infrared Signals
2.2.2. Phase 2: Code Diagrams and Data Transmission
Modbus PLC Logo 8 and Node-RED Communication
- Node-red-contrib-modbus (version 5.14.0 or higher).
- Node-red-contrib-modbus-api (version 0.3.0 or higher).
- Node-red-contrib-modbus-tcp-ip (version 1.1.5 or higher).
- Enter server configuration and assign the name “ESP 8266” to identify the board to use.
- The IP address of the “broker”, the address to which the information will be sent, remains disabled as a security icon.
- “Raspberry” is assigned to the client ID, identifying the origin of the client (Raspberry Pi Board), and we assign 60 s as the value for reconnection.
Mosquitto Software and Data Sending to ESP 12-E
- sudo apt-get install mosquito -yInstruction for installing the software on the Raspberry Pi 3+
- sudo apt-get install mosquitto-clientsInstruction to download and install the “clients” package in the Mosquitto software to establish subscribers and publishers in the Software broker.
- sudo nano/etc/mosquitto/mosquitto.conf
2.2.3. Phase 3 Main System Code with NodeMCU ESP 12-E Board
Libraries and Statements
- Library ESP8266WiFi.h (version 1.0.7 or higher)
- Library PubSubClient.h (version 2.8 or higher)
- Library Arduino.h (version 1.2.0 or higher)
- Library IRremoteESP8266.h (version 2.8.6 or higher)
- Library IRsend.h (version 1.2.3 or higher)
Void Setup Loop Encoding
Void Loop Cycle Encoding
Phase 4 System Energy Consumption Readings
3. Results
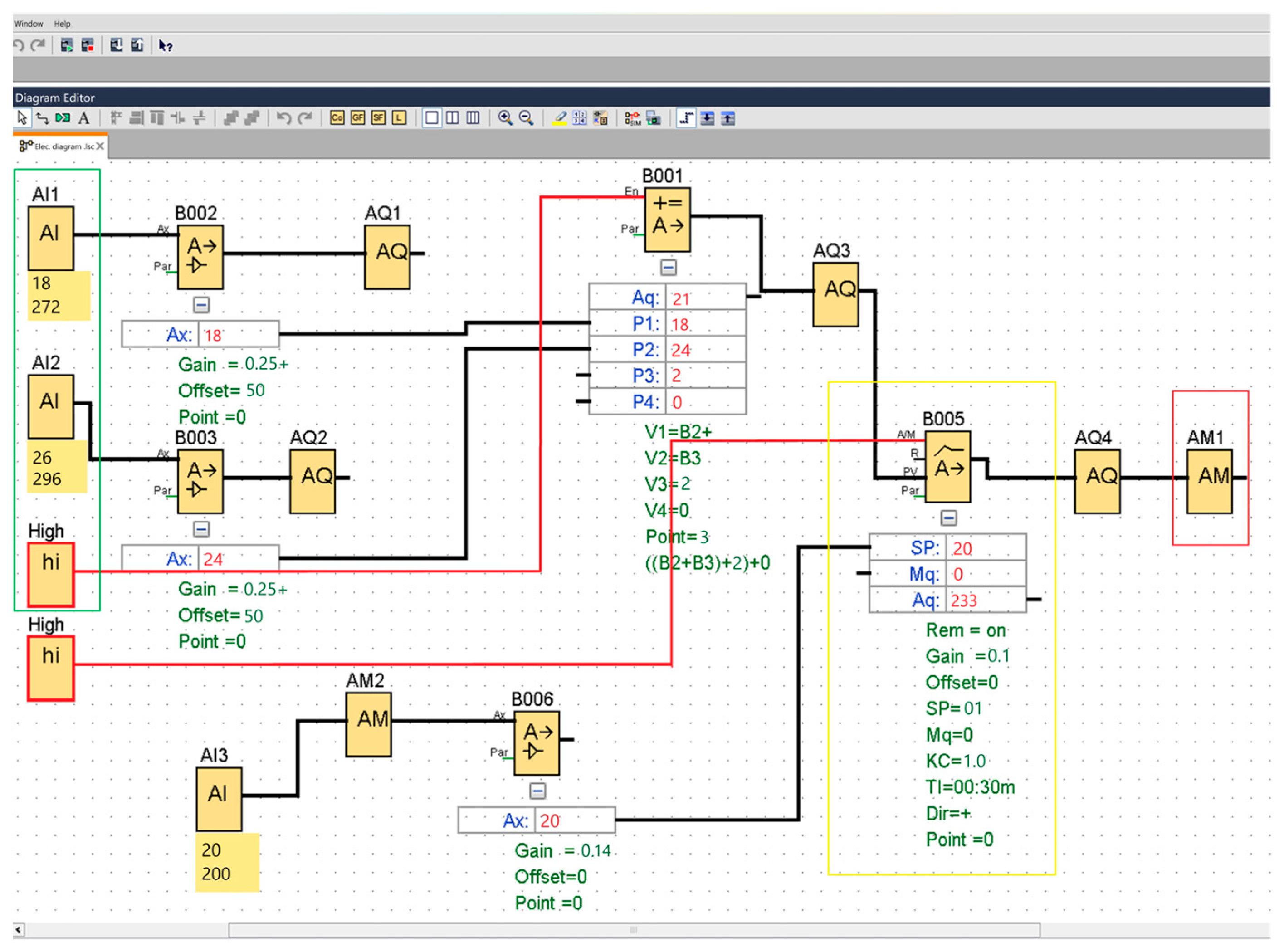
- PLC Logo 8: Temperature capture with PT100 sensors and processing in PI control. After initializing the readings and processing the temperature signals by the PT100 sensors (shown in the green rectangle), the processing in the PI control generates the expected result or setpoint to send the setpoint to the Node-RED software, visible in the yellow box. The product is then output for transmission using block AM1, shown in the red rectangle in Figure 23.
- Node-RED: Data reception, processing, and transmission to the Mosquitto software (MQTT). The diagram and configuration of the Node-RED software installed on the Raspberry Pi 3+ were executed properly, receiving the temperature value emitted from the PLC to the Mosquitto software. Figure 24 shows the information reception block, the processing and coding block, and the emission to the Mosquitto software. The software results and computation of connectivity are shown by the software through a blue circle at the top of the nodes, indicating active processing, and a green rectangle indicating established connectivity with both the Logo PLC and the ESP 12-E board.

- Mosquitto Software: Communication and data transfer. The software function was satisfactory when initializing TCP/IP communication port 1883 on the local network. The reception of the data packets from Node-RED, their processing and emission to the software broker, and the corresponding data transmission to the ESP 12-E development board were carried out properly. Figure 25 shows the expected result, indicated by a red rectangle both for connectivity and proper operability of the software and devices.

- NodeMCU ESP 12-E board: The connectivity of the NodeMCU board to the Mosquitto broker on the Raspberry Pi 3+ and the developed code were verified in the Arduino programming software interface, without errors. Figure 26 shows the favorable connectivity and error-free code compilation for the NodeMCU ESP12-E board through the red rectangle located at the bottom of the figure.

- ○
- Consumption without the control system: 18.38 kWh (for two mini-split units over 30 days).
- ○
- Consumption with the control system: 16.43 kWh (for two mini-split units over 30 days).
- Energy cost per kWh: 0.17 USD.
- Annual consumption before improvements: 23.40 kWh.
- Annual consumption after improvements: 21.14 kWh.
Calculation of Return on Investment (ROI)
4. Discussion
- Port offset between Logo 8 PLC and Node-RED software.By configuring the Network window, it was possible to find a gap of one unit in the Modbus communication between the PLC and the Node-RED software, in the addresses shown, Siemens starts the address count from 1 to 513 for its communication, and Node-RED begins the assignment considering 0, there being a lag of 1 in the count, resulting in the assignment of address 512 in Node-RED (see Figure 6).
- Codification for data decoding in Node-RED.When receiving and processing the data from the Modbus Read icon, a hexadecimal value decoded to voltage is obtained. To manipulate it, it was necessary to use the “function” node and generate a formula that separates the information needed from the received signal. from the PLC (see Figure 9).
- Encryption to enable Mosquitto software to publish/listen to subs on a local network.It was essential to enter the source code of the software and write two additional lines of code to enable port 1883; inside the folder, its contents are deleted, and the following lines of code “allow_anonymous true” and “listener 0.0.0.0 1883” are entered, (see Figure 12).
Future Works
5. Conclusions
- Data transmission issues using the Modbus protocol due to port mismatch between the Logo 8 PLC and Node-RED software. Resolving this issue improved system performance and optimized device interoperability within local networks.
- Decoding and converting voltage data into a usable format within Mosquitto software, overcoming technical barriers and enabling seamless data flow.
- Deploying Mosquitto software on a local network, addressing complications caused by disabling port 1883, which had previously hindered subscriber and publisher operations. Proper network configuration ensured reliable device connectivity and data exchange.
- Integration of the NodeMCU ESP 12-E board using the “Coolix” library for the Mirage mini-split. Initially, infrared signals lacked sufficient power to drive the Mini-Splits; integrating a 2N2222 transistor to amplify the signal provided an effective and low-cost solution. This improvement not only enabled system functionality but also introduced new possibilities for optimizing remote control systems in energy efficiency projects.
Author Contributions
Funding
Data Availability Statement
Acknowledgments
Conflicts of Interest
Appendix A. Sketch to Decode Infrared Signals







References
- UN. 17 Objetivos de Desarrollo Sostenible (ODS). Available online: https://sdgs.un.org/es/goals (accessed on 26 August 2024).
- United Nations Organization. Status of the Sustainable Development Goals in 2023, What Is the Status of the SDGs of the 2030 Agenda? Available online: https://unstats.un.org/sdgs/report/2024/?_gl=1*upx33m*_ga*MjA4OTY5MjQ4Mi4xNzMyODAyMzE0*_ga_TK9BQL5X7Z*MTczOTkzMjE2Mi45LjEuMTczOTkzMjI2NC4wLjAuMA (accessed on 26 August 2024).
- Navarro, S.; Vallejo Coral, C.; Orozco Salcedo, M.; Zúñiga Puebla, H.; Perlaza, J. Thermal Vulnerability Analysis in Low-Income Housing with Natural Ventilation in the Galápagos Islands: Measured and Simulated Data. In Towards Low and Positive Energy Buildings; Torres González, M., Rubio Bellido, C., Eds.; Green Energy and Technology; Springer: Cham, Switzerland, 2024. [Google Scholar] [CrossRef]
- Gamero-Salinas, J.C.; Monge-Barrio, A.; Sánchez-Ostiz, A. Overheating risk assessment of different dwellings during the hottest season of a warm tropical climate. Build Environ. 2020, 171, 106664. [Google Scholar] [CrossRef]
- Sánchez-Almodóvar, E.; Gómez-Trigueros, I.M.; Olcina-Cantos, J. Climate Change and Extreme Weather Events in the Education of the Citizens of the Twenty-First Century: The Perception of Secondary Education Students. Soc. Sci. 2022, 12, 27. [Google Scholar] [CrossRef]
- Ma, K.; Yu, Y.; Yang, B.; Yang, J. Demand-Side Energy Management Considering Price Oscillations for Residential Building Heating and Ventilation Systems. IEEE Trans. Ind. Inform. 2019, 15, 4742–4752. [Google Scholar] [CrossRef]
- Fonseca, F.C.; Pérez, R.R.; Rodríguez, J.P.; Bernal, J.F.P.; Cárcel-Carrasco, J. Sustainable Built Environments: Building Information Modeling, Biomaterials, and Regenerative Practices in Mexico. Buildings 2024, 14, 202. [Google Scholar] [CrossRef]
- Cornaro, C.; Buratti, C. Energy Efficiency in Buildings and Innovative Materials for Building Construction. Appl. Sci. 2020, 10, 2866. [Google Scholar] [CrossRef]
- Frigione, M.; de Aguiar, J.L.B. Innovative Materials for Construction. Materials 2020, 13, 5448. [Google Scholar] [CrossRef] [PubMed]
- Nwokediegwu, Z.Q.S.; Ilojianya, V.I.; Ibekwe, K.I.; Adefemi, A.; Etukudoh, E.A.; Umoh, A.A. Advanced Materials for Sustainable Construction: A Review of Innovations and Environmental Benefits. Eng. Sci. Technol. J. 2024, 5, 201–218. [Google Scholar] [CrossRef]
- Marzouk, M.; Azab, S. Environmental and economic impact assessment of construction and demolition waste disposal using system dynamics. Resour. Conserv. Recycl. 2014, 82, 41–49. [Google Scholar] [CrossRef]
- Motalebi, M.; Rashidi, A.; Nasiri, M.M. Optimization and BIM-based lifecycle assessment integration for energy efficiency retrofit of buildings. J. Build. Eng. 2022, 49, 104022. [Google Scholar] [CrossRef]
- International Energy Agency. Energy Efficiency 2024. Available online: https://www.iea.org/ (accessed on 26 August 2024).
- Aini, Q.; Rahardja, U.; Manongga, D.; Sembiring, I.; Hardini, M.; Agustian, H. IoT-Based Indoor Air Quality Using Esp32. In Proceedings of the 2022 IEEE Creative Communication and Innovative Technology (ICCIT), Tangerang, Indonesia, 22–23 November 2022; pp. 1–5. [Google Scholar] [CrossRef]
- Chen, L.; Zhang, Y. Design and implementation of infrared wireless data transmission system. In Proceedings of the 2010 IEEE International Conference on Information and Automation, Harbin, China, 20–23 June 2010; pp. 2192–2195. [Google Scholar] [CrossRef]
- Cheng, G.; Wang, Z.; Wang, Y.; Shi, B.; Li, T.; Wu, J.; Zhang, H.; You, Q. Research on Performance Test of the Optic-Electric Sensors for Reservoir Landslide Temperature Field Monitoring. Water 2023, 15, 3125. [Google Scholar] [CrossRef]
- Dounis, A.I.; Caraiscos, C. Advanced control systems engineering for energy and comfort management in a building environment—A review. Renew. Sustain. Energy Rev. 2008, 13, 1246–1261. [Google Scholar] [CrossRef]
- Essa, M.E.-S.M.; El-Shafeey, A.M.; Omar, A.H.; Fathi, A.E.; El Maref, A.S.A.; Lotfy, J.V.W.; El-Sayed, M.S. Reliable Integration of Neural Network and Internet of Things for Forecasting, Controlling, and Monitoring of Experimental Building Management System. Sustainability 2023, 15, 2168. [Google Scholar] [CrossRef]
- Metallidou, C.K.; Psannis, K.E.; Egyptiadou, E.A. Energy Efficiency in Smart Buildings: IoT Approaches. IEEE Access 2020, 8, 63679–63699. [Google Scholar] [CrossRef]
- Rihhadatulaisy, Z.H.; Irianto, K.D. Designing an Automatic Room Temperature Control System for Smart Homes for the Elderly Using IoT. Int. J. Softw. Eng. Comput. Sci. 2024, 4, 758–766. [Google Scholar] [CrossRef]
- Himeur, Y.; Elnour, M.; Fadli, F.; Meskin, N.; Petri, I.; Rezgui, Y.; Bensaali, F.; Amira, A. AI-big data analytics for building automation and management systems: A survey, actual challenges and future perspectives. Artif. Intell. Rev. 2022, 56, 4929–5021. [Google Scholar] [CrossRef] [PubMed]
- Haruehansapong, K.; Roungprom, W.; Kliangkhlao, M.; Yeranee, K.; Sahoh, B. Deep Learning-Driven Automated Fault Detection and Diagnostics Based on a Contextual Environment: A Case Study of HVAC System. Buildings 2022, 13, 27. [Google Scholar] [CrossRef]
- Lopez-Vargas, A.; Fuentes, M.; Vivar, M. Challenges and opportunities of the internet of things for global development to achieve the united nations sustainable development goals. IEEE Access 2020, 8, 37202–37213. [Google Scholar] [CrossRef]
- Yang, L.; Yan, H.; Lam, J.C. Thermal comfort and building energy consumption implications—A review. Appl. Energy 2014, 115, 164–173. [Google Scholar] [CrossRef]
- Mena, V.G.; Molina, F.Q.; Catalán, M.L.; Valdés, D.O.; Serrano, A. Energetic efficiency in residential buildings. ESTOA 2015, 004, 59–67. [Google Scholar] [CrossRef]
- Bhandari, M.; Fumo, N. A review of ductless mini split HVAC system. Energy Rep. 2022, 8, 5930–5942. [Google Scholar] [CrossRef]
- Hussien, A.; Ali, A.; Ismail, I. Comparative Investigation of the Energy Efficiency of Mini-Split Air Conditioning with Variable Refrigerant Flow Systems for Office Buildings in Hot Climate. JES J. Eng. Sci. 2024, 52, 52–72. [Google Scholar] [CrossRef]
- López, J.M.G.; Estrada, A.J.A.; Chavolla, F. Comparativo de Eficiencia Energética de Sistemas de Aire Acondicionado con Tecnologías on-off e Inverter. Available online: www.gob.mx/sener (accessed on 21 July 2018).
- Cuevas, J.J.; Rubio, R.R.; Esesarte, L.L.; Perez, R.R.; Bernal, J.F.P. System Development with PLC Logo 8 Siemens, Raspberry Pi4 and ESP8266-12E Desarrollo de Sistema con PLC Logo 8 Siemens, Raspberry Pi4 y ESP8266-12E. 2021. Available online: http://difu100cia.uaz.edu.mx/index.php/difuciencia/article/view/190/148 (accessed on 20 December 2024).
- Ogata, K.; Martín-Romo, M.; Martín, E.; Pearson Educación, S.A. (Eds.) Ingeniería de Control Moderna, 5th ed.; 2010; Available online: https://www.pearsonenespanol.com/Ecuador/Inicio/ingenieria-control-moderna-ogata-1ed-ebook1 (accessed on 12 February 2025).
- Siemens. Regulador PI with LOGO! Siemens Support (Sie Portal). 30 September 2019. Available online: https://support.industry.siemens.com/cs/document/23753479/regulador-pi-con-logo!-para-aplicaciones-sencillas-regulación-óptima-de-la-velocidad-de-motores-(set-23)?dti=0&lc=es-MX (accessed on 12 February 2025).
- Almshari, M.; Khadidos, A.O.; Tsaramirsis, G.; Khan, F.Q.; Khadidos, A.; Giannopoulos, I.K.; Leros, A.K.; Piromalis, D.; Bukya, M. Setting up Local Private Smart Grids with Data Collection Sensors for Scientific Experiments using MQTT and Node-Red. In Intelligent Computing Techniques for Smart Energy Systems: Proceedings of ICTSES 2021; Springer: Singapore, 2022; pp. 743–755. [Google Scholar] [CrossRef]
- Hägglund, T.; Åström, K.J. Revisiting The Ziegler-Nichols Tuning Rules For Pi Control. Asian J. Control. 2002, 4, 364–380. [Google Scholar] [CrossRef]
- Hagino, T. Practical Node-Red Programing Learn Powerful Visual Programing Techniques and Best Practices for the Web and IoT; Rogers, S., Ed.; Packt Publishing Ltd.: New York, NY, USA, 2021; Available online: https://www.packtpub.com/en-co/product/practical-node-red-programming-9781800201590 (accessed on 12 February 2025).
- Parikh, D. Raspberry Pi and MQTT Essentials, 1st ed.; Packt Publishing: Birmingham, UK, 2022. [Google Scholar]
- Gurcan, F.; Dalveren, G.G.M.; Cagiltay, N.E.; Roman, D.; Soylu, A. Evolution of Software Testing Strategies and Trends: Semantic Content Analysis of Software Research Corpus of the Last 40 Years. IEEE Access 2022, 10, 106093–106109. [Google Scholar] [CrossRef]
- Mirage, M. Choose Your Air Capacity Correctly . 2024. Available online: https://mirage.mx/saber/elegir-correctamente/ (accessed on 12 February 2025).
- Rodríguez, E. Incentiva UANL Uso Debido de Aires Acondicionados, Vida Universitaria, Periódico de la Universidad Autónoma de Nuevo León. Available online: https://vidauniversitaria.uanl.mx/sustentabilidad/incentiva-uanl-uso-debido-de-aires-acondicionados/ (accessed on 12 February 2024).
- Brandi, S.; Piscitelli, M.S.; Martellacci, M.; Capozzoli, A. Deep reinforcement learning to optimise indoor temperature control and heating energy consumption in buildings. Energy Build. 2020, 224, 110225. [Google Scholar] [CrossRef]
- Li, T.; Li, Y. Artificial intelligence for reducing the carbon emissions of 5G networks in China. Nat. Sustain. 2023, 6, 1522–1523. [Google Scholar] [CrossRef]
- Li, T.; Yu, L.; Ma, Y.; Duan, T.; Huang, W.; Zhou, Y.; Jin, D.; Li, Y.; Jiang, T. Carbon emissions of 5G mobile networks in China. Nat. Sustain. 2023, 6, 1620–1631. [Google Scholar] [CrossRef]
- Chen, Y.; Li, Q.; Liu, J. Innovating Sustainability: VQA-Based AI for Carbon Neutrality Challenges. J. Organ. End User Comput. 2024, 36, 1–22. [Google Scholar] [CrossRef]
- Zhao, S.; Zhang, L.; An, H.; Peng, L.; Zhou, H.; Hu, F. Has China’s low-carbon strategy pushed forward the digital transformation of manufacturing enterprises? Evidence from the low-carbon city pilot policy. Environ. Impact Assess. Rev. 2023, 102, 107184. [Google Scholar] [CrossRef]
- Amaxilatis, D.; Akrivopoulos, O.; Mylonas, G.; Chatzigiannakis, I. An IoT-Based Solution for Monitoring a Fleet of Educational Buildings Focusing on Energy Efficiency. Sensors 2017, 17, 2296. [Google Scholar] [CrossRef] [PubMed]
- Merabet, G.H.; Essaaidi, M.; Ben Haddou, M.; Qolomany, B.; Qadir, J.; Anan, M.; Al-Fuqaha, A.; Abid, M.R.; Benhaddou, D. Intelligent building control systems for thermal comfort and energy-efficiency: A systematic review of artificial intelligence-assisted techniques. Renew. Sustain. Energy Rev. 2021, 144, 110969. [Google Scholar] [CrossRef]
- Kareem, A. Design and Implementation of Humidity and Temperature Automation and Monitoring for Public Building Comfortable Climate Based on Cloud Platform. Przegląd Elektrotechniczny 2022, 1, 96–102. [Google Scholar] [CrossRef]
- Hong, T.; Piette, M.A.; Chen, Y.; Lee, S.H.; Taylor-Lange, S.C.; Zhang, R.; Sun, K.; Price, P. Commercial Building Energy Saver: An energy retrofit analysis toolkit. Appl. Energy 2015, 159, 298–309. [Google Scholar] [CrossRef]
- Sanzana, M.R.; Maul, T.; Wong, J.Y.; Abdulrazic, M.O.M.; Yip, C.-C. Application of deep learning in facility management and maintenance for heating, ventilation, and air conditioning. Autom. Constr. 2022, 141, 104445. [Google Scholar] [CrossRef]
- Nižetić, S.; Šolić, P.; González-de-Artaza, D.L.-D.-I.; Patrono, L. Internet of Things (IoT): Opportunities, issues and challenges towards a smart and sustainable future. J. Clean. Prod. 2020, 274, 122877. [Google Scholar] [CrossRef]
- Deng, X.; Zhang, Y.; Jiang, Y.; Zhang, Y.; Qi, H. A novel operation method for renewable building by combining distributed DC energy system and deep reinforcement learning. Appl. Energy 2023, 353, 122188. [Google Scholar] [CrossRef]
- Cronist, T. The CFE Confirmed a Preferential Rate for 2025: The Electricity Bill Will Be Cheaper for These Users, Finance and Economy. Available online: https://www.cronista.com/mexico/finanzas-economia/la-cfe-confirmo-una-tarifa-preferencial-para-2025-la-boleta-de-luz-sera-mas-barata-para-estos-usuarios/ (accessed on 5 February 2025).
- Mayes, R. How Long Do Mini Splits Last? Carrier, Turn to the Experts. Available online: https://www.carrier.com/residential/en/us/products/ductless-mini-splits/mini-split-maintenance/how-long-do-mini-splits-last/#:~:text=Generally%2C%20a%20well-maintained%20mini,usage%20also%20contribute%20to%20longevity (accessed on 5 February 2025).
- Pérez-Gomariz, M.; López-Gómez, A.; Cerdán-Cartagena, F. Artificial Neural Networks as Artificial Intelligence Technique for Energy Saving in Refrigeration Systems—A Review. Clean Technol. 2023, 5, 116–136. [Google Scholar] [CrossRef]
- Koebel, M.M.; Wernery, J.; Malfait, W.J. Energy in buildings—Policy, materials and solutions. MRS Energy Sustain. 2017, 4, 12. [Google Scholar] [CrossRef]
- Mannan, M.; Al-Ghamdi, S.G. Building for Climate Change: Examining the Environmental Impacts of the Built Environment. In Sustainable Cities in a Changing Climate; Wiley: Hoboken, NJ, USA, 2023; pp. 39–59. [Google Scholar] [CrossRef]
- de Oliveira, C.C.; Vaz, I.C.M.; Ghisi, E. Retrofit strategies to improve energy efficiency in buildings: An integrative review. Energy Build 2024, 321, 114624. [Google Scholar] [CrossRef]
- Madadizadeh, A.; Siddiqui, K.; Aliabadi, A.A. Review: The Economics Landscape for Building Decarbonization. Sustainability 2024, 16, 6214. [Google Scholar] [CrossRef]


























| Aspect | Value |
|---|---|
| Reduction in Energy Consumption | 10.63% |
| Saving Energy Consumption | 1.95 kWh/month |
| Annual Energy Saving Consumption | 23.40 kWh/year |
| Energy Cost per kWh | USD 0.17 |
| Annual Energy Cost Savings | USD 0.38 |
| Savings in Corrective Maintenance | USD 30/year |
| Savings in Preventive Maintenance | USD 20/year |
| Savings from Increased Equipment Lifespan | USD 20/year |
| Savings from Reduced Downtime | USD 10/year |
| Total Savings in Operating Costs | USD 80.38/year |
| Total Initial Investment | USD 261.5 |
| Cost of Control System per Unit | USD 95 |
| Total Cost of Mini-Splits | USD 190 (2 units) |
| Cost of Installation, Labor, and Setup | USD 71.5 |
| Return on Investment (ROI) in 12 Months | 30.74% |
| Without System | With System | ||
|---|---|---|---|
| Mini-Split | Mini-Split | Mini-Split | Mini-Split |
| Consumption 1 | Consumption 2 | Consumption 1 | Consumption 2 |
| 10.5 kWh | 7.88 kWh | 9.82 kWh | 6.61 kWh |
| Initial Period | Initial Period | Initial Period | Initial Period |
| 1 May 2022 | 1 May 2022 | 1 June 2022 | 1 June 2022 |
| Final Period | Final Period | Final Period | Final Period |
| 30 May 2022 | 30 May 2022 | 30 June 2022 | 30 June 2022 |
| Total Result of Consumption 18.38 kWh | Total Result of Consumption 16.43 kWh | ||
| Concept | Savings USD |
|---|---|
| Savings in Energy Consumption | 0.38 USD |
| Savings in Corrective Maintenance | 30 USD |
| Savings in Preventive Maintenance | 20 USD |
| Savings Due to Extension of Useful Life | 20 USD |
| Savings From Reduction of Inactivity | 10 USD |
| Annual Total | 80.38 USD |
| Aspect | Value |
|---|---|
| Reduction in Energy Consumption | 10.63% |
| Saving Energy Consumption | 1.95 kWh/month |
| Annual Energy Consumption | 23.40 kWh/year |
| Annual Energy Consumption with Additional Improvements | 21.14 kWh/year |
| Additional Savings from Operational Improvements | 2.26 kWh/year (9.66%) |
| Energy Cost per kWh | 0.17 USD |
| Annual Energy Cost Savings | 0.38 USD |
| Savings in Corrective Maintenance | 30 USD/year |
| Savings in Preventive Maintenance | 20 USD/year |
| Savings from Increased Equipment Lifespan | 20 USD/year |
| Savings from Reduced Downtime | 10 USD/year |
| Total Savings in Operating Costs | 80.38 USD/year |
| Total Initial Investment | 261.5 USD |
| Cost of Control System per Unit | $95 USD |
| Total Cost of Mini-Splits | $190 USD (2 units) |
| Cost of Installation, Labor, and Setup | $71.5 USD |
| Return on Investment (ROI) in 12 Months | 30.74% |
| Payback Period for Investment | 3 years and 3 months |
| Percentage Reduction in Operating Costs | 34.8% |
Disclaimer/Publisher’s Note: The statements, opinions and data contained in all publications are solely those of the individual author(s) and contributor(s) and not of MDPI and/or the editor(s). MDPI and/or the editor(s) disclaim responsibility for any injury to people or property resulting from any ideas, methods, instructions or products referred to in the content. |
© 2025 by the authors. Licensee MDPI, Basel, Switzerland. This article is an open access article distributed under the terms and conditions of the Creative Commons Attribution (CC BY) license (https://creativecommons.org/licenses/by/4.0/).
Share and Cite
Palomino Bernal, J.F.; Colmenero Fonseca, F.; Jalomo Cuevas, J.; Carcel-Carrasco, J.; Rodríguez Pérez, R. Innovation in Intelligent Temperature Management in Educational Spaces for the Reduction of Energy Consumption Through Intelligent Control Systems. Buildings 2025, 15, 672. https://doi.org/10.3390/buildings15050672
Palomino Bernal JF, Colmenero Fonseca F, Jalomo Cuevas J, Carcel-Carrasco J, Rodríguez Pérez R. Innovation in Intelligent Temperature Management in Educational Spaces for the Reduction of Energy Consumption Through Intelligent Control Systems. Buildings. 2025; 15(5):672. https://doi.org/10.3390/buildings15050672
Chicago/Turabian StylePalomino Bernal, Juan Francisco, Fabiola Colmenero Fonseca, Jaime Jalomo Cuevas, Javier Carcel-Carrasco, and Ramiro Rodríguez Pérez. 2025. "Innovation in Intelligent Temperature Management in Educational Spaces for the Reduction of Energy Consumption Through Intelligent Control Systems" Buildings 15, no. 5: 672. https://doi.org/10.3390/buildings15050672
APA StylePalomino Bernal, J. F., Colmenero Fonseca, F., Jalomo Cuevas, J., Carcel-Carrasco, J., & Rodríguez Pérez, R. (2025). Innovation in Intelligent Temperature Management in Educational Spaces for the Reduction of Energy Consumption Through Intelligent Control Systems. Buildings, 15(5), 672. https://doi.org/10.3390/buildings15050672

