Dynamic Response Analysis of Long-Span Bridges under Random Traffic Flow Based on Sieving Method
Abstract
:1. Introduction
2. Theory of Random Traffic Flow–Bridge Coupled Vibration
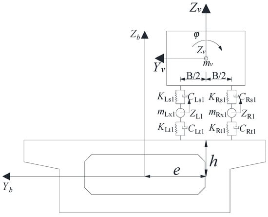
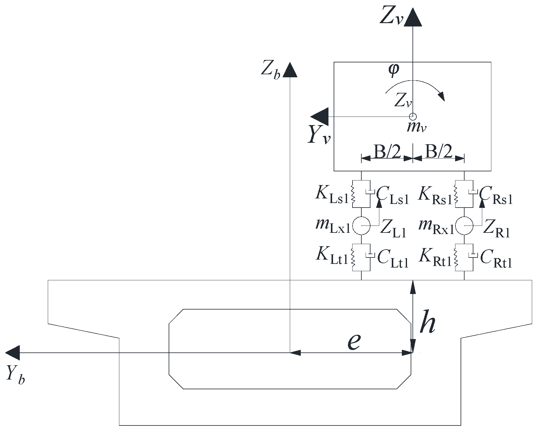
2.1. The Vibration Equation of Random Traffic Flow
2.2. The Vibration Equation of Bridge
2.3. The Roughness Model of the Road
2.4. Vehicle–Bridge Coupling Interaction
2.4.1. Geometric and Mechanical Coupling Relationship between Wheel and Bridge
2.4.2. Random Traffic Flow–Bridge Time-Varying Dynamic Equation
3. Calculation of Bridge Impact Coefficient Using Sieving Method
3.1. Principle of the Sieving Method
3.2. Implementation Process
3.3. Test
4. Study on the Calculation of Impact Coefficient of Long-Span Continuous Beam Bridge under Random Traffic Flow
4.1. Project Case
4.1.1. Bridge Profile
4.1.2. Determination of Random Traffic Flow
4.2. Research on Calculation of Bridge Impact Coefficient under the Action of Sensitive Parameters
4.2.1. Vehicle Speed
4.2.2. Road Roughness
5. Conclusions
- (1)
- By utilizing the fundamental principles of the modal synthesis method, this study employs cellular automata (CA) to establish various levels of random vehicle flow fleet models and uses the modal superposition method to develop bridge dynamic models. Through coordinating the displacement of wheels and bridges and considering the mechanical coupling relationship, as well as the impact of spatial road roughness, a stochastic vehicle flow–bridge coupling dynamic model is established.
- (2)
- Considering the complexity, continuity and multiple peak and valley characteristics of the dynamic response curve of bridges under random traffic flow, a sieving method is proposed for calculating the inertial IM of bridges. The screening method is more accurate and advantageous in obtaining extreme points than the time interval method proposed by Qi-Lin Zhang. This method is based on the extreme value principle and involves multiple screenings of time–history curve samples of bridges, as well as K–S testing and statistical analysis, to obtain the IM distribution. This method has the advantages of high recognition accuracy and good inspection effect, and the correctness of the method was verified through numerical examples.
- (3)
- By analyzing the dynamic response of bridges under random traffic flow, it is found that under B-level road roughness, with the increase in vehicle speed, the amplitude range of the dynamic and static displacement at typical positions of the bridge shows a trend of first increasing, then decreasing and then increasing. The calculation results are slightly larger than the values in the American standard (AASHTO-2017 [40]) and far greater than those in other national standards. As the unevenness of the road surface deteriorates, the IM of the bridge under different levels of random traffic flow shows an increasing trend and a significant increase, especially under C-level and D-level road unevenness, where the calculated value of the bridge IM is much greater than the standard value. The relevant research results can provide reference for the dynamic safety assessment of such bridges.
Author Contributions
Funding
Data Availability Statement
Conflicts of Interest
References
- Li, Z.H.; Jin, Y.L.; Chen, Y.F.; Chen, R. Anti-seismic reliability analysis of continuous rigid-frame bridge based on numerical simulations. IES J. Part A Civ. Struct. Eng. 2012, 6, 18–31. [Google Scholar] [CrossRef]
- Wu, H.J.; Zhang, H.; Lu, P. Brief analysis of temperature effect on the low pier continuous rigid-frame bridge. Adv. Mater. Res. 2011, 255–260, 911–915. [Google Scholar] [CrossRef]
- Zong, Z.; Xia, Z.; Liu, H.; Li, Y.; Huang, X. Collapse failure of prestressed concrete continuous rigid-frame bridge under strong earthquake excitation: Testing and simulation. J. Bridge Eng. 2016, 21, 04016047-1-15. [Google Scholar] [CrossRef]
- Zhang, T.; Xiong, Z.; Zhu, J.; Zheng, K.; Wu, M.; Li, Y. Extracting Bridge Frequencies from The Dynamic Responses of Moving and Non-moving Vehicles. J. Sound Vib. 2023, 564, 117865. [Google Scholar] [CrossRef]
- Guo, C.; Zhang, B.; Guo, H.; Cui, S.; Zhu, B. Vehicle-bridge dynamic response analysis under copula-coupled wind and wave actions. Ocean. Eng. 2023, 285, 115444. [Google Scholar] [CrossRef]
- Paultre, P.; Chaallal, O.; Proulx, J. Bridge Dynamics and Dynamic Amplification Factors—A Review of Analytical and Experimental Findings. Can. J. Civ. Eng. 1992, 19, 260–278. [Google Scholar] [CrossRef]
- Changk, C.; Wuf, B.; Yangy, B. Disk Model for Wheels Moving over Highway Bridge with Roughness Surfaces. J. Sound Vib. 2011, 330, 4930–4944. [Google Scholar] [CrossRef]
- Wang, T.; Huang, D.; Shahawy, M. Dynamic Response of Multi-girder Bridges. J. Struct. Eng. 1992, 118, 2222–2238. [Google Scholar] [CrossRef]
- Harrisn, K.; O’briene, J.; Gonzalez, A. Reduction of bridge Dynamic Amplification Through Adjustment of Vehicle Suspension Damping. J. Sound Vib. 2007, 302, 471–485. [Google Scholar] [CrossRef]
- O’brien, E.J.; Cantero, D.; Enright, B.; González, A. Characteristic Dynamic Increment for Extreme Traffic Loading Events on Short and Medium Span Highway Bridge. Eng. Struct. 2010, 32, 3827–3835. [Google Scholar] [CrossRef]
- Xu, Y.L.; Guo, W.H. Dynamic analysis of coupled road vehicle and cable-stayed bridge system under turbulent wind. Eng. Struct. 2003, 25, 473–486. [Google Scholar] [CrossRef]
- Cai, C.S.; Chen, S.R. Framework of vehicle–bridge–wind dynamic analysis. J. Wind Eng. Ind. Aerodyn. 2004, 92, 991–1024. [Google Scholar] [CrossRef]
- Chen, S.R.; Cai, C.S.; Levitan, M. Understand and improve dynamic performance of transportation system-a case study of Luling Bridge. Eng. Struct. 2007, 29, 1043–1051. [Google Scholar] [CrossRef]
- Chen, Y.B.; Feng, M.Q. Modeling of traffic excitation for system identification of bridge structures. Comput.-Aided Civ. Infrastruct. Eng. 2006, 21, 57–66. [Google Scholar] [CrossRef]
- Ditlevsen, O.; Madsen, H.O. Stochastic vehicle-queue-load model for large bridges. J. Eng. Mech. 1994, 120, 1829–1847. [Google Scholar] [CrossRef]
- Nowak, A.S. Load model for bridge design code. Can. J. Civ. Eng. 1994, 21, 36–49. [Google Scholar] [CrossRef]
- Chen, S.R.; Wu, J. Modeling stochastic live load for long-span bridge based on microscopic traffic flow simulation. Comput. Struct. 2011, 89, 813–824. [Google Scholar] [CrossRef]
- Enright, B.; OBrien, E.J. Monte Carlo simulation of extreme traffic loading on short and medium span bridges. Struct. Infrastruct. Eng. 2013, 9, 1267–1282. [Google Scholar] [CrossRef]
- OBrien, E.J.; Enright, B. Modeling same-direction two-lane traffic for bridge loading. Struct. Saf. 2011, 33, 296–304. [Google Scholar] [CrossRef]
- Caprani, C.C.; González, A.; Rattigan, P.H.; Obrien, E.J. Assessment dynamic ratio for traffic loading on highway bridges. Struct. Infrastruct. Eng. 2012, 8, 295–304. [Google Scholar] [CrossRef]
- Zhu, X.Q.; Law, S.S. Dynamic load on continuous multilane bridge deck from moving vehicles. J. Sound Vib. 2002, 251, 697–716. [Google Scholar] [CrossRef]
- Huang, D.Z.; Wang, T.L.; Shahawy, M. Impact Analysis of Continuous Multigirder Bridges due to Moving Vehicles. J. Struct. Eng. 1992, 118, 3427–3443. [Google Scholar] [CrossRef]
- Ashebo, D.B.; Chan, T.; Yu, L. Evaluation of dynamic loads on a skew box girder continuous bridge Part I: Field test and modal analysis. Eng. Struct. 2007, 29, 1052–1063. [Google Scholar] [CrossRef]
- Wang, T.L.; Huang, D.Z.; Shahawy, M. Dynamic behavior of continuous and cantilever thin-walled box girder bridges. J. Bridge Eng. 1996, 1, 67–75. [Google Scholar] [CrossRef]
- Kwasniewski, L.; Li, H.Y.; Wekezer, J.; Malachowski, J. Finite element analysis of vehicle-bridge interaction. Finite Elem. Anal. Des. 2006, 42, 950–959. [Google Scholar] [CrossRef]
- Lin, Q.; Zhang, A.; Vrouwenvelder, J. Wardenier. Dynamic amplification factors and EUDL of bridges under random traffic flows. Eng. Struct. 2001, 23, 663–672. [Google Scholar] [CrossRef]
- Li, Y.; Ma, X.; Zhang, W.; Wu, Z. Updating Time-Variant Dimension for Complex Traffic Flows in Analysis of Vehicle–Bridge Dynamic Interaction. J. Aerosp. Eng. 2018, 31, 04018041. [Google Scholar] [CrossRef]
- Shao, Y.; Miao, C.; Brownjohn, J.M.W.; Ding, Y. Vehicle-bridge interaction system for long-span suspension bridge under random traffic distribution. Structures 2022, 44, 1070–1080. [Google Scholar] [CrossRef]
- Montenegro, P.A.; Castro, J.M.; Calçada, R.; Soares, J.; Coelho, H.; Pacheco, P. Probabilistic numerical evaluation of dynamic load allowance factors in steel modular bridges using a vehicle-bridge interaction model. Eng. Struct. 2021, 226, 111316. [Google Scholar] [CrossRef]
- Ren, H.; Chen, S.; Wu, Z.; Feng, Z. Time domain excitation model of random road profile for left and right wheels. Trans. Beijing Inst. Technol. 2013, 33, 257–259+306. [Google Scholar]
- JTG B01-2003; Technical Standard of Highway Engineering. Ministry of Transport of the People’s Republic of China: Beijing, China, 2003.
- ISO 8608; Mechanical Vibration-Road Surface Profiles-Reporting of Measured Data. International Organization for Standardization: London, UK, 2016.
- Gonzalez, A.; Feng, K.; Casero, M. Effective separation of vehicle, road and bridge information from drive-by acceleration data via the power spectral density resulting from crossings at various speeds. Dev. Built Environ. 2023, 6, 267–275. [Google Scholar] [CrossRef]
- Xiangqian, M.A.O. Statistical Analysis of Multi-Lane Stochastic Traffic Flow and Its Equivalent Load Model for Long-Span Bridges; Nanjing University of Technology: Nanjing, China, 2015. [Google Scholar]
- Li, H.; Wekezer, J.; Kwasniewski, L. Dynamic response of a highway bridge subjected to moving vehicles. J. Bridge Eng. 2008, 13, 439–448. [Google Scholar] [CrossRef]
- Wang, Y.; Tian, J.; Zhou, Y.; Zhao, Y.; Feng, W.; Mao, K. Assessing Dynamic Load Allowance of the Negative Bending Moment in Continuous Girder Bridges by Weighted Average Method. Coatings 2022, 12, 1233. [Google Scholar] [CrossRef]
- Ma, F.; Feng, D.; Zhang, L.; Yu, H.; Wu, G. Numerical investigation of the vibration performance of elastically supported bridges under a moving vehicle load based on impact factor. Int. J. Civ. Eng. 2022, 20, 1181–1196. [Google Scholar] [CrossRef]
- Ma, L.; Zhang, W.; Han, W.S.; Liu, J.X. Determining the dynamic amplification factor of multi-span continuous box girder bridges in highways using vehicle-bridge interaction analyses. Eng. Struct. 2019, 181, 47–59. [Google Scholar] [CrossRef]
- JTG D64-2015; Specifications for Design of Highway Steel Bridge. S.K. Kataria & Sons: New Delhi, India, 2015.
- AASHTO. LRFD Bridge Design Specification, 8th ed.; American Association of State Highway and Transportation Officials: Washington, DC, USA, 2017. [Google Scholar]
- CHBDC-2017; Canadian Highway Bridge Design Code. Transportation Association of Canada: Mississauga, ON, Canada, 2017.
- BS 5400-2:1978; Steel, Concrete and Composite Bridge. Part 2: Specification for Loads. British Standard: London, UK, 1978.
- Japan Road Association. Specifications for Highway Bridges; Japan Road Association: Tokyo, Japan, 2012. [Google Scholar]




















| Speed (km/h) | Mid-Section in the Middle Span | |||
|---|---|---|---|---|
| Dynamic Displacement | Mean (mm) | Standard Deviation | Impact Coefficient (Sieving Method) | |
| 40 | [−13.22, 7.25] | −8.81 | 3.09 | 0.37 |
| 50 | [−14.04, 10.01] | −9.65 | 3.55 | 0.51 |
| 60 | [−14.25, 7.14] | −9.48 | 2.56 | 0.48 |
| 70 | [−14.36, 9.17] | −9.34 | 2.63 | 0.46 |
| 80 | [−14.51, 7.70] | −9.23 | 3.1 | 0.44 |
| 90 | [−14.19, 8.71] | −9.06 | 2.77 | 0.41 |
| 100 | [−13.59, 6.36] | −9.30 | 2.54 | 0.45 |
| 110 | [−13.84, 7.26] | −9.85 | 2.37 | 0.54 |
| 120 | [−15.96, 8.28] | −10.47 | 2.5 | 0.63 |
| Static displacement | [−11.86, 4.78] | −6.41 | 3.28 | / |
| Road Class | Degree of Roughness | |||
|---|---|---|---|---|
| Lower Limit | Geometric Mean | Upper Limit | Geometric Mean | |
| Spatial Frequency Units, n Gd(n0) a 10−6 m3 | Gv(n) 10−6 m | |||
| A | — | 16 | 32 | 6.3 |
| B | 32 | 64 | 128 | 25.3 |
| C | 128 | 256 | 512 | 101.1 |
| D | 512 | 1024 | 2048 | 404.3 |
| E | 2048 | 4094 | 8192 | 1617 |
| F | 8192 | 16,384 | 32,768 | 6468 |
| G | 32,768 | 65,536 | 131,072 | 25,873 |
| H | 131,072 | 262,144 | — | 103,490 |
Disclaimer/Publisher’s Note: The statements, opinions and data contained in all publications are solely those of the individual author(s) and contributor(s) and not of MDPI and/or the editor(s). MDPI and/or the editor(s) disclaim responsibility for any injury to people or property resulting from any ideas, methods, instructions or products referred to in the content. |
© 2023 by the authors. Licensee MDPI, Basel, Switzerland. This article is an open access article distributed under the terms and conditions of the Creative Commons Attribution (CC BY) license (https://creativecommons.org/licenses/by/4.0/).
Share and Cite
Han, Z.; Xie, G.; Zhou, Y.; Zhuo, Y.; Wang, Y.; Shen, L. Dynamic Response Analysis of Long-Span Bridges under Random Traffic Flow Based on Sieving Method. Buildings 2023, 13, 2389. https://doi.org/10.3390/buildings13092389
Han Z, Xie G, Zhou Y, Zhuo Y, Wang Y, Shen L. Dynamic Response Analysis of Long-Span Bridges under Random Traffic Flow Based on Sieving Method. Buildings. 2023; 13(9):2389. https://doi.org/10.3390/buildings13092389
Chicago/Turabian StyleHan, Zhiqiang, Gang Xie, Yongjun Zhou, Yajuan Zhuo, Yelu Wang, and Lin Shen. 2023. "Dynamic Response Analysis of Long-Span Bridges under Random Traffic Flow Based on Sieving Method" Buildings 13, no. 9: 2389. https://doi.org/10.3390/buildings13092389
APA StyleHan, Z., Xie, G., Zhou, Y., Zhuo, Y., Wang, Y., & Shen, L. (2023). Dynamic Response Analysis of Long-Span Bridges under Random Traffic Flow Based on Sieving Method. Buildings, 13(9), 2389. https://doi.org/10.3390/buildings13092389

