Fatigue Life Prediction of Steam Generator Tubes by Tube Specimens with Circular Holes
Abstract
:1. Introduction
2. Experimental Procedure and Results
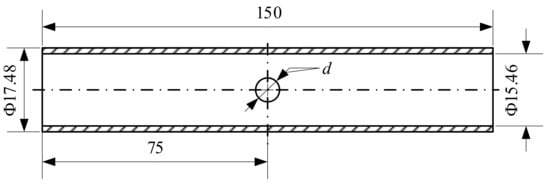
2.1. Experimental Procedure
2.2. Results and Analysis
3. Evaluation of Stress and Strain near the Hole
3.1. Finite Element Model
3.2. Elastic Analysis
3.3. Elastoplastic Analysis
4. Fatigue Life Analysis
5. Conclusions
- (1)
- Under the axial cyclic loading, the fatigue crack initiates on the boundary of the hole and propagates perpendicular to the axial of the tube. The fracture of the sample can be divided into three areas: the crack initiation zone, the fracture zone transition zone, and the long crack extension zone. In the thickness direction, the crack face exhibits different angles as the crack propagates.
- (2)
- The elastic stress concentration factor of the tube specimen with a hole is obtained by elastic finite element analysis. Also, the stress distribution is discussed in this paper. The fatigue damage in the middle of the wall thickness is the highest, which is consistent with the test fracture analysis.
- (3)
- The local stress-strain field of the tube specimen with a hole is obtained by elastoplastic finite element analysis. Compared with the Neuber’s formula estimation results, the error between them is less than 6%. The Neuber’s method can be used to estimate the local stress-strain of the notch.
- (4)
- Based on the local stress-strain field of the tube specimen with a hole, the equivalent fatigue life of the smooth heat transfer tube was obtained and compared with the fatigue life of the raw material. Compared with the mean fatigue life of nickel-based alloy materials, the equivalent fatigue life of smooth heat transfer tubes is higher. Further, the heat transfer tubes involved should have a better fatigue performance.
Author Contributions
Funding
Conflicts of Interest
References
- Auvinen, A.; Jokiniemi, J.K.; Laehde, A.; Lähde, A.; Routamo, T.; Lundström, P.; Tuomisto, H.; Dienstbier, J.; Güntay, S.; Suckow, D.; et al. Steam generator tube rupture (SGTR) scenarios. Nucl. Eng. Des. 2005, 235, 457–472. [Google Scholar] [CrossRef]
- Diercks, D.R.; Shack, W.J.; Muscara, J. Overview of steam generator tube degradation and integrity issues. Nucl. Eng. Des. 1999, 194, 19–30. [Google Scholar] [CrossRef]
- Japan Nuclear Energy Safety Organization Nuclear Energy System Safety Division. Environmental Fatigue Evaluation Method for Nuclear Power Plants, JNES-SS-1005; Japan Nuclear Energy Safety Organization: Tokyo, Japan, 2011. [Google Scholar]
- Higuchi, M.; Sakaguchi, K.; Hirano, A.; Nomura, Y. Revised and new proposal of environmental fatigue life correction factor (Fen) for carbon and low-alloy steels and nickel base alloys in LWR water environments. In Proceedings of the PVP2006-ICPVT-11, ASME Pressure Vessels and Piping Division Conference, Vancoucer, BC, Canada, 23–27 July 2006. [Google Scholar]
- Arora, P.; Gupta, S.K.; Bhasin, V.; Singh, R.K.; Sivaprasad, S.; Tarafder, S. Testing and assessment of fatigue life prediction models for Indian PHWRs piping material under multi-axial load cycling. Int. J. Fatigue 2016, 85, 98–113. [Google Scholar] [CrossRef]
- Neuber, H. Theory of stress concentration for shear strained prismatical bodies with arbitrary non-linear stress-strain law. J. Appl. Mech. 1961, 28, 544–550. [Google Scholar] [CrossRef]
- Zhang, C.C.; Yao, W.X. Typical fatigue life analysis approaches for notched components. J. Aerosp. Power 2013, 28, 1223–1230. [Google Scholar]
- Ellyin, F.; Kujawski, D. Generalization of notch analysis and its extension to cyclic loading. Eng. Fract. Mech. 1989, 32, 819–826. [Google Scholar] [CrossRef]
- Karakaş, Ö. Application of Neuber’s effective stress method for the evaluation of the fatigue behaviour of magnesium welds. Int. J. Fatigue 2017, 101, 115–126. [Google Scholar] [CrossRef]
- Bentachfine, S.; Pluvinage, G.; Gilgert, J.; Azari, Z.; Bouami, D. Notch effect in low cycle fatigue. Int. J. Fatigue 1999, 21, 421–430. [Google Scholar] [CrossRef]
- Taylor, D. Geometrical effects in fatigue: A unifying theoretical model. Int. J. Fatigue 1999, 21, 413–420. [Google Scholar] [CrossRef]
- Sun, D.; Hu, Z.D. Research of the size factor of fatigue strength base on TCD theory. Chin. Quart. Mech. 2015, 36, 288–295. [Google Scholar]
- Adib-Ramezani, H.; Jeong, J. Advanced volumetric method for fatigue life prediction using stress gradient effects at notch roots. Comp. Mater. Sci. 2007, 39, 649–663. [Google Scholar] [CrossRef]
- Yao, W.X. Stress field intensity approach for predicting fatigue life. Int. J. Fatigue 1993, 15, 243–246. [Google Scholar]
- Shen, J.B.; Tang, D.L. Predicting method for fatigue life with stress gradient. Chin. Mech. Eng. 2017, 28, 40–44. [Google Scholar]
- Branco, R.; Costa, J.; Berto, F.; Antunes, F.V. Fatigue life assessment of notched round bars under multiaxial loading based on the total strain energy density approach. Thoret. Appl. Fract. Mech. 2018, 97, 340–348. [Google Scholar] [CrossRef]
- Sonsino, C.M.; Bruder, T.; Baumgartner, J. S-N Lines for welded thin joints—Suggested slopes and FAT values for applying the notch stress concept with various reference radii. Weld World 2010, 54, 375–392. [Google Scholar] [CrossRef]
- Sonsino, C.M.; Fricke, W.; De Bruyne, F.; Hoppe, A.; Ahmadi, A.; Zhang, G. Notch stress concepts for the fatigue assessment of welded joints—Background and applications. Int. J. Fatigue 2012, 34, 2–16. [Google Scholar] [CrossRef]
- Bertini, L.; Frendo, F.; Marulo, G. Fatigue life assessment of welded joints by two local stress approaches: The notch stress approach and the peak stress method. Int. J. Fatigue 2018, 110, 246–253. [Google Scholar] [CrossRef]
- He, X.; Chen, J.; Tian, W.; Li, Y.; Jin, W. Low cycle fatigue behavior of steam generator tubes under axial loading. Materials 2018, 11, 1944. [Google Scholar] [CrossRef]
- Guo, W. Three-dimensional analyses of plastic constraint for through-thickness cracked bodies. Eng. Fract. Mech. 1999, 62, 383–407. [Google Scholar] [CrossRef]
- Seeger, T.; Heuler, P. Generalized application of Neuber’s rule. J. Test. Eval. 1980, 8, 199–204. [Google Scholar]
- Gates, N.; Fatemi, A. Notched fatigue behavior and stress analysis under multiaxial states of stress. Int. J. Fatigue 2014, 67, 2–14. [Google Scholar] [CrossRef]
- Kuhn, P.; Hardrath, H.F. An Engineering Method for Estimating Notch-Size Effect in Fatigue Tests on Steel; NACA Technical Note; NACA: Langley Field, VA, USA, 1952. [Google Scholar]
- Gates, N.; Fatemi, A. Notch deformation and stress gradient effects in multiaxial fatigue. Theor. Appl. Fract. Mech. 2016, 84, 3–25. [Google Scholar] [CrossRef]
- Langer, B.F. Design of pressure vessels for low-cycle fatigue. Trans. ASME J. Basic Eng. 1962, 84, 389–399. [Google Scholar] [CrossRef]
- Chopra, O.; Stevens, G. Effect of LWR Coolant Environments on the Fatigue Life of Reactor Materials; NUREG/CR-6909, ANL-12/60; U.S. Nuclear Regulatory Commission: Washington, DC, USA, 2014. [Google Scholar]












| Ni | Cr | Fe | C | Mn | Si | Cu | S |
|---|---|---|---|---|---|---|---|
| 58.0 min. | 27.0–31.0 | 7.0–11.0 | 0.05 max. | 0.50 max. | 0.50 max. | 0.5 max. | 0.015 max. |
| Item | Young’s Modulus (MPa) | Yield Strength (MPa) | Tensile Strength (MPa) |
|---|---|---|---|
| Experimental results | 2.12 × 105 | 286 | 702 |
| Standard requirement | - | 240 | 586 |
| Diameter of Holes | Control Method | Load Level | Test Life |
|---|---|---|---|
| 4 mm | Strain control | ±0.2% | 478, 886 |
| 2 mm | Stress control | ±250 MPa | 11,722, 13,300 |
| 2 mm | Stress control | ±200 MPa | 44,200, 58,800 |
© 2019 by the authors. Licensee MDPI, Basel, Switzerland. This article is an open access article distributed under the terms and conditions of the Creative Commons Attribution (CC BY) license (http://creativecommons.org/licenses/by/4.0/).
Share and Cite
Wang, Q.; Chen, J.; Chen, X.; Gao, Z.; Li, Y. Fatigue Life Prediction of Steam Generator Tubes by Tube Specimens with Circular Holes. Metals 2019, 9, 322. https://doi.org/10.3390/met9030322
Wang Q, Chen J, Chen X, Gao Z, Li Y. Fatigue Life Prediction of Steam Generator Tubes by Tube Specimens with Circular Holes. Metals. 2019; 9(3):322. https://doi.org/10.3390/met9030322
Chicago/Turabian StyleWang, Qiwei, Junfeng Chen, Xiao Chen, Zengliang Gao, and Yuebing Li. 2019. "Fatigue Life Prediction of Steam Generator Tubes by Tube Specimens with Circular Holes" Metals 9, no. 3: 322. https://doi.org/10.3390/met9030322
APA StyleWang, Q., Chen, J., Chen, X., Gao, Z., & Li, Y. (2019). Fatigue Life Prediction of Steam Generator Tubes by Tube Specimens with Circular Holes. Metals, 9(3), 322. https://doi.org/10.3390/met9030322

