Parametric Study on Mechanical Behavior of Beam–Column Joint with L-Shaped Components
Abstract
1. Introduction
2. Specimen Design Overview
2.1. Test Specimen Design
- ∘
- Fabricate all connection components, beams, and columns.
- ∘
- Weld transverse stiffening ribs to the steel column flange at the specified height.
- ∘
- Weld the end-plate to the designated position on the steel beam section.
- ∘
- Form the L-shaped components by welding two steel plates of different lengths into an angle steel, and then weld a triangular fillet plate to the angle steel.
- ∘
- Use high-strength bolts to attach the long limbs of the top-and-seat L-shaped components to the upper and lower flanges of the steel beam.
- ∘
- Bolt the vertical plate of the L-shaped components to the steel column flange.
- ∘
- Connect the end-plate to the steel column flange to complete the joint assembly.
2.2. Finite Element Model Design
- Areas with significant stress gradient changes, such as around bolt holes.
- Stress concentration zones, such as the joint core.
- High-strength bolts: Meshed with a fine element size of approximately 5 mm.
- L-shaped components: Assigned a 30 mm element size, with local refinement in the thickness direction achieved by setting seeds to ensure two elements across the thickness.
- Beam and column: Meshed with a coarser 200 mm element size. The flange thickness was refined to two elements, with additional refinement in the joint core.
- Bolt hole regions: Local refinement was applied, ensuring at least two elements in each direction around the bolt holes in both the beam and column.
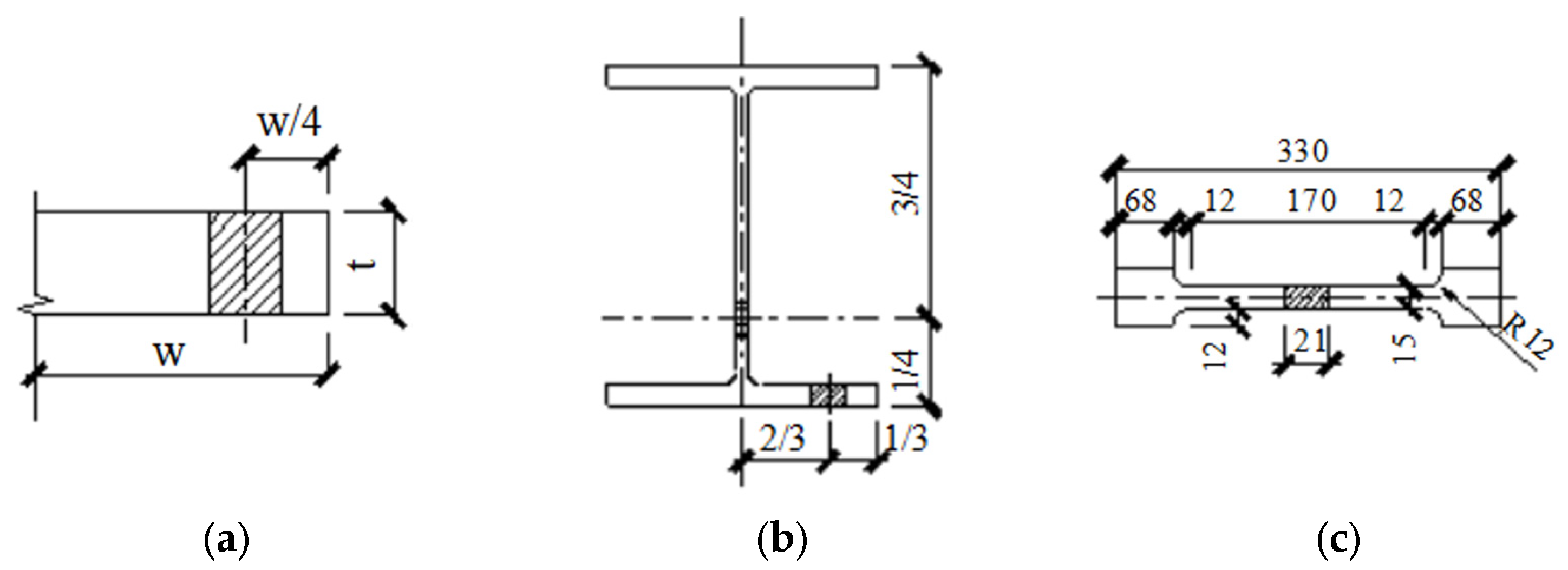
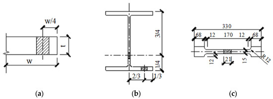
2.3. Material Testing
2.4. Loading Setup
2.5. Loading Protocol
- When the load dropped below 85% of the peak load.
- When significant visible damage occurred to the specimen.
- When the specimen underwent excessive deformation.
3. Comparison of Tested and Finite Element Simulation Results
3.1. Failure Mode
3.2. Hysteresis Curves
3.3. Backbone Curves
4. Design Parameters for L-Shaped Beam–Column Joint
4.1. Parameter Design
4.2. Analysis of the Impact of L-Shaped Component Configurations on Joint Mechanical Performance
4.2.1. Von Mises Stress Contour Plots of LPF Series Specimens Under Monotonic Loading
4.2.2. Moment–Rotation Curves of LPF Series Specimens Under Monotonic Loading
4.2.3. Load-Bearing Capacity Analysis of LPF Series Specimens Under Monotonic Loading
4.3. Analysis of the Influence of Vertical Plate Thickness on Joint Mechanical Performance
4.3.1. Von Mises Stress Contour Plots of LST Series Specimens Under Monotonic Loading
4.3.2. Moment–Rotation Curves of LST Series Specimens Under Monotonic Loading
4.3.3. Load-Bearing Capacity Analysis of LST Series Specimens Under Monotonic Loading
4.4. Analysis of the Influence of L-Shaped Component Horizontal Plate Thickness on Joint Mechanical Performance
4.4.1. Von Mises Stress Contour Plots of LHT Series Specimens Under Monotonic Loading
4.4.2. Moment–Rotation Curves of LHT Series Specimens Under Monotonic Loading
4.4.3. Load-Bearing Capacity Analysis of LHT Series Specimens Under Monotonic Loading
4.5. Analysis of the Influence of the L-Shaped Component Horizontal Plate Length on the Joint Mechanical Properties
4.5.1. Von Mises Stress Contour Plots of LHL Series Specimens Under Monotonic Loading
4.5.2. Moment–Rotation Curves of LHL Series Specimens Under Monotonic Loading
4.5.3. Load-Bearing Capacity Analysis of LHL Series Specimens Under Monotonic Loading
4.6. Influence of End-Plate Thickness on Joint Mechanical Performance
4.6.1. Von Mises Stress Contour Plots of LEP Series Specimens Under Monotonic Loading
4.6.2. Moment–Rotation Curves of LEP Series Specimens Under Monotonic Loading
4.6.3. Load-Bearing Capacity Analysis of LEP Series Specimens Under Monotonic Loading
4.7. Analysis of the Impact of the Number of Stiffening Ribs on the Mechanical Performance of L-Shaped Components
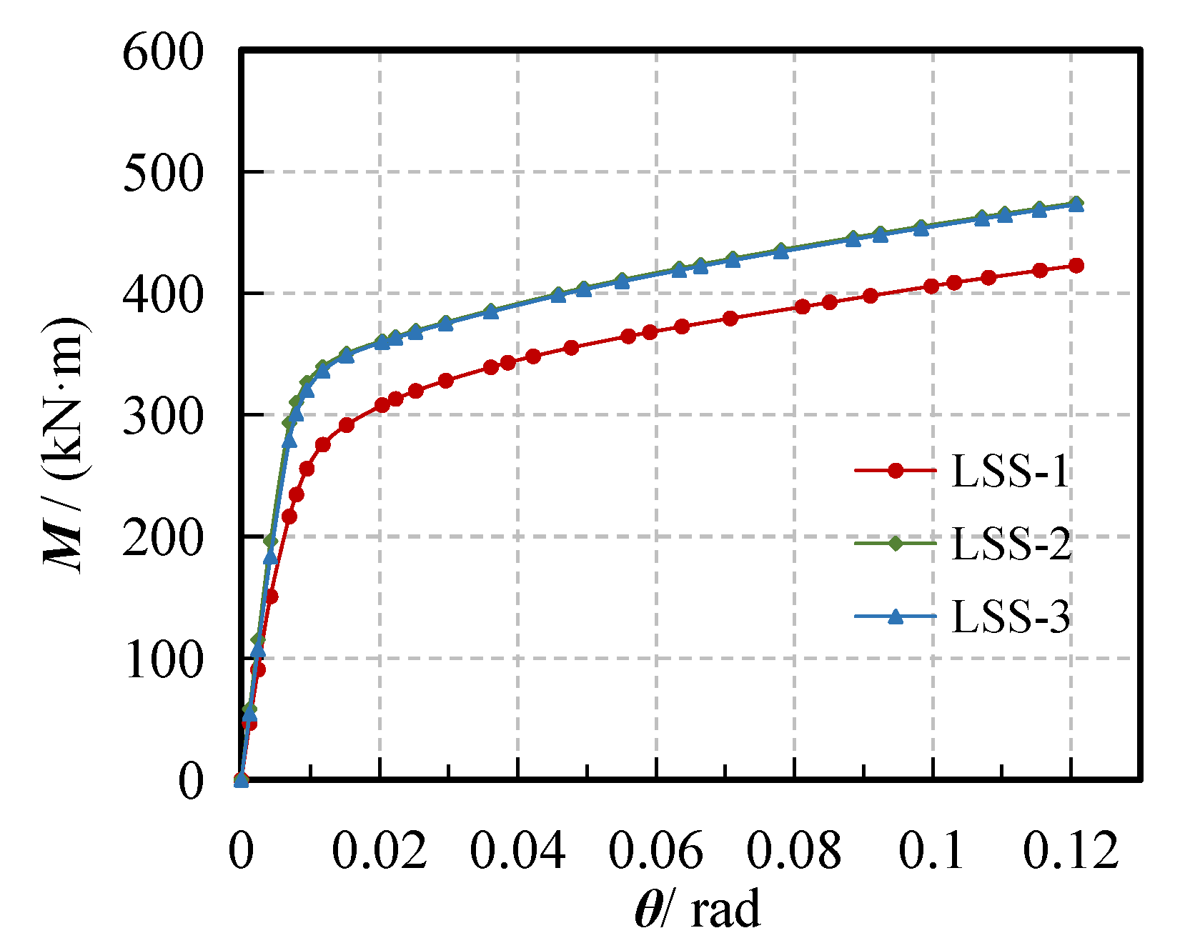
4.7.1. Von Mises Stress Contour Plots of LSS Series Specimens Under Monotonic Loading
4.7.2. Moment–Rotation Curves of LSS Series Specimens Under Monotonic Loading
4.7.3. Load-Bearing Capacity Analysis of LSS Series Specimens Under Monotonic Loading
5. Conclusions
- (1)
- Under low-cycle repeated loading, this type of joint exhibits high load-bearing capacity, significant stiffness degradation, and strong energy-dissipation capacity. Moreover, the joint effectively forms plastic hinges outside the core area, meeting the design requirements of “strong columns and weak beams” and “strong joints and weak components”. This indicates that the joint has excellent seismic performance.
- (2)
- The most likely failure mode of this type of joint is the buckling of the beam flange.
- (3)
- The thickness of the L-shaped component has an insignificant impact on the load-bearing capacity and ductility of the joint. However, in the elastoplastic stage, varying the length of the L-shaped component leads to a significant enhancement in the load-bearing capacity and ductility of the joint. In contrast, in the elastic stage, the influence of the length of the L-shaped component on the mechanical performance of the joint is minimal.
- (4)
- Based on the simulation results of the various parameter models, it can be inferred that when designing this type of specimen, the L-shaped specimen with equal lengths of the horizontal and vertical plates or the L-shaped specimen with a longer horizontal plate and shorter vertical plate should be selected. The thickness of the vertical plate of the L-shaped specimen, the thickness of the horizontal plate of the L-shaped specimen, and the thickness of the end-plate should be controlled within the range of the beam flange thickness to 1.2 times the beam flange thickness. The length of the horizontal plate of the L-shaped specimen should be maintained between 320 mm and 370 mm. It is more reasonable to choose the single fillet form for the L-shaped specimen.
6. Design Recommendations
7. Outlook
Author Contributions
Funding
Data Availability Statement
Conflicts of Interest
Glossary
| LJD-1/2 | Specimen number |
| RBS | Reduced beam section |
| t | Plate thickness |
| σy | Yield strength |
| σu | Ultimate strength |
| E | Modulus of elasticity |
| δ/% | Tensile strength |
| fy/fu | Tensile strength ratio |
| MTS | MTS electro-hydraulic servo actuator |
| θ | Joint rotation |
| M | Joint moment |
References
- Kim, S.D.; Kim, S.S.; Ju, Y.K. Strength evaluation of beam–column connection in the weak axis of H-shaped column. Eng. Struct. 2008, 30, 1699–1710. [Google Scholar] [CrossRef]
- Elghazouli, A.Y.; Málaga-Chuquitaype, C.; Castro, J.M.; Orton, A.H. Experimental monotonic and cyclic behavior of blind-bolted angle connections. Eng. Struct. 2009, 31, 2540–2553. [Google Scholar] [CrossRef]
- Skejic, D.; Dujmovic, D.; Beg, D. Behaviour of stiffened flange cleat joints. J. Constr. Steel Res. 2014, 103, 61–76. [Google Scholar] [CrossRef]
- Gong, Y.L. Ultimate tensile deformation and strength capacities of bolted-angle connections. J. Constr. Steel Res. 2014, 100, 50–59. [Google Scholar] [CrossRef]
- Reinosa, J.; Loureiro, A.; Gutierrez, R.; Lopez, M. Analytical plate approach for the axial stiffness prediction of stiffened angle cleats. J. Constr. Steel Res. 2015, 106, 77–88. [Google Scholar] [CrossRef]
- Aydın, A.C.; Kılıç, M.; Maali, M.; Sağıroğlu, M. Experimental assessment of the semi-rigid connections behavior with angles and stiffeners. J. Constr. Steel Res. 2015, 114, 338–348. [Google Scholar] [CrossRef]
- Shiravand, M.R.; Mahboubi, S. Behavior of post-tensioned connections with stiffened angles under cyclic loading. J. Constr. Steel Res. 2016, 116, 183–192. [Google Scholar] [CrossRef]
- Kong, Z.; Kim, S.E. Moment-rotation behavior of top-and-seat angle connections with double web angles. J. Constr. Steel Res. 2017, 128, 428–439. [Google Scholar] [CrossRef]
- Hasan, M.J.; Al-Deen, S.; Ashraf, M. Behaviour of top-seat double web angle connection produced from austenitic stainless steel. J. Constr. Steel Res. 2019, 155, 460–479. [Google Scholar] [CrossRef]
- Wang, H.; Zhao, X.; Ma, G. Experimental study on seismic performance of column-column-beam joint in panelised steel-modular structure. J. Constr. Steel Res. 2022, 192, 107240. [Google Scholar] [CrossRef]
- Moestopo, M.; Novan, A.; Mirza, A. On improved performance of eccentrically braced frames with replaceable shear link. In Proceedings of the 15th World Conference on Earthquake Engineering, Lisbon, Portugal, 24–28 September 2012. [Google Scholar]
- Balut, N.; Gioncu, V. Suggestion for an improved ‘dog-bone’ solution. In Proceedings of the Conference on Behavior of Steel Structures in Seismic Areas, STESSA 2003, Naples, Italy, 9–12 June 2003; pp. 129–134. [Google Scholar]
- Li, S.; Ding, S.; Li, X.; Guo, H.; Mu, L. Experimental study and mechanical properties of prefabricated beam-column joint with L-shaped stiffeners. J. Constr. Steel Res. 2022, 199, 107627. [Google Scholar] [CrossRef]
- GB50017-2017; Standard for Design of Steel Structures. China Architecture & Building Press: Beijing, China, 2017. (In Chinese)
- GB2975-2018; Steel and Steel Products—Location and Preparation of Test Pieces for Mechanical Testing. Standards Press of China: Beijing, China, 2016. (In Chinese)
- ANSI/AISC 341-16; Seismic Provisions for Structural Steel Buildings. American Institute of Steel Construction: Chicago, IL, USA, 2016.




























| Member | Column Cross-Sectional Dimension [mm] | Beam Cross-Sectional Dimension [mm] | Lengths [mm] | Thickness [mm] |
|---|---|---|---|---|
| LJD-1 | HW400 × 400 × 13 × 21 | HN400 × 200 × 8 × 13 | 420 | 16 |
| LJD-2 | 420 | 20 |
| t [mm] | σy [MPa] | σu [MPa] | E [GPa] | δ [%] | fy/fu |
|---|---|---|---|---|---|
| 8 | 261.54 | 461.12 | 203.32 | 28.11 | 0.57 |
| 21 | 252.80 | 440.50 | 206.16 | 33.85 | 0.57 |
| 13 | 278.93 | 440.59 | 204.56 | 29.78 | 0.63 |
| 16 | 259.40 | 402.83 | 208.71 | 36.56 | 0.64 |
| Thickness of L-Shaped Component [mm] | Length of L-Shaped Component [mm] | Number of Stiffening Ribs | Thickness of End-Plate [mm] | ||
|---|---|---|---|---|---|
| Vertical Plate | Horizontal Plate | Vertical Plate | Horizontal Plate | ||
| 16 | 16 | 176 | 250 | 1 | 16 |
| Specimen | LPF-1 (Base) | LPF-2 | LPF-3 | |
|---|---|---|---|---|
| Parameters | Length of Vertical Plate [mm] | 176 | 250 | 250 |
| Length of Horizontal Plate [mm] | 250 | 250 | 176 | |
| Specimen | LST-1 | LST-2 | LST-3 (Base) | LST-4 |
|---|---|---|---|---|
| Thickness of the vertical plate [mm] | 10 | 13 | 16 | 21 |
| Specimen | LHT-1 | LHT-2 | LHT-3 (Base) | LHT-4 |
|---|---|---|---|---|
| Thickness of the horizontal plate [mm] | 10 | 13 | 16 | 21 |
| Specimen | LHL-1 (Base) | LHL-2 | LHL-3 | LHL-4 |
|---|---|---|---|---|
| Length of the horizontal plate [mm] | 250 | 320 | 370 | 420 |
| Number of bolts [n] | 6 | 8 | 8 | 8 |
| Bolt pitch (side clearance) [mm] | 70 (47) | 70 (47) | 80 (57) | 90 (67) |
| Specimen | LEP-1 | LEP-2 | LEP-3 (Base) | LEP-4 |
|---|---|---|---|---|
| Thickness of the end-plate [mm] | 10 | 13 | 16 | 21 |
| Specimen | LSS-1 | LSS-2 (Base) | LSS-3 |
|---|---|---|---|
| Number of stiffening ribs [mm] | 0 | 1 | 2 |
| Specimen | Yield Moment [kN·m] | Improvement over Base Rate | Ultimate Force [kN·m] | Improvement over Base Rate | Initial Rotational Stiffness [kN·m/rad] | Improvement over Base Rate |
|---|---|---|---|---|---|---|
| LPF-1 (Base) | 331.68 | - | 472.81 | - | 47,602.60 | - |
| LPF-2 | 336.35 | 1.41% | 477.86 | 1.06% | 50,032.37 | 5.10% |
| LPF-3 | 308.18 | −7.09% | 445.19 | −5.84% | 44,494.58 | −6.53% |
| Specimen | Yield Moment [kN·m] | Improvement over Base Rate | Ultimate Force [kN·m] | Improvement over Base Rate | Initial Rotational Stiffness [kN·m/rad] | Improvement over Base Rate |
|---|---|---|---|---|---|---|
| LST-1 | 301.38 | −9.14% | 460.00 | −2.71% | 44,663.54 | −6.17% |
| LST-2 | 327.26 | −1.33% | 468.33 | −0.95% | 46,637.51 | −2.03% |
| LST-3 (Base) | 331.68 | - | 472.81 | - | 47,602.60 | - |
| LST-4 | 337.24 | 1.68% | 479.71 | 1.46% | 49,011.24 | 2.96% |
| Specimen | Yield Moment [kN·m] | Improvement over Base Rate | Ultimate Force [kN·m] | Improvement over Base Rate | Initial Rotational Stiffness [kN·m/rad] | Improvement over Base Rate |
|---|---|---|---|---|---|---|
| LHT-1 | 324.62 | −2.13% | 465.51 | −1.54% | 46,346.21 | −2.71% |
| LHT-2 | 328.53 | −0.95% | 471.33 | −0.31% | 47,314.31 | −0.61% |
| LHT-3 (Base) | 331.68 | - | 472.81 | - | 47,602.60 | - |
| LHT-4 | 333.17 | 0.45% | 477.36 | 0.96% | 48,574.56 | 2.04% |
| Specimen | Yield Force [kN·m] | Improvement over Base Rate | Ultimate Force [kN·m] | Improvement over Base Rate | Initial Rotational Stiffness [kN·m/rad] | Improvement over Base Rate |
|---|---|---|---|---|---|---|
| LHL-1 (Base) | 331.68 | - | 472.81 | - | 47,602.60 | - |
| LHL-2 | 354.51 | 6.88% | 504.42 | 6.69% | 51,641.18 | 8.48% |
| LHL-3 | 364.63 | 9.93% | 523.77 | 10.78% | 53,481.06 | 12.35% |
| LHL-4 | 372.91 | 12.43% | 538.18 | 13.83% | 55,047.11 | 15.64% |
| Yield Moment [kN·m] | Improvement over Base Rate | Ultimate Force [kN·m] | Improvement over Base Rate | Initial Rotational Stiffness [kN·m/rad] | Improvement over Base Rate | |
|---|---|---|---|---|---|---|
| LEP-1 | 326.12 | −2.13% | 471.23 | −0.42% | 46,643.11 | −1.56% |
| LEP-2 | 328.53 | −0.95% | 471.33 | −0.40% | 47,314.31 | −0.14% |
| LEP-3 (Base) | 330.46 | - | 473.20 | - | 47,384.15 | - |
| LEP-4 | 331.58 | 0.45% | 475.14 | 0.41% | 48,268.07 | 1.87% |
| Specimen | Yield Moment [kN·m] | Improvement over Base Rate | Ultimate Force [kN·m] | Improvement over Base Rate | Initial Rotational Stiffness [kN·m/rad] | Improvement over Base Rate |
|---|---|---|---|---|---|---|
| LSS-1 | 272.88 | −17.73% | 422.86 | −10.86% | 38,019.32 | −20.13% |
| LSS-2 (Base) | 331.68 | - | 474.39 | - | 47,602.60 | - |
| LSS-3 | 331.61 | −0.02% | 473.01 | −0.29% | 44,688.50 | −6.12% |
Disclaimer/Publisher’s Note: The statements, opinions and data contained in all publications are solely those of the individual author(s) and contributor(s) and not of MDPI and/or the editor(s). MDPI and/or the editor(s) disclaim responsibility for any injury to people or property resulting from any ideas, methods, instructions or products referred to in the content. |
© 2025 by the authors. Licensee MDPI, Basel, Switzerland. This article is an open access article distributed under the terms and conditions of the Creative Commons Attribution (CC BY) license (https://creativecommons.org/licenses/by/4.0/).
Share and Cite
Xia, Y.; Wang, S.; Li, S.; Yang, H. Parametric Study on Mechanical Behavior of Beam–Column Joint with L-Shaped Components. Metals 2025, 15, 228. https://doi.org/10.3390/met15030228
Xia Y, Wang S, Li S, Yang H. Parametric Study on Mechanical Behavior of Beam–Column Joint with L-Shaped Components. Metals. 2025; 15(3):228. https://doi.org/10.3390/met15030228
Chicago/Turabian StyleXia, Yuanyuan, Suipeng Wang, Shen Li, and Haizeng Yang. 2025. "Parametric Study on Mechanical Behavior of Beam–Column Joint with L-Shaped Components" Metals 15, no. 3: 228. https://doi.org/10.3390/met15030228
APA StyleXia, Y., Wang, S., Li, S., & Yang, H. (2025). Parametric Study on Mechanical Behavior of Beam–Column Joint with L-Shaped Components. Metals, 15(3), 228. https://doi.org/10.3390/met15030228
