Effect of Microstructure on Fatigue Damage Accumulation in 7075 Aluminum Alloy Subjected to a Single Compressive Overload
Abstract
1. Introduction
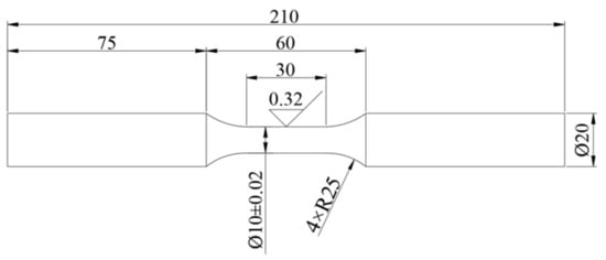
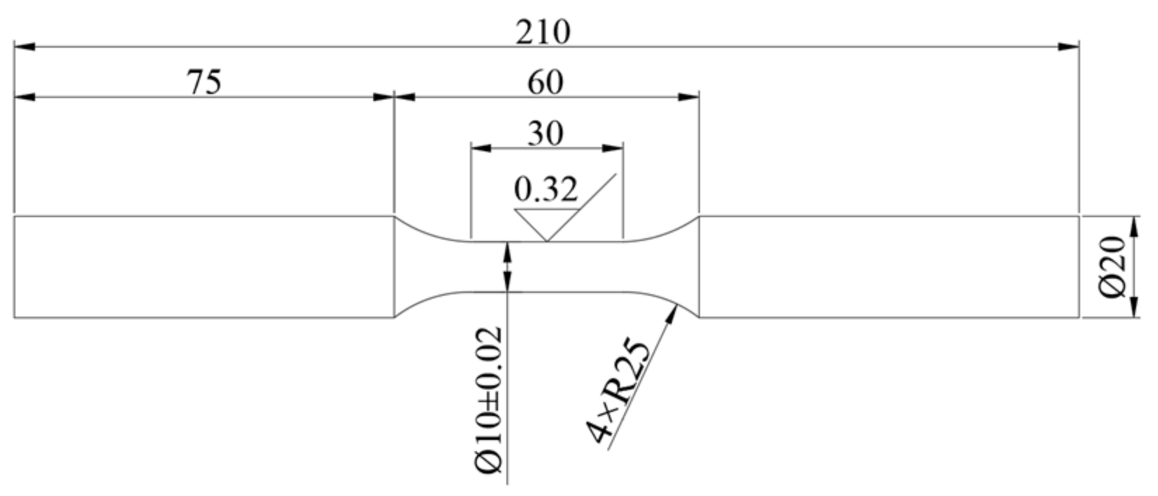
2. Material and Experiments
3. Numerical Framework
3.1. Dual-Scale Modeling
3.1.1. Macro-Scale Model
3.1.2. Micro-Scale Model
3.2. Constitutive Models and Parameter Determination
3.2.1. CPFEM–LCFD Model
3.2.2. Chaboche–LCFD Model
3.2.3. Low-Cycle Fatigue Damage-Evolution Model
3.3. Parameter Determination
4. Results and Discussions
4.1. Deformation and Tensile Residual Stress Distribution Ahead of Crack Tip
4.2. Damage Evolution Ahead of Crack Tip
4.3. Effect of Grain Orientation on Damage Evolution Ahead of Crack Tip
4.4. Effect of Orientations of Nearest Neighbor Grains on Damage Evolution Ahead of Crack Tip
5. Conclusions
- (1)
- The ratchetting strain ahead of the crack tip increases with the level of compressive overload ratio, which is attributed to the fact that higher compressive overloading induces greater tensile residual stress ahead of the crack tip.
- (2)
- The number of activated slip systems ahead of the crack tip increases with an increase in compressive overloading. This causes the rate of dislocation multiplication to be faster, thereby accelerating the accumulation of fatigue damage.
- (3)
- The effect of compressive overload changes the activity of slip system, which is another factor accelerating the damage accumulation after the compressive overload. Furthermore, the change in slip system activity caused by the effect of compressive overload depends on the grain orientation.
- (4)
- For a grain ahead of the crack tip, the acceleration of fatigue damage accumulation caused by the effect of compressive overload is influenced by the orientation of its nearest neighbor grains.
Author Contributions
Funding
Data Availability Statement
Conflicts of Interest
References
- Imran, M.; Khan, A.R.A. Characterization of Al-7075 metal matrix composites: A review. J. Mater. Res. Technol. 2019, 8, 3347–3356. [Google Scholar] [CrossRef]
- Park, S.Y.; Kim, W.J. Difference in the Hot Compressive Behavior and Processing Maps between the As-cast and Homogenized Al-Zn-Mg-Cu (7075) Alloys. J. Mater. Sci. Technol. 2016, 32, 660–670. [Google Scholar] [CrossRef]
- Gao, P.; Wang, X.; Liang, Z.; Xiang, J.; Li, W.; Xie, J. Effects of WC grain size and Co content on microscale wear behavior of micro end mills in aluminum alloy 7075 machining. Int. J. Adv. Manuf. Technol. 2019, 104, 2401–2413. [Google Scholar] [CrossRef]
- Senthil, K.; Iqbal, M.A.; Chandel, P.S.; Gupta, N.K. Study of the constitutive behavior of 7075-T651 aluminum alloy. Int. J. Impact Eng. 2017, 108, 171–190. [Google Scholar] [CrossRef]
- Yu, X.R.; Zhang, G.F.; Jin, H.H.; Song, A.X. A data driven model for estimating the fatigue life of 7075-T651 aluminum alloy based on the updated BP model. J. Mater. Res. Technol. 2023, 24, 1252–1263. [Google Scholar]
- Stephens, R.I.; Chen, D.K.; Hom, B.W. Fatigue crack growth with negative stress ratio following single overload in 2024-T3 and 7075-T6 aluminum alloys. In Fatigue Crack Growth under Spectrum Loads, ASTM STP 595; ASTM: Philadelphia, PA, USA, 1976. [Google Scholar]
- Zhao, T.; Zhang, J.; Jiang, Y. A study of fatigue crack growth of 7075-T651 aluminum alloy. Int. J. Fatigue 2008, 30, 1169–1180. [Google Scholar] [CrossRef]
- Antunes, F.V.; Paiva, L.; Branco, R.; Borrego, L.P. Effect of underloads on plasticity-induced crack closure: A numerical analysis. J. Eng. Mater. Technol. 2019, 141, 031008. [Google Scholar] [CrossRef]
- Liang, H.; Zhan, R.; Wang, D.; Deng, C.; Guo, B.; Xu, X. Fatigue crack growth under overload/underload in different strength structural steels. J. Constr. Steel. Res. 2022, 192, 107213. [Google Scholar] [CrossRef]
- Liang, H.; Wang, D.; Deng, C.; Zhan, R. Fatigue crack growth acceleration in S355 steel under a single and periodic underload. Int. J. Fatigue 2022, 158, 106744. [Google Scholar] [CrossRef]
- Liang, H.; Zhan, R.; Wang, D.; Deng, C.; Xu, X.; Guo, B. Effect of crack-tip deformation on fatigue crack growth: A comparative study under overload/underload conditions. Theor. Appl. Fract. Mech. 2022, 118, 103268. [Google Scholar] [CrossRef]
- Zitounis, V.; Irving, P.E. Fatigue crack acceleration effects during tensile underloads in 7010 and 8090 aluminium alloys. Int. J. Fatigue 2007, 29, 108–118. [Google Scholar] [CrossRef]
- Topper, T.H.; Yu, M.T. The effect of overloads on threshold and crack closure. Int. J. Fatigue 1985, 7, 159–164. [Google Scholar] [CrossRef]
- Dabayeh, A.A.; Topper, T.H. Changes in crack-opening stress after underloads and overloads in 2024-T351 aluminium alloy. Int. J. Fatigue 1995, 17, 261–269. [Google Scholar] [CrossRef]
- Khademi, V.; Bieler, T.R.; Boehlert, C.J. On the correlation between plastic strain and misorientation in polycrystalline body-centered-cubic microstructures with an emphasis on the grain size, loading history, and crystallographic orientation. Int. J. Plast. 2021, 146, 103084. [Google Scholar] [CrossRef]
- Kumar, M.A.; Beyerlein, I.J.; Tomé, C.N. Effect of local stress fields on twin characteristics in HCP metals. Acta Mater. 2016, 116, 143–154. [Google Scholar] [CrossRef]
- Niezgoda, S.R.; Kanjarla, A.K.; Beyerlein, I.J.; Tomé, C.N. Stochastic modeling of twin nucleation in polycrystals: An application in hexagonal close-packed metals. Int. J. Plast. 2014, 56, 119–138. [Google Scholar] [CrossRef]
- Bhattacharyya, S.; Heo, T.W.; Chang, K.; Chen, L.Q. A phase-field model of stress effect on grain boundary migration. Model. Simul. Mater. Sci. Eng. 2011, 19, 035002. [Google Scholar] [CrossRef]
- Zhang, W.; Simpson, C.A.; Lopez-Crespo, P.; Mokhtarishirazabad, M.; Buslaps, T.; Pippan, R.; Withers, P.J. The effect of grain size on the fatigue overload behaviour of nickel. Mater. Des. 2020, 189, 108526. [Google Scholar] [CrossRef]
- Zhang, W.; Simpson, C.A.; Leitner, T.; Zhang, X.; Pippan, R.; Withers, P.J. The effect of anisotropic microstructure on the crack growth and fatigue overload behaviour of ultrafine-grained nickel. Acta Mater. 2020, 184, 225–240. [Google Scholar] [CrossRef]
- Salvati, E.; O’Connor, S.; Sui, T.; Nowell, D.; Korsunsky, A.M. A study of overload effect on fatigue crack propagation using EBSD, FIB-DIC and FEM methods. Eng. Fract. Mech. 2016, 167, 210–223. [Google Scholar] [CrossRef]
- Lam, T.-N.; Chin, H.-H.; Zhang, X.; Feng, R.; Wang, H.; Chiang, C.-Y.; Lee, S.Y.; Kawasaki, T.; Harjo, S.; Liaw, P.K.; et al. Tensile overload-induced texture effects on the fatigue resistance of a CoCrFeMnNi high-entropy alloy. Acta Mater. 2023, 245, 118585. [Google Scholar] [CrossRef]
- Carroll, J.D.; Abuzaid, W.; Lambros, J.; Sehitoglu, H. High resolution digital image correlation measurements of strain accumulation in fatigue crack growth. Int. J. Fatigue 2013, 57, 140–150. [Google Scholar] [CrossRef]
- Farukh, F.; Zhao, L.G.; Jiang, R.; Reed, P.; Proprentner, D.; Shollock, B.A. Realistic microstructure-based modelling of cyclic deformation and crack growth using crystal plasticity. Comput. Mater. Sci. 2016, 111, 395–405. [Google Scholar] [CrossRef]
- Lemaitre, J. A continuous damage mechanics model for ductile fracture. J. Eng. Mater. Technol. 1985, 107, 83–89. [Google Scholar] [CrossRef]
- Zhang, W.T.; Jiang, R.; Zhao, Y.; Zhang, L.C.; Zhang, L.; Zhao, L.G.; Song, Y.D. Effects of temperature and microstructure on low cycle fatigue behaviour of a PM Ni-based superalloy: EBSD assessment and crystal plasticity simulation. Int. J. Fatigue 2022, 159, 106818. [Google Scholar] [CrossRef]
- Ye, C.; Liu, G.; Chen, K.; Liu, J.; Hu, J.; Yu, Y.; Mao, Y.; Shen, Y. Strain-rate dependent crystal plasticity model and aluminum softening/hardening transition. Comput. Mater. Sci. 2023, 222, 112108. [Google Scholar] [CrossRef]
- Huang, A.; Fensin, S.J.; Meyers, M.A. Strain-rate effects and dynamic behavior of high entropy alloys. J. Mater. Res. Technol. 2023, 22, 307–347. [Google Scholar]
- Sharma, R.; Sargeant, D.; Daroju, S.; Knezevic, M.; Miles, M.P.; Fullwood, D.T. Multi-strain path deformation behavior of AA6016-T4: Experiments and crystal plasticity modeling. Int. J. Solids Struct. 2022, 244–245, 111536. [Google Scholar] [CrossRef]
- Aoba, T.; Kobayashi, M.; Miura, H. Effects of aging on mechanical properties and microstructure of multi-directionally forged 7075 aluminum alloy. Mater. Sci. Eng. A 2017, 700, 220–225. [Google Scholar] [CrossRef]
- Pesin, A.; Korchunov, A.; Pustovoytov, D. Numerical study of grain evolution and dislocation density during asymmetric rolling of aluminum alloy 7075. Key Eng. Mater. 2015, 685, 162–166. [Google Scholar] [CrossRef]
- Khadyko, M.; Dumoulin, S.; Cailletaud, G.; Hopperstad, O.S. Latent hardening and plastic anisotropy evolution in AA6060 aluminium alloy. Int. J. Plast. 2016, 76, 51–74. [Google Scholar] [CrossRef]
- Zheng, Z.; Xie, C.; Chen, J.; Huang, Z. A crystal plasticity model of low cycle fatigue damage considering dislocation density, stress triaxiality and Lode parameter. Int. J. Fatigue 2023, 175, 107823. [Google Scholar] [CrossRef]
- Liu, Y.; Zhu, Y.; Oskay, C.; Hu, P.; Ying, L.; Wang, D. Experimental and computational study of microstructural effect on ductile fracture of hot-forming materials. Mater. Sci. Eng. A 2018, 724, 298–323. [Google Scholar] [CrossRef]
- Shi, G.; Gao, Y.; Wang, X.; Zhang, Y. Mechanical properties and constitutive models of low yield point steels. Constr. Build. Mater. 2018, 175, 570–587. [Google Scholar] [CrossRef]
- Basan, R.; Franulović, M.; Prebil, I.; Kunc, R. Study on Ramberg-Osgood and Chaboche models for 42CrMo4 steel and some approximations. J. Constr. Steel Res. 2017, 136, 65–74. [Google Scholar] [CrossRef]
- Koo, G.H.; Lee, J.H. Investigation of ratcheting characteristics of modified 9Cr-1Mo steel by using the Chaboche constitutive model. Int. J. Pres. Ves. Pip. 2007, 84, 284–292. [Google Scholar] [CrossRef]
- Bathias, C. Retrospective view on the role of the plastic zone at a fatigue crack tip. Fatigue Fract. Eng. Mater. Struct. 1996, 19, 1301–1306. [Google Scholar] [CrossRef]
- Paul, S.K. Numerical models of plastic zones and associated deformations for a stationary crack in a C(T) specimen loaded at different R-ratios. Theor. Appl. Fract. Mech. 2016, 84, 183–191. [Google Scholar] [CrossRef]
- Paul, S.K. Numerical models of plastic zones and associated deformations for elliptical inclusions in remote elastic loading-unloading with different R-ratios. Eng. Fract. Mech. 2016, 152, 72–80. [Google Scholar] [CrossRef]
- Hosseini, Z.S.; Dadfarnia, M.; Somerday, B.P.; Sofronis, P.; Ritchie, R.O. On the theoretical modeling of fatigue crack growth. J. Mech. Phys. Solids 2018, 121, 341–362. [Google Scholar] [CrossRef]
- Zhu, F.; Zhang, M.L.; Zhang, C.J.; He, P.F.; Dai, Y. Experimental investigation and crystal plasticity modeling of combined high and low cycle loading on AISI 4140 steel. Int. J. Fatigue 2023, 168, 107465. [Google Scholar] [CrossRef]
- Bahloul, A.; Bouraoui, C. The overload effect on the crack-tip cyclic plastic deformation response in SA333 Gr 6 C-Mn steel. Theor. Appl. Fract. Mech. 2019, 99, 27–35. [Google Scholar] [CrossRef]
- Colas, D.; Finot, E.; Flouriot, S.; Forest, S.; Mazière, M.; Paris, T. Local ratcheting phenomena in the cyclic behavior of polycrystalline tantalum. JOM 2019, 71, 2586–2599. [Google Scholar] [CrossRef]
- Kang, G.Z.; Li, Y.; Kan, Q.H.; Zhang, J. Uniaxial ratchetting in steels with different cyclic softening/hardening behaviours. Fatigue Fract. Eng. Mater. Struct. 2006, 29, 93–103. [Google Scholar] [CrossRef]
- Kardomateas, G.A.; Carlson, R.L. Predicting the effects of load ratio on the fatigue crack growth rate and fatigue threshold. Fatigue Fract. Eng. Mater. Struct. 2008, 21, 411–423. [Google Scholar] [CrossRef]
- Zhu, W.; Yuan, G.; Tan, J.; Chang, S.; Tu, S. The Influence of Crystallographic Orientation and Grain Boundary on Nanoindentation Behavior of Inconel 718 Superalloy Based on Crystal Plasticity Theory. Chin. J. Mech. Eng. 2023, 36, 95. [Google Scholar] [CrossRef]
- Kartal, M.E.; Cuddihy, M.A.; Dunne, F.P.E. Effects of crystallographic orientation and grain morphology on crack tip stress state and plasticity. Int. J. Fatigue 2014, 61, 46–58. [Google Scholar] [CrossRef]
- Srivatsan, T.S.; Yamaguchi, K.; Starke, E.A. The effect of environment and temperature on the low cycle fatigue behavior of aluminum alloy 2020. Mater. Sci. Eng. 1986, 83, 87–107. [Google Scholar]
- Messerschmidt, U.; Bartsch, M. Generation of dislocations during plastic deformation. Mater. Chem. Phys. 2003, 81, 518–523. [Google Scholar] [CrossRef]
- Lebensohn, R.A.; Tomé, C.N. A self-consistent anisotropic approach for the simulation of plastic deformation and texture development of polycrystals: Application to zirconium alloys. Acta Metall. Mater. 1993, 41, 2611–2624. [Google Scholar] [CrossRef]
- Akhondzadeh, S.; Sills, R.B.; Bertin, N.; Cai, W. Dislocation density-based plasticity model from massive discrete dislocation dynamics database. J. Mech. Phys. Solids 2020, 145, 104152. [Google Scholar] [CrossRef]
- Xu, Q.; Wang, X. Experimental study on high-cycle flexural fatigue behavior of cement mortar for ballastless track of high-speed railway. Constr. Build. Mater. 2023, 385, 131525. [Google Scholar] [CrossRef]
- Kirchlechner, C.; Imrich, P.J.; Liegl, W.; Pörnbacher, J.; Micha, J.-S.; Ulrich, O.; Motz, C. On the reversibility of dislocation slip during small scale low cycle fatigue. Acta Mater. 2015, 94, 69–77. [Google Scholar] [CrossRef]
- Zhang, J.; Joshi, S.P. Phenomenological crystal plasticity modeling and detailed micromechanical investigations of pure magnesium. J. Mech. Phys. Solids 2012, 60, 945–972. [Google Scholar] [CrossRef]
- Stopka, K.S.; Yaghoobi, M.; Allison, J.E.; McDowell, D.L. Simulated effects of sample size and grain neighborhood on the modeling of extreme value fatigue response. Acta Mater. 2022, 224, 117524. [Google Scholar] [CrossRef]






















| Composition | Si | Cu | Fe | Mn | Mg | Zn | Cr | Ti | Al |
|---|---|---|---|---|---|---|---|---|---|
| Content (wt%) | 0.09 | 1.7 | 0.21 | 0.1 | 2.5 | 5.7 | 0.21 | 0.04 | Bal. |
| Element | A2 | A3 | A6 | B2 | B4 | B5 | C1 | C3 | C5 | D1 | D4 | D6 |
|---|---|---|---|---|---|---|---|---|---|---|---|---|
| A2 | L0 | L1 | L1 | L3 | L4 | L4 | L2 | L4 | L5 | L2 | L5 | L4 |
| A3 | L0 | L1 | L4 | L2 | L5 | L4 | L3 | L4 | L5 | L2 | L4 | |
| A6 | L0 | L5 | L5 | L2 | L5 | L4 | L2 | L4 | L4 | L3 | ||
| B2 | L0 | L1 | L1 | L2 | L5 | L4 | L2 | L4 | L5 | |||
| B4 | L0 | L1 | L5 | L2 | L4 | L4 | L3 | L4 | ||||
| B5 | L0 | L4 | L4 | L3 | L5 | L4 | L2 | |||||
| C1 | L0 | L1 | L1 | L3 | L4 | L4 | ||||||
| C3 | L0 | L1 | L4 | L2 | L5 | |||||||
| C5 | L0 | L4 | L5 | L2 | ||||||||
| D1 | L0 | L1 | L1 | |||||||||
| D4 | L0 | L1 | ||||||||||
| D6 | L0 |
| L1 | L2 | L3 | L4 | L5 | L6 |
|---|---|---|---|---|---|
| 0.068 | 0.068 | 0.0454 | 0.625 | 0.137 | 0.122 |
| C11 | C12 | C44 | K | n | r1 | r2 | τ0 |
| 98,413 MPa | 44,215 MPa | 27,099 MPa | 35 MPa | 50 | 27,000 MPa | 650 | 175 MPa |
| G | k1 | ψ | q | σY | M | ||
| 27,862 MPa | 5 × 106 m−1 | 0.55 | 205 MPa | 685 MPa | 460 MPa | 6.8 × 10−9 | 1.15 |
| C1 | λ1 | C2 | λ2 | C3 | λ3 | Qsat | |
| 30,000 MPa | 350 | 3000 MPa | 70 | 265 MPa | 50 | 55 MPa | 15 MPa |
Disclaimer/Publisher’s Note: The statements, opinions and data contained in all publications are solely those of the individual author(s) and contributor(s) and not of MDPI and/or the editor(s). MDPI and/or the editor(s) disclaim responsibility for any injury to people or property resulting from any ideas, methods, instructions or products referred to in the content. |
© 2024 by the authors. Licensee MDPI, Basel, Switzerland. This article is an open access article distributed under the terms and conditions of the Creative Commons Attribution (CC BY) license (https://creativecommons.org/licenses/by/4.0/).
Share and Cite
Xie, C.; Sun, T.; Li, L.; Zheng, Z. Effect of Microstructure on Fatigue Damage Accumulation in 7075 Aluminum Alloy Subjected to a Single Compressive Overload. Metals 2024, 14, 980. https://doi.org/10.3390/met14090980
Xie C, Sun T, Li L, Zheng Z. Effect of Microstructure on Fatigue Damage Accumulation in 7075 Aluminum Alloy Subjected to a Single Compressive Overload. Metals. 2024; 14(9):980. https://doi.org/10.3390/met14090980
Chicago/Turabian StyleXie, Changji, Teng Sun, Li Li, and Zhanguang Zheng. 2024. "Effect of Microstructure on Fatigue Damage Accumulation in 7075 Aluminum Alloy Subjected to a Single Compressive Overload" Metals 14, no. 9: 980. https://doi.org/10.3390/met14090980
APA StyleXie, C., Sun, T., Li, L., & Zheng, Z. (2024). Effect of Microstructure on Fatigue Damage Accumulation in 7075 Aluminum Alloy Subjected to a Single Compressive Overload. Metals, 14(9), 980. https://doi.org/10.3390/met14090980

