Model of Dynamic Mechanical Parameters and Vibration Analysis in Hot Rolling
Abstract
1. Introduction
2. Industrial Data Acquisition and Preprocessing
2.1. Industrial Data Acquisition
2.2. Data Preprocessing
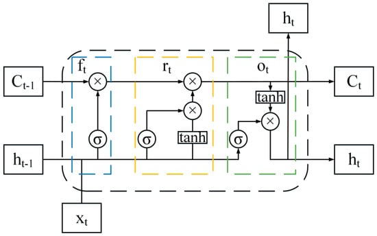
3. Constructing the TCN-LSTM Source Domain Model
4. Constructing TCN-LSTM Step Strategy Transfer Model
5. Simulation Results and Vibration Parameter Analysis
5.1. Analysis of Simulation Results
5.2. Vibration Parameter Analysis
6. Conclusions
- Compared with the traditional mechanism model and deep learning model, this paper adds the horizontal vibration signal and vertical vibration signal of the F3 work roll in the prediction of the mechanical parameters of the hot rolling process and establishes a transfer model based on the step of TCN-LSTM under a non-steady state.
- Aiming at the problem of limited prediction accuracy due to insufficient sample data in a non-steady state, this paper constructs a transfer model using historical and real-time mill vibration signal features of the hot rolling process, which effectively transfers the historical data features to the actual data, reduces the model adjustment time, and realizes better online prediction function.
- The horizontal-torsional vibration model is further constructed, and the relationship between process parameters and mill vibration is deeply analyzed by using the parameters of rolling force and rolling moment predicted by the TCN-LSTM step strategy transfer model as inputs. The results show that the rolling speed, entrance thickness and exit thickness have a significant effect on the mill vibration. In this regard, the vibration suppression measures of reducing the rolling speed by 10% and the entrance thickness by 10% successfully and effectively reduced the vibration of the mill.
Author Contributions
Funding
Data Availability Statement
Acknowledgments
Conflicts of Interest
References
- Wang, C.L. Prediction of Dynamic Mechanical Parameters in the Deformation Zone During Hot Rolling and Study on Dynamic Characteristics. Master’s Thesis, Hebei University of Engineering, Handan, China, 2023. [Google Scholar]
- Zhao, X.Y.; Gao, Z.Y.; Zhou, X.M.; Song, Y.H. Multi-source heterogeneous time series data processing and chatter prediction in the cold rolling process based on FDA-LSTM. Vib. Shock. 2022, 41, 202–210. [Google Scholar]
- Zhang, R.C.; Liu, L.F.; Liang, W.Z. Prediction of torsional vibration in cold continuous rolling mills based on SSAE-LSTM model. Forg. Technol. 2023, 48, 193–198. [Google Scholar]
- Liu, Y.; Gao, Z.Y.; Zhou, X.M.; Zhang, Q.D. Intelligent prediction of chatter in thin plate cold rolling driven by industrial data using LSTM. J. Mech. Eng. 2020, 56, 121–131. [Google Scholar]
- Liu, X.L. Research on Vibration Prediction of Rolling Mills Based on Data-Driven Approach. Master’s Thesis, Yanshan University, Qinhuangdao, China, 2016. [Google Scholar]
- Cui, J.X.; Deng, S.; Peng, Y.; Xing, J.K. Vibration prediction and process optimization of rolling mills driven by industrial data. Vib. Test. Diagn. 2022, 42, 110–116+198. [Google Scholar]
- Li, G.Y. Research on Nonlinear Vibration of Strip Material under Multi-Degree-of-Freedom Main Drive System Model. Master’s Thesis, Yanshan University, Qinhuangdao, China, 2020. [Google Scholar]
- Ling, Q.H.; Yan, X.Q.; Zhang, Y.F. Research on Nonlinear Horizontal Vibration Suppression of Hot Strip Mill. J. Chang. Univ. Nat. Sci. Ed. 2015, 35, 145–151. [Google Scholar]
- He, D.P.; Wang, T.; Xie, J.Q.; Ren, Z.K.; Liu, Y.M. Analysis of Vertical Nonlinear Parametric Vibration Characteristics of Wavy Roller Mill Roller System. Vib. Shock. 2019, 38, 164–171. [Google Scholar]
- Zhang, Y. Dynamic Modeling of Plate and Strip Rolling Mill System Based on Roller System Rigid-Soft Coupling Characteristics. Ph.D. Thesis, Yanshan University, Qinhuangdao, China, 2016. [Google Scholar]
- Peng, Y.; Shi, B.; Liu, C. Summarization on the integrated development of strip rolling equipment-process-product quality control. J. Mech. Eng. 2023, 59, 96–118. [Google Scholar]
- He, D.X. Research on Data-Driven Fault Diagnosis and Early Warning. Ph.D. Thesis, North China Electric Power University, Beijing, China, 2022. [Google Scholar]
- Peng, Y.; Zhang, M.; Sun, J.L.; Zhang, Y. Experimental and numerical investigation on the roll system swing vibration characteristics of a hot rolling mill. ISIJ Int. 2017, 57, 1567–1576. [Google Scholar] [CrossRef]
- He, D.P. Study on Nonlinear Vertical Vibration and Stability Control of the Corrugated Rolling Mill Based on Dynamic Rolling Force. Ph.D. Thesis, Taiyuan University of Technology, Taiyuan, China, 2021. [Google Scholar]
- Hou, D.X.; Guo, D.W.; Chen, X.H. A study on vertical-torsional coupled nonlinear vibration characteristics of 4-h rolling mill based on dynamic rolling force. J. Vib. Shock. 2020, 39, 106–112. [Google Scholar]
- Yang, Y.B.; Peng, Y.; Liu, Y.; Liu, C.Y.; Wang, J. Dynamic theoretical model of strip hot rolling considering change of roll gap. Iron Steel 2022, 57, 85–93. [Google Scholar]
- Yuan, G.; Wang, G.D. Research progress and development trend of new rolling technology for rolling processing of high quality steel materials. Steel Roll. 2022, 39, 12–28. [Google Scholar]
- Liu, X.H.; Zhao, Q.L.; Huang, Z.Y. Prospect of artificial intelligent application in rolling. Steel Roll. 2017, 34, 1–5. [Google Scholar]
- Ding, J.G.; Jin, L.; Sun, L.R. Research status and prospect of intelligent modeling method for hot strip rolling process. Metall. Ind. Autom. 2022, 46, 25–37. [Google Scholar]
- Cui, J.X.; Deng, S.; Peng, Y.; Xing, J.K. Industrial data-driven mill vibration prediction and process optimization. Vib. Test Diagn. 2022, 42, 110–116. [Google Scholar]
- Liu, Y.; Gao, Z.Y.; Zhou, X.M.; Zhang, Q.D. Industrial data-driven intelligent forecast for chatter of cold rolling of thin strip with LSTM recurrent neural network. J. Mech. Eng. 2020, 56, 121–131. [Google Scholar]
- Yang, Z.; Ranmeng, L.; Huan, Z.; Peng, Y. Vibration prediction and analysis of strip rolling mill based on XGBoost and Bayesian optimization. Complex Intell. Syst. 2022, 9, 133–145. [Google Scholar]
- Wang, C.L.; Zhang, M. Research on dynamic rolling force prediction model based on CNN-BN-LSTM. J. Adv. Mech. Des. Syst. Manuf. 2022, 16, JAMDSM0029. [Google Scholar] [CrossRef]
- Lea, C.; Vidal, R.; Reiter, A.; Hager, G.D. Temporal convolutional networks: A unified approach to action segmentation. CoRR 2016, 1, 1–4. [Google Scholar]
- Wang, M.; Huang, B.; He, C.; Li, P.; Zhang, J.; Chen, Y.; Tong, J. A fault diagnosis model for complex industrial process based on improved TCN and 1D CNN. Wuhan Univ. J. Nat. Sci. 2022, 27, 453–464. [Google Scholar] [CrossRef]
- Ding, J.; Liu, F.; Yu, K.; Li, X.; Zhang, D.H. Rolling force prediction of unsteady hot rolling process based on WOA-ELM-LSTM. J. Iron Steel Res. 2024, 36, 85–94. [Google Scholar]
- Li, J.; Huang, R.; Chen, Z.; He, G.; Gryllias, K.C.; Li, W. Deep continual transfer learning with dynamic weight aggregation for fault diagnosis of industrial streaming data under varying working conditions. Adv. Eng. Inform. 2023, 55, 101883. [Google Scholar] [CrossRef]
- Zhang, X.N.; Yu, D.; Liu, S.Y. Fault diagnosis method for small sample bearing based on transfer learning. J. Xi Jiao Tong Univ. 2021, 55, 30–37. [Google Scholar]
- Chen, R.X.; Tang, L.L.; Hu, X.L.; Yang, L.X.; Zhao, L. A rolling bearing fault diagnosis method based on deep attention transfer learning at different rotations. J. Vib. Shock. 2022, 41, 95–101, 195. [Google Scholar]
- Luai, A.S.; Zyad, S.; Basel, K. Data mining: A preprocessing engine. J. Comput. Sci. 2006, 2, 735–739. [Google Scholar]
- Chicco, D.; Warrens, M.J.; Jurman, G. The coefficient of determination R-squared is more informative than SMAPE, MAE, MAPE, MSE and RMSE in regression analysis evaluation. Peer J. Comput. Sci. 2021, 7, e623. [Google Scholar] [CrossRef] [PubMed]
- Zhang, M.; Peng, Y.; Sun, J.L.; Zhang, Y. Horizontal vibration in hot tandem rolling mill considering asymmetric movement of upper and lower work rolls. J. Cent. South Univ. Nat. Sci. Ed. 2017, 48, 3239–3247. [Google Scholar]














| Sample | Sample 1 | Sample 2 | Sample 3 | Sample 4 | Sample 5 | Sample 6 | Sample 7 | Sample 8 |
|---|---|---|---|---|---|---|---|---|
| Result (1010) | 7.923 | 7.891 | 7.698 | 7.645 | 7.561 | 7.445 | 7.205 | 7.349 |
| Model | Parameter | MSE/106 | MAE/103 | MAPE/% | R2/% |
|---|---|---|---|---|---|
| CNN-LSTM deep learning model | Rolling force Rolling moment | 4393 38 | 56 4.8 | 23.1 0.87 | 32.3 51.6 |
| TCN-LSTM deep learning model | Rolling force Rolling moment | 4375 74 | 53 5.1 | 22.3 0.90 | 53.1 49.4 |
| CNN-LSTM fine-tuned transfer learning model TCN fine-tuned transfer learning model | Rolling force Rolling moment Rolling force Rolling moment | 1501 36 568 32 | 31 4.4 19 3.5 | 12.6 0.78 7.4 0.62 | 87.3 80.8 94.1 84.7 |
| TCN-LSTM fine-tuned transfer learning model | Rolling force Rolling moment | 535 23 | 18 3.3 | 7.2 0.57 | 94.5 88.9 |
| TCN-LSTM step strategy transfer learning model | Rolling force Rolling moment | 436 15 | 15 2.9 | 6.3 0.51 | 95.8 93.4 |
| Rolling Speed (m/s) | Front Tension (Mpa) | Back Tension (Mpa) | Entrance Thickness (mm) | Outlet Thickness (mm) | Horizontal Vibration Acceleration (g) | Vertical Vibration Acceleration (g) |
|---|---|---|---|---|---|---|
| 4.051 | 13.148 | 17.297 | 5.136 | 2.725 | 0.0232 | 0.002 |
| 4.355 | 20.114 | 22.182 | 5.284 | 2.844 | 5.4053 | 1.597 |
| 3.908 | 8.104 | 9.521 | 4.808 | 2.548 | −4.5967 | −1.715 |
| 3.961 | 12.145 | 16.482 | 5.060 | 2.706 | −0.9083 | −0.187 |
| 4.145 | 14.041 | 18.189 | 5.196 | 2.754 | 0.7275 | 0.194 |
| m (kg) | e (mm) | ||||||
|---|---|---|---|---|---|---|---|
| 21,229 | 2.2 × 108 | 2.6 × 109 | 2.1 × 106 | 6.2 × 105 | 5.5 × 107 | 4825 | 0.5 |
| Rolling speed (m/s) | Inlet thickness (mm) | Outlet thickness (mm) | Front tension (N/mm2) | Back tension (N/mm2) | Rolling width (mm) | Horizontal vibration displacement (10−4 m) | Torsional vibration displacement (10−1 m) |
| 3.962 | 4.844 | 2.755 | 16.817 | 17.903 | 1250 | 0.687 | 0.273 |
Disclaimer/Publisher’s Note: The statements, opinions and data contained in all publications are solely those of the individual author(s) and contributor(s) and not of MDPI and/or the editor(s). MDPI and/or the editor(s) disclaim responsibility for any injury to people or property resulting from any ideas, methods, instructions or products referred to in the content. |
© 2024 by the authors. Licensee MDPI, Basel, Switzerland. This article is an open access article distributed under the terms and conditions of the Creative Commons Attribution (CC BY) license (https://creativecommons.org/licenses/by/4.0/).
Share and Cite
Zhang, M.; Huang, Z.; Yang, Y. Model of Dynamic Mechanical Parameters and Vibration Analysis in Hot Rolling. Metals 2024, 14, 1257. https://doi.org/10.3390/met14111257
Zhang M, Huang Z, Yang Y. Model of Dynamic Mechanical Parameters and Vibration Analysis in Hot Rolling. Metals. 2024; 14(11):1257. https://doi.org/10.3390/met14111257
Chicago/Turabian StyleZhang, Ming, Zihao Huang, and Yanbo Yang. 2024. "Model of Dynamic Mechanical Parameters and Vibration Analysis in Hot Rolling" Metals 14, no. 11: 1257. https://doi.org/10.3390/met14111257
APA StyleZhang, M., Huang, Z., & Yang, Y. (2024). Model of Dynamic Mechanical Parameters and Vibration Analysis in Hot Rolling. Metals, 14(11), 1257. https://doi.org/10.3390/met14111257

