The Use of the Linear Energy Calculation Model in High-Frequency Induction (HFI) Tube Welding Technology to Obtain Optimal Microstructure and Weld Geometry
Abstract
1. Introduction
2. Materials and Methods
2.1. Description of the Production Line Used in the Experimental Research
2.2. HFI Welding Calculation Model
2.3. Test Material
2.4. Metallographic Test
- Central bonding zone (bond line) widths: fn, fo and fi [mm]
- Heat affected zone (HAZ) widths: hn, ho and hi [mm]
2.5. Automatic Ultrasonic Testing
3. Results
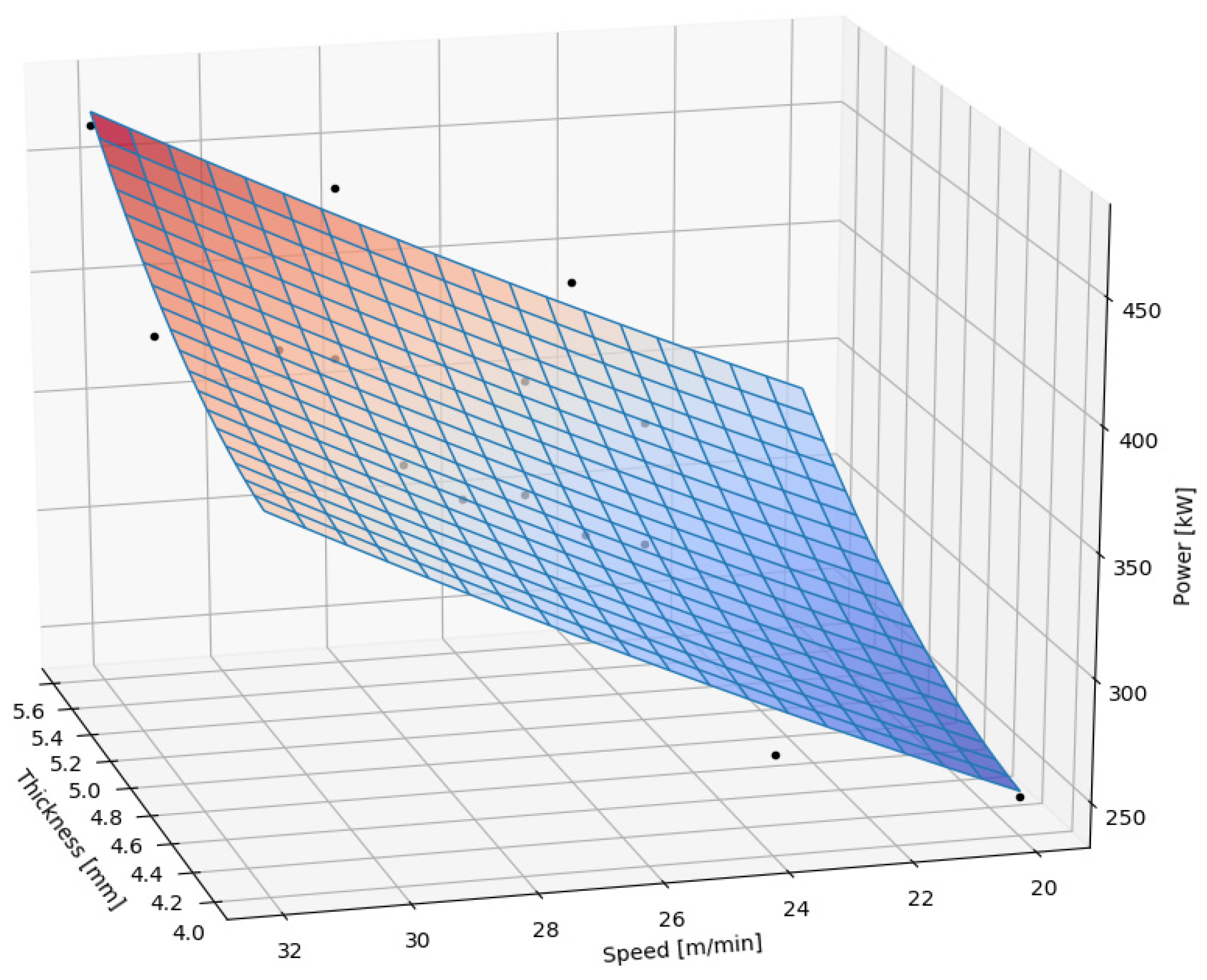
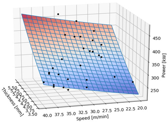
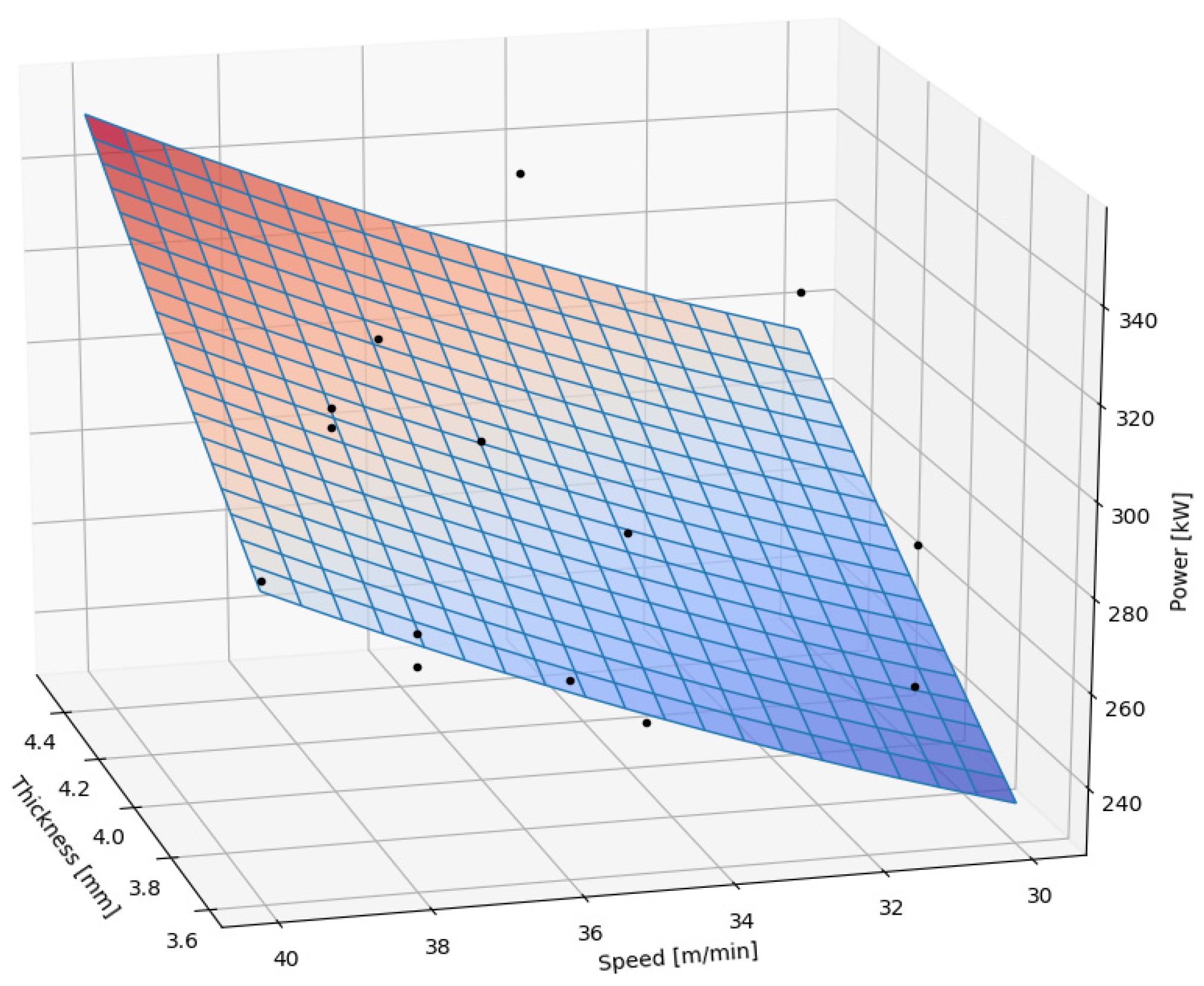
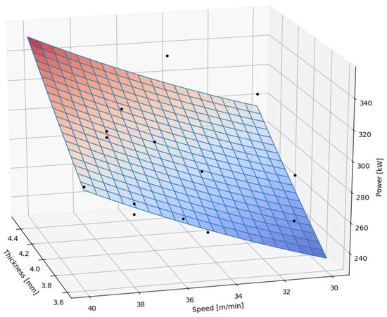
3.1. The HFI Welding Calculation Model
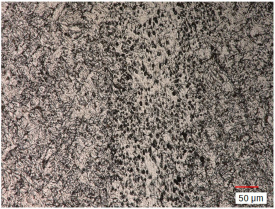
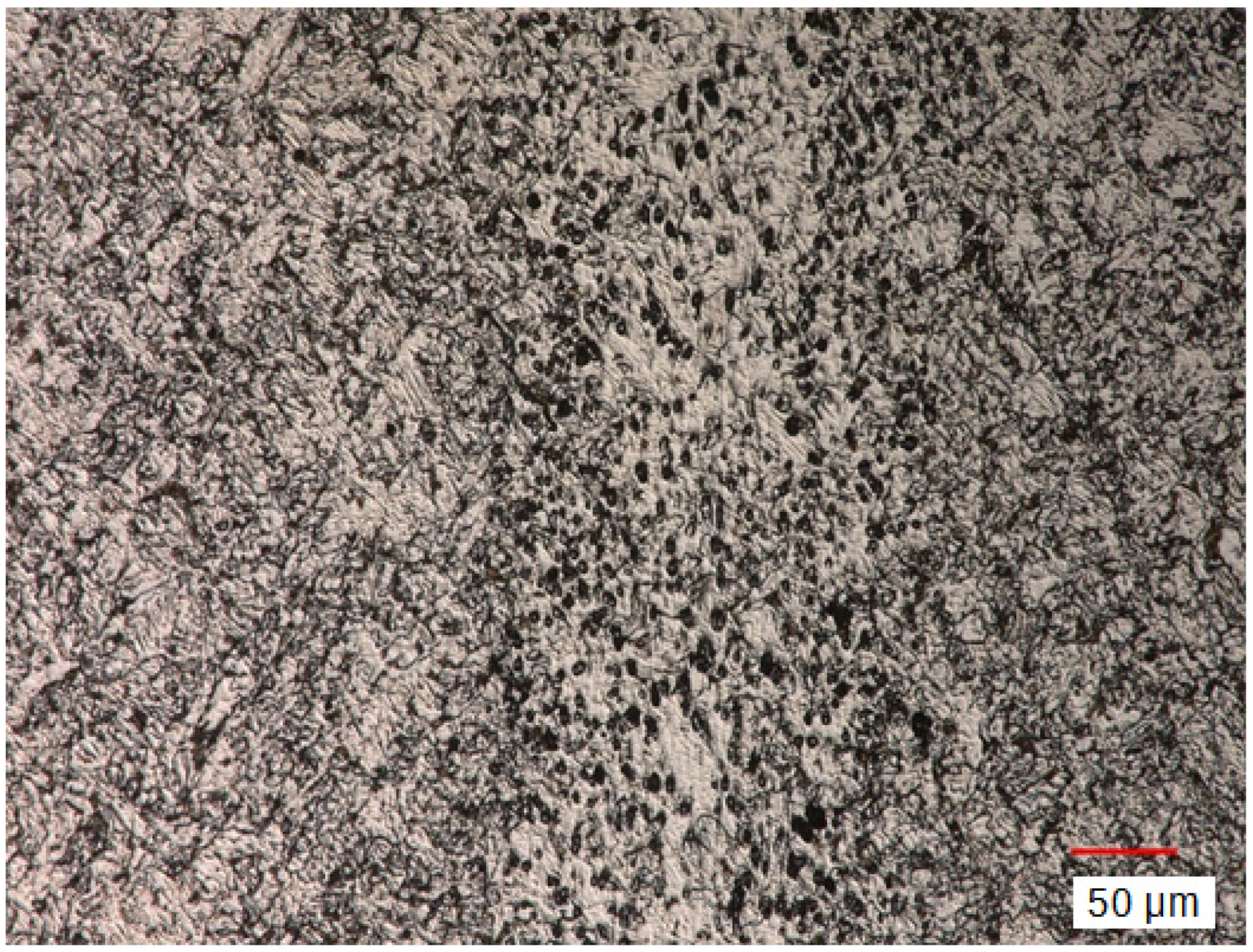
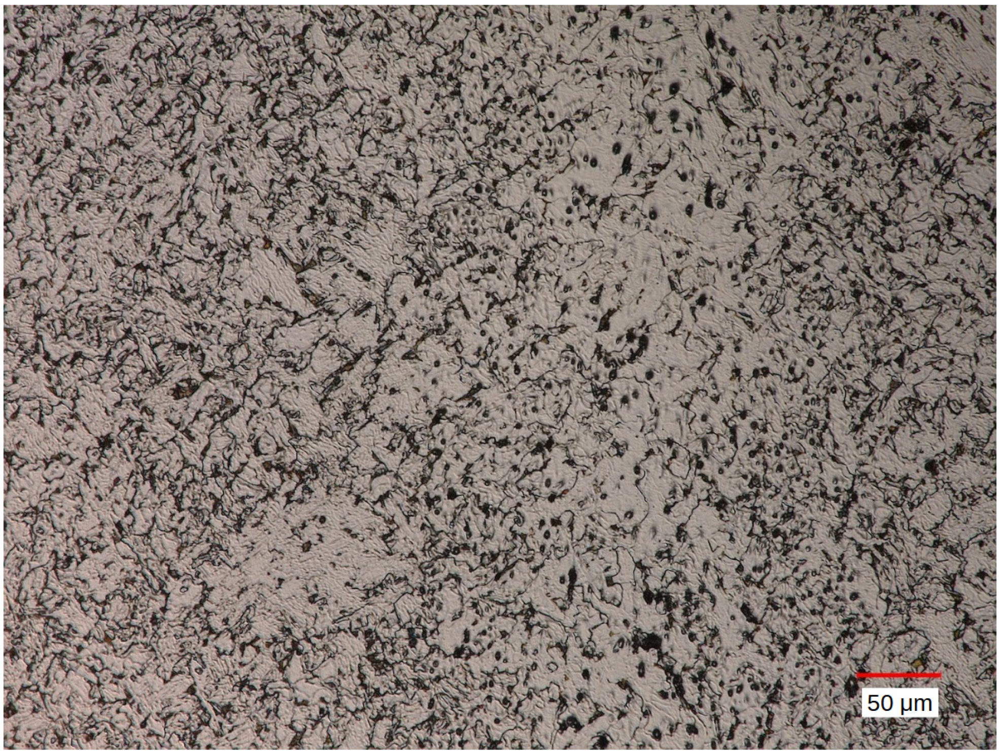
3.2. Metallographic Test Results
3.3. UT Ultrasonic Test Result
4. Summary
5. Conclusions
- (1)
- The developed mathematical model allows us to calculate the power P [kW] necessary to weld the pipe in the range of walls from 3.6 mm to 12.7 mm. The model takes into account the production speed in the range of 20 m/min to 40 m/min and 2 diameter ranges, i.e., from 114.3 mm to 168.3 mm and from 219.1 mm to 323.9 mm;
- (2)
- The power P [kW] calculated by the model made it possible to obtain a link without internal defects, confirmed by automatic ultrasonic tests;
- (3)
- The microstructure of the joint has a zonal structure: zone 1—central line (composed of a bond line and a matrix with a mostly ferritic structure), zone 2—mechanical deformation (with expanded grain to size 5–6 according to PN-EN ISO 643), zone 3—thermomechanical (with fine grain size 11), zone 4—dynamic recrystallization (with irregular ferrite and pearlite grain) and zone 5—native material (with ferritic–pearlite structure typical for the rolling process with equiaxed grains of size 9–10);
- (4)
- The symmetrical structure of the joint zone, the size of the HAZ and the proper angle of refraction of the metal flow line are in correlation with the linear energy developed as part of the mathematical model;
- (5)
- Preliminary tests of the linear energy calculation model confirm the applicability in industrial production and are the basis for further work on the welding simulator, which should also take into account other parameters affecting the quality of the joint.
Author Contributions
Funding
Data Availability Statement
Acknowledgments
Conflicts of Interest
References
- Cunat, P.-J. The Welding of Stainless Steels. In Materials and Applications Series, 3rd ed.; Euro Inox: Brussels, Belgium, 2007; Volume 3. [Google Scholar]
- Iatcheva, I.; Gigov, G.; Kunov, G.; Stancheva, R. Analysis of induction heating system for high frequency welding. Facta Univ.-Ser. Electron. Energ. 2012, 25, 183–191. [Google Scholar] [CrossRef]
- Nichols, R.K. High Frequency Welding—The Process and Applications; Technical Paper; Thermatool Corp.: East Haven, CT, USA, 1999. [Google Scholar]
- Ai, Y.; Yu, L.; Huang, Y.; Liu, X. The investigation of molten pool dynamic behaviors during the “∞” shaped oscillating laser welding of aluminum alloy. Int. J. Therm. Sci. 2022, 173, 107350. [Google Scholar] [CrossRef]
- Ai, Y.; Liu, X.; Huang, Y.; Yu, L. Numerical analysis of the influence of molten pool instability on the weld formation during the high speed fiber laser welding. Int. J. Heat Mass Transf. 2020, 160, 120103. [Google Scholar] [CrossRef]
- Wright, J. Optimizing Efficiency in HF Tube Welding Processes. In Tube & Pipe Technology; INTRAS Ltd.: Nottinghamshire, UK, 1999. [Google Scholar]
- Udhayakumar, T.; Mani, E. Effect of HF Welding Process Parameters and Post Heat Treatment in the Development of Micro Alloyed HSLA Steel Tubes for Torsional Applications. J. Mater. Sci. Eng. 2017, 6. [Google Scholar] [CrossRef]
- Hannachi, M.T.; Djebail, H. Optimization of parameters of welding steel tubes by induction at high frequency. In Proceedings of the Conference “Metal 2013”, Brno, Czech Republic, 15–17 May 2013. [Google Scholar]
- Induction Heating Applications, EFD Induction. Available online: https://www.safefoodfactory.com/en/editorials/50-welding-stainless-steels/ (accessed on 15 May 2023).
- Tazedakis, A.S.; Voudouris, N.G.; Musslewhite, M. Manufacturing of 25 mm heavy-wall Linepipe using the high frequency induction (HFI) welding technique, a challenge for a pipe manufacturer. In Proceedings of the 8th International Pipeline Conference, IPC2010, Calgary, AB, Canada, 27 September–1 October 2010. [Google Scholar]
- Milicevic, M.; Radakovic, Z. Quality Improvement of Steel Pipes Produced by Seam Welding with New Magneto-Dielectric Impeder. Mater. Trans. 2006, 47, 1464–1468. [Google Scholar] [CrossRef]
- Varbai, B.; Adonyi, Y.; Kristály, F.; Nagy, E.; Mertinger, V. Bondline Characterization in High Frequency Welding of Steels. 2020. Available online: https://www.researchgate.net/publication/347489540_Bondline_Characterization_in_High_Frequency_Welding_of_Steels (accessed on 15 June 2023).
- Güngör, O.E.; Yan, P.; Thibaux, P.; Liebeherr, M.; Bhadeshia, H.K.D.H.; Quidort, D. Investigations into the Microstructure-Toughness Relation in High-Frequency Induction-Welded Pipes. In Proceedings of the 8th International Pipeline Conference, Calgary, AB, Canada, 27 September–1 October 2010. [Google Scholar]
- Ghaffarpour, M.; Akbari, D.; Naeeni, M.; Ghanbari, S. Improvement of the joint quality in the high-frequency induction welding of pipes by edge modification. Weld. World 2019, 63, 1561–1572. [Google Scholar] [CrossRef]
- Yu, H.; Wu, K.; Dong, B.; Liu, J.; Liu, Z.; Xiao, D.; Jin, X.; Liu, H.; Tai, M. Effect of Heat-Input on Microstructure and Toughness of CGHAZ in a High-Nb-Content Microalloyed HSLA Steel. Materials 2022, 15, 3588. [Google Scholar] [CrossRef] [PubMed]
- Muyskens, S.M.; Eddir, T.I.; Goldstein, R.C. Improving Inductive Welding System Performance with Soft Magnetic Composites. In Proceedings of the 30th ASM Heat Treating Society Conference, Detroit, MI, USA, 15–17 October 2019. [Google Scholar]
- Brauer, H.; Mannesmann Line Pipe. Knowledge Floater. Available online: https://www.mannesmann-linepipe.com/en/processes/hfi-welding.html (accessed on 15 May 2023).
- Karani, A.; Koley, S.; Shome, M. Failure of electric resistance welded API pipes—Effect of centre line segregation. Eng. Fail. Anal. 2019, 96, 289–297. [Google Scholar] [CrossRef]
- Egger, C.; Kroll, M.; Kern, K.; Steimer, Y.; Schreiner, M.; Tillmann, W. Experimental Investigation of Temperature and Contact Pressure Influence on HFI Welded Joint Properties. Materials 2022, 15, 3615. [Google Scholar] [CrossRef] [PubMed]
- Kim, C.-M.; Kim, J.-K. The Effect of Heat Input on the Defect Phases in High Frequency Electric Resistance Welding. Met. Mater. Int. 2009, 15, 141–148. [Google Scholar] [CrossRef]
- Online Curve Fitting. Available online: http://findcurves.com (accessed on 15 June 2023).





















| Pipe Dimensions | Process Parameters | ||||
|---|---|---|---|---|---|
| Diameter [mm] | Thickness, t [mm] | Power, P [kW] | Speed, V [m/min] | P/V [kW·min/m] | P/(V·t) [kW·min/m·mm] |
| 114 | 3.6 | 258 | 35 | 7.4 | 2.0 |
| 114 | 3.6 | 273 | 38 | 7.2 | 2.0 |
| 139 | 3.6 | 280 | 38 | 7.4 | 2.0 |
| 139 | 3.6 | 293 | 40 | 7.3 | 2.0 |
| 139 | 3.6 | 268 | 36 | 7.5 | 2.1 |
| 139 | 4 | 308 | 38 | 8.1 | 2.0 |
| 139 | 4 | 277 | 34 | 8.1 | 2.0 |
| 139 | 4 | 239 | 30 | 8.0 | 2.0 |
| 168 | 4 | 304 | 38 | 7.9 | 2.0 |
| 168 | 4 | 299 | 36 | 8.3 | 2.1 |
| 168 | 4 | 270 | 30 | 9.0 | 2.2 |
| 168 | 4.5 | 333 | 34 | 9.8 | 2.2 |
| 168 | 4.5 | 303 | 30 | 10.0 | 2.2 |
| 168 | 4.5 | 299 | 36 | 8.3 | 1.8 |
| 219 | 4 | 273 | 24 | 11.4 | 2.8 |
| 219 | 4 | 248 | 20 | 12.4 | 3.1 |
| 219 | 4.5 | 416 | 30 | 13.9 | 3.1 |
| 219 | 4.5 | 357 | 28 | 12.7 | 2.8 |
| 219 | 4.5 | 339 | 26 | 13.0 | 2.9 |
| 219 | 5 | 405 | 32 | 12.7 | 2.5 |
| 219 | 5 | 396 | 30 | 13.2 | 2.6 |
| 219 | 5 | 377 | 26 | 14.5 | 2.9 |
| 219 | 5 | 356 | 24 | 14.8 | 3.0 |
| 273 | 5 | 346 | 28 | 12.4 | 2.5 |
| 273 | 5 | 330 | 26 | 12.7 | 2.5 |
| 273 | 5 | 306 | 24 | 12.7 | 2.5 |
| 323 | 5.6 | 464 | 32 | 14.5 | 2.6 |
| 323 | 5.6 | 432 | 28 | 15.2 | 2.7 |
| 323 | 5.6 | 387 | 24 | 16.0 | 2.9 |
| Element % | C | Mn | P | S | Si | Ce |
|---|---|---|---|---|---|---|
| Content | 0.13 | 0.45 | 0.012 | 0.004 | 0.006 | 0.206 |
| Sample Source | Re [MPa] | Rm [MPa] | A5 [%] |
|---|---|---|---|
| Coil | 269 | 408 | 36.0 |
| Tube | 314 | 423 | 34.1 |
| Coil | 269 | 417 | 34.0 |
| Tube | 279 | 412 | 36.9 |
| Impeder Type | a1 | a2 | a3 | a4 | a5 |
|---|---|---|---|---|---|
| 1 | 1.185 | −2.056 | −5.426 | 0.324 | −3.949 |
| 2 | 0.532 | −6.462 | 23.327 | 0.436 | 12.820 |
| Parameter | ho [mm] | hi [mm] | hn [mm] | fo [mm] | fi [mm] | fn [mm] | α * [°] |
|---|---|---|---|---|---|---|---|
| Value | 3.9 | 4.1 | 3.3 | 0.28 | 0.28 | 0.19 | 51 |
| Value vs. t | ~0.7 t | ~0.7 t | ~0.6 t | ~0.05 t | ~0.05 t | ~0.03 t | - |
Disclaimer/Publisher’s Note: The statements, opinions and data contained in all publications are solely those of the individual author(s) and contributor(s) and not of MDPI and/or the editor(s). MDPI and/or the editor(s) disclaim responsibility for any injury to people or property resulting from any ideas, methods, instructions or products referred to in the content. |
© 2023 by the authors. Licensee MDPI, Basel, Switzerland. This article is an open access article distributed under the terms and conditions of the Creative Commons Attribution (CC BY) license (https://creativecommons.org/licenses/by/4.0/).
Share and Cite
Techmański, Z.; Stępień, J.; Garstka, T.; Wieczorek, P.; Nowak, J.; Kobielski, A. The Use of the Linear Energy Calculation Model in High-Frequency Induction (HFI) Tube Welding Technology to Obtain Optimal Microstructure and Weld Geometry. Metals 2023, 13, 1381. https://doi.org/10.3390/met13081381
Techmański Z, Stępień J, Garstka T, Wieczorek P, Nowak J, Kobielski A. The Use of the Linear Energy Calculation Model in High-Frequency Induction (HFI) Tube Welding Technology to Obtain Optimal Microstructure and Weld Geometry. Metals. 2023; 13(8):1381. https://doi.org/10.3390/met13081381
Chicago/Turabian StyleTechmański, Zbigniew, Jacek Stępień, Tomasz Garstka, Paweł Wieczorek, Jakub Nowak, and Artur Kobielski. 2023. "The Use of the Linear Energy Calculation Model in High-Frequency Induction (HFI) Tube Welding Technology to Obtain Optimal Microstructure and Weld Geometry" Metals 13, no. 8: 1381. https://doi.org/10.3390/met13081381
APA StyleTechmański, Z., Stępień, J., Garstka, T., Wieczorek, P., Nowak, J., & Kobielski, A. (2023). The Use of the Linear Energy Calculation Model in High-Frequency Induction (HFI) Tube Welding Technology to Obtain Optimal Microstructure and Weld Geometry. Metals, 13(8), 1381. https://doi.org/10.3390/met13081381

