Ultrasonic Joining of Additively Manufactured Metal-Composite Hybrid Joints: A Comparison between Vertical and Horizontal Vibration Modes
Abstract
1. Introduction
Ultrasonic Joining (U-Joining)
2. Materials and Methods
2.1. Base Materials and Printing Processes
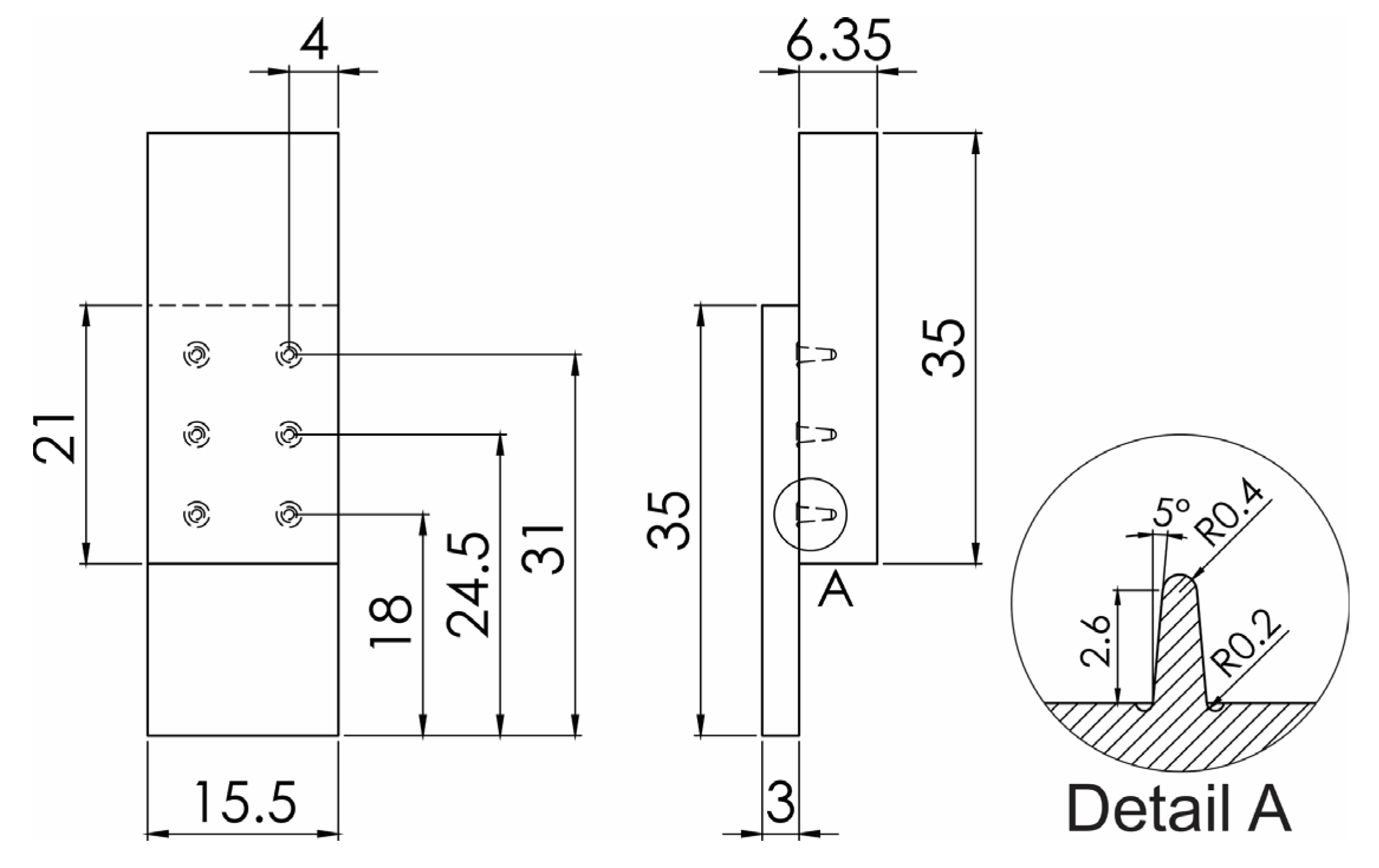
2.2. U-Joining and Joints Characterization
3. Results and Discussion
4. Conclusions
Author Contributions
Funding
Institutional Review Board Statement
Informed Consent Statement
Data Availability Statement
Acknowledgments
Conflicts of Interest
References
- Cui, X.; Zhang, H.; Wang, S.; Zhang, L.; Ko, J. Design of Lightweight Multi-Material Automotive Bodies Using New Material Performance Indices of Thin-Walled Beams for the Material Selection with Crashworthiness Consideration. Mater. Des. 2011, 32, 815–821. [Google Scholar] [CrossRef]
- Ramaswamy, K.; O’Higgins, R.M.; Corbett, M.C.; McCarthy, M.A.; McCarthy, C.T. Quasi-Static and Dynamic Performance of Novel Interlocked Hybrid Metal-Composite Joints. Compos. Struct. 2020, 253, 112769. [Google Scholar] [CrossRef]
- Marsh, G. Airbus Takes on Boeing with Reinforced Plastic A350 XWB. Reinf. Plast. 2007, 51, 26–29. [Google Scholar] [CrossRef]
- Marsh, G. Bombardier Throws down the Gauntlet with CSeries Airliner. Reinf. Plast. 2011, 55, 22–26. [Google Scholar] [CrossRef]
- Amancio-Filho, S.T.; Dos Santos, J.F. Joining of Polymers and Polymer–Metal Hybrid Structures: Recent Developments and Trends. Polym. Eng. Sci. 2009, 49, 1461–1476. [Google Scholar] [CrossRef]
- Feistauer, E.E.; dos Santos, J.F.; Amancio-Filho, S.T. An Investigation of the Ultrasonic Joining Process Parameters Effect on the Mechanical Properties of Metal-Composite Hybrid Joints. Weld. World 2020, 64, 1481–1495. [Google Scholar] [CrossRef]
- Feistauer, E.E.; Guimarães, R.P.M.; Ebel, T.; Dos Santos, J.F.; Amancio-Filho, S.T. Ultrasonic Joining: A Novel Direct-Assembly Technique for Metal-Composite Hybrid Structures. Mater. Lett. 2016, 170, 1–4. [Google Scholar] [CrossRef]
- de Carvalho, W.S.; Amancio-Filho, S.T. On the Feasibility of Joining Additively-Manufactured 316L Stainless Steel and Poly-Ether-Ether-Ketone by Ultrasonic Energy. Addit. Manuf. Lett. 2022, 3, 100098. [Google Scholar] [CrossRef]
- de Carvalho, W.S.; Amancio-Filho, S.T. Ultrasonic Joining of Additively Manufactured Metal-Polymer Lightweight Hybrid Structures. In Proceedings of the ANTEC 2022, Charlotte, NC, USA, 14–16 June 2022; Volume 1. [Google Scholar]
- Villegas, I.F.; Bersee, H.E.N. Ultrasonic Welding of Advanced Thermoplastic Composites: An Investigation on Energy-Directing Surfaces. Adv. Polym. Technol. 2010, 29, 112–121. [Google Scholar] [CrossRef]
- Balle, F.; Wagner, G.; Eifler, D. Ultrasonic Spot Welding of Aluminum Sheet/Carbon Fiber Reinforced Polymer–Joints. Materwiss. Werksttech. 2007, 38, 934–938. [Google Scholar] [CrossRef]
- Balle, F.; Wagner, G.; Eifler, D. Ultrasonic Metal Welding of Aluminium Sheets to Carbon Fibre Reinforced Thermoplastic Composites. Adv. Eng. Mater. 2009, 11, 35–39. [Google Scholar] [CrossRef]
- Washko, S.D.; Aggen, G. Wrought Stainless Steels, Properties and Selection: Irons, Steels, and High-Performance Alloys. Vol 1 ASM Handb. 1990, 1, 841–907. [Google Scholar] [CrossRef]
- ASTM B962-15 Standard Test Methods for Density of Compacted or Sintered Powder Metallurgy (PM) Products Using Archimedes’ Principle, American Society for Testing and Materials, Pennsylvania, United States. Available online: https://www.astm.org/b0962-15.html (accessed on 30 November 2022).
- Beyer, W. The Bonding Process in the Ultrasonic Welding of Metals. Schweisstech. 19 1969, 19, 16–20. [Google Scholar]
- Tao, W.; Su, X.; Wang, H.; Zhang, Z.; Li, H.; Chen, J. Influence Mechanism of Welding Time and Energy Director to the Thermoplastic Composite Joints by Ultrasonic Welding. J. Manuf. Process. 2019, 37, 196–202. [Google Scholar] [CrossRef]
- Benatar, A. Plastics Joining. Appl. Plast. Eng. Handb. Process. Mater. Appl. Second Ed. 2017, 575–591. [Google Scholar] [CrossRef]
- Feistauer, E.E. Ultrasonic Joining of Through-the-Thickness Reinforced Metal-Composite Hybrid Structures. Ph.D. Thesis, Hamburg University of Technology, Hamburg, Germany, 2019. [Google Scholar] [CrossRef]
- Tolunay, M.N.; Dawson, P.R.; Wang, K.K. Heating and Bonding Mechanisms in Ultrasonic Welding of Thermoplastics. Polym. Eng. Sci. 1983, 23, 726–733. [Google Scholar] [CrossRef]
- Bagyinszki, G.; Bitay, E. Application Features of Ultrasonic Welding. Műszaki Tudományos Közlemények 2018, 9, 31–34. [Google Scholar] [CrossRef]







| Process Parameters | Values |
|---|---|
| Layer height | 25 µm |
| Spot diameter | 40 µm |
| Laser power | 120 W |
| Printing speed | 1000 mm/s |
| C | Si | Mn | Cr | Ni | Mo | S | N | V | W | Cu | Fe |
|---|---|---|---|---|---|---|---|---|---|---|---|
| 0.03 | 0.76 | 0.73 | 17.97 | 13.67 | 2.29 | 0.01 | 0.05 | 0.04 | 0.01 | 0.04 | Bal. |
| Process Parameters | Values |
|---|---|
| Layer height | 0.1 mm |
| Printing temperature | 385 °C |
| Printing speed | 17.5 mm/s |
| Chamber temperature | 90 °C |
| Printing plate temperature | 160 °C |
| Process Parameter | Values |
|---|---|
| Joining energy (EJ) | 5000 J |
| Sonotrode amplitude (AO) | 120 µm |
| Joining/cylinder pressure (JP) | 60 psi |
Disclaimer/Publisher’s Note: The statements, opinions and data contained in all publications are solely those of the individual author(s) and contributor(s) and not of MDPI and/or the editor(s). MDPI and/or the editor(s) disclaim responsibility for any injury to people or property resulting from any ideas, methods, instructions or products referred to in the content. |
© 2023 by the authors. Licensee MDPI, Basel, Switzerland. This article is an open access article distributed under the terms and conditions of the Creative Commons Attribution (CC BY) license (https://creativecommons.org/licenses/by/4.0/).
Share and Cite
de Carvalho, W.S.; Colvin, N.F.; Benatar, A.; Amancio-Filho, S.T. Ultrasonic Joining of Additively Manufactured Metal-Composite Hybrid Joints: A Comparison between Vertical and Horizontal Vibration Modes. Metals 2023, 13, 319. https://doi.org/10.3390/met13020319
de Carvalho WS, Colvin NF, Benatar A, Amancio-Filho ST. Ultrasonic Joining of Additively Manufactured Metal-Composite Hybrid Joints: A Comparison between Vertical and Horizontal Vibration Modes. Metals. 2023; 13(2):319. https://doi.org/10.3390/met13020319
Chicago/Turabian Stylede Carvalho, Willian S., Nathaniel F. Colvin, Avraham Benatar, and Sergio T. Amancio-Filho. 2023. "Ultrasonic Joining of Additively Manufactured Metal-Composite Hybrid Joints: A Comparison between Vertical and Horizontal Vibration Modes" Metals 13, no. 2: 319. https://doi.org/10.3390/met13020319
APA Stylede Carvalho, W. S., Colvin, N. F., Benatar, A., & Amancio-Filho, S. T. (2023). Ultrasonic Joining of Additively Manufactured Metal-Composite Hybrid Joints: A Comparison between Vertical and Horizontal Vibration Modes. Metals, 13(2), 319. https://doi.org/10.3390/met13020319

