Behaviour of Aluminium EN AW 6082 T6 Columns Exposed to Transient Heating—Experimental and Numerical Analysis
Abstract
:1. Introduction
1.1. Research Motivation
1.2. Comparison between Stationary and Transient Creep Tests
1.3. Previous Research
2. Creep Model Calibration of Aluminium Alloy EN AW 6082 T6
2.1. ANSYS Creep Model—Theoretical Background
2.2. Available Predefined ANSYS Creep Models
2.3. Transient Creep Model Calibration Using Material Data
3. Test Study
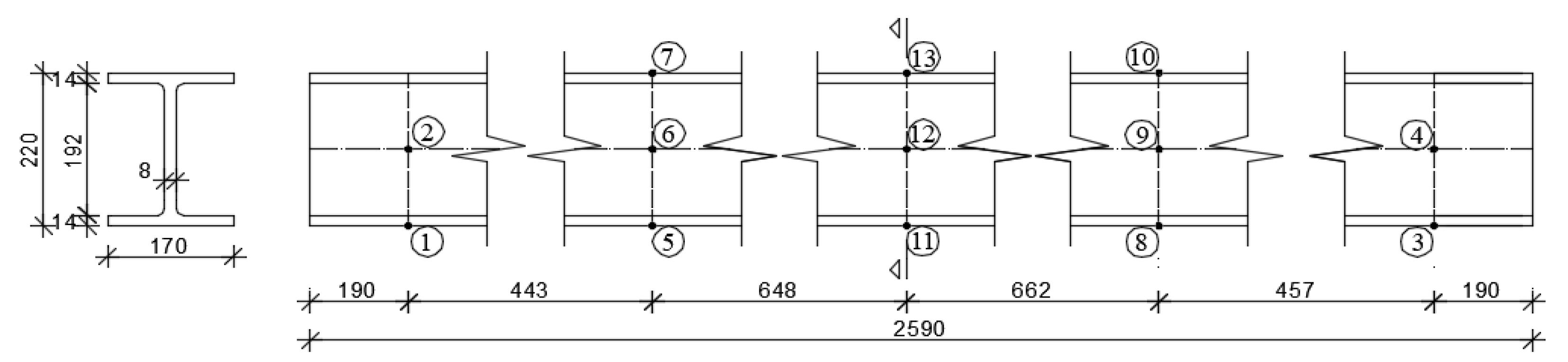
3.1. Test Setup
3.2. Column Specification
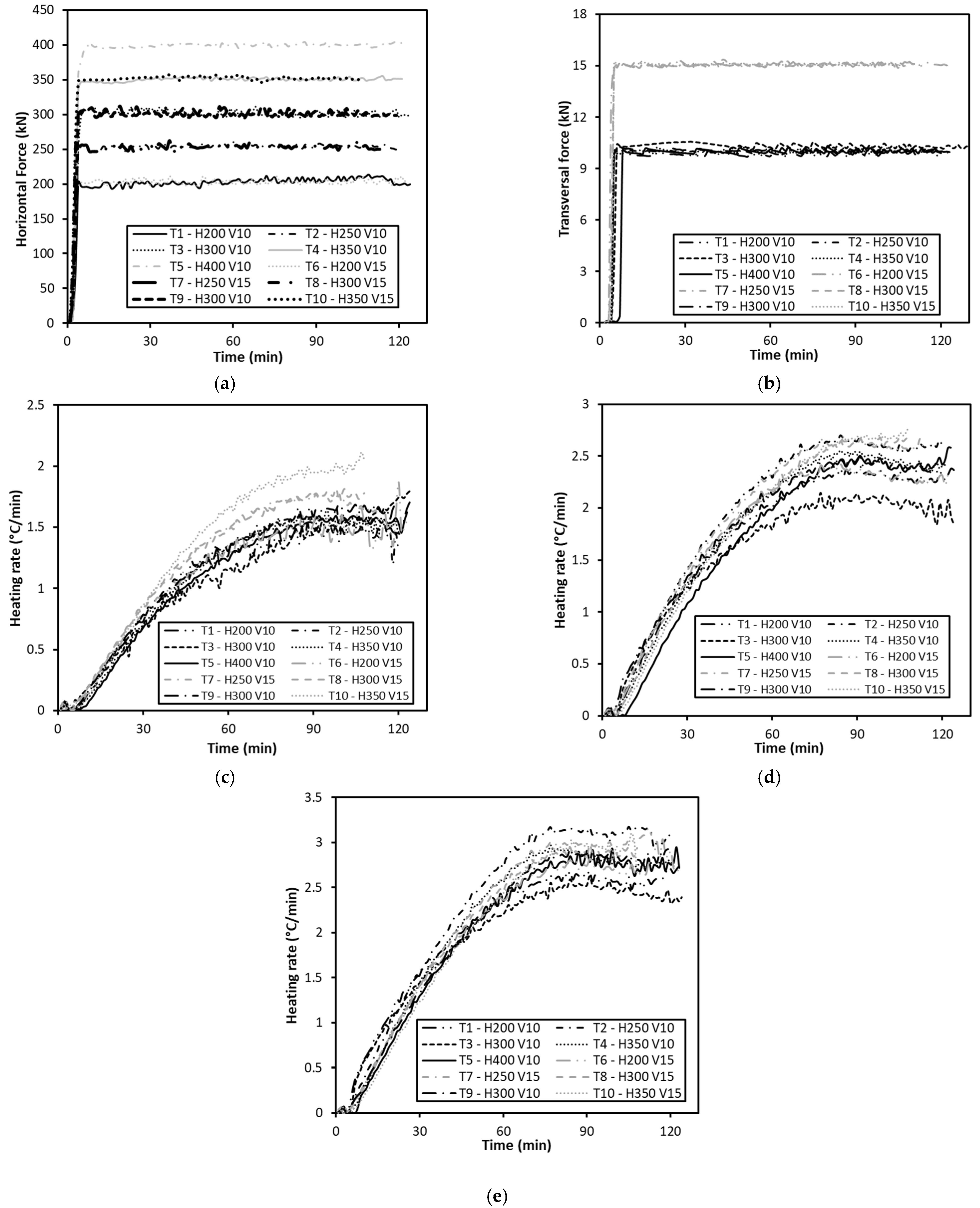
3.3. Test Results
4. Creep Model Verification
4.1. ANSYS Column Model
4.2. Comparison between the Model and Test Data
5. Discussion
5.1. Creep Effect and Its Development Time Span
5.2. The Influence of the External Load on the Column Failure
5.3. Comparison between the Creep-Free and MTH-Creep Models
5.4. Comparison of the MTH Creep Model with Test Results
6. Conclusions
- The applied creep model can be used to predict the failure of I section aluminium columns made of alloy 6082 T6 exposed to high temperature with sufficient accuracy;
- The noticeable strain due to creep starts to occur in temperatures over 150 °C in a transient heating regime;
- The significant difference in failure between creep and creep-free model confirms the assumption of a substantial impact of creep; this must be taken into account in the design of aluminium columns.
Author Contributions
Funding
Institutional Review Board Statement
Informed Consent Statement
Data Availability Statement
Conflicts of Interest
Nomenclature
| time-dependent creep strain by Dorn | |
| creep parameters dependent on applied stress | |
| temperature accumulated in time | |
| activation energy of the creep | |
| universal gas constant | |
| temperature | |
| modified total strain | |
| total strain vector | |
| plastic strain vector | |
| thermal strain vector | |
| creep strain vector | |
| equivalent creep strain | |
| equivalent modified total strain | |
| creep strain ratio | |
| normal creep strain components | |
| shear creep strain components | |
| creep strain for MTH creep model | |
| coefficients for the MTH creep model | |
| stress at 0,2% strain for temperature θ | |
| total length of the column | |
| effective depth of the column |
References
- Goreta, M.; Torić, N.; Boko, I. Calibration of an existing creep model for analysis of aluminium members exposed to constant temperature. Int. J. Eng. Model. 2021, 34, 1–15. [Google Scholar] [CrossRef]
- Usmani, A.S.; Chung, Y.C.; Torero, J.L. How did the WTC towers collapse: A new theory. Fire Saf. J. 2003, 38, 501–533. [Google Scholar] [CrossRef]
- Vicat, M. On the gradual elongation of iron wire under tension. In Measurement of High Temperature Mechanical Properties of Materials; National Physical Laboratory: Teddington, UK, 1834; pp. 9–12. [Google Scholar]
- EN 1999-1-2; Eurocode 9-Design of Aluminium Structures-Part 1–2: Structural Fire Design. European Comittee for Standardization: Brussels, Belgium, 2007.
- Torić, N.; Brnić, J.; Boko, I.; Brčić, M.; Burgess, I.W.; Uzelac, I. Experimental analysis of the behaviour of aluminium alloy EN 6082AW T6 at high temperature. Metals 2017, 7, 126. [Google Scholar] [CrossRef]
- Canonsburg, 2600 A. D. ANSYS Inc., Southpointe, PA 15317, Release 16.2. 2015. Available online: https://docplayer.net/22578304-Release-notes-2600-ansys-drive-ansys-inc-is-canonsburg-pa-15317-t-724-746-3304-f-724-514-9494.html (accessed on 12 July 2022).
- Harmathy, T.Z. Creep deflection of metal beams in transient heating processes, with particular reference to fire. Can. J. Civ. Eng. 1976, 3, 219–228. [Google Scholar] [CrossRef]
- Dorn, J. Some fundamental experiments on high temperature creep. J. Mech. Phys. Solids 1955, 3, 85–116. [Google Scholar] [CrossRef]
- Langhelle, N.K.; Amdahl, J. Experimental and numerical analysis of aluminium columns subjected to fire. In Proceedings of the Eleventh International Offshore and Polar Engineering Conference, Stavanger, Norway, 17–22 June 2001; Volume 4, pp. 406–413. [Google Scholar]
- Maljaars, J. Literature study on aluminium structures exposed to fire. Neth. Inst. Met. Res. 2005, 128. Available online: https://pure.tue.nl/ws/files/2310557/633114.pdf (accessed on 12 July 2022).
- Maljaars, J.; Fellinger, J.; Soetens, F. Fire exposed aluminium structures. Heron 2005, 50, 261–278. [Google Scholar]
- Maljaars, J.; Soetens, F.; Katgerman, L. Constitutive model for aluminum alloys exposed to fire conditions. Metall. Mater. Trans. A 2008, 39, 778–789. [Google Scholar] [CrossRef]
- Maljaars, J.; Soetens, F.; Snijder, H. Local buckling of aluminium structures exposed to fire. Part 2: Finite element models. Thin-Walled Struct. 2009, 47, 1418–1428. [Google Scholar] [CrossRef]
- Maljaars, J.; Soetens, F.; Snijder, H. Local buckling of aluminium structures exposed to fire. Part 1: Tests. Thin-Walled Struct. 2009, 47, 1404–1417. [Google Scholar] [CrossRef]
- Maljaars, J.; Twilt, L.; Fellinger, J.H.H.; Snijder, H.H.; Soetens, F. Aluminium structures exposed to fire conditions—An overview. Heron 2010, 55, 85–122. [Google Scholar]
- Kandare, E.; Feih, S.; Kootsookos, A.; Mathys, Z.; Lattimer, B.; Mouritz, A. Mouritz, creep-based life prediction modelling of aluminium in fire. Mater. Sci. Eng. A 2010, 527, 1185–1193. [Google Scholar] [CrossRef]
- Fogle, E.J.; Lattimer, B.Y.; Feih, S.; Kandare, E.; Mouritz, A.P.; Case, S. Case, compression load failure of aluminum plates due to fire. Eng. Struct. 2012, 34, 155–162. [Google Scholar] [CrossRef]
- Jiang, S.; Xiong, Z.; Guo, X.; He, Z. Buckling behaviour of aluminium alloy columns under fire conditions. Thin-Walled Struct. 2018, 124, 523–537. [Google Scholar] [CrossRef]
- Liu, M.; Chang, Y.; Wang, P.; Zhnag, L. Buckling behaviors of thin-walled aluminum alloy column with irregular-shaped cross section under axial compression in a fire. Thin-Walled Struct. 2016, 98, 230–243. [Google Scholar] [CrossRef]
- Zheng, Y.Q.; Zhang, Z. The fire performance and fire-resistance design of aluminium alloy I-beams. Fire Mater. 2014, 40, 141–157. [Google Scholar] [CrossRef]
- Torić, N.; Boko, I.; Burgess, I.W.; Goreta, M. Experimental analysis of the influence of creep on fire-exposed steel and aluminium columns. In Proceedings of the 10th International Conference on Structures in Fire, Belfast, UK, 6–8 June 2018; p. 6. [Google Scholar]
- Toric, N.; Glavinić, I.U.; Burgess, I.W. Burgess, development of a rheological model for creep strain evolution in steel and aluminium at high temperature. Fire Mater 2018, 42, 879–888. [Google Scholar] [CrossRef]
- Torić, N.; Boko, I.; Uzelac, I.; Harapin, A.; Divić, V.; Galić, M.; Brnić, J.; Čanađija, M.; Turkalj, G.; Lanc, D.; et al. High-temperature properties of aluminum alloy EN6082AW T6. In Proceedings of the International Conference of Applications of Structural Fire Engineering (ASFE), Manchester, UK, 7–8 September 2017; p. 5. [Google Scholar]
- Torić, N.; Glavinić, I.U.; Boko, I. Sustainability of aluminium in construction practice-recent fire related research. In Proceedings of the 1st International Conference on Costruction Materials for Sustainable Future, Zadar, Croatia, 19–21 April 2017; p. 6. [Google Scholar]
- Canonsburg, A.D. Structural Analysis Guide, no. January. 2020. Available online: https://d.shikey.com/down/Ansys.Products.2020.R1.x64/install_docs/Ansys.Products.PDF.Docs.2020R1/readme.html (accessed on 12 July 2022).
- Canonsburg, A.D. Material Reference, no. January. 2020. Available online: https://d.shikey.com/down/Ansys.Products.2020.R1.x64/install_docs/Ansys.Products.PDF.Docs.2020R1/readme.html (accessed on 12 July 2022).
- Canonsburg, A.D. Theory Reference, no. January. 2020. Available online: https://d.shikey.com/down/Ansys.Products.2020.R1.x64/install_docs/Ansys.Products.PDF.Docs.2020R1/readme.html (accessed on 12 July 2022).
- ASTM E21-09; Standard Test Methods for Elevated Temperatiure Tension Tests of Metallic Materials. ASTM International: West Conshocken, PA, USA, 2009.
- ASTM E8/E8M-11; Standard Test Methods for Tension Testing of Metallic Materials. ASTM International: West Conshocken, PA, USA, 2011.
- M.T.M. Inc. MatLab. 2018. Available online: https://www.mtm-inc.net/ (accessed on 12 July 2022).
- Torić, N.; Boko, I.; Burgess, I.W.; Divić, V. The effect of high-temperature creep on buckling behaviour of aluminium grade EN6082AW T6 columns. Fire Saf. J. 2020, 112, 102971. [Google Scholar] [CrossRef]
- Goreta, M.; Torić, N.; Divić, V.; Boko, I. Testing the influence of creep on fire-exposed aluminium columns. In Proceedings of the 9th International Congress of Croatian Society of Mechanics, Split, Croatia, 18–22 September 2018; p. 10. [Google Scholar]
- EN 1363-1; Fire Resistance Test-Part 1: General Requirements. European Comittee for Standardization: Brussels, Belgium, 2020.










| Temperature (°C) | Applied Stress (MPa) | f0.2,θ (%) | MTH Creep Model Coefficients | |||
|---|---|---|---|---|---|---|
| C1 | C2 | C3 | C4 | |||
| 150 | 170.30 | 0.7 | 6.06 × 10−13 | 1.00 | −0.2490 | 0 |
| 200 | 38.10 | 0.2 | 5.62 × 10−11 | 1.00 | −0.8910 | 0 |
| 57.19 | 0.3 | 8.20 × 10−11 | 1.00 | −0.9250 | 0 | |
| 95.20 | 0.5 | 9.60 × 10−11 | 1.00 | −0.8800 | 0 | |
| 250 | 16.30 | 0.15 | 1.60 × 10−14 | 1.00 | 0.1380 | 0 |
| 32.25 | 0.3 | 9.18 × 10−11 | 1.00 | −0.7900 | 0 | |
| 53.76 | 0.5 | 5.00 × 10−11 | 1.00 | −0.6160 | 0 | |
| 300 | 8.73 | 0.15 | 3.75 × 10−13 | 1.00 | 0.0361 | 0 |
| 17.46 | 0.3 | 2.95 × 10−10 | 1.00 | −0.4670 | 0 | |
| 29.10 | 0.5 | 8.26 × 10−10 | 1.00 | −0.3210 | 0 | |
| No. | Average Load (kN) | Average Load (bar) | Average Heating Rate (°C/min) | Specimen Name | ||
|---|---|---|---|---|---|---|
| Horizontal | Transversal | Horizontal | Transversal | |||
| 1 | 200 | 10 | 33 | 33 | 2.6 | T1—H200 V10 |
| 2 | 250 | 10 | 41 | 33 | 3.2 | T2—H250 V10 |
| 3 | 300 | 10 | 49 | 33 | 2.5 | T3—H300 V10 |
| 4 | 350 | 10 | 56 | 33 | 2.9 | T4—H350 V10 |
| 5 | 400 | 10 | 64 | 33 | 2.9 | T5—H400 V10 |
| 6 | 200 | 15 | 33 | 50 | 2.9 | T6—H200 V15 |
| 7 | 250 | 15 | 41 | 50 | 3.0 | T7—H250 V15 |
| 8 | 300 | 15 | 49 | 50 | 2.8 | T1—H300 V15 |
| 9 | 300 | 10 | 49 | 33 | 2.8 | T1—H300 V10 |
| 10 | 350 | 15 | 56 | 50 | 2.8 | T1—H350 V15 |
| Specimen Name | Displacements (mm) | Displacement Ratio (%) | Time (min) | Time Ratio (%) |
|---|---|---|---|---|
| T1—H200 V10 | 59.2 | 139.4 | 126 | 99.2 |
| T6—H200 V15 | 42.4 | 125 | ||
| T2—H250 V10 | 41.8 | 104.3 | 120 | 96.7 |
| T7—H250 V15 | 40.1 | 116 | ||
| T9—H300 V10 | 39.3 | 97.4 | 122 | 89.3 |
| T8—H300 V15 | 40.4 | 109 | ||
| T4—H350 V10 | 38.1 | 93.7 | 121 | 86.0 |
| T10—H350 V15 | 40.7 | 104 |
| Specimen Name | Creep Displacements (mm) | Creep-Free Displacements (mm) | Displacement Ratio (%) | Temperature at Midspan (°C) | Failure Time (min) |
|---|---|---|---|---|---|
| T1—H200 V10 | 58.4 | 11.6 * | 504.9 | 293 | 126 |
| T6—H200 V15 | 42.6 | 21.1 * | 202.4 | 287 | 126 |
| T2—H250 V10 | 41.2 | 13.3 * | 308.9 | 286 | 119 |
| T7—H250 V15 | 42.2 | 16.5 * | 255.7 | 280 | 116 |
| T9—H300 V10 | 38.1 | 12.4 * | 308.2 | 268 | 119 |
| T8—H300 V15 | 37.4 | 18.0 * | 208.2 | 245 | 110 |
| T4—H350 V10 | 38.1 | 23.2 | 164.3 | 268 | 117 |
| T10—H350 V15 | 36.7 | 20.0 * | 183.5 | 232 | 105 |
| T5—H400 V10 | 34.7 | 20.1 | 171.7 | 263 | 117 |
Publisher’s Note: MDPI stays neutral with regard to jurisdictional claims in published maps and institutional affiliations. |
© 2022 by the authors. Licensee MDPI, Basel, Switzerland. This article is an open access article distributed under the terms and conditions of the Creative Commons Attribution (CC BY) license (https://creativecommons.org/licenses/by/4.0/).
Share and Cite
Goreta, M.; Torić, N.; Boko, I.; Divić, V. Behaviour of Aluminium EN AW 6082 T6 Columns Exposed to Transient Heating—Experimental and Numerical Analysis. Metals 2022, 12, 1326. https://doi.org/10.3390/met12081326
Goreta M, Torić N, Boko I, Divić V. Behaviour of Aluminium EN AW 6082 T6 Columns Exposed to Transient Heating—Experimental and Numerical Analysis. Metals. 2022; 12(8):1326. https://doi.org/10.3390/met12081326
Chicago/Turabian StyleGoreta, Marko, Neno Torić, Ivica Boko, and Vladimir Divić. 2022. "Behaviour of Aluminium EN AW 6082 T6 Columns Exposed to Transient Heating—Experimental and Numerical Analysis" Metals 12, no. 8: 1326. https://doi.org/10.3390/met12081326
APA StyleGoreta, M., Torić, N., Boko, I., & Divić, V. (2022). Behaviour of Aluminium EN AW 6082 T6 Columns Exposed to Transient Heating—Experimental and Numerical Analysis. Metals, 12(8), 1326. https://doi.org/10.3390/met12081326

