A Study on the Development of an Optimization Algorithm and Determination Procedure for Toughness Deterioration Characteristics through Flux Core Arc Heat Input Control of ASTM A553-1 (9% Nickel Steel)
Abstract
:1. Introduction
2. Experimental Works
3. Results of Flux Core Arc Welding
3.1. Measurement of Weldment Geometry
3.2. Measurement of Impact Energy
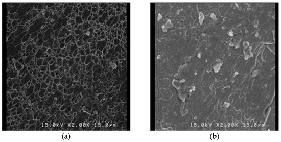
3.3. Analysis of Brittle Fracture of Heat-Affected Zone
4. Discussion
4.1. Brittle Fracture Behavior
4.2. Discriminant Analysis
5. Optimization of Flux Core Arc Welding of 9% Ni Steel
5.1. Development of Mathematical Model Welding Parameters
5.2. Optimization for Welding Process of 9% Ni Steel
6. Conclusions
- (1).
- An appropriate weldability was confirmed by measuring the bead shape, impact energy, and fracture surface of a weld obtained from the flux core arc welding experiment, and it was found that a decrease in toughness occurred due to excessive heat input. Therefore, the criteria of heat input at which the brittle fracture surface is created is (3.75 × 1012~4.29 × 1012) J/ cm2 and the impact energy started from 49.97 J and decreased to 42.13 J, which is selected as the criteria for quality deterioration.
- (2).
- To determine the brittle fracture characteristics of 9% Ni steel according to the welding process variables and the amount of heat applied by a bead shape, the data of the input and output variables of welding process were learned in the SVM technique, and it was determined whether a brittle fracture group with deteriorated quality was accurately identified. When the input variables for a welding experiment were entered into the learned system, it was found that the group in which the quality deterioration occurred was predicted with 100% accuracy. This discrimination function was used in a system to determine the deterioration of a weld and improve the process.
- (3).
- To optimize the specific welding process parameters where brittle fracture characteristics occur, an objective function was first developed. By using the response surface method, a mathematical model that can predict the bead shape and impact energy was developed and applied to a multi-purpose optimization algorithm. By entering the raw data that generates brittle fracture characteristics into the algorithm program created by the objective function and limiting conditions, the process variables were corrected to avoid quality deterioration intrinsic in the process variables.
- (4).
- A predicted welding result was calculated by entering the input variables supplemented with the quality degradation characteristics into the mathematical model that can predict the welding factors. Through re-entering the output variables into the discrimination system, it was found that the possibility of occurrence of toughness deterioration was eliminated in all the raw data where there may be brittle fracture characteristics.
Author Contributions
Funding
Institutional Review Board Statement
Informed Consent Statement
Data Availability Statement
Conflicts of Interest
References
- Assche, R. LNG Bunkering in Europe. Port of Rotterdam Authority. In Proceedings of the 3rd Annual LNG Bunkering Conference, Singapore, 29–31 July 2015. [Google Scholar]
- Schinas, O.; Butler, M. Feasibility and commercial considerations of LNG-fueled ships. Ocean Eng. 2016, 122, 84–96. [Google Scholar] [CrossRef]
- IMO. IMO Regulations to Reduce Air Pollution from Ships and the Review of Fuel Oil Availability; IMO: London, UK, 2016. [Google Scholar]
- Azzara, A.; Rutherford, D.; Wang, H. Feasibility of IMO annex VI Tier III implementation using selective catalytic reduction. Int. Counc. Clean Transp. 2014, 4, 1–9. [Google Scholar]
- Kim, J.H.; Shim, K.T.; Kim, Y.K.; Ahn, B.W. Fatigue Crack Growth Characteristics of 9% Ni Steel Welded Joint for LNG Storag Tank at Low Temperature. J. Weld. Join. 2010, 28, 537–542. [Google Scholar]
- Lee, S.H.; Lee, S.R.; Lee, Y.S. Interpretation for Band-Type Indication on Radiography of 9% Ni Steel Welds for LNG Storage Tanks. J. Korean Soc. Nondestruc. Test. 2010, 30, 479–483. [Google Scholar]
- Chang, W.S.; Kim, K.C.; Kim, Y.C.; Kim, S.R.; Kim, W.S. Ni alloy welding consumables for 9% Nickel steel. J. Weld. Join. 1998, 16, 25–37. [Google Scholar]
- ASTM E23. Standard Test Methods for Notched Bar Impact Testing of Metallic Materials. Am. Soc. Test. Mater. 2007, 7, 1–6. [Google Scholar]
- Yun, T.J.; Oh, W.B.; Lee, B.R.; Lee, C.W.; Na, H.H.; Choi, J.S.; Kim, I.S. A Study on Optimization of Fillet in Laser Welding Process for 9% Ni Steel Using Gradient-Based Optimization Algorithm. J. Weld. Join. 2020, 38, 485–492. [Google Scholar] [CrossRef]
- Park, T.U.; Jung, D.H.; Park, J.H.; Kim, J.H.; Han, I.W. Changes in the Mechanical Properties and Microstructure of High Manganese Steel by High Heat Input Welding and General Welding Processes. J. Weld. Join. 2020, 40, 33–39. [Google Scholar] [CrossRef]
- Ko, D.H.; Park, Y.I.; Shin, Y.T. Pitting Corrosion Characteristic Depending on Welding Pass and Heat Input of GTA Weldment on Superaustenitic Stainless Steel (UNS S32654). J. Weld. Join. 2020, 38, 528–534. [Google Scholar] [CrossRef]
- Kim, J.D.; Lee, J.B.; Lee, C.J.; Song, M.K.; Nam, G.J. Weldability of STS316L for LNG carrier by fiber laser. J. Adv. Mar. Eng. Technol. 2012, 36, 1061–1068. [Google Scholar] [CrossRef] [Green Version]
- Kim, J.D.; Lee, C.J.; Song, M.K. Characteristics of fiber laser welding on STS304L for GTT MARK III membrane. J. Adv. Mar. Eng. Technol. 2012, 36, 1069–1075. [Google Scholar] [CrossRef] [Green Version]
- Baba, O.; Okumoto, Y.; Abe, A. Improvement of butt welding for aluminum alloy tank of SPB LNG carrier. J. Mar. Sci. Technol. 2007, 5, 91–97. [Google Scholar]
- Zhao, D.S.; Liu, Y.J.; Wang, X.D.; Ji, Z.S. The calculation and measurement of welding residual stress for invar steel of a liquefied natural gas carrier’s containment system. J. Ship Prod. Des. 2015, 31, 43–48. [Google Scholar]
- Caruso, S.; Umbrello, D. Numerical and experimental validation of gas metal arc welding on AISI 441 ferritic stainless steel through mechanical and microstructural analysis. Int. J. Adv. Manuf. Technol. 2022, 120, 7433–7444. [Google Scholar] [CrossRef]
- Li, J.Y.; Zhang, Z.; Ren, D.X.; Zhang, W.; Tan, Z.J. The experimental and numerical studies on load bearing capacity in lamellar tearing of friction stir lap weld. Eng. Fract. Mech. 2022, 271, 108609. [Google Scholar] [CrossRef]
- Penga, Q.; Wu, H.; Wang, D.W.; He, Y.J.; Chen, H. Numerical simulation of aircraft crash on large-scale LNG storage tank. Eng. Fail. Anal. 2019, 96, 60–79. [Google Scholar] [CrossRef]
- Welding and Bonding Handbook–Process and Thermal Processing. Int. J. Korean Weld. Soc. 2007, 3, 26–33.
- El-Shabasy, A.; Lewandowski, J. Effects of load ratio, R, and test temperature on fatigue crack growth of fully pearlitic eutectoid steel (fatigue crack growth of pearlitic steel). Int. J. Fatigue 2004, 26, 305–309. [Google Scholar] [CrossRef]
- Yoon, Y.K.; Kim, J.H.; Shim, K.T. Mechanical Characteristics of 9% Ni Steel Welded Joint for LNG Storage Tank at Cryogenic. Int. J. Mod. Phys. Con. Ser. 2012, 6, 355–360. [Google Scholar] [CrossRef]
- Kim, Z.H. A Comparative Study of Classification Techniques Using Forest Cover Type Data: Discriminant Analysis, Logistic Regression, Neural Network, Decision Tree. Unpublished. Master’s Thesis, Chung-Ang University, Seoul, Korea, 2012. [Google Scholar]
- Amrine, D.E.; White, B.J.; Larson, R.L. Comparison of classification algorithms to predict outcomes of feedlot cattle identified and treated for bovine respiratory disease. Comput. Electron. Agric. 2014, 105, 9–19. [Google Scholar] [CrossRef] [Green Version]
- Knowles, J.D.; Corne, D.W. Approximating the nondominated front using the pareto archived evolution strategy. Evol. Comput. 2000, 8, 149–172. [Google Scholar] [CrossRef]
- Vapnik, V.N. The Nature of Statistical Learning Theory; Springer: Berlin/Heidelberg, Germany, 1999. [Google Scholar]
- Kim, Y.G. Evolutionary Algorithms; Chonnam National University Press: Gwangju, Korea, 2011. [Google Scholar]
- Deb, K.; Agrawal, S.; Pratap, A.; Meyarivan, T. A fast elitist non-dominated sorting genetic algorithm for multi-objective optimization: NSGA-II. Lect. Notes Comput. Sci. 2000, 1917, 849–858. [Google Scholar]
- Zitzler, E.; Deb, K.; Thiele, L. Comparison of multiobjective evolutionary algorithms: Empirical results. Evol. Comput. 2000, 8, 173–195. [Google Scholar] [CrossRef] [Green Version]
- Veldjuizen, D.A.V.; Lamont, G.B. On measuring multiobjective evolutionary algorithm performance. Evol. Comput. 2000, 1, 204–211. [Google Scholar]
- Deb, K.; Pratap, A.; Agarwal, S.; Meyarivan, T.A. A fast and elitist multi objective genetic algorithm: NSGA-II. IEEE Trans. Evol. Comput. 2002, 6, 182–197. [Google Scholar] [CrossRef] [Green Version]












| Steel | C | Si | Mn | S | P | Ni | Fe |
|---|---|---|---|---|---|---|---|
| A553-1 | 0.05 | 0.67 | 0.004 | 0.003 | 0.25 | 9.02 | Bal. |
| Steel | Yield Strength (MPa) | Tensile Strength (MPa) | Elongation (%) | Hardness (HV) |
|---|---|---|---|---|
| A553-1 | 651.6 | 701.1 | 26.6 | 243 |
| Test No. | Welding Current (A) | Arc Voltage (V) | Welding Speed (m/min) | Test No. | Welding Current (A) | Arc Voltage (V) | Welding Speed (m/min) |
|---|---|---|---|---|---|---|---|
| 1 | 150 | 21 | 0.3 | 10 | 150 | 21 | 0.4 |
| 2 | 150 | 23 | 0.3 | 11 | 150 | 23 | 0.4 |
| 3 | 150 | 25 | 0.3 | 12 | 150 | 25 | 0.4 |
| 4 | 160 | 21 | 0.3 | 13 | 160 | 21 | 0.4 |
| 5 | 160 | 23 | 0.3 | 14 | 160 | 23 | 0.4 |
| 6 | 160 | 25 | 0.3 | 15 | 160 | 25 | 0.4 |
| 7 | 170 | 21 | 0.3 | 16 | 170 | 21 | 0.4 |
| 8 | 170 | 23 | 0.3 | 17 | 170 | 23 | 0.4 |
| 9 | 170 | 25 | 0.3 | 18 | 170 | 25 | 0.4 |
| Fixed Parameter | Welding Wire: ∅1.2 Flux Wire | ||||||
| Contact Tip Work Distance: 15 mm | |||||||
| Shielding Gas Flow Rate: 18 L/min, (L/min) | |||||||
| Test No. | Top-Bead Width (mm) | Top-Bead Height (mm) | Bead Geometry | ||||||
|---|---|---|---|---|---|---|---|---|---|
| 1st | 2nd | 3rd | Average | 1st | 2nd | 3rd | Average | ||
| 1 | 8.46 | 8.47 | 8.46 | 8.46 | 2.58 | 2.61 | 2.59 | 2.59 | ![]() |
| 2 | 8.91 | 8.85 | 8.88 | 8.88 | 2.83 | 2.82 | 2.84 | 2.83 | ![]() |
| 3 | 9.64 | 9.63 | 9.63 | 9.63 | 2.85 | 2.83 | 2.88 | 2.86 | ![]() |
| 4 | 10.25 | 10.25 | 10.28 | 10.26 | 2.82 | 2.80 | 2.77 | 2.80 | ![]() |
| 5 | 10.82 | 10.81 | 10.81 | 10.81 | 2.94 | 2.96 | 2.92 | 2.94 | ![]() |
| 6 | 11.19 | 11.18 | 11.18 | 11.18 | 3.09 | 3.10 | 3.10 | 3.10 | ![]() |
| 7 | 11.43 | 11.44 | 11.43 | 11.43 | 3.12 | 3.11 | 3.09 | 3.11 | ![]() |
| 8 | 12.09 | 12.13 | 12.14 | 12.12 | 3.17 | 3.14 | 3.19 | 3.17 | ![]() |
| 9 | 13.28 | 13.31 | 13.30 | 13.30 | 3.26 | 3.26 | 3.24 | 3.25 | ![]() |
| 10 | 8.57 | 8.58 | 8.56 | 8.57 | 2.75 | 2.76 | 2.74 | 2.75 | ![]() |
| 11 | 9.56 | 9.53 | 9.45 | 9.51 | 2.85 | 2.86 | 2.90 | 2.87 | ![]() |
| 12 | 9.70 | 9.71 | 9.64 | 9.68 | 2.89 | 2.91 | 2.91 | 2.90 | ![]() |
| 13 | 10.32 | 10.35 | 10.38 | 10.35 | 2.88 | 2.89 | 2.87 | 2.88 | ![]() |
| 14 | 10.88 | 10.84 | 10.81 | 10.84 | 2.89 | 2.92 | 2.94 | 2.92 | ![]() |
| 15 | 11.38 | 11.35 | 11.32 | 11.35 | 3.09 | 3.09 | 3.08 | 3.09 | ![]() |
| 16 | 12.06 | 12.05 | 12.09 | 12.07 | 3.13 | 3.12 | 3.11 | 3.12 | ![]() |
| 17 | 12.97 | 12.96 | 12.94 | 12.96 | 3.21 | 3.19 | 3.17 | 3.19 | ![]() |
| 18 | 13.42 | 13.40 | 13.41 | 13.41 | 3.27 | 3.28 | 3.31 | 3.29 | ![]() |
| Test No. | 1st (J) | 2nd (J) | 3rd (J) | Average (J) |
|---|---|---|---|---|
| 1 | 73.51 | 74.54 | 71.84 | 73.30 |
| 2 | 74.08 | 73.48 | 71.56 | 73.04 |
| 3 | 67.21 | 65.02 | 65.68 | 65.97 |
| 4 | 74.62 | 71.20 | 71.11 | 72.31 |
| 5 | 50.12 | 48.69 | 51.11 | 49.97 |
| 6 | 40.47 | 43.60 | 42.33 | 42.13 |
| 7 | 47.65 | 47.11 | 44.38 | 46.38 |
| 8 | 43.41 | 41.11 | 45.65 | 43.39 |
| 9 | 48.97 | 45.07 | 47.37 | 47.14 |
| 10 | 73.79 | 72.09 | 71.12 | 72.33 |
| 11 | 69.14 | 67.65 | 69.36 | 68.72 |
| 12 | 64.12 | 62.56 | 61.20 | 62.63 |
| 13 | 72.36 | 70.58 | 72.68 | 71.87 |
| 14 | 68.14 | 67.24 | 67.92 | 67.77 |
| 15 | 62.14 | 61.05 | 63.20 | 62.13 |
| 16 | 70.62 | 69.22 | 66.48 | 68.77 |
| 17 | 70.42 | 66.21 | 66.48 | 67.70 |
| 18 | 59.14 | 60.90 | 56.14 | 58.73 |
| Test No. | |||||
|---|---|---|---|---|---|
| Facets | |||||
| 1 | 2 | 3 | 4 | 5 | 6 |
![]() | ![]() | ![]() | ![]() | ![]() | ![]() |
| 7 | 8 | 9 | 10 | 11 | 12 |
![]() | ![]() | ![]() | ![]() | ![]() | ![]() |
| 13 | 14 | 15 | 16 | 17 | 18 |
![]() | ![]() | ![]() | ![]() | ![]() | ![]() |
| Test No. | |||||
|---|---|---|---|---|---|
| Facets | |||||
| 1 | 2 | 3 | 4 | 5 | 6 |
| Dimple | Dimple | Dimple | Dimple | Cleavage | Cleavage |
![]() | ![]() | ![]() | ![]() | ![]() | ![]() |
| 7 | 8 | 9 | 10 | 11 | 12 |
| Cleavage | Cleavage | Cleavage | Dimple | Dimple | Dimple |
![]() | ![]() | ![]() | ![]() | ![]() | ![]() |
| 13 | 14 | 15 | 16 | 17 | 18 |
| Dimple | Dimple | Dimple | Dimple | Dimple | Dimple |
![]() | ![]() | ![]() | ![]() | ![]() | ![]() |
| Test No. | Welding Current (A) | Arc Voltage (V) | Welding Speed (m/min) | Top-Bead Width (mm) | Top-Bead Height (mm) | Heat Input (J/cm2) | Impact Energy (J) | Fracture Behavior |
|---|---|---|---|---|---|---|---|---|
| 1 | 150 | 21 | 0.3 | 8.46 | 2.59 | 4.47 × 1012 | 73.30 | Dimple |
| 2 | 150 | 23 | 0.3 | 8.88 | 2.83 | 4.66 × 1012 | 73.04 | Dimple |
| 3 | 150 | 25 | 0.3 | 9.63 | 2.86 | 4.67 × 1012 | 65.97 | Dimple |
| 4 | 160 | 21 | 0.3 | 10.26 | 2.80 | 3.93 × 1012 | 72.31 | Dimple |
| 5 | 160 | 23 | 0.3 | 10.81 | 2.94 | 4.09 × 1012 | 49.97 | Cleavage |
| 6 | 160 | 25 | 0.3 | 11.18 | 3.10 | 4.29 × 1012 | 42.13 | Cleavage |
| 7 | 170 | 21 | 0.3 | 11.43 | 3.11 | 3.75 × 1012 | 46.38 | Cleavage |
| 8 | 170 | 23 | 0.3 | 12.12 | 3.17 | 3.87 × 1012 | 43.39 | Cleavage |
| 9 | 170 | 25 | 0.3 | 13.3 | 3.25 | 3.84 × 1012 | 47.14 | Cleavage |
| 10 | 150 | 21 | 0.4 | 8.57 | 2.75 | 3.31 × 1012 | 72.33 | Dimple |
| 11 | 150 | 23 | 0.4 | 9.51 | 2.87 | 3.26 × 1012 | 68.72 | Dimple |
| 12 | 150 | 25 | 0.4 | 9.68 | 2.90 | 3.49 × 1012 | 62.63 | Dimple |
| 13 | 160 | 21 | 0.4 | 10.35 | 2.88 | 2.92 × 1012 | 71.87 | Dimple |
| Test No. | Heat Input (J/cm2) | Impact Energy (J) | Fracture Behavior | Test No. | Heat Input (J/cm2) | Impact Energy (J) | Fracture Behavior |
|---|---|---|---|---|---|---|---|
| 1 | 4.47 × 1012 | 73.30 | Dimple | 10 | 3.31 × 1012 | 72.33 | Dimple |
| 2 | 4.66 × 1012 | 73.04 | Dimple | 11 | 3.26 × 1012 | 68.72 | Dimple |
| 3 | 4.67 × 1012 | 65.97 | Dimple | 12 | 3.49 × 1012 | 62.63 | Dimple |
| 4 | 3.93 × 1012 | 72.31 | Dimple | 13 | 2.92 × 1012 | 71.87 | Dimple |
| 5 | 4.09 × 1012 | 49.97 | Cleavage | 14 | 3.06 × 1012 | 67.77 | Dimple |
| 6 | 4.29 × 1012 | 42.13 | Cleavage | 15 | 3.17 × 1012 | 62.13 | Dimple |
| 7 | 3.75 × 1012 | 46.38 | Cleavage | 16 | 2.66 × 1012 | 68.77 | Dimple |
| 8 | 3.87 × 1012 | 43.39 | Cleavage | 17 | 2.72 × 1012 | 67.70 | Dimple |
| 9 | 3.84 × 1012 | 47.14 | Cleavage | 18 | 2.85 × 1012 | 58.73 | Dimple |
| Test No. | Input Data | Output Data | ||||||
|---|---|---|---|---|---|---|---|---|
| C | V | S | W | H | Hi | I | Group | |
| 1 | 150.0 | 21.0 | 0.3 | 8.46 | 2.59 | 4.47 × 1012 | 73.30 | Dimple |
| 2 | 150.0 | 23.0 | 0.3 | 8.88 | 2.83 | 4.66 × 1012 | 73.04 | Dimple |
| 3 | 150.0 | 25.0 | 0.3 | 9.63 | 2.86 | 4.67 × 1012 | 65.97 | Dimple |
| 4 | 160.0 | 21.0 | 0.3 | 10.26 | 2.80 | 3.93 × 1012 | 72.31 | Dimple |
| 5 | 160.0 | 23.0 | 0.3 | 10.81 | 2.94 | 4.09 × 1012 | 49.97 | Cleavage |
| 6 | 160.0 | 25.0 | 0.3 | 11.18 | 3.10 | 4.29 × 1012 | 42.13 | Cleavage |
| 7 | 170.0 | 21.0 | 0.3 | 11.43 | 3.11 | 3.75 × 1012 | 46.38 | Cleavage |
| 8 | 170.0 | 23.0 | 0.3 | 12.12 | 3.17 | 3.87 × 1012 | 43.39 | Cleavage |
| 9 | 170.0 | 25.0 | 0.3 | 13.30 | 3.25 | 3.84 × 1012 | 47.14 | Cleavage |
| 10 | 150.0 | 21.0 | 0.4 | 8.57 | 2.75 | 3.31 × 1012 | 72.33 | Dimple |
| 11 | 150.0 | 23.0 | 0.4 | 9.51 | 2.87 | 3.26 × 1012 | 68.72 | Dimple |
| 12 | 150.0 | 25.0 | 0.4 | 9.68 | 2.90 | 3.49 × 1012 | 62.63 | Dimple |
| 13 | 160.0 | 21.0 | 0.4 | 10.35 | 2.88 | 2.92 × 1012 | 71.87 | Dimple |
| 14 | 160.0 | 23.0 | 0.4 | 10.84 | 2.92 | 3.06 × 1012 | 67.77 | Dimple |
| 15 | 160.0 | 25.0 | 0.4 | 11.35 | 3.09 | 3.17 × 1012 | 62.13 | Dimple |
| 16 | 170.0 | 21.0 | 0.4 | 12.07 | 3.12 | 2.66 × 1012 | 68.77 | Dimple |
| 17 | 170.0 | 23.0 | 0.4 | 12.96 | 3.19 | 2.72 × 1012 | 67.70 | Dimple |
| 18 | 170.0 | 25.0 | 0.4 | 13.41 | 3.29 | 2.85 × 1012 | 58.73 | Dimple |
| Test No. | Measured Group | Predicted Group | Test No. | Measured Group | Predicted Group |
|---|---|---|---|---|---|
| 1 | 0 | 0 (0.00) | 10 | 0 | 0 (0.00) |
| 2 | 0 | 0 (0.00) | 11 | 0 | 0 (0.00) |
| 3 | 0 | 0 (0.00) | 12 | 0 | 0 (0.00) |
| 4 | 0 | 0 (0.00) | 13 | 0 | 0 (0.00) |
| 5 | 1 | 1 (1.00) | 14 | 0 | 0 (0.00) |
| 6 | 1 | 1 (1.00) | 15 | 0 | 0 (0.00) |
| 7 | 1 | 1 (1.00) | 16 | 0 | 0 (0.00) |
| 8 | 1 | 1 (1.00) | 17 | 0 | 0 (0.00) |
| 9 | 1 | 1 (1.00) | 18 | 0 | 0 (0.00) |
| Design Parameter | Predicted Model | SE (Standard Error) | R2 (Coefficient of Determination, %) |
|---|---|---|---|
| W | Response Surface Analysis | 0.221 | 98.9 |
| H | Response Surface Analysis | 0.046 | 96.9 |
| I | Response Surface Analysis | 8.563 | 72.0 |
| Optimal Method | MOO (Multi-Objective Optimization) | |
|---|---|---|
| Range of Local Parameters | C (Welding Current) | [−5 ≤ Input ≤ +5] A |
| V (Arc Voltage) | [−1 ≤ Input ≤ +1] V | |
| S (Welding Speed) | [−0.05 ≤ Input ≤ +0.05] m/min | |
| Range of Constraints | Hi (Heat Input) | Hi ≥ 4.29 × 1012 J/cm2, Hi ≤ 3.75 × 1012 J/cm2 |
| Fitness Factor | Population Size | 50, 60, 70, 80, 90, 100 |
| Solver | Constrained nonlinear minimization | |
| Algorithm | Trust region reflective algorithm | |
| Derivatives | Gradient supplied | |
| Test No. | Original | Modified | Welding Factors | Group | |||||||
|---|---|---|---|---|---|---|---|---|---|---|---|
| C | V | S | C | V | S | W | H | Hi | I | ||
| 5 | 160.0 | 23.0 | 0.3 | 164.98 | 22.14 | 0.254 | 11.1 | 3.0 | 4.55 × 1012 | 70.5 | Dimple |
| 6 | 160.0 | 25.0 | 0.3 | 164.99 | 24.00 | 0.251 | 11.8 | 3.1 | 4.81 × 1012 | 54.5 | Dimple |
Publisher’s Note: MDPI stays neutral with regard to jurisdictional claims in published maps and institutional affiliations. |
© 2022 by the authors. Licensee MDPI, Basel, Switzerland. This article is an open access article distributed under the terms and conditions of the Creative Commons Attribution (CC BY) license (https://creativecommons.org/licenses/by/4.0/).
Share and Cite
Park, M.; Kim, J.; Pyo, C. A Study on the Development of an Optimization Algorithm and Determination Procedure for Toughness Deterioration Characteristics through Flux Core Arc Heat Input Control of ASTM A553-1 (9% Nickel Steel). Metals 2022, 12, 1213. https://doi.org/10.3390/met12071213
Park M, Kim J, Pyo C. A Study on the Development of an Optimization Algorithm and Determination Procedure for Toughness Deterioration Characteristics through Flux Core Arc Heat Input Control of ASTM A553-1 (9% Nickel Steel). Metals. 2022; 12(7):1213. https://doi.org/10.3390/met12071213
Chicago/Turabian StylePark, Minho, Jaewoong Kim, and Changmin Pyo. 2022. "A Study on the Development of an Optimization Algorithm and Determination Procedure for Toughness Deterioration Characteristics through Flux Core Arc Heat Input Control of ASTM A553-1 (9% Nickel Steel)" Metals 12, no. 7: 1213. https://doi.org/10.3390/met12071213
APA StylePark, M., Kim, J., & Pyo, C. (2022). A Study on the Development of an Optimization Algorithm and Determination Procedure for Toughness Deterioration Characteristics through Flux Core Arc Heat Input Control of ASTM A553-1 (9% Nickel Steel). Metals, 12(7), 1213. https://doi.org/10.3390/met12071213























































