Research on Microstructures and Properties of High-Strength Anticorrosion Twinning-Induced Plasticity Steels
Abstract
:1. Introduction
2. Experimental Procedures
3. Results and Discussion
3.1. Influence of Cr on the Stacking-Fault Energy (SFE) of Alloy
3.2. Influence of Cr on the Microstructures of Alloy
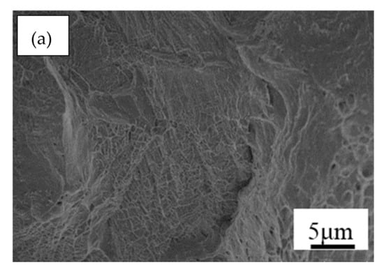
3.3. Influence of Cr on the Mechanical Properties of Alloys
3.4. Influence of Cr on the Corrosion Resistance of Alloy
4. Conclusions
- (1)
- The Fe–Mn–Cr–CN TWIP steels still had the stable single austenite phase before and after the tensile test, even with Cr contents as high as 12 and 18 wt.%;
- (2)
- Compared with the TWIP-ref steel, the Fe–Mn–Cr–CN TWIP steels have better mechanical properties and corrosion resistance. The strain-hardening rate of 12CrN steel is lower than that of the TWIP-ref steel because of the relatively late generation of high-density deformation twins, which resulted in less tensile strength increments during the tensile test. The yield strengths of the 12CrN and 18CrN samples are 496 and 512 MPa, respectively, which are much higher than that of the TWIP-ref sample (308 MPa). Moreover, the Fe–Mn–Cr–CN steels have more excellent anticorrosion properties. The Ecorr values of the 12CrN and 18CrN samples are −483 and −494 mV, respectively, which are more positive than that of the TWIP-ref sample (−845 mV), and the Icorr of the 12CrN sample (1.4707 × 10−6 A·cm−2) is significantly smaller than that of the TWIP-ref sample (2.9027 × 10−6 A·cm−2);
- (3)
- The higher Cr content of the 18CrN sample leads to the precipitation of M23C6, which is harmful to the ductility and corrosion resistance of Fe–Mn–Cr–CN TWIP steels. Therefore, compared to the 12CrN sample, the 18CrN sample has poor ductility and anticorrosion properties.
Author Contributions
Funding
Institutional Review Board Statement
Informed Consent Statement
Data Availability Statement
Conflicts of Interest
References
- Kim, S.H.; Kim, H.; Kim, N.J. Brittle intermetallic compound makes ultrastrong low-density steel with large ductility. Nature 2015, 518, 77–79. [Google Scholar] [CrossRef]
- Grassel, O.; Frommeyer, G. Effect of martensitic phase transformation and deformation twinning on mechanical properties of Fe–Mn–Si–Al steels. Mater. Sci. Technol. 1998, 14, 1213–1217. [Google Scholar] [CrossRef]
- Steinmetz, D.R.; Japel, T.; Wietbrock, B.; Eisenlohr, P.; Gutierrez-Urrutia, I.; Saeed-Akbari, A.; Hickel, T.; Roters, F.; Raabe, D. Revealing the strain-hardening behavior of twinning-induced plasticity steels: Theory, simulations, experiments. Acta Mater. 2013, 61, 494–510. [Google Scholar] [CrossRef]
- Yang, G.; Kim, J.-K. An overview of high yield strength twinning-induced plasticity steels. Metals 2021, 11, 124. [Google Scholar] [CrossRef]
- Idrissi, H.; Renard, K.; Schryvers, D.; Jacques, P.J. On the relationship between the twin internal structure and the work-hardening rate of TWIP steels. Scr. Mater. 2010, 58, 961–964. [Google Scholar] [CrossRef]
- Bouaziz, O.; Allain, S.; Scott, C. Effect of grain and twin boundaries on the hardening mechanisms of twinning-induced plasticity steels. Scr. Mater. 2008, 58, 484–487. [Google Scholar] [CrossRef]
- Yang, H.K.; Tian, Y.Z.; Zhang, Z.J.; Zhang, Z.F. Simultaneously improving the strength and ductility of Fe–22Mn-0.6C twinning-induced plasticity steel via nitrogen addition. Mater. Sci. Eng. A 2018, 715, 276–280. [Google Scholar] [CrossRef]
- Torganchuk, V.; Belyakov, A.; Kaibyshev, R. Improving mechanical properties of 18%Mn TWIP steels by cold rolling and annealing. Metals 2019, 9, 776. [Google Scholar] [CrossRef] [Green Version]
- Jeong, K.; Jin, J.E.; Jung, Y.S.; Kang, S.; Lee, Y.K. The effects of Si on the mechanical twinning and strain hardening of Fe–18Mn-0.6C twinning-induced plasticity steel. Acta Mater. 2013, 61, 3399–3410. [Google Scholar] [CrossRef]
- Lan, P.; Tang, H.; Zhang, J. Hot ductility of high alloy Fe–Mn–C austenite TWIP steel. Mater. Sci. Eng. A 2016, 660, 127–138. [Google Scholar] [CrossRef]
- Yang, H.K.; Zhang, Z.J.; Zhang, Z.F. Comparison of work hardening and deformation twinning evolution in Fe–22Mn–0.6C–(1.5Al) twinning-induced plasticity steels. Scr. Mater. 2013, 68, 992–995. [Google Scholar] [CrossRef]
- Saeed-Akbari, A.; Imlau, J.; Prahl, U.; Bleck, W. Derivation and variation in composition-dependent stacking fault energy maps based on subregular solution model in high-manganese steels. Metall. Mater. Trans. A 2009, 40A, 3076–3090. [Google Scholar] [CrossRef]
- Allain, S.; Chateau, J.P.; Bouaziz, O.; Migot, S.; Guelton, N. Correlations between the calculated stacking fault energy and the plasticity mechanisms in Fe–Mn–C alloys. Mater. Sci. Eng. A 2004, 387–389, 158–162. [Google Scholar] [CrossRef]
- Yuan, X.; Zhao, Y.; Li, X.; Chen, L. Effect of Cr on mechanical properties and corrosion behaviors of Fe–Mn–C–Al–Cr–N TWIP steels. J. Mater. Sci. Technol. 2017, 33, 1555–1560. [Google Scholar] [CrossRef]
- Mujica, L.; Weber, S.; Theisen, W. Development of high-strength corrosion-resistant austenitic TWIP steel. Metall. Ital. 2011, 6, 31–35. [Google Scholar]
- Roncery, L.M.; Weber, S.; Theisen, W. Development of Mn-Cr-(C-N) corrosion resistant twinning induced plasticity steels: Thermodynamic and diffusion calculation, production, and characterization. Metall. Mater. Trans. A 2010, 41A, 2471–2479. [Google Scholar] [CrossRef]
- Berns, H.; Gavriljuk, V.G.; Riedner, S.; Tyshchenko, A. High strength stainless austenitic CrMnCN steels—Part I: Alloy design and properties. Steel Res. Int. 2007, 78, 714–719. [Google Scholar] [CrossRef]
- Roncery, L.M.; Weber, S.; Theisen, W. Mechanical properties of (20–30)Mn12Cr(0.56–0.7)CN corrosion resistant austenitic TWIP steels. Steel Res. Int. 2012, 83, 307–314. [Google Scholar] [CrossRef]
- Bastidas, D.M.; Ress, J.; Bosch, J.; Martin, U. Corrosion mechanisms of high-Mn twinning-induced plasticity (TWIP) steels: A critical review. Metals 2021, 11, 287. [Google Scholar] [CrossRef]
- Fajardo, S.; Llorente, I.; Jiménez, J.A.; Calderón, N.; Herrán-Medina, D.; Bastidas, J.M.; Ress, J.; Bastidas, D.M. Influence of chromium on the passivity of thermo-mechanically processed high-Mn TWIP steels. Appl. Surf. Sci. 2020, 513, 1–9. [Google Scholar] [CrossRef]
- Witusiewicz, V.T.; Sommer, F.; Mittemeijer, E.J. Reevaluation of the Fe–Mn phase diagram. J. Phase Equilib. Diff. 2004, 25, 346–354. [Google Scholar] [CrossRef]
- Dai, J.; Feng, H.; Li, H.-B.; Jiang, Z.-H.; Li, H.; Zhang, S.-C.; Zhou, P.; Zhang, T. Nitrogen significantly enhances corrosion resistance of 316L stainless steel in thiosulfate-chloride solution. Corros. Sci. 2020, 174, 1–11. [Google Scholar] [CrossRef]
- Dumay, A.; Chateau, J.-P.; Allain, S.; Migot, S.; Bouaziz, O. Influence of addition elements on the stacking-fault energy and mechanical properties of an austenitic Fe–Mn–C steel. Mater. Sci. Eng. A 2008, 483–484, 184–187. [Google Scholar] [CrossRef]
- Curtze, S.; Kuokkala, V.-T. Dependence of tensile deformation behavior of TWIP steels on stacking fault energy, temperature and strain rate. Acta Mater. 2010, 58, 5129–5141. [Google Scholar] [CrossRef]
- Allain, S.; Chateau, J.-P.; Bouaziz, O. A physical model of the twinning-induced plasticity effect in a high manganese austenitic steel. Mater. Sci. Eng. A 2004, 387–389, 143–147. [Google Scholar] [CrossRef]
- Mosecker, L.; Saeed-Akbari, A. Nitrogen in chromium-manganese stainless steels: A review on the evaluation of stacking fault energy by computational thermodynamics. Sci. Technol. Adv. Mater. 2013, 14, 1–14. [Google Scholar] [CrossRef] [PubMed]
- Rawers, J.; Grujicic, M. Effects of metal composition and temperature on the yield strength of nitrogen strengthened stainless steels. Mater. Sci. Eng. A 1996, 207, 188–194. [Google Scholar] [CrossRef]
- Wang, W.J.; Sun, X.J.; Song, C.; Chen, H.; Han, W.; Pan, F. Enhancement of yield strength by chromium/nitrogen alloying in high-manganese cryogenic steel. Mater. Sci. Eng. A 2017, 698, 110–116. [Google Scholar] [CrossRef]
- Zhang, S.; Liu, K.; Chen, H.; Xiao, X.; Wang, Q.; Zhang, F. Effect of increased N content on microstructure and tensile properties of low-C V-microalloyed steels. Mater. Sci. Eng. A 2016, 651, 951–960. [Google Scholar] [CrossRef]
- Zheng, L.; Hu, X.; Kang, X.; Li, D. Precipitation of M23C6 and its effect on tensile properties of 0.3C–20Cr–11Mn–1Mo–0.35N steel. Mater. Des. 2015, 78, 42–50. [Google Scholar] [CrossRef]
- Hall, E.O. The deformation and ageing of mild steel: III discussion of results. Proc. Phys. Soc. Sect. B 1951, 64, 747–753. [Google Scholar] [CrossRef]
- Petch, N.J. The cleavage strength of polycrystals. J. Iron Steel Inst. 1953, 174, 25–28. [Google Scholar]











| Notation | Mn | Cr | C | N | P | S | Si | Ni | Fe |
|---|---|---|---|---|---|---|---|---|---|
| TWIP-ref | 21.89 | 0.052 | 0.52 | - | 0.011 | 0.009 | 0.609 | 0.057 | Bal. |
| 12CrN | 26.16 | 12.38 | 0.32 | 0.31 | 0.009 | 0.001 | 0.001 | 0.081 | Bal. |
| 18CrN | 26.28 | 17.29 | 0.28 | 0.32 | 0.011 | 0.001 | 0.001 | 0.020 | Bal. |
| Samples | σYS/MPa | σUTS/MPa | δ/% |
|---|---|---|---|
| TWIP-ref | 308 | 890 | 63.4 |
| 12CrN | 496 | 904 | 67.2 |
| 18CrN | 512 | 876 | 50.3 |
| Samples | Ecorr/mV | Icorr/10−6 A·cm−2 |
|---|---|---|
| TWIP-ref | −845 | 2.9027 |
| 12CrN | −483 | 1.4707 |
| 18CrN | −494 | 2.3920 |
Publisher’s Note: MDPI stays neutral with regard to jurisdictional claims in published maps and institutional affiliations. |
© 2022 by the authors. Licensee MDPI, Basel, Switzerland. This article is an open access article distributed under the terms and conditions of the Creative Commons Attribution (CC BY) license (https://creativecommons.org/licenses/by/4.0/).
Share and Cite
Si, Y.; Wang, X.; Liang, J.; Han, F. Research on Microstructures and Properties of High-Strength Anticorrosion Twinning-Induced Plasticity Steels. Metals 2022, 12, 537. https://doi.org/10.3390/met12040537
Si Y, Wang X, Liang J, Han F. Research on Microstructures and Properties of High-Strength Anticorrosion Twinning-Induced Plasticity Steels. Metals. 2022; 12(4):537. https://doi.org/10.3390/met12040537
Chicago/Turabian StyleSi, Yongli, Xingfu Wang, Juhua Liang, and Fusheng Han. 2022. "Research on Microstructures and Properties of High-Strength Anticorrosion Twinning-Induced Plasticity Steels" Metals 12, no. 4: 537. https://doi.org/10.3390/met12040537
APA StyleSi, Y., Wang, X., Liang, J., & Han, F. (2022). Research on Microstructures and Properties of High-Strength Anticorrosion Twinning-Induced Plasticity Steels. Metals, 12(4), 537. https://doi.org/10.3390/met12040537
