Evolution of Microstructure and Elements Distribution of Powder Metallurgy Borated Stainless Steel during Hot Isostatic Pressing
Abstract
:1. Introduction
2. Materials and Methods
3. Results
3.1. Thermodynamic Calculation
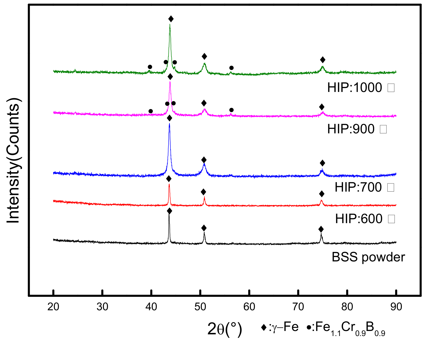
3.2. Quantitative X-ray Diffraction Phase Analysis
3.3. Relative Density
3.4. Metallographic Structure
3.5. Mechanical Properties of BSS at Different HIP Sintering Temperature
4. Discussion
5. Conclusions
- (1)
- Based on the experimental results and conclusion, the nucleation and growth mechanism of the boron-containing phase of BSS should be divided into four stages by HIP sintering at different temperatures: precipitation of boron from boron supersaturated solid solution, generation of borides at grain boundaries or defects, generation, and growth of boron-containing phase. The first step is controlled by the solubility of boron in the steel and the second to fourth steps are influenced by the diffusion distance of boron, the binding energy of boron with other elements and the solubility of boron in the Cr-Fe solid solution.
- (2)
- The liquid stream ejected during the atomized powder making is broken up by argon, and the powder particles fall with the cooling rate of 1000 °C/s or more than, the obtained BSS powder is the supersaturated solid solution of boron. The relative density of BSS prepared by HIP at 600 °C is 67%. By SEM analysis, no coalescence and growth of the powder particles were observed. All these phenomena indicate that BSS powder prepared by HIP at 600 °C is in the “bonding stage” of PM sintering.
- (3)
- HIP sintering at 700 °C, the short-range diffusion of boron elements, promotes the density of the billet and the abnormal growth of the grain, which is different from the ordinary stainless-steel materials, and the relative density of BSS can reach 88.7%. These phenomena show that HIP sintering at 700 °C is in the “sintering neck growth” stage of PM sintering. XRD analysis at 600 °C and 700 °C shows that the BSS has only austenitic phase, and the nucleation and growth of the boron-containing phase at this temperature is in the first stage with only the precipitation of boron.
- (4)
- HIP sintering at 900 °C the boron-containing phase is generated and grows due to the increasing of diffusion coefficient of boron and other metallic elements and the alloy contains two phases, boron-containing and austenite phases. According to EDS, the boron-containing phase is the Cr-rich, Fe-poor and the distribution of the boron is not homogeneous, the boron content of the smaller grains is higher than that of the larger grains and the boron content at the grain edges is higher than the internal content. The tensile strength is 717 MPa and the elongation is 3% due to the lower temperature, the fine grain size, and the relative density of 95.4%. The HIP sintering at 900 °C is controlled by diffusion and the nucleation and growth of the boron-containing phase at this temperature is in the second stage with precipitation of boron and growing of boron-containing phase at the grain boundaries or defects.
- (5)
- HIP sintering at 1000 °C or higher, the solubility of elemental boron in austenite and the diffusion coefficient of the elements increase, and material transportation accelerates, so the density of alloy reaches more than 99%. The microstructure evolution is controlled by both solubility and elemental diffusion, the nucleation and growth of the boron-containing phase at this temperature is in the third and fourth stage. The highest elongation is 19% at 1000 °C and the tensile strength is 776 MPa, and the main reason is that the small grain boron-bearing phase distribute inside the austenite phase. The highest tensile strength can reach 783 MPa at 1160 °C and elongation is only 4%, the main reason is that the boron-bearing phase grain size is larger than the other temperatures.
Author Contributions
Funding
Institutional Review Board Statement
Informed Consent Statement
Data Availability Statement
Conflicts of Interest
References
- Dardel, G.V.; Sjöstrand, N.G. Absorption Cross Section of Boron for Thermal Neutrons. Phys. Rev. 1956, 96, 1566–1567. [Google Scholar] [CrossRef]
- Bharasi, N.S.; Pujar, M.G.; Nirmal, S.; Mallika, C.; Mudali, U.K.; Angelo, P.C. Comparison of SCC Behavior of 304L Stainless Steels with and Without Boron Addition in Acidic Chloride Environment. J. Mater. Eng. Perform. 2016, 25, 2786–2798. [Google Scholar] [CrossRef]
- Domankova, M.; Adamech, M.; Petzova, J.; Bartova, K.; Pinke, P. Microstructure Characteristics of Borated Austenitic Stainless Welds. Res. Pap. Fac. Mater. Sci. Tech. Slovak Utiv. Techol. Trnava. 2018, 26, 45–52. [Google Scholar] [CrossRef] [Green Version]
- Zhou, X.; Wang, M.J.; Zhao, H.C. Microstructure characteristics of high borated stainless steel fabricated by hot-pressing sintering. J. Alloys Compd. 2016, 665, 100–106. [Google Scholar] [CrossRef]
- Pei, Y.B.; Qu, X.H.; Ge, Q.L.; Wang, T.J. Effect of Heat Treatment Temperature on Microstructure and Properties of PM Borated Stainless Steel Prepared by Hot Isostatic Pressing. Materials 2021, 14, 4646. [Google Scholar] [CrossRef]
- Molinari, A.; Kazior, J.; Marchetti, F.; Canteri, R.; Cristofolini, I.; Tiziani, A. Sintering Mechanisms of Boron Alloyed AISI 316L Stainless Steel. Powder Technol. 1994, 37, 115–122. [Google Scholar] [CrossRef]
- Won, C.H.; Jang, J.H.; Lee, C.H.; Lee, T.H.; Kang, N. Computational Modeling for Coarsening of (Fe,Cr)2 B in Borated Stainless Steel. Mater. Trans. 2019, 60, 369–372. [Google Scholar] [CrossRef]
- Li, Y.W.; Wang, Z.J.; Fu, D.G.; Li, G.; Liu, H.T.; Zhang, X.M. Fabrication of high borated austenitic stainless steel thick plates with enhanced ductility and toughness using a hot-roll-bonding method. Mater. Sci. Eng. A 2021, 799, 140212. [Google Scholar] [CrossRef]
- Cizek, P.; Parker, B.A.; Bijok, M.; Zuna, P. The Influence of Large Boride Particles on Microstructural Evolution in AISI 304 Steel. ISIJ Int. 1994, 34, 679–688. [Google Scholar] [CrossRef] [Green Version]
- Busby, P.E.; Warga, M.E.; Wells, C. Diffusion and Solubility of Boron in Iron and Steel. J. Met. Trans. AIME 1953, 11, 1463–1468. [Google Scholar] [CrossRef]
- Calos, N.J.; Graham, E.; Cousens, D.R.; Christodoulou, P.; Kennard, C.H.L.; Bekessy, L.k.; Parker, S.F. Mode of Boron Solubility in Ferrous Alloys. Mater. Trans. 2001, 42, 496–501. [Google Scholar] [CrossRef]
- Nagae, T.; Yokota, M.; Nose, M.; Tomida, S. Microstructure and mechanical properties of gas atomized aluminum alloy powder compact densified by pulsed current pressure sintering process. Mater. Trans. 2002, 43, 537–543. [Google Scholar] [CrossRef] [Green Version]
- Sawada, T.; Yanagitani, A. Effects of Additive Elements on Properties of Fe-Cr-B Gas Atomized Powder with High Hardness. J. Jpn. Inst. Met. 2011, 75, 274–281. (In Japanese) [Google Scholar] [CrossRef]
- Xie, S.Y.; Li, R.D.; Yuan, T.C.; Zhang, M.; Wang, M.B.; Yin, L.; Cao, P. Effect of phase transformation on densification kinetics and properties of spark plasma sintered Al0.7CoCrFeNi high-entropy alloy. Mater. Charact. 2020, 160, 110098. [Google Scholar] [CrossRef]
- Abbas, S.F.; Kim, T.; Kim, B. The Effect of Microstructure on the Electrical Properties of Gas Atomized Copper-Iron Metastable Alloys. Met. Mater. Int. 2018, 24, 860–868. [Google Scholar] [CrossRef]
- Slezov, V.; Boyko, Y.; Weissmüller, J. Diffusional decomposition of supersaturated solid solutions at grain boundaries. Int. J. Mater. Res. 2007, 98, 553–561. [Google Scholar] [CrossRef]
- European Powder Metallrugy Asscociation. Available online: https://www.epma.comhot-isostatic-pressing (accessed on 22 September 2021).
- Atkinson, H.V.; Davies, S. Fundamental Aspects of Hot Isostatic Pressing: An Overview. Metall. Mater. Trans. A 2000, 31, 2981–3000. [Google Scholar] [CrossRef]
- Basaran, M.; Kattamis, T.Z.; Mehrabian, R.; Flemings, M.C. The effect of Homogenization Treatment and Hot Isostatic Pressing on Microporosity in Cast Steel. Metall. Trans. 1973, 4, 2429–2434. [Google Scholar] [CrossRef]
- Zhou, S.; Song, B.; Xue, P.; Cai, C.; Liu, J.; Shi, Y. Numerical simulation and experimental investigation on densification, shape deformation, and stress distribution of Ti6Al4V compacts during hot isostatic pressing. Int. J. Manuf. Technol. 2017, 88, 19–31. [Google Scholar] [CrossRef]
- Lin, D.G.; Hu, S.Y.; Shin, Y.; Park, S.J.; Chung, S.T.; Bollina, R.; See, S. Experimental and Simulation Analysis of Hot Isostatic Pressing of Gas Atomized Stainless Steel 316L Powder Compacts. Korean J. Met. Mater. 2016, 54, 732–742. [Google Scholar]
- Rao, G.A.; Kumar, M. High performance stainless steel via powder metallurgy hot isostatic pressing. Mater. Sci. Technol. 1997, 13, 1027–1031. [Google Scholar] [CrossRef]
- Cooper, A.J.; Cooper, N.I.; Dhers, J.; Sherry, A.H. Effect of Oxygen Content Upon the Microstructural and Mechanical Properties of Type 316L Austenitic Stainless Steel Manufactured by Hot Isostatic Pressing. Metall. Mater. Trans. A 2016, 47, 4467–4475. [Google Scholar] [CrossRef] [Green Version]
- Essa, K.; Jamshidi, P.; Zou, J.; Attallah, M.M.; Hassaninc, H. Porosity Control in 316L Stainless Steel using Cold and Hot Isostatic Pressing. Mater. Des. 2016, 665, 100–106. [Google Scholar] [CrossRef] [Green Version]
- Chadha, K.; Tian, Y.; Spray, J.G.; Aranas, C., Jr. Effect of Annealing Heat Treatment on the Microstructural Evolution and Mechanical Properties of Hot Isostatic Pressed 316L Stainless Steel Fabricated by Laser Powder Bed Fusion. Metals 2020, 10, 753. [Google Scholar] [CrossRef]
- Irukuvarghula, S.; Hassanin, H.; Cayron, C.; Attallah, M.M.; Stewart, D.; Preus, M. Evolution of grain boundary network topology in 316L austenitic stainless steel during powder hot isostatic pressing. Acta Mater. 2017, 133, 269–281. [Google Scholar] [CrossRef]
- Liverani, E.; Lutey, A.H.A.; Ascari, A.; Fortunato, A. The effects of hot isostatic pressing (HIP) and solubilization heat treatment on the density, mechanical properties, and microstructure of austenitic stainless steel parts produced by selective laser melting (SLM). Int. J. Adv. Manuf. Technol. 2020, 107, 109–122. [Google Scholar] [CrossRef]
- Romanczuk, E.; Perkowski, K.; Oksiuta, Z. Microstructure, Mechanical, and Corrosion Properties of Ni-Free Austenitic Stainless Steel Prepared by Mechanical Alloying and HIPping. Materials 2019, 12, 3416. [Google Scholar] [CrossRef] [Green Version]
- Karlsson, L.; Horden, H.; Odelius, H. Nonequilibrium grain boundary segregation of boron in austenitic stainless steel—Iii. Computer simulations. Acta Mater. 1988, 36, 1–12. [Google Scholar] [CrossRef]
- He, X.; Chu, Y.; Li, T.; Jun, K. The Characteristic of Nonequilibrium Boron Segregation at grain Boundaries During Isothermal Holding (In Chinese). J. Beijing Univ. Iron Steel Technol. 1986, 3, 65–75. [Google Scholar]
- Miyamoto, G.; Goto, A.; Takayama, N.; Furuhara, T. Three-dimensional atomprobe analysis of boron segregation at austenite grain boundary in a low carbon steel—Effects of boundary misorientation and quenching temperature. Scr. Mater. 2018, 154, 168–171. [Google Scholar] [CrossRef]
- Rosa, G.D.; Maugis, P.; Poravoce, A.; Drillet, J.; Valle, N.; Lentzen, E.; Hoummada, K. Grain-boundary segregation of boron in high-strength steel studied by nano-SIMS and atom probe tomography. Acta Mater. 2020, 182, 226–234. [Google Scholar] [CrossRef]
- Zhang, X.; Li, X.L.; Wu, P.; Chen, S.; Zhang, S.P.; Chen, N.; Huai, X.L. First principles calculation of boron diffusion in fcc-Fe. Curr. Appl. Phys. 2018, 18, 1108–1112. [Google Scholar] [CrossRef]
- Kudin, V.G.; Makara, V.A. Thermodynamic Properties of Metal–Boron Alloys. Inorg. Mater. 2002, 38, 216–219. [Google Scholar] [CrossRef]














| Element | B | C | Cr | Ni | Mn | Si | P | S |
|---|---|---|---|---|---|---|---|---|
| mass% | 1.86 | 0.020 | 19.30 | 14.10 | 2.00 | 0.66 | 0.0070 | 0.0051 |
| Spectrum | B | Fe | Cr | Ni | Mn | Si | |
|---|---|---|---|---|---|---|---|
| Figure 11c | 1 | - | 62.3 | 21.5 | 13.1 | 2.5 | 0.7 |
| 2 | - | 64.8 | 16.9 | 15.1 | 2.0 | 1.2 | |
| Figure 11d | 3 | - | 63.97 | 9.67 | 16.05 | 1.88 | 8.44 |
| 4 | - | 66.96 | 9.97 | 16.89 | 2.11 | 7.79 | |
| 5 | - | 66.86 | 10.26 | 16.59 | 1.92 | 4.35 | |
| 6 | 3.10 | 33.86 | 59.94 | 0.47 | 1.98 | 0.90 | |
| 7 | 5.65 | 31.70 | 57.97 | 0.46 | 1.73 | 2.50 | |
| 8 | 1.98 | 32.82 | 60.53 | 1.11 | 1.97 | 1.45 | |
| 9 | 7.23 | 38.75 | 50.09 | 0.69 | 1.89 | 1.35 | |
| Figure 11e | 10 | - | 68.63 | 11.23 | 16.30 | 2.00 | 1.84 |
| 11 | - | 68.38 | 11.16 | 16.42 | 2.12 | 1.92 | |
| 12 | 4.08 | 53.65 | 30.08 | 9.64 | 1.94 | 0.61 | |
| 13 | 2.21 | 42.82 | 48.58 | 3.62 | 1.99 | 0.78 | |
| 14 | 4.16 | 47.12 | 39.94 | 6.14 | 1.92 | 0.70 | |
| 15 | 2.23 | 37.00 | 57.07 | 0.65 | 1.89 | 1.15 | |
| 16 | 1.85 | 37.68 | 57.32 | 0.67 | 2.02 | 1.85 | |
| Figure 11f | 17 | - | 67.47 | 11.39 | 16.59 | 2.13 | 2.41 |
| 18 | - | 68.09 | 11.87 | 16.68 | 2.08 | 1.29 | |
| 19 | - | 68.43 | 11.45 | 16.65 | 2.06 | 1.41 | |
| 20 | 2.58 | 37.79 | 56.55 | 0.76 | 2.04 | 0.28 | |
| 21 | 2.53 | 38.01 | 56.03 | 0.77 | 1.95 | 0.32 | |
| 22 | 3.65 | 38.29 | 54.79 | 0.81 | 1.87 | 0.59 | |
| 23 | 3.51 | 38.57 | 54.62 | 0.83 | 2.13 | 0.35 | |
| 24 | - | 58.67 | 27.43 | 11.12 | 1.97 | 0.80 | |
| Figure 11g | 25 | - | 68.16 | 12.57 | 16.18 | 2.12 | 0.97 |
| 26 | - | 68.41 | 12.48 | 15.90 | 2.16 | 1.06 | |
| 27 | 0.70 | 38.14 | 57.86 | 0.97 | 2.10 | 0.22 | |
| 28 | 3.06 | 40.77 | 52.87 | 1.27 | 1.86 | 0.17 | |
| 29 | 0.70 | 37.65 | 57.99 | 0.92 | 2.21 | 0.53 | |
| 30 | 36.31 | 23.51 | 35.68 | 0.53 | 2.63 | 1.34 |
| HIP Temperature (°C) | Tensile Strength (MPa) | Yield Strength (MPa) | Elongation (%) | Reduction of Area (%) |
|---|---|---|---|---|
| 900 | 717 | 556 | 3 | 2 |
| 1000 | 776 | 341 | 19 | 18 |
| 1100 | 740 | 372 | 13 | 11 |
| 1160 | 783 | 483 | 4 | 6 |
Publisher’s Note: MDPI stays neutral with regard to jurisdictional claims in published maps and institutional affiliations. |
© 2021 by the authors. Licensee MDPI, Basel, Switzerland. This article is an open access article distributed under the terms and conditions of the Creative Commons Attribution (CC BY) license (https://creativecommons.org/licenses/by/4.0/).
Share and Cite
Pei, Y.; Qu, X.; Ge, Q.; Wang, T. Evolution of Microstructure and Elements Distribution of Powder Metallurgy Borated Stainless Steel during Hot Isostatic Pressing. Metals 2022, 12, 19. https://doi.org/10.3390/met12010019
Pei Y, Qu X, Ge Q, Wang T. Evolution of Microstructure and Elements Distribution of Powder Metallurgy Borated Stainless Steel during Hot Isostatic Pressing. Metals. 2022; 12(1):19. https://doi.org/10.3390/met12010019
Chicago/Turabian StylePei, Yanbin, Xuanhui Qu, Qilu Ge, and Tiejun Wang. 2022. "Evolution of Microstructure and Elements Distribution of Powder Metallurgy Borated Stainless Steel during Hot Isostatic Pressing" Metals 12, no. 1: 19. https://doi.org/10.3390/met12010019
APA StylePei, Y., Qu, X., Ge, Q., & Wang, T. (2022). Evolution of Microstructure and Elements Distribution of Powder Metallurgy Borated Stainless Steel during Hot Isostatic Pressing. Metals, 12(1), 19. https://doi.org/10.3390/met12010019

