Optimization Design of a Small-Sized Cruciform Specimen for Biaxial Fatigue Testing
Abstract
1. Introduction
2. Optimization of Small Cruciform Fatigue Specimen
2.1. Design Criteria
- (a)
- The stress and strain distribution in the central gauge area are uniform.
- (b)
- The stress concentration in the non-gauge area is as small as possible.
- (c)
- For the fatigue test, the fatigue failure should occur in the gauge area.
- (d)
- The test should be repeatable.
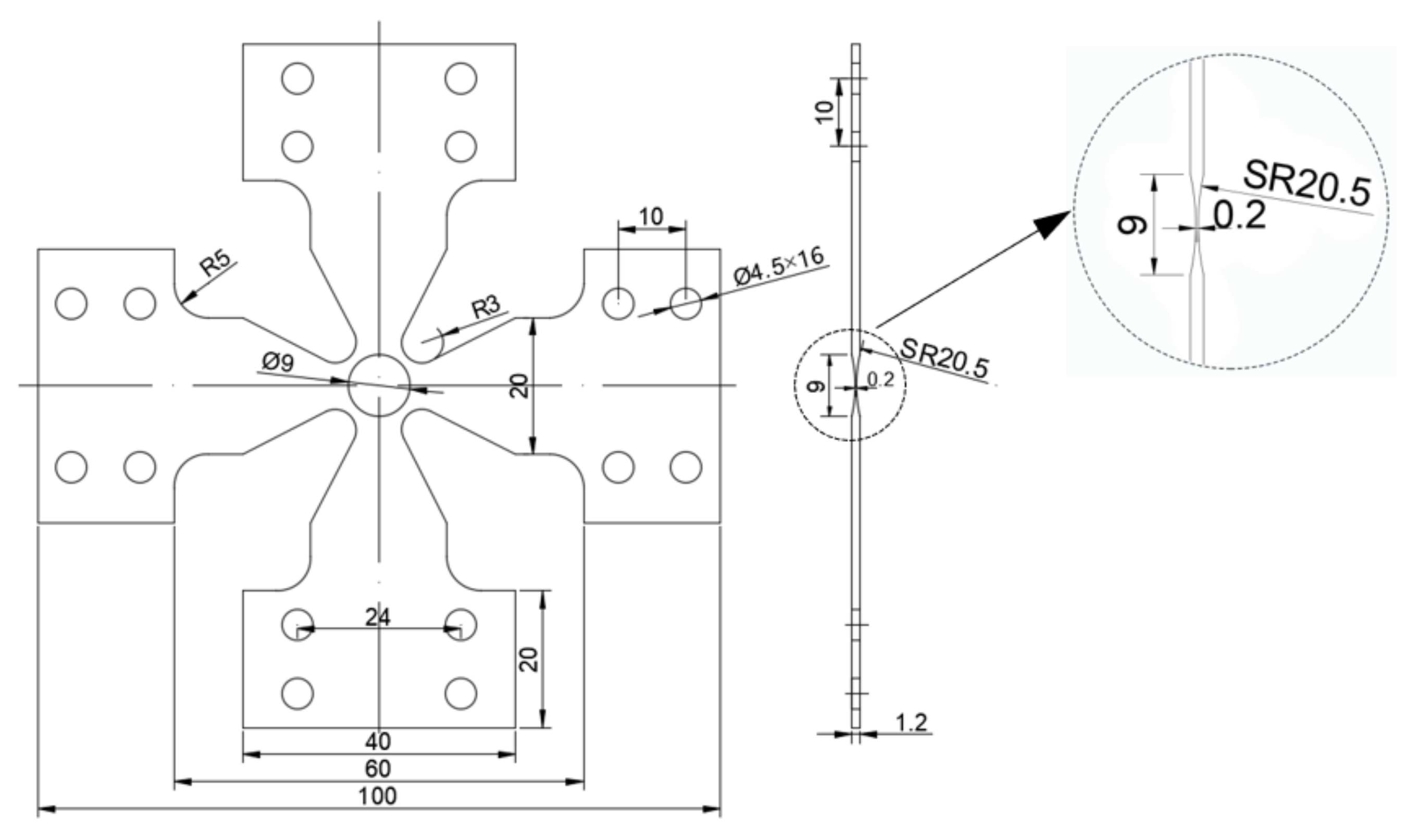
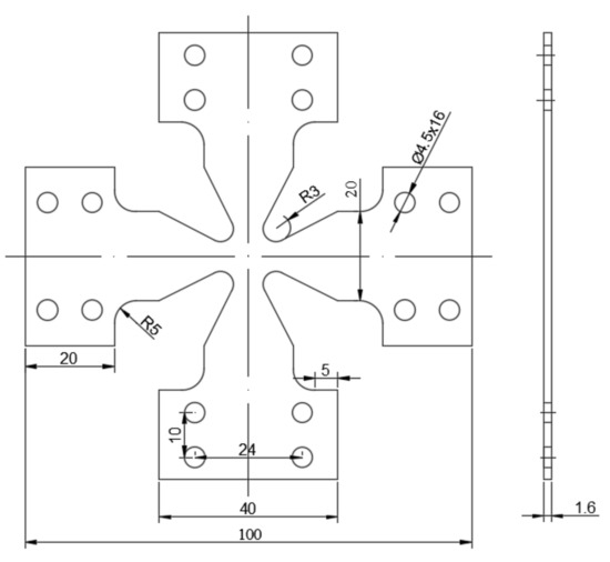
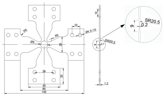
2.2. Basic Shape of Cruciform Specimen
2.3. Finite Element Simulation
2.4. The Influence of the Diameter of the Central Thinning Area
2.5. The Influence of the Minimum Thickness of the Central Thinning Area
2.6. Optimization of Cruciform Specimen
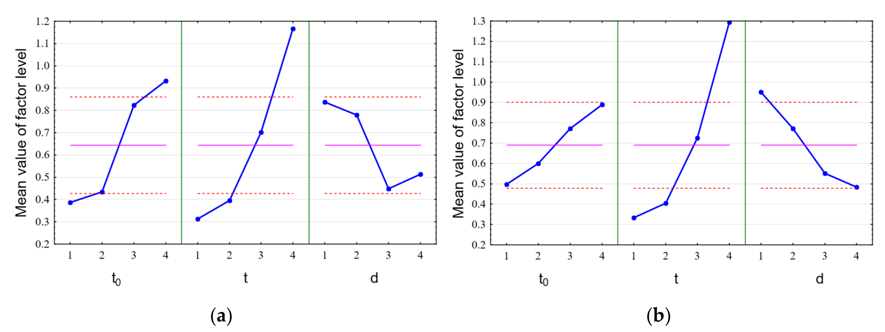
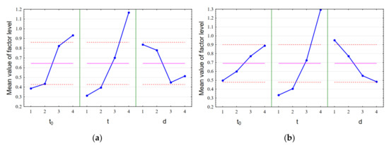
2.6.1. Definition of Objective Coefficients
2.6.2. Orthogonal Design Scheme
3. Verification by Biaxial Tension and Fatigue Test
4. Conclusions
Author Contributions
Funding
Acknowledgments
Conflicts of Interest
References
- Tiernan, P.; Hannon, A. Design optimization of biaxial tensile test specimen using finite element analysis. Int. J. Mater. Form. 2014, 7, 117–123. [Google Scholar] [CrossRef]
- Hannon, A.; Tiernan, P. A review of planar biaxial tensile test systems for sheet metal. J. Mater. Process. Tech. 2008, 198, 1–13. [Google Scholar] [CrossRef]
- Kwon, H.J.; Jar, P.-Y.B.; Xia, Z. Characterization of biaxial fatigue resistance of polymer plates. J. Mater. Sci. 2005, 40, 965–972. [Google Scholar] [CrossRef]
- Kulawinski, D.; Nagel, K.; Henkel, S.; Hübner, P.; Fischer, H.; Kuna, M.; Biermann, H. Characterization of stress—Strain behavior of a cast trip steel under different biaxial planar load ratios. Eng. Fract. Mech. 2011, 78, 1684–1695. [Google Scholar] [CrossRef]
- Lamkanfi, E.; Van Paepegem, W.; Degrieck, J.; Ramault, C.; Makris, A.; Van Hemelrijck, D. Strain distribution in cruciform specimens subjected to biaxial loading conditions. Part 1: Two-dimensional versus three-dimensional finite element model. Polym. Test. 2010, 29, 7–13. [Google Scholar] [CrossRef]
- Liu, W.; Guines, D.; Leotoing, L.; Ragneau, E. Identification of sheet metal hardening for large strains with an in-plane biaxial tensile test and a dedicated cross specimen. Int. J. Mech. Sci. 2015, 101, 387–398. [Google Scholar] [CrossRef]
- Ackermann, S.; Lippmann, T.; Kulawinski, D.; Henkel, S.; Biermann, H. Biaxial fatigue behavior of a powder metallurgical trip steel. Frat. Ed Integrita Strutt. 2015, 34, 580–589. [Google Scholar]
- Kuwabara, T. Biaxial stress testing methods for sheet metals. In Comprehensive Materials Processing; Elsevier: Amsterdam, The Netherlands, 2014; Volume 1, pp. 95–111. [Google Scholar]
- ISO/CD 16842. Metallic Materials—Sheet and Strip—Biaxial Tensile Testing Method Using Cruciform Specimen; ISO: Geneva, Switzerland, 2014. [Google Scholar]
- Yuan, W.N.; Wan, M.; Wu, X.D.; Cheng, C.; Cai, Z.Y.; Ma, B.L. A numerical M-K approach for predicting the forming limits of material AA5754-O. Int. J. Adv. Manuf. Tech. 2018, 98, 811–825. [Google Scholar] [CrossRef]
- Seymen, Y.; Güler, B.; Efe, M. Large strain and small-scale biaxial testing of sheet metals. Exp. Mech. 2016, 56, 1519–1530. [Google Scholar] [CrossRef]
- Yu, Y.; Wan, M.; Wu, X.D.; Zhou, X.B. Design of a cruciform biaxial tensile specimen for limit strain analysis by FEM. J. Mater. Process. Tech. 2002, 123, 67–70. [Google Scholar] [CrossRef]
- Baptista, R.; Claudio, R.A.; Reis, L.; Madeira, J.F.A.; Guelho, I.; Freitas, M. Optimization of cruciform specimens for biaxial fatigue loading with direct multi search. Theor. Appl. Fract. Mech. 2015, 80, 65–72. [Google Scholar] [CrossRef]
- Lamkanfi, E.; Van Paepegem, W.; Degrieck, J. Shape optimization of a cruciform geometry for biaxial testing of polymers. Polym. Test. 2015, 41, 7–16. [Google Scholar] [CrossRef]
- Zhao, K.; Chen, L.; Xiao, R.; Ding, Z.; Zhou, L. Design of a biaxial tensile testing device and cruciform specimens for large plastic deformation in the central zone. J. Mater. Sci. 2019, 54, 7231–7245. [Google Scholar] [CrossRef]
- Makinde, A.; Thibodeau, L.; Neale, K.W. Development of an apparatus for biaxial testing using cruciform specimens. Exp. Mech. 1992, 32, 138–144. [Google Scholar] [CrossRef]
- Kulawinski, D.; Ackermann, S.; Seupel, A.; Lippmann, T.; Henkel, S.; Kuna, M.; Weidner, A.; Biermann, H. Deformation and strain hardening behavior of powder metallurgical trip steel under quasi-static biaxial-planar loading. Mat. Sci. Eng. A 2015, 642, 317–329. [Google Scholar] [CrossRef]
- Parsons, M.W.; Pascoe, K.J. Development of a biaxial fatigue testing rig. J. Strain. Anal. Eng. 1975, 10, 1–9. [Google Scholar] [CrossRef]
- Makris, A.; Vandenbergh, T.; Ramault, C.; Van Hemelrijck, D.; Lamkanfi, E.; Van Paepegem, W. Shape optimisation of a biaxially loaded cruciform specimen. Polym. Test. 2010, 29, 216–223. [Google Scholar] [CrossRef]
- Xiao, R.; Li, X.X.; Lang, L.H.; Chen, Y.K.; Yang, Y.F. Biaxial tensile testing of cruciform slim superalloy at elevated temperatures. Mater. Des. 2016, 94, 286–294. [Google Scholar] [CrossRef]
- Zhu, Z.K.; Lu, Z.; Zhang, P.; Fu, W.; Zhou, C.Y.; He, X.H. Optimal design of a miniaturized cruciform specimen for biaxial testing of TA2 alloys. Metals 2019, 9, 823. [Google Scholar] [CrossRef]
- Poncelet, M.; Barbier, G.; Raka, B.; Courtin, S.; Desmorat, R.; Le-Roux, J.C.; Vincent, L. Biaxial High Cycle Fatigue of a type 304L stainless steel: Cyclic strains and crack initiation detection by digital image correlation. Eur. J. Mech. A Solids 2010, 29, 810–825. [Google Scholar] [CrossRef][Green Version]
- Cláudio, R.A.; Reis, L.; Freitas, M. Biaxial high-cycle fatigue life assessment of ductile aluminium cruciform specimens. Theor. Appl. Fract. Mech. 2014, 73, 82–90. [Google Scholar] [CrossRef]
- Montgomery, D.C. Design and Analysis of Experiments, 9th ed.; Wiley: Hoboken, NJ, USA, 2017. [Google Scholar]
- Peters, W.H.; Ranson, W.F. Digital imaging techniques in experimental stress analysis. Opt. Eng. 1982, 21, 427–431. [Google Scholar] [CrossRef]
- Breitbarth, E.; Besel, M. Fatigue crack deflection in cruciform specimens subjected to biaxial loading conditions. Int. J. Fatigue 2018, 113, 345–350. [Google Scholar] [CrossRef]
- Lopez-Crespo, P.; Moreno, B.; Lopez-Moreno, A.; Zapatero, J. Characterisation of crack-tip fields in biaxial fatigue based on high-magnification image correlation and electro-spray technique. Int. J. Fatigue 2015, 71, 17–25. [Google Scholar] [CrossRef]
- Merklein, M.; Biasutti, M. Development of a biaxial tensile machine for characterization of sheet metals. J. Mater. Process. Tech. 2013, 213, 939–946. [Google Scholar] [CrossRef]
- Sun, P.Y.; Zhu, Z.K.; Su, C.Y.; Lu, L.; Zhou, C.Y.; He, X.H. Experimental characterisation of mechanical behaviour for a T A2 welded joint using digital image correlation. Opt. Laser. Eng. 2019, 115, 161–171. [Google Scholar] [CrossRef]
- Tomičević, Z.; Kodvanj, J.; Hild, F. Characterization of the nonlinear behavior of nodular graphite cast iron via inverse identification: Analysis of biaxial tests. Eur. J. Mech. A Solids 2016, 59, 195–209. [Google Scholar]
- Bonnand, V.; Chaboche, J.L.; Gomez, P.; Kanouté, P.; Pacou, D. Investigation of multiaxial fatigue in the context of turboengine disc applications. Int. J. Fatigue 2011, 33, 1006–1016. [Google Scholar] [CrossRef]



















| Levels | Arm Thickness t0 (mm) | Center Thickness t (mm) | Center Diameter d (mm) |
|---|---|---|---|
| 1 | 1.6 | 0.2 | 7 |
| 2 | 1.4 | 0.3 | 8 |
| 3 | 1.2 | 0.4 | 9 |
| 4 | 1.0 | 0.5 | 10 |
| Effect | SS | df | MS | F | p |
|---|---|---|---|---|---|
| t0 | 0.875936 | 3 | 0.291979 | 8.76390 | 0.013015 |
| t | 2.159554 | 3 | 0.719851 | 21.60673 | 0.001287 |
| d | 0.169354 | 3 | 0.056451 | 1.69442 | 0.266488 |
| Residual | 0.199896 | 6 | 0.033316 | - | - |
| Number | Arm Thickness t0 (mm) | Center Thickness t (mm) | Center Diameter d (mm) | Load Ratio 1:1 | Load Ratio 2:1 | ||
|---|---|---|---|---|---|---|---|
| α | β | α | β | ||||
| 1 | 1.6 | 0.2 | 7 | 0.1848 | 0.3042 | 0.5101 | 0.2666 |
| 2 | 1.6 | 0.3 | 8 | 0.0842 | 0.5346 | 0.2230 | 0.5305 |
| 3 | 1.6 | 0.4 | 9 | 0.0561 | 0.7746 | 0.1132 | 0.9993 |
| 4 | 1.6 | 0.5 | 10 | 0.0449 | 1.1153 | 0.0164 | 1.3243 |
| 5 | 1.4 | 0.2 | 8 | 0.1513 | 0.3427 | 0.4347 | 0.2624 |
| 6 | 1.4 | 0.3 | 7 | 0.0797 | 0.5932 | 0.2344 | 0.7418 |
| 7 | 1.4 | 0.4 | 10 | 0.0206 | 1.1063 | 0.1109 | 1.0729 |
| 8 | 1.4 | 0.5 | 9 | 0.0272 | 1.1517 | 0.0132 | 1.9257 |
| 9 | 1.2 | 0.2 | 9 | 0.0846 | 0.4838 | 0.2695 | 0.3116 |
| 10 | 1.2 | 0.3 | 10 | 0.0674 | 0.7942 | 0.2190 | 0.5124 |
| 11 | 1.2 | 0.4 | 7 | 0.0989 | 1.7498 | 0.1531 | 1.6673 |
| 12 | 1.2 | 0.5 | 8 | 0.0062 | 3.3003 | 0.0152 | 3.0308 |
| 13 | 1.0 | 0.2 | 10 | 0.0260 | 0.9274 | 0.0899 | 0.5273 |
| 14 | 1.0 | 0.3 | 9 | 0.0418 | 0.9642 | 0.1446 | 0.6376 |
| 15 | 1.0 | 0.4 | 8 | 0.0582 | 1.7500 | 0.1194 | 1.5574 |
| 16 | 1.0 | 0.5 | 7 | 0.0629 | 3.6284 | 0.0901 | 3.9389 |
| Specimen Combination | A1B1C3 | A1B1C4 | A3B1C3 | A3B1C4 |
|---|---|---|---|---|
| α | 0.1563 | 0.1044 | 0.0846 | 0.0717 |
| β | 0.2776 | 0.3238 | 0.4838 | 0.5836 |
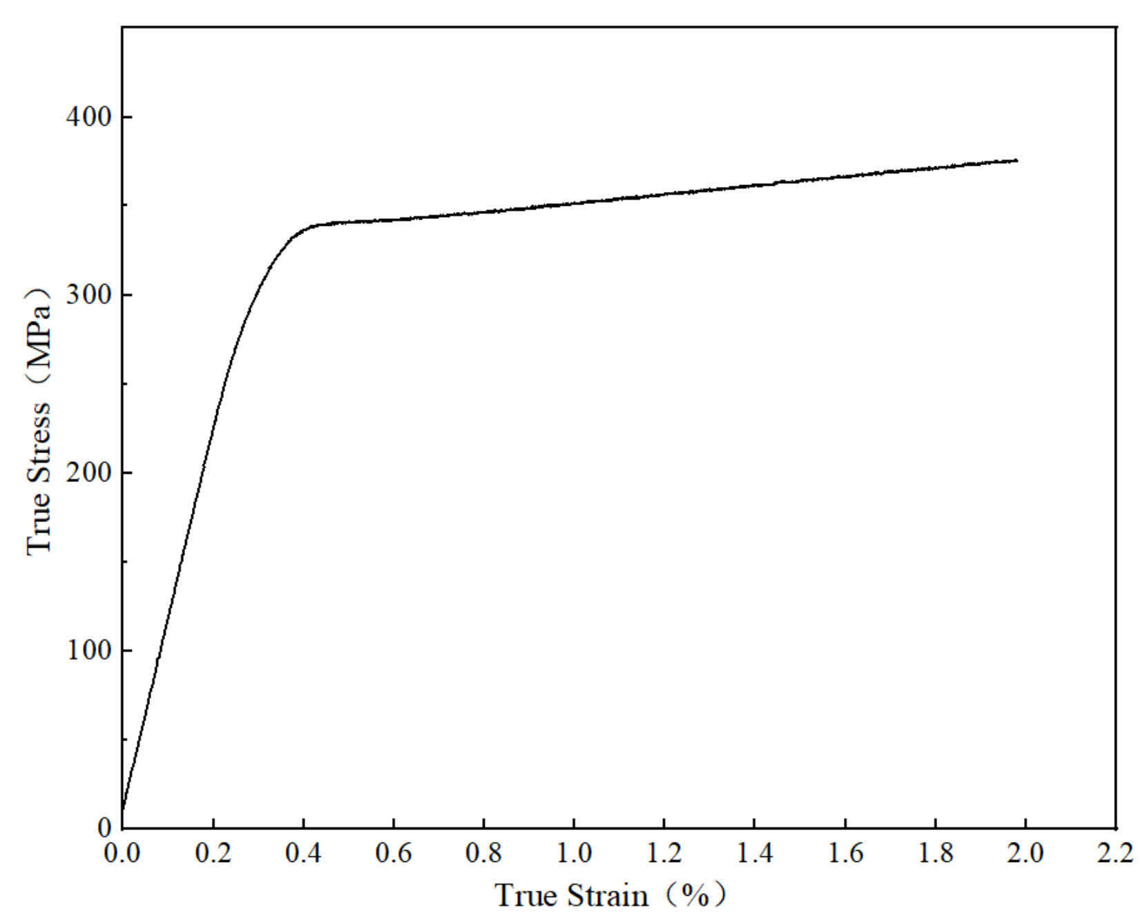
| Fe | C | N | H | O | Ti |
|---|---|---|---|---|---|
| 0.061 | 0.0028 | 0.006 | 0.002 | 0.087 | 99.816 |
© 2020 by the authors. Licensee MDPI, Basel, Switzerland. This article is an open access article distributed under the terms and conditions of the Creative Commons Attribution (CC BY) license (http://creativecommons.org/licenses/by/4.0/).
Share and Cite
Lu, Z.; Zhao, J.-Y.; Zhou, C.-Y.; He, X.-H. Optimization Design of a Small-Sized Cruciform Specimen for Biaxial Fatigue Testing. Metals 2020, 10, 1148. https://doi.org/10.3390/met10091148
Lu Z, Zhao J-Y, Zhou C-Y, He X-H. Optimization Design of a Small-Sized Cruciform Specimen for Biaxial Fatigue Testing. Metals. 2020; 10(9):1148. https://doi.org/10.3390/met10091148
Chicago/Turabian StyleLu, Zheng, Jia-Yu Zhao, Chang-Yu Zhou, and Xiao-Hua He. 2020. "Optimization Design of a Small-Sized Cruciform Specimen for Biaxial Fatigue Testing" Metals 10, no. 9: 1148. https://doi.org/10.3390/met10091148
APA StyleLu, Z., Zhao, J.-Y., Zhou, C.-Y., & He, X.-H. (2020). Optimization Design of a Small-Sized Cruciform Specimen for Biaxial Fatigue Testing. Metals, 10(9), 1148. https://doi.org/10.3390/met10091148
