Fatigue Life Assessment of Revised Cope-Hole Details in Steel Truss Bridges
Abstract
1. Introduction
2. Fatigue Experiment of Revised Cope-Hole Details
2.1. Specimen Details
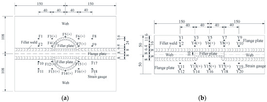
2.2. Installation of Strain Gauges
2.3. Testing and Loading Scheme
3. Finite Element Analysis of Revised Cope-Hole Detail
3.1. Modeling and FEA Results
3.2. Analysis of Static Test Results
3.3. Strain Comparisons
4. Fatigue Test Results and Comparisons
4.1. Fatigue Failure Process
4.2. Strain Results of Fatigue Tests
4.3. Fatigue Life Analysis
5. Conclusions
Author Contributions
Funding
Conflicts of Interest
Data Availability Statement
References
- Aygül, M.; Bokesjö, M.; Heshmati, M.; Al-Emrani, M. A comparative study of different fatigue failure assessments of welded bridge details. Int. J. Fatigue 2013, 49, 62–72. [Google Scholar] [CrossRef]
- Cui, C.; Bu, Y.Z.; Zhang, Q.H. Fatigue life assessment of orthotropic steel deck plate based on hot spot stress method. Bridge Constr. 2014, 44, 62–65. [Google Scholar]
- Deng, Y.; Ding, Y.L.; Li, A.Q. Fatigue reliability assessment for welded details of steel box girders using long-term monitoring data: Fatigue reliability indices. China Civ. Eng. J. 2012, 45, 86–87. [Google Scholar]
- Guo, T.; Li, A.Q. Fatigue life assessment of welds in bridge decks using long term monitoring data. China Civ. Eng. J. 2009, 42, 66–72. [Google Scholar]
- Jie, Z. Study on the Fatigue Performance of Welded Joints in Steel Bridges under Prior Corrosion and Complex Stress Fields. Ph.D. Thesis, Southwest Jiaotong University, Chengdu, China, 2015. [Google Scholar]
- Liao, P.; Wei, X.; Xiao, L.; Tang, J.S. Experimental research on the girder’s new detail fatigue performance of Hutong railway Yangtze river bridge. China Civ. Eng. J. 2016, 49, 76–83. [Google Scholar]
- Liao, P.; Xiao, L.; Wei, X.; Zhao, R.D.; Tang, J.S. Fatigue life prediction and parameter analysis of girder new detail. J. Southwest Jiaotong Univ. 2016, 51, 639–644. [Google Scholar]
- Liao, P. The Fatigue Performance Analysis on the Welded Detail of Cope Hole of the Ventral Rod of Steel Truss Bridge. Master’s Thesis, Southwest Jiaotong University, Chengdu, China, 2014. [Google Scholar]
- Liao, P.; Wang, Y.B.; Zhang, X.C.; Zhao, R.D.; Jia, Y.; Zhu, H.F. Fatigue life assessment and reliability analysis of cope-hole details in steel bridges. Balt. J. Road Bridge Eng. 2020, 15, 26–46. [Google Scholar] [CrossRef]
- Radaj, D.; Sonsino, C.M.; Fricke, W. Recent Developments in Local Concepts of Fatigue Assessment of Welded Joints. Int. J. Fatigue 2009, 31, 2–11. [Google Scholar] [CrossRef]
- Wei, X.; Li, J.; Qiang, S.Z. Fatigue test on the semirigid connections between railway floor beam and primary truss of long span steel truss arch bridges. China Civ. Eng. J. 2009, 45, 73–79. [Google Scholar]
- Aygül, M.; Al-Emrani, M.; Urushadze, S. Modeling and fatigue life assessment of orthotropic bridge deck details using FEM. Int. J. Fatigue 2012, 40, 129–142. [Google Scholar] [CrossRef]
- Miki, C.; Tateishi, K. Fatigue strength of cope hole details in steel bridges. Int. J. Fatigue 1997, 19, 445–455. [Google Scholar] [CrossRef]
- Park, W.; Miki, C. Fatigue assessment of large-size welded joints based on the effective notch stress approach. Int. J. Fatigue 2008, 30, 1556–1568. [Google Scholar] [CrossRef]
- Aygül, M. Fatigue Analysis of Welded Structures Using the Finite Element Method. Master’s Thesis, Chalmers University of Technology, Gothenburg, Sweden, 2012. [Google Scholar]
- Wei, X.; Xiao, L.; Tang, J.S. Fatigue Performance of Welded Detail at Connection between Web Member and Full-welded Joint in Steel Truss Bridge. J. China Railw. Soc. 2018, 40, 110–116. [Google Scholar]
- European Committee for Standardization (CEN). EN 1993-1-9. Eurocode3: Design of Steel Structures, Part 1–9: Fatigue; European Standards: Brussels, Belgium, 2005.
- IIW. Recommendations for Fatigue Design of Welded Joints and Components, IIW-1823-07; International Institute of Welding: Paris, France, 2008.
- Wei, X.; Xiao, L.; Pei, S. Fatigue assessment and stress analysis of cope-hole details in welded joints of steel truss bridge. Int. J. Fatigue 2017, 100, 136–147. [Google Scholar] [CrossRef]
- Stallmeyer, J.E.; Fisher, W.E. Behavior of Welded Build-Up Beams under Repeated Loads; University of Illinois at Urbana-Champaign: Urbana, IL, USA, 1958. [Google Scholar]
- Xiao, Z.; Yamada, K. Fatigue strength of intersecting attachments. J. Struct. Eng. 2005, 131, 924–932. [Google Scholar] [CrossRef]
- Heshmati, M. Fatigue Life Assessment of Bridge Details Using Finite Element Method. Master’s Thesis, Chalmers University of Technology, Gothenburg, Sweden, 2012. [Google Scholar]
- JSSC. Fatigue Design Recommendations for Steel Structures; Japanese Society of Steel Construction: Tokyo, Japan, 2012.
- Chen, Y.X.; Lu, P.M.; Guo, C.J.; Li, D.T.; Wang, B.H. Study on fatigue performance of orthotropic steel bridge deck U-rib and cover weld structure. J. Chang’an Univ. 2014, 31, 49–55. [Google Scholar]
















| Yield Strength (MPa) | Ultimate Tensile Strength (MPa) | Elongation (%) | Chemical Composition (wt.%) | ||||||
|---|---|---|---|---|---|---|---|---|---|
| C | Si | Mn | P | S | V | Nb | |||
| 345 | 470–630 | 22 | 0.2 | 0.55 | 1–1.6 | 0.035 | 0.035 | 0.02–0.15 | 0.015–0.06 |
| Number | Corresponding Number | Number | Corresponding Number |
|---|---|---|---|
| F3(+) | F19 | F15(+) | F27 |
| F4(+) | F20 | F16(+) | F28 |
| F5(+) | F21 | Y4(+) | Y21 |
| F6(+) | F22 | Y6(+) | Y22 |
| F7(+) | F23 | Y8(+) | Y23 |
| F12(+) | F24 | Y13(+) | Y24 |
| F13(+) | F25 | Y15(+) | Y25 |
| F14(+) | F26 | Y17(+) | Y26 |
| Specimen Number | Stress Amplitude (MPa) | Load Amplitude (kN) | Loading Frequency (Hz) |
|---|---|---|---|
| CHT1 | 99 | 54.20~542.00 | 3.00 |
| CHT2 | 90 | 49.28~492.80 | 3.00 |
| CHT3 | 63 | 34.50~345.00 | 3.20 |
| Level | 34.50~345.00 | 49.28~492.80 | 54.20~542.00 |
|---|---|---|---|
| 1 | 34.50 | 49.28 | 54.20 |
| 2 | 100.00 | 140.00 | 150.00 |
| 3 | 180.00 | 240.00 | 250.00 |
| 4 | 260.00 | 340.00 | 350.00 |
| 5 | 345.00 | 492.80 | 542.00 |
| Code | Measured Value/με | FEA/με | Difference/% | Code | Measured Value/με | FEA/με | Difference/% |
|---|---|---|---|---|---|---|---|
| F1 | 368 | 322 | 14 | Y4 | 276 | 354 | 22 |
| F2 | 356 | 325 | 10 | Y6 | 316 | 364 | 13 |
| F5 | 470 | 507 | 7 | Y8 | 272 | 354 | 23 |
| F8 | 374 | 322 | 16 | Y24 | 294 | 369 | 20 |
| F9 | 370 | 325 | 14 | Y26 | 290 | 369 | 21 |
| F10 | 392 | 325 | 21 | F25 | 336 | 374 | 10 |
| F14 | 572 | 507 | 13 | F26 | 330 | 349 | 6 |
| F17 | 374 | 325 | 15 | F27 | 408 | 374 | 9 |
| F18 | 386 | 322 | 20 | F28 | 344 | 368 | 7 |
| F20 | 412 | 368 | 12 | F22 | 394 | 374 | 5 |
| Code | Previous Welded Details (με) | Revised Cope-Hole Details (με) | Difference (%) | ||
|---|---|---|---|---|---|
| Flat Surface | Slotting Surface | Flat Surface | Slotting Surface | ||
| F21 | 716 | 349 | 507 | 51 | 29 |
| Y8 | 434 | 354 | 369 | 18 | 15 |
| Y22 | 492 | 364 | 395 | 18 | 14 |
| Code | Stress Amplitude | Fatigue Loading Cycles (×104) | Average Fatigue Loading Cycles (×104) | ||
|---|---|---|---|---|---|
| 30 mm | 60 mm | 30 mm | 60 mm | ||
| Ts11 | 63 | 158.7 | 200.1 | 145.8 | 169.6 |
| Ts12 | 63 | 136.5 | 159.8 | ||
| Ts13 | 63 | 142.3 | 148.8 | ||
| Ts21 | 81 | 84.5 | 88.9 | 82.3 | 88.6 |
| Ts22 | 81 | 76.4 | 86.9 | ||
| Ts23 | 81 | 85.9 | 90.1 | ||
| Ts31 | 99 | 42.5 | 45.2 | 43.8 | 46.0 |
| Ts32 | 99 | 46.2 | 48.2 | ||
| Ts33 | 99 | 42.7 | 44.6 | ||
| Code | Stress Amplitude | Fatigue Loading Cycles (×104) | |
|---|---|---|---|
| 30 mm | 60 mm | ||
| CHT1 | 63 | 211.7 | 224.7 |
| CHT2 | 81 | 111.9 | 120.8 |
| CHT3 | 99 | 73.6 | 78.1 |
© 2020 by the authors. Licensee MDPI, Basel, Switzerland. This article is an open access article distributed under the terms and conditions of the Creative Commons Attribution (CC BY) license (http://creativecommons.org/licenses/by/4.0/).
Share and Cite
Liao, P.; Qu, B.; Huang, Y.; Jia, Y.; Wang, Y.; Zhu, H. Fatigue Life Assessment of Revised Cope-Hole Details in Steel Truss Bridges. Metals 2020, 10, 1092. https://doi.org/10.3390/met10081092
Liao P, Qu B, Huang Y, Jia Y, Wang Y, Zhu H. Fatigue Life Assessment of Revised Cope-Hole Details in Steel Truss Bridges. Metals. 2020; 10(8):1092. https://doi.org/10.3390/met10081092
Chicago/Turabian StyleLiao, Ping, Bing Qu, Yaolong Huang, Yi Jia, Yongbao Wang, and Haifeng Zhu. 2020. "Fatigue Life Assessment of Revised Cope-Hole Details in Steel Truss Bridges" Metals 10, no. 8: 1092. https://doi.org/10.3390/met10081092
APA StyleLiao, P., Qu, B., Huang, Y., Jia, Y., Wang, Y., & Zhu, H. (2020). Fatigue Life Assessment of Revised Cope-Hole Details in Steel Truss Bridges. Metals, 10(8), 1092. https://doi.org/10.3390/met10081092

