Next Article in Journal
A Review of Wear in Additive Manufacturing: Wear Mechanism, Materials, and Process
Previous Article in Journal
The Preparation of MoS2/Metal Nanocomposites Functionalized with N-Oleoylethanolamine: Application as Lubricant Additives
 
 
Font Type:
Arial Georgia Verdana
Font Size:
Aa Aa Aa
Line Spacing:
Column Width:
Background:
Article

Assessment of Hydraulic Oil Properties during Operation of a Mini Loader

by
Diego Andrés Duque-Sarmiento
* and
Daysi Alexandra Baño-Morales
Grupo de Ingeniería Automotriz, Movilidad y Transporte (GiAUTO), Carrera de Ingeniería Automotriz-Campus Sur, Universidad Politécnica Salesiana, Quito 170702, Ecuador
*
Author to whom correspondence should be addressed.
Lubricants 2024, 12(9), 320; https://doi.org/10.3390/lubricants12090320
Submission received: 1 August 2024 / Revised: 10 August 2024 / Accepted: 14 August 2024 / Published: 17 September 2024

Abstract

This study employs a rigorous methodology to assess the condition of the hydraulic oil in a recently introduced mini skid-steer loader. The assessment is conducted through laboratory analysis, which adheres to a range of international standards. The objective is to provide accurate insights into the viscosity, particle count, and characterisation of the oil, along with thermographic data. The friction of oil is evaluated at specific time points: 0, 10, 100, 125, and 150 h of operation. This examination offers a comprehensive insight into the alterations in oil characteristics during a pivotal period when machine components are undergoing initial consolidation and abrasion to attain the factory-defined performance thresholds. The principal aim of this research is to provide valuable insights into the wear of oil and hydraulic system components through an in-depth analysis of a range of variables. Moreover, the investigation aims to ascertain the impact of this factor on the temperature elevation of system components and accessories to formulate enhanced technical guidelines for implementation. The main results indicate the presence of particles in the oil, resulting in a cleanliness code of 23/21/13, which exceeds the permissible threshold of 20/18/15 specified in ISO 11171. In addition, hydraulic oil shows a viscosity instability of more than 10% due to moisture absorption, leading to wear of mechanical components composed of iron, nickel, copper, zinc, and silicon. This deterioration is corroborated by thermographic evaluations, which reveal a considerable temperature increase in components such as cylinders and system accessories.

1. Introduction

A variety of machinery is employed in construction and road projects, with the mini loader being one of the most prevalent [1,2]. These devices are utilised for the transportation of substantial or unwieldy building materials. In contrast to the backhoe loader, mini loaders are not designed for excavation. Instead, they are equipped with a large bucket at the front end for lifting and moving materials [3]. Mini loaders are powered by internal combustion engines and are particularly well-suited for high-power, high-load operations, although the fuel consumption is notable. The loader is designed to operate effectively under heavy loads; however, it is also necessary for it to be capable of adapting to the frequent starting and stopping conditions that are typical of its working environment. Accordingly, the principal components of the loader are susceptible to failure [4]. Hydraulic systems are employed for the transfer of energy through a process of conversion, whereby mechanical energy is transformed into fluid energy and subsequently returned to mechanical energy. Consequently, they represent an indispensable component of construction machinery [5,6]. In light of the growing urgency surrounding global warming and environmental pollution, the topic of energy conservation in construction machinery has assumed significant importance. It is, however, common practice for the majority of loaders, excavators, and other heavy machinery to waste a considerable amount of energy, thereby causing significant environmental contamination [7]. Hydraulic systems are often exposed to solid particles and fluid contamination, which can result in accelerated wear and failure of components. A lack of maintenance of hydraulic systems is the primary cause of component and system failure [5]. A comprehensive analysis of the hydraulic system operations reveals that the overall reliability of the system and its individual components hinges upon a multitude of interrelated factors, including but not limited to pressure, flow, temperature, viscosity, and the presence of particulate contaminants. In a statement to the press, Dave Douglass, director of training and education at Muncie Power Products, Muncie Inc., asserted that 70–90% of hydraulic system failures can be attributed to contaminated oil [8].
The term ‘maintenance’ is often understood as a process of rectifying deficiencies in a product’s ability to perform its intended functions [9]. The specification, procurement, and lifecycle handling of lubricants for machinery are processes that require careful consideration due to the complex nature of these products [10]. They serve the function of lubricants, reducing the friction between moving engine parts. In addition, they dissipate heat from mechanical components and impede the corrosion process [11]. The cost of oil products represents a significant financial investment in machinery components that require monitoring and corrective maintenance to ensure optimal reliability [12]. In order to achieve the greatest possible usable life from in-service lubricants, periodic sampling and testing are required. Consequently, the majority of equipment maintenance programmes incorporate some form of routine lubricant condition monitoring [13,14].
This paper outlines the various physical and chemical analyses employed to assess oil conditions, including the evaluation of total acid number (TAN), total base number (TBN), viscosity measurements, and a range of spectroscopic methods. Moreover, this paper examines the impact of temperature and pressure fluctuations on the properties of hydraulic oils during the initial stages of their operation.
Thermography represents a valuable technique for the evaluation of heavy machinery and stationary equipment, providing insights into potential defects and premature wear that would otherwise remain undetected. This information enables prompt intervention to mitigate the risk of damage. Infrared thermography, a non-destructive monitoring method, is frequently employed to identify mechanical and hydraulic issues resulting from the overheating of machine components [15]. One primary benefit of thermography lies in its ability to conduct inspections rapidly and non-invasively, without causing damage to the equipment. Furthermore, thermal imaging cameras are capable of assessing hydraulic equipment without direct physical contact, even when the equipment or components are operational. This capability permits the exact detection and analysis of potential issues with enhanced accuracy [16].
The principal empirical factor contributing to the occurrence of anomalous hydraulic oil conditions in earth-moving machinery can be attributed to a rise in wear particles, which correlates with a decline in viscosity [1]. Likewise, it is evident that the increased particulate matter resulting from friction wear at temperatures of 40 °C in hydraulic systems leads to a notable reduction in hydraulic efficiency. This finding is supported by evidence presented in references [17,18].
In recent years, notable advancements have been made in the field of oleo hydraulic system degradation research, particularly with regard to viscosity and particle accumulation from a predictive maintenance standpoint. Even the manufacturer’s manuals recommend the implementation of predictive maintenance procedures for newly installed equipment. Nevertheless, there are significant gaps in our comprehension of the thermal effects on hydraulic system components. For example, the relationship between the deterioration of hydraulic oil and the subsequent increase in system temperature has not been the subject of extensive investigation. The dearth of research on new equipment in developing countries such as Ecuador results in elevated preventive maintenance costs and diminished operational efficiency. This study aims to address the aforementioned gap by examining specific components of hydraulic systems that are susceptible to deterioration and the thermal consequences of such deterioration. This will facilitate a more comprehensive understanding of the impact of this degradation on operational effectiveness and maintenance costs.
The objective is to examine the impact of hydraulic oil degradation on the performance and lifespan of hydraulic system components in construction equipment. The research concentrates on investigating the impact of component deterioration and thermal alterations resulting from oil deterioration on operational efficacy. By examining the relationship between oil degradation, system temperature elevation, and equipment performance, the present investigation aims to provide insights for the enhancement of predictive and preventive maintenance practices.
This investigation presents an innovative methodology to address the research gap concerning the thermal impacts on hydraulic system components in new machinery, particularly in developing countries such as Ecuador. It differs from previous research in that it focuses on the initial operating hours of hydraulic oil, rather than on broader hydraulic systems or well-established equipment. The objective is to evaluate the influence of thermal conditions on component deterioration during this pivotal phase. The implementation of advanced methods, such as infrared thermography and particle spectroscopic analysis, facilitates a more precise understanding of the degradation of oil and its subsequent effects on operational efficiency. This provides a basis for the improvement of predictive maintenance programmes and the reduction of maintenance and repair costs associated with construction machinery.

2. Materials and Methods

2.1. Materials

The mini loader XC740K was selected for its versatility and extensive availability throughout the country, particularly within the construction industry for the undertaking of road maintenance tasks. Table 1 provides an overview of the specifications of the mini loader employed in this research project, as referenced in [19,20]. The earth-moving machine is operated at an elevation of 2850 m above sea level with an average annual relative humidity of 70% in Quito, Ecuador.
The hydraulic fluid under examination in this research was MaxFluid ISO VG 32, a hydraulic oil classified as ISO VG 32, denoting its viscosity at 40 °C. Further details regarding the properties of the fluid can be found in Table 2. The hydraulic oil is formulated with aliphatic (paraffinic) and cycloaliphatic (naphthenic) hydrocarbons, which ensure thermal stability and superior performance across a range of hydraulic applications. The product may comprise a variety of components and specific additives, which serve to enhance its intrinsic properties. In doing so, it is capable of meeting or even exceeding the performance criteria set out by a number of different standards and specifications, including ISO 68, ISO 32, ASTM D6158-05 (HM Fluids), ISO 11158 HM, DIN 51524-3 HM (HM), SAE MS 1004 (HM), and others [21,22,23,24,25,26].
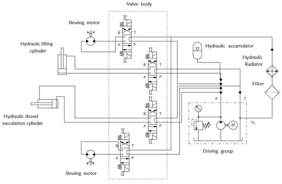
Figure 1 provides an illustration of the fundamental hydraulic system of the skid-steer loader. The system incorporates a 78-L hydraulic tank and a pump that draws hydraulic oil and delivers it at a pressure of 210 bar to the valve body. The valve body oversees the operation of the boom lifting cylinders, the shovel hydraulic cylinders, and the two travel motors situated at the front of the machinery. Additionally, a hydraulic pressure accumulator was identified, which is intended to store pressurised oil in the event of a decline in lifting cylinder pressure. In accordance with the manufacturer’s recommendations, it is recommended that the temperature of the hydraulic system be regulated to a maximum of 80 °C. This facilitates the maintenance of optimal system performance and the prevention of premature wear on the components [33].
Hydraulic oil analysis techniques encompass a range of instruments, including particle counters, spectrometers, microscopes, viscometers, and high-quality thermographic cameras. Table 3 provides an overview of the international standards, such as ASTM (American Society for Testing and Materials), and specifications for each oil analysis method.

2.2. Methodology

To guarantee the representativeness of the hydraulic oil samples, the equipment was operated for a period of 20 min prior to the extraction process. This operational duration allows the oil to attain a dynamic state, thereby providing a more accurate representation of its condition during practical usage. Three warming cycles were conducted on hydraulic actuators, including boom lift cylinders, bucket tilt cylinders, and drive motors. This process facilitated the thorough circulation of the oil, thereby providing an accurate depiction of the system’s condition, including any particles and contaminants present.
The samples were obtained through the utilisation of the vacuum extraction technique, colloquially termed the “vampire method” as shown in Figure 2. This entailed the extraction of oil from the hydraulic reservoir subsequent to the filtration process, employing plastic suction tubes and a vacuum pump [34]. Samples were collected at 0, 10, 100, 125, and 150 h into the operational cycle of the equipment, yielding 200 mL of oil for laboratory analysis at each interval.
As indicated in the Figure 3, the oil samples underwent meticulous evaluation in two separate laboratories to ensure accuracy and reliability. Initially, the analysis focused on quantifying particle numbers and categorizing contamination levels based on particle size and concentration. This assessment utilised a PAMAS S40 particle counter, meticulously calibrated to meet ISO 11171 standards [35] and conducted in accordance with ISO 4406 [36] guidelines. Subsequently, particulate matter underwent scrutiny using a BBScope microscope. The next phase involved assessing the oil’s condition by detecting and quantifying organic constituents through their absorption of infrared radiation at specific wavelengths. An infrared spectrophotometer was employed to determine the percentage of oxidation and sulfation in the hydraulic oil. The evaluation adhered to the standards specified in ASTM E2412 [37]. The third analysis revolved around measuring viscosity at 40 and 100 degrees Celsius using the VST-2000 automatic viscosity tester (Chongqing Gold Mechanical and Electrical Equipment CO., LTD, Chongqing, China) which is indicated in the Figure 4. This device operates effectively within temperatures ranging from 0 °C to 40 °C and humidity levels below 80%. The evaluation in this final phase followed the guidelines outlined in ASTM D445.
Thermographic Analysis: Conducted to ascertain the thermal behaviour of the system under investigation. To ensure that the skid-steer loader remains in optimal operational condition, a 15 min warm-up period was initiated at 3:00 p.m., which coincides with the city’s highest ambient temperature of approximately 23 °C. Subsequently, the equipment was idled, and the diesel engine was set to 3500 rpm for a period of 60 min. The subsequent step involved the utilisation of a thermographic camera for the assessment of all components within the hydraulic circuit. The camera is capable of detecting temperatures at the inlet, outlet, and within the body of the hydraulic system elements. This detailed analysis identified the areas that are most susceptible to temperature fluctuations. The measurements were taken at three key moments: at 10, 100, and 150 h of operation to compare and verify possible temperature increases in the bodies of the hydraulic system since the oil has suffered contamination by particles, water, and external agents, increasing the friction of the oil, allowing the temperature to remain constant and increasing, generating wear of the rings, seals, and erosion of the hydraulic pipes due to the small bending radii. The deployment of the FOTRIC 326M thermal imaging camera, renowned for its exceptional thermal sensitivity (NETD) of 40 mK (0.04 °C), extensive temperature ranges from −20 °C to 650 °C, and remarkable accuracy of ±2 °C or 2%, proved instrumental in conducting this comprehensive analysis.
Figure 5 delineates the analytical experimental methodology employed for the various samples and tests.

3. Results and Discussion

3.1. Viscosity Measurement Tests

The viscosity of the samples was evaluated in accordance with the ASTM D445 standard method. Viscosity is a pivotal physical attribute of lubricants, as it serves as an indicator of potential deterioration in engine oil resulting from oxidation, contamination, or fuel dilution. These factors have an impact on the overall condition and performance of the lubricant [11]. The results of the viscosity analysis for the two samples at 10 h and 100 h are presented in Table 4. The kinematic viscosity is determined by the flow time and the calibration factor of the instrument. The test is typically conducted at 40 °C and/or 100 °C, standardising the results and enabling comparison across different users.
It is generally accepted that increasing the service intervals for engine oil is a safe practice, provided that the viscosity of the oil in question remains within a range of ±10% of the viscosity of the new oil [3]. However, the current hydraulic oil exhibits a viscosity fluctuation more than 10%. As illustrated in Figure 6, the kinematic viscosity of the hydraulic oil increases during the initial operating hours. This initial phase may be characterised by the absorption of moisture, the formation of air bubbles, and a temporary increase in viscosity. Moreover, the wear of hydraulic system components at the outset can result in the introduction of particulate contamination, which in turn causes the oil to thicken. As a consequence of the accumulation of use hours, the viscosity of the oil decreases over time due to the generation of cyclic heat, oxidation, and the breakdown of viscosity index improvers.

3.2. Electronic Particle Counting

It has been established that fine particulate contamination represents the primary cause of failure in hydraulic and lubrication systems with close tolerances [10]. The samples were evaluated in accordance with the ISO 11171:1999/ISO 4406 standard methodology. The ISO 4406 cleanliness code employs a categorisation system based on particle size, with contamination divided into three distinct brackets. The particle sizes in question are 4 microns (μm), 6 microns (μm), and 14 microns (μm). A code range is assigned to each size range, representing the particle concentration level. The aforementioned numerical values are derived from the particle count per millilitre of fluid and are delineated in a concentration range table. The cleanliness code for 0 h MaxFluid ISO VG 32 oil is 18/14/13, as determined by the ISO 11171:1999/ISO 4406 standard method.
In the context of new hydraulic fluids designed for heavy machinery, the maximum allowable cleanliness level code, as per ISO 11171 standards, is set at 20/18/15. However, the cleanliness codes recorded in this research, detailed in Table 5 and Table 6, exceed this benchmark, indicating that the oil is contaminated to an excessive degree under the prevailing operational conditions. It is noteworthy that the contamination of the oil becomes significant after 100 h of operation, with an increase in the size of particulates of 4, 6, and 10 microns as the operating hours increase. This has a considerable impact on the efficiency of the machinery.

3.3. Analysis of Metal Particles

To ensure the most accurate and reliable results, the oil samples were evaluated in two distinct laboratories, utilising disparate techniques. The ASTM D5185 standard [38] method entails the examination of additive elements, wear metals, and contaminants in both used and unused lubricating oils and base oils through the use of inductively coupled plasma atomic emission spectrometry (ICP-AES). In contrast, the ASTM D6595 [39] standard method is concerned with the detection of wear metals and contaminants in used lubricating oils and hydraulic fluids through rotating disc electrode atomic emission spectroscopy (RDE-AES). A comprehensive list of the identified elements can be found in Table 7, Table 8, Table 9 and Table 10.
In contrast to the RDE, an ICP does not incorporate the presence of macroscopic particles in the final results. The range of particle sizes that can be detected is narrower than that of the RDE, resulting in a lower absolute amount of a particular metal (measured in parts per million, ppm).
A variety of materials are employed in the construction of hydraulic circuit components, including steel, iron (Fe), chromium (Cr), nickel (Ni), copper (Cu), zinc (Zn), and silicon (Si). Steel is a material that is highly prized for its robustness and is therefore a prevalent choice in the construction of hydraulic cylinders, pumps, and valves. The application of iron and chromium is a common method of enhancing the durability of valve body rings and cylinder rods. Nickel and copper, renowned for their corrosion resistance and longevity, are frequently integrated into dynamic hydraulic systems, appearing in components such as valve spools, vanes, and hydraulic pump discs. Zinc serves as a protective anti-wear layer for iron and steel components. Lastly, silicon is utilised in the manufacture of seals, gaskets, hoses, and tubes due to its ability to withstand high temperatures, chemical stability, and flexibility. All these materials are present in the oil, as shown in Figure 7.
In Figure 8, certain metals, such as copper, have been observed to possess catalytic properties that facilitate the oxidative breakdown of lubricants. Conversely, metals such as zinc may exhibit corrosive properties when in contact with silver components of machinery, including bearings and bushings.

3.4. Infrared Spectroscopy (IR)

Infrared spectroscopy employs the analysis of light energy absorption at specific wavelengths to identify and quantify specific molecules. ASTM E2412 is concerned with the infrared analysis of used lubricating fluids. The following results were obtained using an FTIR spectrophotometer with a microscope. The instrument used was a Perkin Elmer Spectrum 100/Spotlight 200. The spectrum was acquired in the range of 4000–650 cm−1 using the HATR accessory, with 16 scans.
As illustrated in Figure 9, the presence of water results in discernible contamination, particularly around 3400 cm−1, due to the absorption of the O-H band in water. Moreover, the degradation of lubricants is a consequence of oxidation, nitration, and sulphation. The process of oxidation can be identified by the absorption of the C=O band from carbonyl compounds at 1720 cm−1. The presence of nitration is indicated at 1630 cm−1 and 1540 cm−1, attributable to the N-O bands. Conversely, the detection of sulfonation is discernible at 1150 cm−1 and 1120 cm−1, as a consequence of the S=O bands of sulfonic compounds. The primary processes of oxidation and nitration occur in petroleum oils upon exposure to oxygen- and nitrogen-based compounds in the surrounding environment. The interaction of oxygen with hydrocarbons within the oil results in the oxidation process and the formation of a range of degradation byproducts, including acids, sludge, and varnish. Nitration occurs when nitrogen-containing compounds, which may exist as impurities or additives, undergo a chemical reaction with the hydrocarbons present in oil. The chemical process generates nitro compounds that can contribute to the degradation of oil and pose a risk of harming engine components. The dual mechanisms in question have the potential to negatively impact the efficiency and longevity of petroleum-based oils.

3.5. Analysis Thermographic

In the course of the tests conducted at 10, 100, and 150 h of operation of the skid-steer loader, a thermal camera was employed to detect thermal patterns within the infrared wavelength spectrum without direct contact with the equipment [16]. An increase in the static no-load operating temperature was observed in critical components of the hydraulic system, including the hydraulic pump, boom lift cylinders, bucket tilt cylinders, and solenoids. These components were found to encompass their inlet piping, bodies, and outlet piping. The data presented in Table 11 indicate a correlation between the degradation and contamination of the hydraulic oil during the initial operational hours and the subsequent elevation of the component temperatures. This elevated temperature presents a risk of potential future damage, as detailed in the Section 3.
The thermographic analysis findings shown in Figure 9 indicate a persistent elevation in temperature across a range of sections within the hydraulic system when the current oil is in use over an extended period of time. It is notable that the critical areas, particularly the acute angles of the hydraulic pipes, have been observed to exceed the manufacturer’s recommended maximum temperature of 80 degrees Celsius. The deterioration of internal pipe surfaces is caused by the intensified fluid flow within narrow curvature radii, which results in hydraulic oil contamination [40]. Additionally, the deposition of zinc (Zn) particles, which are typically present in seals and hoses, contributes to this process. As illustrated in Figure 10 and Figure 11, the extension and retraction pipes of the hydraulic cylinders within the boom experience an elevation in temperature of approximately 60 °C. This increase in temperature is associated with the presence of minimal curvature radii, which are below 10 cm in these specific instances.
Atypical temperature fluctuations have been observed in various components, including the hydraulic pump. The initial temperature reading was 21 °C after 10 h of operation, but this increased to 38.5 °C after 150 h. Similarly, the hydraulic cylinders of the boom displayed a temperature of 37.5 °C after 10 h, which increased to 45.0 °C after 150 h. These fluctuations in temperature are especially worrisome during the initial phase of equipment operation when it is stationary, as illustrated in Figure 12, Figure 13, Figure 14 and Figure 15.

4. Conclusions

The quantitative data collected in the study unequivocally demonstrate that examining the kinematic viscosity of the hydraulic oil, quantifying particulate matter, and tracking wear levels in metallic components provide precise assessments of the mini loader’s hydraulic system status and efficiency.
As indicated in Table 4, a significant rise in kinematic viscosity was observed within the initial 10 h of oil usage. It is important to note that as the oil degrades, it generates decomposition byproducts such as ketones, esters, and carboxylic acids, all of which feature carbonyl groups (C=O). The incorporation of carboxylic acids plays a vital role in the acidification of the oil and the depletion of its alkaline reserve. Prolonged oxidation of the oil can lead to potential corrosion and an increase in viscosity. It is essential to recognise that the introduction of the mini loader, a new piece of equipment, inevitably initiates the initial breakdown of components, subsequently causing the oil to thicken further.
In the initial 150 h of operation, a notable reduction in the kinematic viscosity of the oil at 40 °C was observed, declining from 80.63 mm2/s to 38.23 mm2/s. This reduction in viscosity has an adverse effect on the lubrication capacity of the system, resulting in increased wear and potential damage to the components.
The usage of materials such as iron (Fe), nickel (Ni), copper (Cu), and zinc (Zn) in pumps and actuators, including hydraulic cylinders for blade lifting and tilting, has surged. This increase has led to a rise in temperature within these components, as evidenced by the thermal images shown in Figure 12, Figure 13, Figure 14 and Figure 15. After 100 h of hydraulic oil operation, a 5% rise in oxidation and a 14% increase in nitration were observed. These chemical changes give rise to organic acids and resinous compounds, causing heightened oil viscosity and increased friction among the system’s moving parts. This process ultimately diminishes the oil’s lubricating efficiency, hindering heat dissipation and the safeguarding of metal components.
Thermal analysis of hydraulic components indicates that as the hydraulic oil degrades and becomes contaminated, the temperature of the components increases. To address this issue, it is recommended that the hydraulic oil be improved by incorporating nanofluids. This improvement results in an elevated thermal conductivity, which in turn enhances the cooling efficiency of hydraulic components in heavy machinery. Metal oxide nanoparticles (Al2O3, CuO, and ZnO), as well as molybdenum disulphide (MoS2), when suspended in the oil form a nanofluid with better thermal and lubricating properties than conventional oils. This improvement facilitates efficient temperature regulation of hydraulic components [41]. Similarly, the thermographic analysis indicated that the hydraulic pipes with tight bending radii represent the system’s most critical areas. The specific pipes in question have the potential to reach temperatures as high as 60 °C, which can result in heightened wear due to internal erosion and contribute to system contamination. It is therefore recommended that pipes exhibiting erosion resistance be selected during the design and selection process in order to mitigate this concern.
The present study, which is supported by technical evidence, puts forth a revised maintenance schedule for new equipment. Typically, hydraulic oil changes occur every 2000 to 6000 operating hours; however, the recommendation now suggests an initial change after 100 h. The objective of this modification is to minimise the accumulation of particulate matter resulting from the settling and wear of machine components in accordance with the specifications set out by the factory. It is anticipated that the longevity of the equipment will be significantly enhanced by the adoption of this approach.
In the course of developing this article, we have identified a number of constraints that have shaped our research. The challenging climatic conditions in Quito, Ecuador, characterised by low temperatures at an altitude of 2850 m above sea level, presented a significant obstacle. Moreover, the actions of individuals operating the mini loader also had an impact on the results.
Future research endeavours should delve into geographical diversification to investigate the deterioration of oil and hydraulic system components across various regions throughout the country. Furthermore, integrating cutting-edge maintenance technologies such as smart sensors and real-time data analysis can notably enhance the precision and efficacy of predictive maintenance approaches. Moreover, refining component design through the application of advanced materials and methodologies can mitigate wear and enhance operational efficiency, particularly in high-temperature settings and rigorous operational scenarios. These research pathways aim to advance the knowledge surrounding the maintenance and operation of heavy machinery, with a specific emphasis on mini loaders.

Author Contributions

Conceptualization, D.A.D.-S. and D.A.B.-M.; methodology, D.A.D.-S.; software, D.A.D.-S. and D.A.B.-M.; validation, D.A.D.-S. and D.A.B.-M.; formal analysis, D.A.D.-S.; investigation, D.A.D.-S. and D.A.B.-M.; resources, D.A.D.-S. and D.A.B.-M.; data curation, D.A.D.-S. and D.A.B.-M.; writing—original draft preparation, D.A.D.-S. and D.A.B.-M.; writing—review and editing, D.A.D.-S. and D.A.B.-M.; visualization, D.A.D.-S. and D.A.B.-M.; supervision, D.A.D.-S. project administration, D.A.D.-S. and D.A.B.-M.; funding acquisition, D.A.D.-S. and D.A.B.-M. All authors have read and agreed to the published version of the manuscript.

Funding

This research received no external funding.

Data Availability Statement

The authors declare the availability of the data and authorship of the data.

Conflicts of Interest

The authors declare no conflicts of interest.

References

  1. Jeon, H.G.; Kim, J.K.; Na, S.J.; Kim, M.S.; Hong, S.H. Application of Condition Monitoring for Hydraulic Oil Using Tuning Fork Sensor: A Study Case on Hydraulic System of Earth Moving Machinery. Materials 2022, 15, 7657. [Google Scholar] [CrossRef] [PubMed]
  2. Shehadeh, A.; Alshboul, O.; Tatari, O.; Alzubaidi, M.A.; Salama, A.H.E.-S. Selection of heavy machinery for earthwork activities: A multi-objective optimization approach using a genetic algorithm. Alex. Eng. J. 2022, 61, 7555–7569. [Google Scholar] [CrossRef]
  3. Rajabi, T. Reducing the Costs of Using Construction Machinery by Using the Oil Condition Monitoring Technique. J. Civ. Eng. Mater. Appl. 2022, 6, 221–228. [Google Scholar] [CrossRef]
  4. Wang, H.; Yang, S.; Lu, T. Mechanical Transmission System Of Loader Based On Hydraulic Hybrid Technology. Therm. Sci. 2021, 26, 4233–4240. [Google Scholar] [CrossRef]
  5. Khayal, O. Study of Failure in Hydraulic Systems. Master’s Thesis, Nile Valley University, Atbara, Sudan, 2014; pp. 1–98. [Google Scholar] [CrossRef]
  6. Ma, J. Method of hydraulic control detection and fault diagnosis of construction machinery based on machine learning. Soft. Comput. 2023, 1, 1–9. [Google Scholar] [CrossRef]
  7. Zhang, W.; Zhou, J.; Zhang, Y.; Huang, P.; Deng, J. Energy-saving analysis in the hydraulic system of loader working device. Int. J. Comput. Appl. Technol. 2012, 45, 106–114. [Google Scholar] [CrossRef]
  8. Jocanović, M.; Šević, D.; Karanović, V.; Beker, I.; Dudić, S. Increased Efficiency of Hydraulic Systems Through Reliability Theory and Monitoring of System Operating Parameters. Stroj. Vestn. J. Mech. Eng. 2012, 58, 281–288. [Google Scholar] [CrossRef]
  9. 13306; 2010—Maintenance–Maintenance Terminology. British Standard Institution: London, UK, 1993.
  10. Toms, A.; Toms, L. Chemistry and Technology of Lubricants. In Chemistry and Technology of Lubricants; Springer: Dordrecht, The Netherlands, 2010. [Google Scholar] [CrossRef]
  11. Mujahid, A.; Dickert, F.L. Monitoring automotive oil degradation: Analytical tools and onboard sensing technologies. Anal. Bioanal. Chem. 2012, 404, 1197–1209. [Google Scholar] [CrossRef] [PubMed]
  12. University of Cape Town, Institute of Electrical and Electronics Engineers, South Africa. Automating predictive maintenance using oil analysis and machine learning. In Proceedings of the 2020 Pattern Recognition Association of South Africa Symposium, Cape Town, South Africa, 29–31 January 2020.
  13. Hong, S.H.; Jeon, H.G. Monitoring the Conditions of Hydraulic Oil with Integrated Oil Sensors in Construction Equipment. Lubricants 2022, 10, 278. [Google Scholar] [CrossRef]
  14. Ng, F.; Harding, J.A.; Glass, J. Improving hydraulic excavator performance through in line hydraulic oil contamination monitoring. Mech. Syst. Signal Process. 2017, 83, 176–193. [Google Scholar] [CrossRef]
  15. Popescu, T.C.; Marinescu, A.-D.; Popescu, A.I.; Popescu, A.-M.C. Thermographic Investigation of the Hydraulic Drive Systems. In Proceedings of the 2017 International Conference on Hydraulics and Pneumatics, Băile Govora, Romania, 8–10 November 2017. [Google Scholar]
  16. Fluke Corporation; Snell Group. Introduction to Thermography Principles; American Techinical Publisher: Orland Park, IL, USA, 2009. [Google Scholar]
  17. Stawiński, Ł.; Kosucki, A.; Cebulak, M.; Górski, A.G.V.; Grala, M. Investigation of the Influence of Hydraulic oil Temperature on the Variable-speed Pump Performance. Eksploat. Niezawodn. 2022, 24, 289–296. [Google Scholar] [CrossRef]
  18. Jasiński, R. Problems of the Starting and Operating of Hydraulic Components and Systems in low ambient Temperature. Pol. Marit. Res. 2009, 16, 61–72. [Google Scholar] [CrossRef]
  19. Xuzhou Construction Machinery Group Co., Ltd. Parts Manual Hydraulic and Mechanical System Mini Loader XC740K; XCMG: Stony Plain, AL, USA, 2023. [Google Scholar]
  20. Xuzhou Construction Machinery Group Co., Ltd. Operation and Maintenance Manual YC Diesel Engine XC740K; XCMG: Stony Plain, AL, USA, 2023. [Google Scholar]
  21. ISO 68-1:2023; ISO General Purpose Screw Threads—Basic and Design Profiles—Part 1: Metric Screw Threads. Asociación Española de Normalización: UNE: Madrid, Spain, 2023.
  22. ISO 32:1977; Gas Cylinders for Medical Use—Marking for Identification of Content. British Standard Institution: London, UK, 1977.
  23. ASTM D6158; Standard Specification for Mineral Hydraulic Oils. ASTM International: West Conshohocken, PA, USA, 2005.
  24. ISO 11158; Second Edition 2009-09-15 Corrected Version 2009-12-01, Lubricants, Industrial Oils and Related Products (Class L)—Family H (Hydraulic Systems)—Specifications for Categories HH, HL, HM, HV and HG. ISO: Geneva, Switzerland, 2009.
  25. DIN 51524-3:2017-06; Pressure Fluids—Hydraulic Oils—Part 3: HVLP Hydraulic Oils, Minimum Requirements. British Standard Institution: London, UK, 2017.
  26. Specification MS1004_200002; Lubricants, Industrial Oils, and Related Products Type H (Hydraulic Fluids). SAE International: Warrendale, PA, USA, 2000.
  27. ASTM D445-24; Standard Test Method for Kinematic Viscosity of Transparent and Opaque Liquids (and Calculation of Dynamic Viscosity). ASTM International: West Conshohocken, PA, USA, 2024.
  28. ASTM D2270-10; Standard Practice for Calculating Viscosity Index from Kinematic Viscosity at 40 °C and 100 °C. ASTM International: West Conshohocken, PA, USA, 2016.
  29. ASTM D4052-22; Standard Test Method for Density, Relative Density, and API Gravity of Liquids by Digital Density Meter. ASTM International: West Conshohocken, PA, USA, 2022.
  30. ASTM D97-17b(2022); Standard Test Method for Pour Point of Petroleum Products. ASTM International: West Conshohocken, PA, USA, 2022.
  31. ASTM D92-18; Standard Test Method for Flash and Fire Points by Cleveland Open Cup Tester. ASTM International: West Conshohocken, PA, USA, 2018.
  32. ASTM D664-18e2; Standard Test Method for Acid Number of Petroleum Products by Potentiometric Titration. ASTM International: West Conshohocken, PA, USA, 2024.
  33. Xuzhou Construction Machinery Group Co., Ltd. Operation and Maintenance Manual Mini Loader XC7 Series; XCMG: Stony Plain, AL, USA, 2023. [Google Scholar]
  34. Montijo-Valenzuela, M.E.E.; García-Gámez, M.L.; Espinoza-Zallas, M.F.A.; Borboa-Acosta, M.E.; Monteverde-Gutiérrez, I.O. Evaluación del Rendimiento de Tecnología de Nanofiltración de Aceite Lubricante Aplicado A Maquinaria Pesada, Mediante Análisis y Pruebas de Laboratorio Según Norma ISO 4406 [Online]. 2019. Available online: https://revistainvestigacionacademicasinfrontera.unison.mx/index.php/RDIASF/article/view/245 (accessed on 14 June 2024).
  35. ISO 11171; Fourth Edition, 2020-11, Hydraulic Fluid Power—Calibration of Automatic Particle Counters for Liquids. ISO: Geneva, Switzerland, 2020.
  36. ISO 4406; Fourth Edition, 2021-01 Hydraulic Fluid Power—Fluids—Method for Coding the Level of Contamination by Solid Particles. ISO: Geneva, Switzerland, 2021.
  37. ASTM E2412-10 (Reapproved 2018); Standard Practice for Condition Monitoring of In-Service Lubricants by Trend Analysis Using Fourier Transform Infrared (FT-IR) Spectrometry. ASTM International: West Conshohocken, PA, USA, 2018.
  38. ASTM D5185-18; Standard Test Method for Multielement Determination of Used and Unused Lubricating Oils and Base Oils by Inductively Coupled Plasma Atomic Emission Spectrometry (ICP-AES). ASTM International: West Conshohocken, PA, USA, 2018.
  39. ASTM D6595-17; Standard Test Method for Determination of Wear Metals and Contaminants in Used Lubricating Oils or Used Hydraulic Fluids by Rotating Disc Electrode Atomic Emission Spectrometry. ASTM International: West Conshohocken, PA, USA, 2022.
  40. ThermOmegaTech. The Importance of Temperature Control in Hydraulic and Lube Oil Systems [Online]. 2021. Available online: https://www.tot-ad.com/ (accessed on 14 June 2024).
  41. Jain, A.; Rizvi, I.H.; Ghosh, S.K.; Mukherjee, P.S. Analysis of nanofluids as a means of thermal conductivity enhancement in heavy machineries. Ind. Lubr. Tribol. 2014, 66, 238–243. [Google Scholar] [CrossRef]
Figure 1. Comprehensive diagram of hydraulic components in the XCMG mini loader.
Figure 1. Comprehensive diagram of hydraulic components in the XCMG mini loader.
Lubricants 12 00320 g001
Figure 2. Oil extraction using the vampire method.
Figure 2. Oil extraction using the vampire method.
Lubricants 12 00320 g002
Figure 3. Flowchart of the scientific study.
Figure 3. Flowchart of the scientific study.
Lubricants 12 00320 g003
Figure 4. Equipment used in oil analysis: (a) PAMAS S40 particle counter and (b) automatic viscosity tester VST-2000.
Figure 4. Equipment used in oil analysis: (a) PAMAS S40 particle counter and (b) automatic viscosity tester VST-2000.
Lubricants 12 00320 g004
Figure 5. Methodological diagram of the scientific study.
Figure 5. Methodological diagram of the scientific study.
Lubricants 12 00320 g005
Figure 6. Kinematic viscosity at varied analysis temperatures.
Figure 6. Kinematic viscosity at varied analysis temperatures.
Lubricants 12 00320 g006
Figure 7. (a) Solid particulate matter in (a) 10 h, (b) 100 h, and (c) 150 h.
Figure 7. (a) Solid particulate matter in (a) 10 h, (b) 100 h, and (c) 150 h.
Lubricants 12 00320 g007
Figure 8. Principal elements of wear metals in different time intervals of work.
Figure 8. Principal elements of wear metals in different time intervals of work.
Lubricants 12 00320 g008
Figure 9. FT-IR Spectrum for MaxFluid ISO VG 32 oil Samples at 0 h, 100 h, and 150 h.
Figure 9. FT-IR Spectrum for MaxFluid ISO VG 32 oil Samples at 0 h, 100 h, and 150 h.
Lubricants 12 00320 g009
Figure 10. Elevated temperature in a hydraulic hose with a bend radius of 8 cm: (a) actual capture; (b) thermographic capture.
Figure 10. Elevated temperature in a hydraulic hose with a bend radius of 8 cm: (a) actual capture; (b) thermographic capture.
Lubricants 12 00320 g010
Figure 11. Elevated temperature in a hydraulic hose with a bend radius of 10 cm: (a) actual capture; (b) thermographic capture.
Figure 11. Elevated temperature in a hydraulic hose with a bend radius of 10 cm: (a) actual capture; (b) thermographic capture.
Lubricants 12 00320 g011
Figure 12. Variation of the temperature at the inlet, outlet, and body of the hydraulic pump at different idle running hours: (a) 10 h; (b) 100 h; and (c) 150 h.
Figure 12. Variation of the temperature at the inlet, outlet, and body of the hydraulic pump at different idle running hours: (a) 10 h; (b) 100 h; and (c) 150 h.
Lubricants 12 00320 g012
Figure 13. Temperature variation in the inlet and body of the hydraulic boom cylinder at different idle operating hours: (a) 10 h; (b) 100 h; and (c) 150 h.
Figure 13. Temperature variation in the inlet and body of the hydraulic boom cylinder at different idle operating hours: (a) 10 h; (b) 100 h; and (c) 150 h.
Lubricants 12 00320 g013
Figure 14. Temperature variation in the inlet and body of the hydraulic shovel cylinder at different idle operating hours: (a) 10 h; (b) 100 h; and (c) 150 h.
Figure 14. Temperature variation in the inlet and body of the hydraulic shovel cylinder at different idle operating hours: (a) 10 h; (b) 100 h; and (c) 150 h.
Lubricants 12 00320 g014
Figure 15. Variation of the inlet and body temperature of the hydraulic solenoid at different idle operating hours: (a) 10 h; (b) 100 h; and (c) 150 h.
Figure 15. Variation of the inlet and body temperature of the hydraulic solenoid at different idle operating hours: (a) 10 h; (b) 100 h; and (c) 150 h.
Lubricants 12 00320 g015
Table 1. Performance parameters of mini loader under operational conditions.
Table 1. Performance parameters of mini loader under operational conditions.
ParameterUnitsValue
Nominal loadkg795
Operating weightkg2950
Rated powerCV75
Rated speedmin−12400
Hydraulic flowL/min79
Hydraulic pressureBar210
Hydraulic tank capacityl50
Table 2. Physicochemical properties of XCMG mini loader hydraulic oil.
Table 2. Physicochemical properties of XCMG mini loader hydraulic oil.
CharacteristicsMethodUnitsISO VG 32
Appearance--Clear and bright
Kinematic viscosity at 40 °CASTM D445 [27]mm2/s32
Kinematic viscosity at 100 °CASTM D445 [27]mm2/s5.45
Viscosity IndexASTM D2270 [28]-105
Density at 15 °CASTM D4052 [29]kg/m3865
Pour pointASTM D97 [30]°C<−20
Flash pointASTM D92 [31]°C>200
Acid NumberASTM D664 [32]mgKOH/g<1.5
Table 3. Equipment characteristics employed in the study.
Table 3. Equipment characteristics employed in the study.
EquipmentBrandModel
Thermographic cameraFotric (Santa Clara, CA, USA)346A
Particle counterPamas (Rütesheim, Germany)S40
SpectrophotometerFluidScan (Chelmsford, UK)1000
MicroscopeBbScope (Beijing, China)MV5000
Automatic kinematic viscosity testerChongqing Oil Purifier (Chongqing, China)VST-2000
Table 4. Viscosity analysis of oils at various operating hours according to ASTM D445.
Table 4. Viscosity analysis of oils at various operating hours according to ASTM D445.
CharacteristicsUnitsVG 32 Oil
0 (h)10 (h)100 (h)125 (h)135 (h)150 (h)
Kinematic viscosity at 40 °Cmm2/s3280.6376.0271.5546.7638.23
Kinematic viscosity at 100 °Cmm2/s5.4515.5926.9418.4211.586.901
Dynamic viscosity at 40 °CmPa·s27.6869.7465.7661.8940.4533.07
Dynamic viscosity at 100 °CmPa·s4.7113.4823.3015.9310.025.97
Table 5. Particle count in hydraulic oil at 10 and 100 h of operation.
Table 5. Particle count in hydraulic oil at 10 and 100 h of operation.
ISO
[μm]
10 h100 h
Number of Particles Greater than That Specified SizeParticle Count RangeCode RangeNumber of Particles Greater than That Specified SizeParticle Count RangeCode Range
437502500–50001926,71920,000–40,00022
6757640–13001777865000–10,00020
10148--1491--
144640–8013382320–64016
1823--103--
2115--56--
381--2--
500--0--
ISO 4406
Cleanliness Code
19/17/1322/20/16
Table 6. Particle count in hydraulic oil at 125 and 150 h of operation.
Table 6. Particle count in hydraulic oil at 125 and 150 h of operation.
ISO
[μm]
125 h150 h
Number of Particles Greater than That Specified SizeParticle Count RangeCode RangeNumber of Particles Greater than That Specified SizeParticle Count RangeCode Range
429,90120,000–40,0002251,07240,000–80,00023
622121300–25001813,21910,000–20,00021
10289--601--
1411080–160146940–8013
1853--23--
2132--14--
382--1--
501--0--
ISO 4406
Cleanliness Code
22/18/1423/21/13
Table 7. Metal content in the oil during the first 0 h.
Table 7. Metal content in the oil during the first 0 h.
ElementsMetal Content (ppm)
ElementNomenclatureASTM D5185ASTM D6595
BoronB00
ChromiumCr00
AluminiumAl00
CadmiumCd00
CopperCu00
ManganeseMn00.1
SodiumNa00
IronFe00
MolybdenumMo00
NickelNi00
PotassiumK00
MagnesiumMg00.1
SiliconSi01
CalciumCa3222
PhosphorusP297231
ZincZn371312
Table 8. Metal content in the oil during the first 10 working hours.
Table 8. Metal content in the oil during the first 10 working hours.
ElementsMetal Content (ppm)
ElementNomenclatureASTM D5185ASTM D6595
BoronB00.1
ChromiumCr00.1
AluminiumAl00.3
CadmiumCd00.1
CopperCu00.2
ManganeseMn00.3
SodiumNa00.4
IronFe10.5
MolybdenumMo20.8
NickelNi00.9
PotassiumK01.3
MagnesiumMg02.7
SiliconSi03.0
CalciumCa5127
PhosphorusP358360
ZincZn443425
Table 9. Metal content in the oil during the first 100 working hours.
Table 9. Metal content in the oil during the first 100 working hours.
ElementsMetal Content (ppm)
ElementNomenclatureASTM D5185ASTM D6595
BoronB00
ChromiumCr00.1
AluminiumAl10.5
CadmiumCd00
CopperCu31.7
ManganeseMn00.2
SodiumNa00.6
IronFe11.3
MolybdenumMo10
NickelNi00.5
PotassiumK01.2
MagnesiumMg03.2
SiliconSi33.9
CalciumCa5427
PhosphorusP429433
ZincZn497464
Table 10. Metal content in the oil during the first 125 and 150 working hours.
Table 10. Metal content in the oil during the first 125 and 150 working hours.
ElementsMetal Content (ppm)–ASTM D5185
ElementNomenclature125 h150 h
BoronB01
ChromiumCr11
AluminiumAl11
CadmiumCd00
CopperCu33
ManganeseMn00
SodiumNa12
IronFe12
MolybdenumMo00
NickelNi00
PotassiumK01
MagnesiumMg312
SiliconSi22
CalciumCa5865
PhosphorusP401437
ZincZn504527
Table 11. Increased temperatures of the hydraulic system components in connection with the degradation of the hydraulic fluid.
Table 11. Increased temperatures of the hydraulic system components in connection with the degradation of the hydraulic fluid.
ElementsSectionUnits10 h100 h150 h
Hydraulic pumpinlet°C21.031.238.5
outlet°C31.033.137.0
body°C40.345.744.3
Hydraulic boom cylinderinlet°C37.541.445.0
body°C32.137.443.1
Hydraulic shovel cylinderinlet°C29.536.644.0
body°C34.940.847.0
Solenoidinlet°C23.123.628.8
body°C17.620.526.6
Disclaimer/Publisher’s Note: The statements, opinions and data contained in all publications are solely those of the individual author(s) and contributor(s) and not of MDPI and/or the editor(s). MDPI and/or the editor(s) disclaim responsibility for any injury to people or property resulting from any ideas, methods, instructions or products referred to in the content.

Share and Cite

MDPI and ACS Style

Duque-Sarmiento, D.A.; Baño-Morales, D.A. Assessment of Hydraulic Oil Properties during Operation of a Mini Loader. Lubricants 2024, 12, 320. https://doi.org/10.3390/lubricants12090320

AMA Style

Duque-Sarmiento DA, Baño-Morales DA. Assessment of Hydraulic Oil Properties during Operation of a Mini Loader. Lubricants. 2024; 12(9):320. https://doi.org/10.3390/lubricants12090320

Chicago/Turabian Style

Duque-Sarmiento, Diego Andrés, and Daysi Alexandra Baño-Morales. 2024. "Assessment of Hydraulic Oil Properties during Operation of a Mini Loader" Lubricants 12, no. 9: 320. https://doi.org/10.3390/lubricants12090320

APA Style

Duque-Sarmiento, D. A., & Baño-Morales, D. A. (2024). Assessment of Hydraulic Oil Properties during Operation of a Mini Loader. Lubricants, 12(9), 320. https://doi.org/10.3390/lubricants12090320

Note that from the first issue of 2016, this journal uses article numbers instead of page numbers. See further details here.

Article Metrics

Back to TopTop