Effect of 3D Printing Orientation on the Accuracy and Surface Roughness of Polycarbonate Samples
Abstract
1. Introduction
- Achieving the expected geometric accuracy of the objects, which will allow, among other things, the appropriate adjustment of parts in the assembly process;
- Control of the production process by, among other things, selecting the optimum 3D printing parameters to achieve the expected assumptions related to the dimensional and shape accuracy and surface roughness;
- Avoiding the generation of a large amount of waste samples that do not meet the design assumptions;
- Avoiding time-consuming and often expensive post-processing and surface finishing methods to achieve the required specifications;
- Improvement in energy efficiency, achieved by adapting the technical parameters of the 3D printers to the designer’s recommendations;
- Optimization of 3D printing time, which may involve a reduction in the cost of manufacturing the model;
- Increasing the competitiveness of 3D printing methods in manufacturing functional components.
2. Materials and Methods
3. Results
3.1. Analysis of 3D Deviations and Inspection Sections
- Maximum (ymax) and minimum (ymin) deviations.
- Range (R), which is defined as the difference between the maximum and minimum values of the deviation (1), as follows:
- Mean deviation (ymean), which is determined by Equation (2), as follows:
- Standard deviation (σ), which is determined by Equation (3), as follows:
3.2. Analysis of Deviations of Linear Dimensions and Geometric Deviations
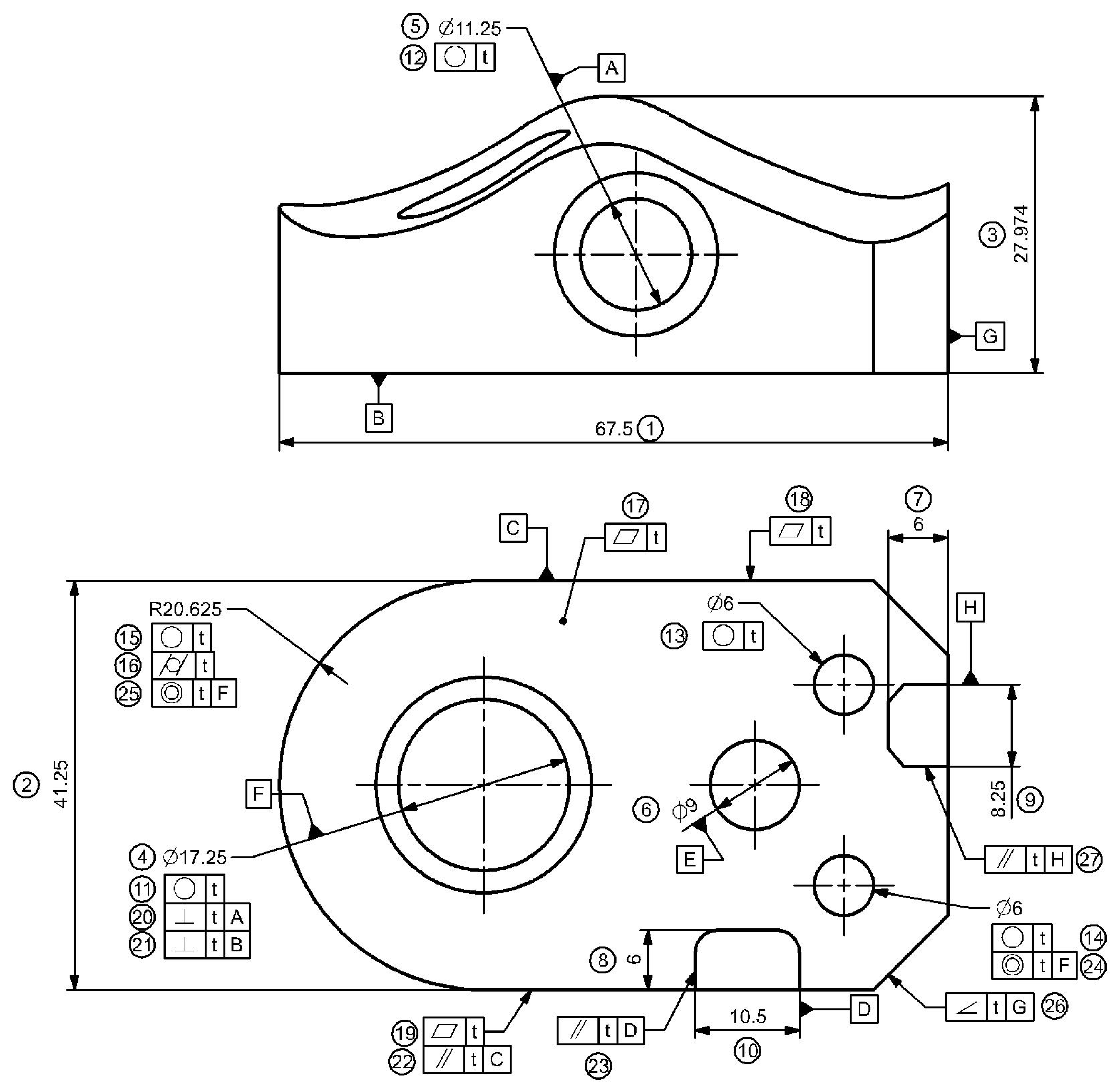
- No. 1—model length: 67.5 mm;
- No. 2—model width: 41.25 mm;
- No. 3—model height at the highest point: 27.974 mm;
- No. 4—hole diameter: ⌀ 17.25 mm;
- No. 5—hole diameter: ⌀ 11.25 mm;
- No. 6—hole diameter: ⌀ 9 mm;
- No. 7—depth of socket no. 1: 6 mm;
- No. 8—depth of socket no. 2: 6 mm;
- No. 9—width of socket no. 1: (8.25 mm wide);
- No. 10—width no. of socket 2: (10.5 mm wide).
- No. 11—roundness deviation of a hole ø 17.25 mm;
- No. 12—roundness deviation of a hole ø 11.25 mm;
- No. 13—roundness deviation of a hole ø 6 mm;
- No. 14—roundness deviation of a hole ø 6 mm;
- No. 15—roundness deviation of radius 20.625;
- No. 16—cylindricity deviation of radius 20.625;
- No. 17—surface flatness deviation;
- No. 18—surface flatness deviation;
- No. 19—surface flatness deviation.
- No. 20—perpendicularity tolerance of an axis of a hole ⌀ 17.25 mm (20) related to a datum axis of a hole ⌀ 11.25 mm (base A);
- No. 21—perpendicularity tolerance of an axis of a hole ⌀ 17.25 mm (21) related to a datum plane (base A);
- No. 22—parallelism tolerance of a surface (22) related to a datum plane (base C);
- No. 23—parallelism tolerance of a surface (23) related to a datum plane (base D);
- No. 24—coaxiality tolerance of an axis of a hole ⌀ 6 mm (24) related to a datum axis of a hole ⌀ 9 mm (base E);
- No. 25—coaxiality tolerance of an axis of a hole ⌀ 20,625 mm (25) related to a datum axis of a hole ⌀ 17.25 mm (base F);
- No. 26—angularity tolerance of a surface (26) related to a datum plane (base G);
- No. 27—parallelism tolerance of a surface (27) related to a datum plane (base H).
3.3. Analysis of Surface Roughness
- Arithmetical mean height (Ra) indicates the average of the absolute value along the sampling length (4):
- Maximum height of the profile (Rz) indicates the absolute vertical distance between the maximum profile peak height (Rp) and the maximum profile valley depth (Rv) along the sampling length (5):
4. Discussion
4.1. Dimensional and Geometric Assessment
4.2. Surface Roughness Assessment
5. Conclusions
- Predominantly negative 3D deviations were observed across all models, with average deviations ymean ranging from −0.056 mm to −0.100 mm. Variability in 3D deviations was consistent across models, with standard deviations of 0.148–0.162 mm, and was not influenced by model orientation.
- Model orientation had no significant effect on linear deviations. Most linear deviations were negative, with size-related dimensions showing the largest average absolute deviation (0.30 mm), compared with 0.07 mm for other dimensions.
- Geometric deviations, including orientation, position, and form deviations, were not significantly influenced by model orientation. Average orientation and position deviations ranged from 0.15 to 0.20 mm. Form deviations had similar values and ranged from 0.16 to 0.20 mm.
- Surface roughness varied by surface type (last-layer, support-adjacent, and layer-type). Last-layer surfaces exhibited the lowest roughness (Ra = 3.77 µm), support-adjacent surfaces had intermediate roughness (Ra = 9.47 µm), and layer-type surfaces showed the highest roughness (Ra = 14.07 µm). Orientation influenced the presence of surface types and the roughness of layer-type surfaces, with orientations 1–4 showing similar roughness (Ra = 12.7–13.8 µm) and orientation 5 exhibiting the highest roughness (Ra = 17.21 µm).
Author Contributions
Funding
Data Availability Statement
Conflicts of Interest
References
- Gao, W.; Zhang, Y.; Ramanujan, D.; Ramani, K.; Chen, Y.; Williams, C.B.; Zavattieri, P.D. The status, challenges, and future of additive manufacturing in engineering. Comput.-Aided Des. 2015, 69, 65–89. [Google Scholar] [CrossRef]
- Ngo, T.D.; Kashani, A.; Imbalzano, G.; Nguyen, K.T.; Hui, D. Additive manufacturing (3D printing): A review of materials, methods, applications and challenges. Compos. Part B Eng. 2018, 143, 172–196. [Google Scholar] [CrossRef]
- Gardan, J. Additive manufacturing technologies: State of the art and trends. In Additive Manufacturing Handbook; CRC Press: Boca Raton, FL, USA, 2017; pp. 149–168. [Google Scholar] [CrossRef]
- ISO/ASTM 52900:2021; Additive Manufacturing—General Principles—Fundamentals and Vocabulary. ISO: Geneva, Switzerland, 2021.
- ISO/ASTM 52910:2018; Additive Manufacturing—Design—Requirements, Guidelines and Recommendations. ISO: Geneva, Switzerland, 2018.
- Priyadarshi, A.; Shahrani, S.B.; Choma, T.; Zrodowski, L.; Qin, L.; Leung, C.L.A.; Tzanakis, I. New insights into the mechanism of ultrasonic atomization for the production of metal powders in additive manufacturing. Addit. Manuf. 2024, 83, 104033. [Google Scholar] [CrossRef]
- Chu, M.Q.; Wang, L.; Ding, H.Y.; Sun, Z.G. Additive manufacturing for aerospace application. Appl. Mech. Mater. 2015, 798, 457–461. [Google Scholar] [CrossRef]
- Kasatkin, M.M.; Kozhina, T.D.; Federov, M.M. Additive technologies in airplane-engine manufacture. Russ. Eng. Res. 2019, 39, 262–267. [Google Scholar] [CrossRef]
- Böckin, D.; Tillman, A.M. Environmental assessment of additive manufacturing in the automotive industry. J. Clean. Prod. 2019, 226, 977–987. [Google Scholar] [CrossRef]
- Leal, R.; Barreiros, F.M.; Alves, L.; Romeiro, F.; Vasco, J.C.; Santos, M.; Marto, C. Additive manufacturing tooling for the automotive industry. Int. J. Adv. Manuf. Technol. 2017, 92, 1671–1676. [Google Scholar] [CrossRef]
- Ciocca, L.; Mazzoni, S.; Fantini, M.; Persiani, F.; Baldissara, P.; Marchetti, C.; Scotti, R. A CAD/CAM-prototyped anatomical condylar prosthesis connected to a custom-made bone plate to support a fibula free flap. Med. Biol. Eng. Comput. 2012, 50, 743–749. [Google Scholar] [CrossRef]
- Javaid, M.; Haleem, A. Additive manufacturing applications in medical cases: A literature based review. Alex. J. Med. 2018, 54, 411–422. [Google Scholar] [CrossRef]
- Turek, P. Automating the process of designing and manufacturing polymeric models of anatomical structures of mandible with Industry 4.0 convention. Polimery 2019, 64, 522–529. [Google Scholar] [CrossRef]
- Dziubek, T.; Budzik, G.; Kawalec, A.; Dębski, M.; Turek, P.; Oleksy, M.; Cebulski, J. Strength of threaded connections additively produced from polymeric materials. Polimery 2022, 67, 261–270. [Google Scholar] [CrossRef]
- Mao, K.; Greenwood, D.; Ramakrishnan, R.; Goodship, V.; Shrouti, C.; Chetwynd, D.; Langlois, P. The wear resistance improvement of fibre reinforced polymer composite gears. Wear 2019, 426, 1033–1039. [Google Scholar] [CrossRef]
- Vidakis, N.; Petousis, M.; Vaxevanidis, N.; Kechagias, J. Surface roughness investigation of poly-jet 3D printing. Mathematics 2020, 8, 1758. [Google Scholar] [CrossRef]
- Chohan, J.S.; Singh, R. Pre and post processing techniques to improve surface characteristics of FDM parts: A state of art review and future applications. Rapid Prototyp. J. 2017, 23, 495–513. [Google Scholar] [CrossRef]
- Haque, M.E.; Banerjee, D.; Mishra, S.B.; Nanda, B.K. A numerical approach to measure the surface roughness of FDM build part. Mater. Today Proc. 2019, 18, 5523–5529. [Google Scholar] [CrossRef]
- Reddy, V.; Flys, O.; Chaparala, A.; Berrimi, C.E.; Amogh, V.; Rosen, B.G. Study on surface texture of fused deposition modeling. Procedia Manuf. 2018, 25, 389–396. [Google Scholar] [CrossRef]
- Gibson, I.; Rosen, D.; Stucker, B.; Khorasani, M.; Gibson, I.; Rosen, D.; Khorasani, M. Material extrusion. In Additive Manufacturing; Springer International Publishing: New York, NY, USA, 2021; pp. 171–201. [Google Scholar] [CrossRef]
- Wang, T.M.; Xi, J.T.; Jin, Y. A model research for prototype warp deformation in the FDM process. Int. J. Adv. Manuf. Technol. 2007, 33, 1087–1096. [Google Scholar] [CrossRef]
- Gordon, E.R.; Shokrani, A.; Flynn, J.M.; Goguelin, S.; Barclay, J.; Dhokia, V. A surface modification decision tree to influence design in additive manufacturing. In Sustainable Design and Manufacturing; Springer International Publishing: New York, NY, USA, 2016; pp. 423–434. [Google Scholar] [CrossRef]
- Srinivasan, R.; Ruban, W.; Deepanraj, A.; Bhuvanesh, R.; Bhuvanesh, T. Efect on infll density on mechanical properties of PETG part fabricated by fused deposition modelling. Mater. Today Proc. 2020, 27, 1838–1842. [Google Scholar] [CrossRef]
- Turek, P.; Budzik, G. Estimating the accuracy of mandible anatomical models manufactured using material extrusion methods. Polymers 2021, 13, 2271. [Google Scholar] [CrossRef]
- Turek, P.; Filip, D.; Przeszłowski, Ł.; Łazorko, A.; Budzik, G.; Snela, S.; Paszkiewicz, A. Manufacturing polymer model of anatomical structures with increased accuracy using cax and am systems for planning orthopedic procedures. Polymers 2022, 14, 2236. [Google Scholar] [CrossRef]
- Lojo, J.M.; Pérez-Barquero, J.A.; Bonmatí, F.G.S.; Agustín-Panadero, R.; Yilmaz, B.; Revilla-León, M. Influence of print orientation on the accuracy (trueness and precision) of diagnostic casts manufactured with a daylight polymer printer. J. Prosthet. Dent. 2023, 132, 1314–1322. [Google Scholar] [CrossRef] [PubMed]
- AlGhamdi, M.A.; Gad, M.M. Impact of Printing Orientation on the Accuracy of Additively Fabricated Denture Base Materials: A Systematic Review. Dent. J. 2024, 12, 230. [Google Scholar] [CrossRef] [PubMed]
- Mantada, P.; Mendricky, R.; Safka, J. Parameters influencing the precision of various 3d printing technologies. MM Sci. J. 2017, 5, 2004–2012. [Google Scholar] [CrossRef]
- ISO 17295:2023; Additive Manufacturing—General Principles—Part Positioning, Coordinates and Orientation. ISO: Geneva, Switzerland, 2023.
- Dizon, J.R.C.; Gache, C.C.L.; Cascolan, H.M.S.; Cancino, L.T.; Advincula, R.C. Post-processing of 3D-printed polymers. Technologies 2021, 9, 61. [Google Scholar] [CrossRef]
- Tamburrino, F.; Barone, S.; Paoli, A.; Razionale, A.V. Post-processing treatments to enhance additively manufactured polymeric parts: A review. Virtual Phys. Prototyp. 2021, 16, 221–254. [Google Scholar] [CrossRef]
- ISO 8015:2011; Geometrical Product Specifications (GPS)—Fundamentals—Concepts, Principles and Rules. ISO: Geneva, Switzerland, 2011.
- ISO 1101:2017; Geometrical Product Specifications (GPS)—Geometrical Tolerancing—Tolerances of Form, Orientation, Location and Run-Out. ISO: Geneva, Switzerland, 2017.
- ISO 286-2:2010; Geometrical Product Specifications (GPS)—ISO Code System for Tolerances on Linear Sizes—Part 2: Tables of Standard Tolerance Classes and Limit Deviations for Holes and Shafts. ISO: Geneva, Switzerland, 2010.
- ISO 22081:2021; Geometrical Product Specifications (GPS)—Geometrical Tolerancing—General Geometrical Specifications and General Size Specifications. ISO: Geneva, Switzerland, 2021.
- ASME Y14.5; Dimensioning and Tolerancing. ASME: New York, NY, USA, 2018.
- ISO 21920-1:2021; Geometrical Product Specifications (GPS)—Surface Texture: Profile—Part 1: Indication of Surface Texture. ISO: Geneva, Switzerland, 2021.
- ISO 21920-2:2021; Geometrical Product Specifications (GPS)—Surface Texture: Profile—Part 2: Terms, Definitions and Surface texture parameters. ISO: Geneva, Switzerland, 2021.
- ISO 21920-3:2021; Geometrical Product Specifications (GPS)—Surface Texture: Profile—Part 3: Specification Operators. ISO: Geneva, Switzerland, 2021.
- Yadav, D.K.; Srivastava, R.; Dev, S. Design & fabrication of ABS part by FDM for automobile application. Mater. Today Proc. 2020, 26, 2089–2093. [Google Scholar] [CrossRef]
- Ilyas, R.A.; Sapuan, S.M.; Harussani, M.M.; Hakimi, M.Y.A.Y.; Haziq, M.Z.M.; Atikah, M.S.N.; Asrofi, M. Polylactic acid (PLA) biocomposite: Processing, additive manufacturing and advanced applications. Polymers 2021, 13, 1326. [Google Scholar] [CrossRef]
- Spoerk, M.; Holzer, C.; Gonzalez-Gutierrez, J. Material extrusion-based additive manufacturing of polypropylene: A review on how to improve dimensional inaccuracy and warpage. J. Appl. Polym. Sci. 2020, 137, 48545. [Google Scholar] [CrossRef]
- Singh, S.; Ramakrishna, S.; Singh, R. Material issues in additive manufacturing: A review. J. Manuf. Process 2017, 25, 185–200. [Google Scholar] [CrossRef]
- Trivedi, A.K.; Gupta, M.; Singh, H. PLA based biocomposites for sustainable products: A review. Adv. Ind. Eng. Polym. Res. 2023, 6, 382–395. [Google Scholar] [CrossRef]
- Figueroa-Cavazos, J.O.; Flores-Villalba, E.; Diaz-Elizondo, J.A.; Martínez-Romero, O.; Rodríguez, C.A.; Siller, H.R. Design Concepts of Polycarbonate-Based Intervertebral Lumbar Cages: Finite Element Analysis and Compression Testing. Appl. Bionics Biomech. 2016, 2016, 7149182. [Google Scholar] [CrossRef] [PubMed]
- Additive Manufacturing Reduces Tooling Cost and Lead Time to Produce Composite Aerospace Parts Parent Categ. 3D Print. News (/en/3d), Categ. Aerosp. Publ. Available online: http://globalprintmonitor.de/en/3d/3d-printing-new (accessed on 28 October 2024).
- Achillas, C.; Tzetzis, D.; Raimondo, M.O. Alternative Production Strategies Based on the Comparison of Additive and Traditional Manufacturing Technologies. Int. J. Prod. Res. 2017, 55, 3497–3509. [Google Scholar] [CrossRef]
- Hanssen, J. Fortus 360 mc/400 mc Accuracy Study; Stratasys White Paper; Stratasys, Ltd.: Rehovot, Israel, 2017. [Google Scholar]
- Cekic, A.; Muhamedagic, K.; Begic-Hajdarevic, D.; Djuzo, N. Effect of Process Parameters on Dimensional Accuracy and Tensile Strength of FDM Printed Parts. In Proceedings of the 31st DAAAM International Symposium, Mostar, Bosnia and Herzegovina, 21–24 October 2020; pp. 66–71. [Google Scholar] [CrossRef]
- Favier, V.; Zemiti, N.; Caravaca Mora, O.; Subsol, G.; Captier, G.; Lebrun, R.; Gilles, B. Geometric and mechanical evaluation of 3D-printing materials for skull base anatomical education and endoscopic surgery simulation–A first step to create reliable customized simulators. PLoS ONE 2017, 12, e0189486. [Google Scholar] [CrossRef] [PubMed]
- Ai, J.R.; Peng, F.; Joo, P.; Vogt, B.D. Enhanced dimensional accuracy of material extrusion 3D-printed plastics through filament architecture. ACS Appl. Polym. Mater. 2021, 3, 2518–2528. [Google Scholar] [CrossRef]
- Aldawood, F.K.; Chang, S.X.; Desai, S. Design and manufacture of a high precision personalized electron bolus device for radiation therapy. Med. Devices Sens. 2020, 3, e10077. [Google Scholar] [CrossRef]
- Vidakis, N.; Petousis, M.; David, C.; Sagris, D.; Mountakis, N.; Moutsopoulou, A. Polycarbonate hybrid friction stir welding joints: Welding forces and quality indicators on 3D printed and solid sheets single and two-axis seams. Int. J. Adv. Manuf. Technol. 2024, 134, 431–444. [Google Scholar] [CrossRef]
- Reyes-Rodríguez, A.; Dorado-Vicente, R.; Mayor-Vicario, R. Dimensional and form errors of PC parts printed via Fused Deposition Modelling. Procedia Manuf. 2017, 13, 880–887. [Google Scholar] [CrossRef]
- Mendricky, R.; Fris, D. Analysis of the accuracy and the surface roughness of fdm/fff technology and optimisation of process parameters. Teh. Vjesn. 2020, 27, 1166–1173. [Google Scholar] [CrossRef]
- Jiang, S.; Hu, K.; Zhan, Y.; Zhao, C.; Li, X. Theoretical and experimental investigation on the 3D surface roughness of material extrusion additive manufacturing products. Polymers 2022, 14, 293. [Google Scholar] [CrossRef]
- García, E.; Núñez, P.J.; Chacón, J.M.; Caminero, M.A.; Kamarthi, S. Comparative study of geometric properties of unreinforced PLA and PLA-Graphene composite materials applied to additive manufacturing using FFF technology. Polym. Test. 2020, 91, 106860. [Google Scholar] [CrossRef]
- García Plaza, E.; López, P.J.N.; Torija, M.Á.C.; Muñoz, J.M.C. Analysis of PLA geometric properties processed by FFF additive manufacturing: Effects of process parameters and plate-extruder precision motion. Polymers 2019, 11, 1581. [Google Scholar] [CrossRef] [PubMed]
- Alsoufi, M.S.; Elsayed, A.E. How surface roughness performance of printed parts manufactured by desktop FDM 3D printer with PLA+ is influenced by measuring direction. Am. J. Mech. Eng. 2017, 5, 211–222. [Google Scholar] [CrossRef]
- Buj-Corral, I.; Domínguez-Fernández, A.; Durán-Llucià, R. Influence of print orientation on surface roughness in fused deposition modeling (FDM) processes. Materials 2019, 12, 3834. [Google Scholar] [CrossRef] [PubMed]
- Milde, J.; Jurina, F.; Peterka, J.; Dobrovszký, P.; Hrbál, J.; Martinovič, J. Influence of part orientation on the surface roughness in the process of Fused Deposition Modeling. Key Eng. Mater. 2021, 896, 29–37. [Google Scholar] [CrossRef]
- Pawar, S.; Dolas, D. Effect of process parameters on flexural strength and surface roughness in fused deposition modeling of PC-ABS material. J. Micromanuf. 2022, 5, 164–170. [Google Scholar] [CrossRef]
- Naat, N.; Boutar, Y.; Mezlini, S.; da Silva, L.F.; Alrasheedi, N.H.; Hajlaoui, K. Study of the effect of bio-inspired surface texture on the shear strength of bonded 3D-printed materials: Comparison between stainless steel and polycarbonate joints. Int. J. Adhes. Adhes. 2024, 131, 103658. [Google Scholar] [CrossRef]
- Bazan, A.; Turek, P.; Przeszłowski, Ł. Comparison of the contact and focus variation measurement methods in the process of surface topography evaluation of additively manufactured models with different geometry complexity. Surf. Topogr. Metrol. Prop. 2022, 10, 035021. [Google Scholar] [CrossRef]



















| Parameters | Value |
|---|---|
| Pixel resolutions cameras | 5,000,000 |
| Measuring area | 200 mm × 125 mm × 450 mm |
| Min. point resolution | 0.060 mm |
| Number of points per scan | 5,000,000 |
| Number of rotations of the measuring table | 13 |
| Parameters | Value |
|---|---|
| Measuring range | ±250 µm |
| Vertical resolution | 5 nm |
| Sampling distance | 0.5 µm |
| Measuring speed | 0.5 mm/s |
| Radius of measuring probe’s tip | 2 µm |
| Cut-off length—surfaces in contact with support | 2.5 mm |
| Cut-off length—other surfaces | 0.8 mm |
| Parameters | Orientation Number | ||||
|---|---|---|---|---|---|
| 1 | 2 | 3 | 4 | 5 | |
| Number of valid points | 54,331 | 49,229 | 44,792 | 50,927 | 50,525 |
| Maximum deviation (ymax) [mm] | 0.560 | 0.461 | 0.507 | 0.564 | 0.407 |
| Minimum deviation (ymin) [mm] | −0.505 | −0.461 | −0.465 | −0.592 | −0.485 |
| Range (R) [mm] | 1.065 | 0.957 | 0.972 | 1.156 | 0.892 |
| Mean deviation (ymean) [mm] | −0.080 | −0.077 | −0.100 | −0.056 | −0.060 |
| Standard deviation (σ) [mm] | 0.162 | 0.148 | 0.154 | 0.156 | 0.150 |
| Orientation | Dev. of Linear Dimension, mm | Absolute Dev. of Linear Dimension, mm | ||||||||
|---|---|---|---|---|---|---|---|---|---|---|
| Mean | Median | Std Dev | Min | Max | Mean | Median | Std Dev | Min | Max | |
| 1 | −0.04 | −0.04 | 0.12 | −0.26 | 0.10 | 0.10 | 0.07 | 0.08 | 0.02 | 0.26 |
| 2 | −0.06 | −0.05 | 0.11 | −0.25 | 0.14 | 0.09 | 0.06 | 0.09 | 0.01 | 0.25 |
| 3 | −0.03 | −0.06 | 0.25 | −0.44 | 0.55 | 0.16 | 0.08 | 0.18 | 0.01 | 0.55 |
| 4 | −0.07 | −0.06 | 0.11 | −0.33 | 0.08 | 0.09 | 0.08 | 0.09 | 0.02 | 0.33 |
| 5 | −0.26 | −0.16 | 0.37 | −1.17 | −0.01 | 0.26 | 0.16 | 0.37 | 0.01 | 1.17 |
| Orientation | Form Deviation, mm | Orientation and Position Dev., mm | ||||||||
|---|---|---|---|---|---|---|---|---|---|---|
| Mean | Median | Std Dev | Min | Max | Mean | Median | Std Dev | Min | Max | |
| 1 | 0.17 | 0.18 | 0.08 | 0.03 | 0.24 | 0.15 | 0.14 | 0.14 | 0.01 | 0.44 |
| 2 | 0.16 | 0.15 | 0.09 | 0.03 | 0.27 | 0.17 | 0.11 | 0.18 | 0.01 | 0.53 |
| 3 | 0.19 | 0.19 | 0.08 | 0.04 | 0.35 | 0.15 | 0.13 | 0.11 | 0.03 | 0.35 |
| 4 | 0.20 | 0.19 | 0.09 | 0.08 | 0.37 | 0.20 | 0.19 | 0.11 | 0.03 | 0.36 |
| 5 | 0.21 | 0.21 | 0.08 | 0.11 | 0.40 | 0.18 | 0.20 | 0.10 | 0.04 | 0.28 |
| Surface Type | Ra, µm | Rz, µm | ||||
|---|---|---|---|---|---|---|
| Mean | Median | Std Dev | Mean | Median | Std Dev | |
| Last | 3.77 | 3.62 | 1.13 | 22.41 | 23.58 | 4.11 |
| Support | 9.47 | 9.01 | 1.33 | 53.70 | 53.85 | 8.40 |
| Layers | 14.07 | 12.45 | 3.40 | 62.56 | 57.53 | 12.36 |
| Orientation | Ra, µm | Rz, µm | ||||
|---|---|---|---|---|---|---|
| Mean | Median | Std Dev | Mean | Median | Std Dev | |
| 1 | 12.81 | 12.45 | 1.86 | 57.23 | 57.47 | 8.00 |
| 2 | 13.77 | 12.51 | 2.98 | 61.19 | 57.96 | 12.13 |
| 3 | 12.70 | 12.14 | 1.72 | 60.28 | 56.66 | 10.86 |
| 4 | 12.93 | 12.03 | 2.40 | 59.78 | 58.13 | 8.47 |
| 5 | 17.21 | 17.67 | 4.33 | 71.26 | 71.88 | 15.25 |
Disclaimer/Publisher’s Note: The statements, opinions and data contained in all publications are solely those of the individual author(s) and contributor(s) and not of MDPI and/or the editor(s). MDPI and/or the editor(s) disclaim responsibility for any injury to people or property resulting from any ideas, methods, instructions or products referred to in the content. |
© 2024 by the authors. Licensee MDPI, Basel, Switzerland. This article is an open access article distributed under the terms and conditions of the Creative Commons Attribution (CC BY) license (https://creativecommons.org/licenses/by/4.0/).
Share and Cite
Turek, P.; Bazan, A.; Bulicz, M. Effect of 3D Printing Orientation on the Accuracy and Surface Roughness of Polycarbonate Samples. Machines 2025, 13, 9. https://doi.org/10.3390/machines13010009
Turek P, Bazan A, Bulicz M. Effect of 3D Printing Orientation on the Accuracy and Surface Roughness of Polycarbonate Samples. Machines. 2025; 13(1):9. https://doi.org/10.3390/machines13010009
Chicago/Turabian StyleTurek, Paweł, Anna Bazan, and Marcin Bulicz. 2025. "Effect of 3D Printing Orientation on the Accuracy and Surface Roughness of Polycarbonate Samples" Machines 13, no. 1: 9. https://doi.org/10.3390/machines13010009
APA StyleTurek, P., Bazan, A., & Bulicz, M. (2025). Effect of 3D Printing Orientation on the Accuracy and Surface Roughness of Polycarbonate Samples. Machines, 13(1), 9. https://doi.org/10.3390/machines13010009

