Next Article in Journal
Mechanical Modeling of Viscous Fluid Damper with Temperature and Pressure Coupling Effects
Previous Article in Journal
Learning-Based Planner for Unknown Object Dexterous Manipulation Using ANFIS
error_outline You can access the new MDPI.com website here. Explore and share your feedback with us.
 
 
Font Type:
Arial Georgia Verdana
Font Size:
Aa Aa Aa
Line Spacing:
Column Width:
Background:
Article

Application of a Multi-Criterion Decision-Making Method for Solving the Multi-Objective Optimization of a Two-Stage Helical Gearbox

1
East Asia University of Technology, Trinh Van Bo Street, Hanoi City 12000, Vietnam
2
Faculty of Mechanical Engineering, Vinh Long University of Technology Education, 73 Nguyen Hue Street, Ward 2, Vinh Long City 85110, Vietnam
3
Viet Tri University of Industry, 09 Tien Son Street, Viet Tri City 35100, Vietnam
4
School of Engineering and Technology, Duy Tan University, 03 Quang Trung Street, Hai Chau Ward, Da Nang City 550000, Vietnam
5
Faculty of Mechanical Engineering, Thai Nguyen University of Technology, 3/2 Street, Tich Luong Ward, Thai Nguyen City 251750, Vietnam
*
Author to whom correspondence should be addressed.
Machines 2024, 12(6), 365; https://doi.org/10.3390/machines12060365
Submission received: 15 April 2024 / Revised: 17 May 2024 / Accepted: 21 May 2024 / Published: 24 May 2024
(This article belongs to the Section Machine Design and Theory)

Abstract

This paper provides a novel application of a multi-criterion decision-making (MCDM) method to the multi-objective optimization problem of designing a two-stage helical gearbox. This study’s goal is to identify the ideal primary design elements that increase gearbox efficiency while reducing the gearbox cross-section area. In this work, three primary design parameters were selected for investigation: the gear ratio of the first stage and the coefficients of wheel face width (CWFW) of the first and second stages. The multi-objective optimization problem was further split into two phases: phase 1 solved the single-objective optimization problem of minimizing the gap between the variable levels, and phase 2 solved the multi-objective optimization issue of identifying the ideal key design factors. Moreover, the multi-objective optimization problem was handled by the SAW method as an MCDM approach, and the weight criteria were computed using the entropy approach. This study’s significant characteristics are as follows: First, a multi-objective optimization problem was successfully solved using the MCDM approach (SAW technique) for the first time. Second, the power losses in idle motion were investigated in this work in order to determine the efficiency of a two-stage helical gearbox. From this study’s findings, the ideal values for three major design parameters can be determined for the design of a two-stage helical gearbox.

1. Introduction

The most crucial component of a mechanical drive system is the gearbox. It facilitates the lowering of the torque and speed transfer from the motor shaft to the working shaft. Because of this, numerous experts are working on optimization of the gearbox. In practice, multi-objective optimization refers to optimization issues in practice that involve the simultaneous optimization of two or more objective functions. Maximizing multiple performance parameters at once, including efficiency, size, mass, and load-carrying capability, can be difficult and complex when building a gearbox utilizing multi-objective optimization. In order to solve these issues, numerous optimization approaches have been created.
Using the response surface method, H. Wang et al. conducted a multi-objective optimization research for the helical gear in a centrifugal compressor [1]. Two specific goals were chosen for this project: the minimal gear mass and the highest gear stress. According to reports, the helical gear’s maximum stress is within permissible bounds and its mass has decreased by 27.4%. The Non-Dominated Sorting Genetic Algorithm II methodology (NSGA-II) was employed by D. Miller et al. [2] in a multi-objective spur gear pair optimization investigation. Enhancement of gear efficiency and decrease in gear volume were this study’s goals. It was observed that a trade-off between efficiency and volume was necessary and that a lower gear module, a lower face width, greater profile shift coefficients, and a higher pinion tooth count all worked well together to achieve these goals. A mono-objective self-adaptive algorithm approach was used in [3] to solve the optimization of tooth changes for spur and helical gears. The PSO (particle swarm optimization) method was the foundation of this strategy. Multi-objective optimization enhanced the transmission error signal’s maximal contact pressures and root mean square values. Edmund S. Maputi and Rajesh Arora [4] used the NSGA-II and the TOPSIS (Technique for Order of Preference by Similarity to Ideal Solution) approach to solve multi-objective optimization by concurrently taking three objectives into consideration: volume, power output, and center distance. Their study’s findings can provide insight into the design of small gearboxes. In [5], a planetary gearbox was optimized using the NSGA-II method while taking into account crucial tribological and regular mechanical restrictions. Comparing the results of single-objective optimization with and without tribological restrictions, the multi-objective optimization result demonstrated a considerable reduction in weight and power loss. In order to minimize gear weight, contact stress throughout the contact path, and optimal film thickness at the contact point, Jawaz Alam and Sumanta Panda [6] established a strategy for spur gear set design optimization. In order to guarantee a notable decrease in weight and contact stress of a profile-modified spur gear set with sufficient film thickness at the site of contact, this work used particle swarm optimization, particle swarm optimization-based teaching–learning optimization, and Jaya algorithms. The gear design was considerably better with optimum addendum coefficient values within the design space than with conventional designs, according to the study’s findings. A unique multi-objective optimization of a two-stage spur gearbox utilizing the NSGA-II method was introduced by M. Patil et al. [7]. Two goal functions—minimal gearbox volume and minimum gearbox power losses—were involved in this effort. Their study’s findings suggest that solutions derived from single-objective minimization had a significant likelihood of wear failure. Additionally, when utilizing multi-goal optimization as opposed to single-objective optimization, the overall power loss was cut in half. Chrystopher V.T. et al. [8] used the MCDM method to find the ideal gear material for a gearbox in order to enhance surface fatigue and boost its wear resistance. Their study aimed to enhance surface fatigue resistance and maximize its efficiency when applied to a gearbox. In [9], the multi-objective design of helical gear pair transmission was taken into consideration. The objective functions included gear volumes and opposing number of overlap ratio. In this study, the Parameter-Adaptive Harmony Search Algorithm (PAHS) was used to address the optimization problem. Recently, X.H. Le and N.P. Vu [10] explored the multi-objective optimization problem of designing a two-stage helical gearbox using the Taguchi technique and grey relation analysis (GRA). Finding the optimal primary design parameters that maximize gearbox efficiency while minimizing gearbox mass was the goal of their study. This method was also used in [11] to identify the best major design parameters for a two-stage bevel helical gearbox with the goal of maximizing gearbox efficiency and reducing gearbox volume. A multi-target optimization research for the two-stage gearbox of xEV-axle drives was carried out by M. Hofstetter et al. [12]. Three specific goals were chosen for this work’s investigation: gearbox efficiency, packaging metric, and total expenses. Additionally, a closed loop of choosing the gearbox design parameters and then performing a gearbox analysis was included in the optimization process. The above study’s findings suggested that the benchmark solution could still be improved, particularly in light of the cost and packaging trade-off. In order to build a drive system for electric vehicles, Istenes G. and J. Polák [13] carried out research to jointly optimize an electric motor and a gearbox. The goal of their effort was to minimize both the driving system’s weight and the overall energy waste. To highlight the additional potential of cooperative optimization, the optimization results were contrasted with earlier findings. If a drive system is optimized overall, it has been stated that increasing the gear ratio increases the system’s overall efficiency. The most effective power flow solutions for a power system, taking into account the electric market and renewable energy, more particularly, nodal prices and wind turbine placement, were presented in [14]. The placement of wind turbines was optimized in this study to increase transmission power systems’ profits. Nevertheless, the study did not take into account the possibility of reducing power loss in the wind turbine system by improving the gearbox’s efficiency. To enhance the hypoid gears’ operational features, a multi-objective optimization technique was developed [15]. The maximum tooth contact pressure, the minimum transmission error, the minimum gear mesh temperature, and the maximum gear pair efficiency were the four goals to be studied. The model was also solved using the NSGA-II approach. In [16], a study on the mechanical efficiency forecasting model and energy loss for aero-engine bevel gear power transmission was presented. Based on the research findings, a novel model for predicting energy loss and mechanical efficiency was put forth, utilizing enhanced thermal elastohydrodynamic lubrication analysis and taking into account the non-Newtonian fluid effect and entrainment angle. Higher and higher degrees of aero-engine bevel gear production efficiency and design sustainability were made possible by this approach. It can offer essential access to geometric and physical evaluations that can enhance the aero-engine power transmission system’s overall energy generation, conversion, transfer, and usage.
It can be found from previous studies that the best primary design parameters for helical gearboxes have not been found using the MCDM technique, despite a great deal of research on multi-objective optimization for helical gearboxes. The present study reports on a multi-objective optimization study carried out for a two-stage helical gearbox, with two particular goals in mind: increasing gearbox efficiency and minimizing the gearbox cross-section area. The three optimum main design features for the two-stage helical gearbox were examined in this study: the gear ratio of the first stage and the CWFW of both stages. Additionally, the SAW method was selected to solve the multi-objective optimization issue, and the entropy methodology was used to establish the weights of the criteria. One of the primary research conclusions recommends using an MCDM technique in conjunction with two-step problem solving to address multi-objective optimization problems as well as single- and multi-objective problems. Furthermore, the solutions to the challenge out-perform those from previous research.

2. Optimization Problem

In order to construct the optimization problem, the gearbox cross-section areas and gearbox efficiency are first calculated in this section. The stated objective functions and limitations are then provided. Table 1 lists the nomenclatures used in the optimization problem to make calculations easier.

2.1. Determination of Gearbox Cross-Section Area

The gearbox cross-section area, A g b , is determined by
A g b = L · H
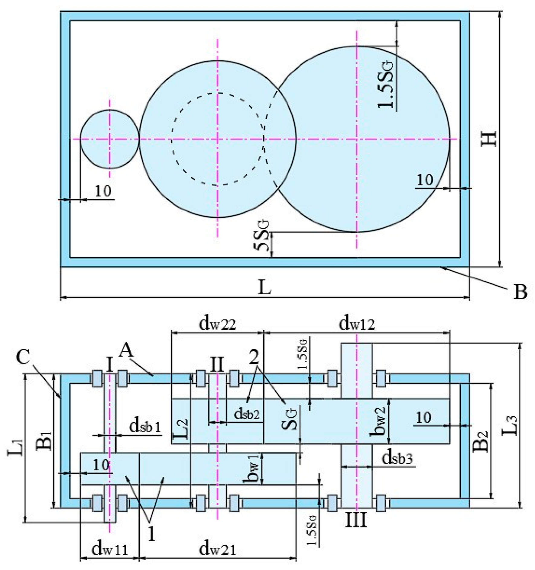
where L and H (Figure 1) are calculated by the following [17]:
L = ( d w 11 + d w 21 / 2 + d w 12 / 2 + d w 22 / 2 + 22.5 ) / 0.975
H = m a x d w 21 ; d w 22 + 8.5 · S G
S G = 0.005 · L + 4.5
In the above equations,
d w 1 i = 2 · a w i / ( u i + 1 )
d w 2 i = 2 · a w i · u i · / ( u i + 1 )
b w 1 = X b a 1 · a w 1
b w 2 = X b a 2 · a w 2
In them, awi is calculated by the following equation based on contact strength condition (for the involute gear profile with a pressure angle of 20 degrees) [18]:
a w i = k a · ( u i + 1 ) · T 1 i · k H β / ( A S i 2 · u i · X b a i ) 3
with
T 1 i = T r j = i 3 ( u i · η h g 3 i · η b e 4 i )

2.2. Determination of Gearbox Efficiency

The efficiency of a two-stage helical gearbox (%) can be found by
η g b = 100 100 · P l P i n
wherein Pl is calculated by [19]
P l = P l g + P l b + P l s + P Z 0
where Plg, Plb, Pls, and Pzo are determined by the following:
+) Calculation of power loss in the gears, Plg:
P l g = i = 1 2 P l g i
where
P l g i = P g i · 1 η g i
In this, η g i is determined by [20]
η g i = 1 1 + 1 / u i β a i + β r i · f i 2 · β a i 2 + β r i 2
with β a i and β r i calculated by [20]
β a i = R e 2 i 2 R 02 i 2 1 / 2 R 2 i · s i n α R 01 i
β r i = R e 1 i 2 R 01 i 2 1 / 2 R 1 i · s i n α R 01 i
From the data in [20], f in (15) can be determined by the following regression equations [10]:
-
If v ≤ 0.424 (m/s):
f = 0.0877 · v + 0.0525
-
If v > 0.424 (m/s):
f = 0.0028 · v + 0.0104
+) Calculation of power loss in bearings Plb [19]:
P l b = i = 1 6 f b · F i · v i
where i = 1 ÷ 6 and f b = 0.0011 because the radical ball bearings with angular contact were used [19].
+) Calculation of power loss in seals, Ps [19]:
P s = i = 1 2 P s i
where i is the ordinal number of seal (i = 1÷2), and P s i can be determined by
P s i = 145 1.6 · t o i l + 350 · log log V G 40 + 0.8 · d s 2 · n · 10 7
+) Calculation of power loss in idle-motion Pzo [19]:
P Z o = i = 1 k T H i · π · n i 30
where k is the total number of gear pairs (k = 2), n is the number of revolution of driven gear, and THi is calculated by [19]
T H i = C S p · C 1 · e C 2 · v v t 0
where C S p i = 1 for stage 1 when the involved oil mast to pass till the mesh, and, for stage, 2 C S p i can be found by (Figure 2)
C S p i = 4 · e m a x 3 · h C i 1.5 · 2 · h C i l h i
In the above, lhi can be found by the following [19]:
l h i = 1.2 ÷ 2.0 · d a 2 i
In (24), C1i and C2i (i = 1 ÷ 2) are determined by the following [19]:
C 1 i = 0.063 · e 1 i + e 2 i e 0 + 0.0128 · b w i b 0
C 2 i = e 1 i + e 2 i 80 · e 0 + 0.2

2.3. Objective Functions and Constrains

2.3.1. Objective Functions

In this work, the multi-objective optimization problem consists of two single objectives:
-
Minimizing the gearbox cross-section area:
m i n   f 1 X = V g b
-
Maximizing the gearbox efficiency:
m i n   f 2 X = η g b
where X is the vector that represents the design variables. A two-stage helical gearbox has five main design parameters: u1, Xba1, Xba2, AS1, and AS2 [10]. Moreover, it has been demonstrated that the maximum values of AS1 and AS2 match their ideal values [10]. Consequently, u1, Xba1, and Xba2—the three main design factors—have been selected as variables for the optimization issue in this work. Consequently, we have the following:
X = u 1 , X b a 1 , X b a 2

2.3.2. Constrains

The multi-objective function needs to be subject to the following constraints:
1 u 1 9   and   1 u 2 9
0.25 X b a 1 0.4   and   0.25 X b a 2 0.4

3. Methodology

3.1. Method to Solve Multi-Objective Optimization

In this work, the two objectives of the multi-objective optimization problem are the lowest gearbox cross-section area and the best gearbox efficiency. Furthermore, the optimization problem selects three main design factors to be variables, as noted in Section 2. These variables are listed in Table 2 along with the lowest and maximum values. In practice, an MCDM method is difficult to use to solve the MOO (multi-objective optimization) problem. The reason is that, for solving an MOO problem, the number of possible solutions or possibilities is very large. In this work, with three parameters and their limits as shown in Table 2, and the step between variables being 0.02 (to ensure the accuracy of the parameters and not miss the solution of the optimization problem), the number of options (or number of experimental runs) that need to be determined and compared is ( 9 1 ) / 0.02 · ( 0.4 0.25 ) / 0.02 · ( 0.4 0.25 ) / 0.02 = 22.500 (runs). With such a large number of options, it is impossible to directly use the MCDM method to solve the OMO problem. This paper uses the SAW method to solve the MCDM problem and the entropy methodology to establish the criterion weights. To supply the input data for the multi-objective optimization problem for a two-stage helical gearbox in the MCDM problem, a simulation experiment is built. The number of experiments that can be conducted by applying the full-factorial design is unlimited because this is a simulation experiment. The total number of experiments is 53 = 125 because there are three experimental variables (as previously mentioned) and five levels for each variable. A method for resolving multi-objective problems is presented in order to lessen this discrepancy, save time, and enhance the correctness of the results (Figure 2). This process is divided into two stages: phase 1 factors solve the single-objective optimization problem to narrow the gap between levels, and phase 2 factors solve the multi-objective optimization problem to identify the best primary design. Furthermore, if the levels of the variables are not sufficiently close to one another or if the best answer is not appropriate for the requirement, the SAW issue is rerun using the smaller distance between two levels of the u1 in order to address the multi-objective problem (see Figure 3).

3.2. Method to Solve the MCDM Problem

The SAW approach was first suggested in 2006 [21]. The stages of implementing this method are as follows.
-
Creating initial decision-making matrix:
X = A 1 A 2 A m C 1 C 2 C n y 11 y 12 y 1 n y 21 x y 22 y 2 n y m 1 y m 2 y m n
In which, m and n are alternative and criterion numbers.
-
Finding the normalized matrix by
n ij = r i j m a x r i j
n ij = m i n r i j r i j
Equation (35) is used for the criterion as gearbox efficiency, while (36) is used for the criterion as the gearbox cross-section area.
-
Determine the preference value for each option:
V i = j = 1 n w j · n i j
-
Rank the options according to the principle that the option with the highest Vi is the best one.

3.3. Method to Find the Weight of Criteria

The weights of the criteria in this research were determined using the entropy technique. This technique can be implemented following the steps outlined below [22].
-
Determining indicator-normalized values:
p ij = x ij m + i = 1 m x ij 2
-
Finding the entropy for each indicator:
m e j = i = 1 m p i j × l n p i j 1 i = 1 m p i j × l n 1 i = 1 m p i j
-
Calculating the weight of each indicator:
w j = 1 m e j j = 1 m 1 m e j

4. Single-Objective Optimization

In this work, the single-objective optimization problem is solved using the direct-search approach. Furthermore, two single-objective problems—maximizing gearbox efficiency and minimizing gearbox cross-section area—have been investigated using a Excel computer program (Device ID: D4FEAEE3-C716-5EEE-850A-8F37FAFD3C23). Several figures and observations from the program’s findings are listed below: The relationship between u1 and Agb is depicted in Figure 4. Agb reaches its lowest value when u1 is at its ideal value (Figure 4). The relation between ηgb and u1 is described in Figure 5. From the figure, it is clear that there is an ideal value of u1 at which ηgb reaches its maximum. The relationships between Xba1 and Xba2 and Agb and ηgb, respectively, are depicted in Figure 6 and Figure 7. These findings (Figure 6 and Figure 7) show that a rise in Xba1 and Xba2 will cause Agb and ηgb to fall.
The values of the optimal major design factors of two single-objective functions, Agb and ηgb, are shown in Table 3. This table makes it clear that the Agb function takes the maxi-mum values of Xba1 and Xba2 (Xba1 = 0.4 and Xba2 = 0.4) as the ideal values for Xba1 and Xba2. This is because, in order for Agb to be the smallest, dw21 and dw22—which are determined using Equation (6)—must also be the smallest. In order to decrease aw1 and aw2, Xba1 and Xba2 must now be at their highest values (Equation (9)). As opposed to the Agb function, the ηgb function has the biggest (ideal) value when Xba1 and Xba2 (Xba1 = 0.25 and Xba2 = 0.25) have the smallest values. This is because the smallest values of Plg, Plb, Pls, and Pzo correspond to the maximum value of the ηgb function. Xba1 and Xba2 have a significant impact on power loss in the idle-motion Pzo among these performance factors. In order for Pzo to be small, C1i must also be small (Equation (27)). In this case, in order for bw1 and bw2 to be tiny, Xba1 and Xba2 must have small values (Equations (7) and (8)).
From Table 3, the relationship between the total gearbox ratio (ut) and the ideal gear ratio for the first stage u1 for both single objectives (Agb and ηgb) is depicted in Figure 8. Furthermore, freshly computed constraints for the variable u1 are shown in Table 4.

5. Multi-Objective Optimization

In this study, for solving the OMO problem, a simulation experiment was designed and conducted. In this experiment, different variations of the main design factors of a two-stage helical gearbox were established, and the gearbox cross-section area and efficiency (or the output factors) were calculated for use as the input data for the MCDM problem. To conduct simulation experiments, a computer program was developed. For the analysis, the gearbox ratios 5, 10, 15, 20, 25, and 30 were all taken into account. The solutions to this ut = 20 problem are shown below. For the first 125 testing cycles, this gearbox ratio was utilized overall (as indicated in Section 3). To solve the multi-objective optimization issue, SAW received the gearbox cross-section area and the efficiency, which were the experiment’s output values. Until there was less than 0.02 between two levels of u1, this process was repeated. Table 5 displays the main design parameters and output responses for ut = 20 in the SAW experiment’s fourth and final run. The entropy technique (see Section 3.3) was used to determine the weights of the criterion in the following manner: First, we obtained the normalized values of pij utilizing Equation (38). The entropy value of each indicator mej was found using Equation (39). Lastly, we determined the weight of the condition wj using Equation (40). For the latest SAW work run, the weights of Agb and ηgb were found to be 0.5676 and 0.4324, respectively. How to use the SAW technique for the MCDM process is explained in Section 3.2. First, we computed the decision-making matrices using Equation (31). The first matrix was then normalized using Equations (35) and (36). After that, Vi was computed using Equation (37). In the end, we sorted the options so that the optimal option had the highest Vi. The options’ ranking and number of computed results for ut = 20 (the most recent SAW work run) are shown in Table 6. The table shows that option 95 is the best option out of all the options provided. As a result, Table 5 reveals the ideal values for the three main design features: u1 = 6.39, Xba1 = 0.36, and Xba2 = 0.4.
Building on the preceding discussion, Table 7 presents the ideal values for the primary design parameters that correspond to the remaining ut values of 5, 10, 20, 25, and 30. The data shown in this table allow for the following deductions to be made:
+) Xba2 selects the highest value (Xba2 = 0.4) while Xba1 selects the highest value (Xba1 = 0.4) if ut ≤ 15, and it decreases gradually when 15 ≤ ut ≤ 30 (Figure 9). These values are relatively close to the Agb function’s ideal values for Xba1 and Xba2. This is because it has been discovered that the average weights of Agb and ηgb are, respectively, 0.57 and 0.43. Briefly, the Agb function will typically be served by the ideal values of Xba1 and Xba2. When 15 ≤ ut ≤ 30, Xba2 can be calculated using the following equation (with R2 = 1):
X b a 2 = 0.008 · u t + 0.52
+) An obvious first-order relationship exists between the ideal values of u1 and ut (Figure 10). Additionally, it has been discovered that the ideal values of u1 may be calculated using the regression equation that follows (with R2 = 0.9845):
u 1 = 0.2209 · u t + 2.0107
The following equation can be used to find the ideal value of u2 once u1 has been established:
u 2 = u t / u 1
To assess the model’s results for identifying the ideal values when derived using the SAW technique (new method), the findings of this study are compared with those acquired using the Taguchi and grey relational analysis method (old method) in [23]. The ideal values of u1 corresponding to different ut determined by the two approaches are shown in Figure 11. Figure 12 and Figure 13, respectively, show the gearbox cross-section area and the efficiency numbers as derived by the old and new methodologies. These statistics demonstrate that the new method generates a substantially smaller gearbox cross-section area (from 28.9 to 45.03%) compared to the calculations obtained using the previous method. However, when ut > 13, the maximum efficiency values determined by the new method are marginally less (less than 4.5%) than those determined by the previous method. For example, when ut = 10, the gearbox cross-section area decreases 21.43 11.78 · 100 / 21.43 = 45.03 (%), and the gearbox efficiency increases 91.85 89.14 · 100 / 91.85 = 2.95 (%). When ut=30, the gearbox cross-section area decreases to 20.24 14.39 · 100 / 20.24 = 28.90 (%) using new method, but the new method’s gearbox efficiency 94.13 90.02 · 100 / 94.13 = 4.57 (%) is lower than the old method’s.

6. Conclusions

The SAW technique was utilized in this study to solve the multi-objective optimization problem related to the design of a two-stage helical gearbox. This study’s goal was to determine the most critical design parameters that maximized gearbox efficiency while reducing the gearbox cross-section area. To achieve this, three crucial design components were chosen: the CWFW for the first and second stages and the first-stage gear ratio. In addition, there were two phases in the multi-objective optimization problem solution process. Phase 1 was centered on solving the single-objective optimization problem of reducing the difference between variable values, whereas phase 2 was concerned with determining the optimal primary design factors. The following findings were drawn from this work:
-
The single-objective optimization problem speeded up and simplified the resolution of the multi-objective optimization problem by bridging the gap between variable levels.
-
Two single goals—the maximum gearbox efficiency and the minimum gearbox cross-section area—were assessed in connection with the important design elements.
-
By using the SAW technique repeatedly until the required results were reached, the multi-objective optimization problem could be solved more precisely (u1 had an accuracy of less than 0.02).
-
The three main design parameters for a two-stage helical gearbox—Equations (41) and (42) and Table 7—were recommended to have optimal values based on this study’s findings.
-
Regression Equation (42), with R2 = 0.9845, proved that the experimental data’s extraordinary degree of concordance with the proposed model of u1 verified their reliability.
-
The results showed that the novel approach to the multi-objective optimization issue produced better findings when compared with the prior methods (the Taguchi and GRA approaches).

Author Contributions

N.-P.V. came up with the original concept, which all the authors debated. The optimization problem was handled by N.-P.V. with assistance from A.-T.L. The design of the simulation, the examination of the experimental data, and the analysis of the simulation’s experimental results were all performed by all authors. The manuscript was written by N.-P.V. with assistance from A.-T.L. and H.-D.T. After reading the manuscript, each author approved it. All authors have read and agreed to the published version of the manuscript.

Funding

This research received no external funding.

Data Availability Statement

The data presented in this study are available in this article.

Acknowledgments

The authors express their gratitude to the Thai Nguyen University of Technology for its valuable support in this study.

Conflicts of Interest

The authors declare that they have no conflicts of interest.

References

  1. Wang, H.; Chen, D.; Pan, F.; Yu, D. Multi-objective Optimization Design of Helical Gear in Centrifugal Compressor Based on Response Surface Method. In IOP Conference Series: Materials Science and Engineering; IOP Publishing: Bristol, UK, 2018. [Google Scholar]
  2. Miler, D.; Zezelj, D.; Loncar, A.; Vuckovic, K. Multi-objective spur gear pair optimization focused on volume and efficiency. Mech. Mach. Theory 2018, 125, 185–195. [Google Scholar] [CrossRef]
  3. Lagresle, C.; Guingand, M.; de Vaujany, J.-P.; Fulleringer, B. Optimization of tooth modifications for spur and helical gears using an adaptive multi-objective swarm algorithm. Proc. Inst. Mech. Eng. Part C J. Mech. Eng. Sci. 2019, 233, 7292–7308. [Google Scholar] [CrossRef]
  4. Maputi, E.S.; Arora, R. Multi-objective optimization of a 2-stage spur gearbox using NSGA-II and decision-making methods. J. Braz. Soc. Mech. Sci. Eng. 2020, 42, 1–22. [Google Scholar] [CrossRef]
  5. Parmar, A.; Ramkumar, P.; Shankar, K. Optimization of Planetary Gearbox Using NSGA-II. In Recent Advances in Mechanical Engineering: Select Proceedings of ICRAME 2020, Virtual Event, 7–9 February 2020; Springer: Singapore, 2021. [Google Scholar]
  6. Alam, J.; Panda, S. A comprehensive study on multi-objective design optimization of spur gear. Mech. Based Des. Struct. Mach. 2023, 51, 5272–5298. [Google Scholar] [CrossRef]
  7. Patil, M.; Ramkumar, P.; Shankar, K. Multi-objective optimization of spur gearbox with inclusion of tribological aspects. J. Frict. Wear 2017, 38, 430–436. [Google Scholar] [CrossRef]
  8. Terán, C.V.; Gómez, J.M.; Milla, J.C.L. Material selection through of multi-criteria decisions methods applied to a helical gearbox. Int. J. Math. Oper. Res. 2020, 17, 90–109. [Google Scholar] [CrossRef]
  9. Sabarinath, P.; Thansekhar, M.; Jeganathan, R.; Saravanan, R. Multi objective Design Optimization of Helical gear pair using Adaptive parameter Harmony search Algorithm. Appl. Mech. Mater. 2015, 813–814, 1032–1036. [Google Scholar] [CrossRef]
  10. Le, X.-H.; Vu, N.-P. Multi-objective optimization of a two-stage helical gearbox using taguchi method and grey relational analysis. Appl. Sci. 2023, 13, 7601. [Google Scholar] [CrossRef]
  11. Tran, H.-D.; Le, X.-H.; Nguyen, T.-T.; Hoang, X.-T.; Trieu, Q.-H.; Vu, N.-P. Application of the Taguchi Method and Grey Relational Analysis for Multi-Objective Optimization of a Two-Stage Bevel Helical Gearbox. Machines 2023, 11, 716. [Google Scholar] [CrossRef]
  12. Hofstetter, M.; Lechleitner, D.; Hirz, M.; Gintzel, M.; Schmidhofer, A. Multi-objective gearbox design optimization for xEV-axle drives under consideration of package restrictions. Forsch. Ingenieurwesen 2018, 82, 361–370. [Google Scholar] [CrossRef]
  13. Istenes, G.; Polák, J. Investigating the Effect of Gear Ratio in the Case of Joint Multi-Objective Optimization of Electric Motor and Gearbox. Energies 2024, 17, 1203. [Google Scholar] [CrossRef]
  14. Nguyen, T.T.; Nguyen, H.D.; Duong, M.Q. Optimal Power Flow Solutions for Power System Considering Electric Market and Renewable Energy. Appl. Sci. 2023, 13, 3330. [Google Scholar] [CrossRef]
  15. Simon, V.V. Multi-objective optimization of hypoid gears to improve operating characteristics. Mech. Mach. Theory 2020, 146, 103727. [Google Scholar] [CrossRef]
  16. Ding, H.; Li, H.; Chen, S.; Shi, Y.; Wang, Y.; Rong, K.; Lu, R. Energy loss and mechanical efficiency forecasting model for aero-engine bevel gear power transmission. Int. J. Mech. Sci. 2022, 231, 107569. [Google Scholar] [CrossRef]
  17. Römhild, I.; Linke, H. Gezielte Auslegung Von Zahnradgetrieben mit minimaler Masse auf der Basis neuer Berech-nungsverfahren. Konstruktion 1992, 44, 229–236. [Google Scholar]
  18. Chat, T.; Van Uyen, L. Design and Calculation of Mechanical Transmissions Systems, Vol. 1; Educational Republishing House: Hanoi, Vietnam, 2007. [Google Scholar]
  19. Jelaska, D.T. Gears and Gear Drives; John Wiley & Sons: Hoboken, NJ, USA, 2012. [Google Scholar]
  20. Buckingham, E. Analytical Mechanics of Gears; Dover Publications, Inc.: New York, NY, USA, 1988. [Google Scholar]
  21. Sri, K.; Hartati, S.; Harjoko, A.; Wardoyo, R. Fuzzy Multi-Attribute Decision Making (Fuzzy MADM); Graha Ilmu: Yogyakarta, Indonesia, 2006. [Google Scholar]
  22. Hieu, T.T.; Thao, N.X.; Thuy, L. Application of MOORA and COPRAS models to select materials for mushroom cultivation. Vietnam. J. Agric. Sci. 2019, 17, 32–2331. [Google Scholar]
  23. Hung, T.Q.; Tung, L.A. Application of Taguchi Technique and Grey Relational Analysis for Multi-Target Optimization of Two-stage Helical Gearboxes. Adv. Image Video Process. 2023, 11, 372–387. [Google Scholar]
Figure 1. Calculated schema.
Figure 1. Calculated schema.
Machines 12 00365 g001
Figure 2. Schema for the determination of the lubrication parameters.
Figure 2. Schema for the determination of the lubrication parameters.
Machines 12 00365 g002
Figure 3. The process for solving the multi-objective problem.
Figure 3. The process for solving the multi-objective problem.
Machines 12 00365 g003
Figure 4. Gearbox cross-section area versus first-stage gear ratio.
Figure 4. Gearbox cross-section area versus first-stage gear ratio.
Machines 12 00365 g004
Figure 5. Gearbox efficiency versus first-stage gear ratio.
Figure 5. Gearbox efficiency versus first-stage gear ratio.
Machines 12 00365 g005
Figure 6. Xba1 versus gearbox cross-section area (a) and gearbox efficiency (b).
Figure 6. Xba1 versus gearbox cross-section area (a) and gearbox efficiency (b).
Machines 12 00365 g006
Figure 7. Xba2 versus gearbox cross-section area (a) and gearbox efficiency (b).
Figure 7. Xba2 versus gearbox cross-section area (a) and gearbox efficiency (b).
Machines 12 00365 g007
Figure 8. Optimum gear ratio of the first stage versus the total gearbox ratio for single objective functions.
Figure 8. Optimum gear ratio of the first stage versus the total gearbox ratio for single objective functions.
Machines 12 00365 g008
Figure 9. Wheel face width coefficient of the first stage versus the total gearbox ratio.
Figure 9. Wheel face width coefficient of the first stage versus the total gearbox ratio.
Machines 12 00365 g009
Figure 10. Optimum gear ratio of the first stage versus the total gearbox ratio for multi-objective function.
Figure 10. Optimum gear ratio of the first stage versus the total gearbox ratio for multi-objective function.
Machines 12 00365 g010
Figure 11. Optimum values of u1 found by the old and new methods.
Figure 11. Optimum values of u1 found by the old and new methods.
Machines 12 00365 g011
Figure 12. Minimum gearbox cross-section area values found by the old and new methods.
Figure 12. Minimum gearbox cross-section area values found by the old and new methods.
Machines 12 00365 g012
Figure 13. Maximum gearbox efficiency values found by the old and new methods.
Figure 13. Maximum gearbox efficiency values found by the old and new methods.
Machines 12 00365 g013
Table 1. The nomenclatures used in the optimization work.
Table 1. The nomenclatures used in the optimization work.
ParametersNomenclatureUnits
Allowable contact stress of stage 1AS1MPa
Allowable contact stress of stage 2AS2MPa
Allowable shear stress of shaft material[τ]MPa
Arc of approach on i stage β a i
Arc of recess on i stage β r i
Base-circle radius of the pinion R 01 i mm
Base-circle radius of the gear R 02 i mm
Contacting load ratio for pitting resistancek-
Center distance of stage 1aw1mm
Center distance of stage 2aw2mm
Diameter of shaft idsimm
Efficiency of a helical gearboxηhb-
Efficiency of the i stage of the gearboxηgi-
Efficiency of a helical gear unitηhg-
Efficiency of a rolling bearing pairηb-
Friction coefficientf-
Friction coefficient of bearingfb-
Gearbox cross-section areaAgbdm2
Gearbox lengthLdm
Gearbox heightHdm
Gear ratio of stage 1u1-
Gear ratio of stage 2u2-
Gearbox ratiougb-
Gear width of stage 1bw1mm
Gear width of stage 2bw2mm
Hydraulic moment of power lossesTHNm
ISO viscosity grade numberVG40
Length of shaft ilsimm
Load of bearing iFiN
Material coefficientkaMPa1/3
Output torqueToutNmm
Outside radius of the pinion R e 1 i mm
Outside radius of the gear R e 2 i mm
Outside diameter of the gear of stage ida2imm
Peripheral speed of bearingvbm/s
Pitch diameter of the pinion of stage 1dw11mm
Pitch diameter of the gear of stage 2dw21mm
Pitch diameter of the pinion of stage 2dw12mm
Pitch diameter of the gear of stage 2dw22mm
Power loss in the gearsPlgkW
Power loss in the bearingsPlbkW
Power loss in the sealsPlskW
Power loss in the idle motionPzokW
Pressure angleαrad.
Sliding velocity of gearvm/s
Total power loss in the gearboxPl
Torque on the pinion of stage iT1iNmm
Wheel face width coefficient of stage 1Xba1-
Wheel face width coefficient of stage 2Xba2-
Table 2. Input parameters.
Table 2. Input parameters.
ParametersSymbolLower BoundUpper Bound
Gearbox ratio of the first stageu119
CWFW of stage 1Xba10.250.4
CWFW of stage 2Xba20.250.4
Table 3. Optimum main design factors of two single objectives.
Table 3. Optimum main design factors of two single objectives.
ObjectiveFactorut
51015202530
u12.824.495.887.128.269.33
AgbXba10.40.40.40.40.40.4
Xba20.40.40.40.40.40.4
u11.512.492.983.493.984.42
ηgbXba10.250.250.250.250.250.25
Xba20.250.250.250.250.250.25
Table 4. New constraints of u1.
Table 4. New constraints of u1.
utu1
Lower LimitUpper Limit
51.412.92
102.394.59
152.885.98
203.397.22
253.888.36
304.329.43
Table 5. Main design parameters and output results for ut = 20 in the fourth run of SAW.
Table 5. Main design parameters and output results for ut = 20 in the fourth run of SAW.
Trialu1Xba1Xba2Agb (dm2)ηgb (%)
16.360.250.2517.4493.41
26.360.250.2916.2393.39
36.360.250.3315.2593.38
46.360.250.3614.5793.36
56.360.250.4014.2893.39
66.360.290.2517.1892.36
236.360.400.3314.4988.33
246.360.400.3613.6988.31
256.360.400.4013.0288.35
506.370.400.4013.0288.33
516.380.250.2517.4293.39
526.380.250.2916.2193.37
716.380.400.2516.688.32
726.380.400.2915.4388.3
736.380.400.3314.4788.29
946.390.360.3613.8289.7
956.390.360.4013.1489.74
966.390.400.2516.5988.3
1236.40.400.3314.4688.24
1246.40.400.3613.6788.22
1256.40.400.401388.26
Table 6. Several calculated results and ranking of alternatives by SAW for ut = 20.
Table 6. Several calculated results and ranking of alternatives by SAW for ut = 20.
TrialnịjViRank
Agbηgb
10.74541.00000.8555120
20.80100.99980.887099
30.85250.99970.916175
40.89220.99950.938646
50.91040.99980.949024
60.75670.98880.8570109
230.89720.94560.918170
240.94960.94540.947837
250.99850.94580.975714
500.99850.94560.975615
510.74630.99980.8559115
520.80200.99960.887492
710.78310.94550.8533124
720.84250.94530.887098
730.89840.94520.918667
940.94070.96030.949123
950.98930.96070.97701
960.78360.94530.8535122
1230.89900.94470.918866
1240.95100.94440.948233
1251.00000.94490.97629
Table 7. Optimum main design parameters.
Table 7. Optimum main design parameters.
No.ut
51015202530
u12.794.375.636.397.728.36
Xba10.40.40.40.360.320.28
Xba20.40.40.40.40.40.4
Disclaimer/Publisher’s Note: The statements, opinions and data contained in all publications are solely those of the individual author(s) and contributor(s) and not of MDPI and/or the editor(s). MDPI and/or the editor(s) disclaim responsibility for any injury to people or property resulting from any ideas, methods, instructions or products referred to in the content.

Share and Cite

MDPI and ACS Style

Dinh, V.-T.; Tran, H.-D.; Vu, D.-B.; Vu, D.; Vu, N.-P.; Luu, A.-T. Application of a Multi-Criterion Decision-Making Method for Solving the Multi-Objective Optimization of a Two-Stage Helical Gearbox. Machines 2024, 12, 365. https://doi.org/10.3390/machines12060365

AMA Style

Dinh V-T, Tran H-D, Vu D-B, Vu D, Vu N-P, Luu A-T. Application of a Multi-Criterion Decision-Making Method for Solving the Multi-Objective Optimization of a Two-Stage Helical Gearbox. Machines. 2024; 12(6):365. https://doi.org/10.3390/machines12060365

Chicago/Turabian Style

Dinh, Van-Thanh, Huu-Danh Tran, Duc-Binh Vu, Duong Vu, Ngoc-Pi Vu, and Anh-Tung Luu. 2024. "Application of a Multi-Criterion Decision-Making Method for Solving the Multi-Objective Optimization of a Two-Stage Helical Gearbox" Machines 12, no. 6: 365. https://doi.org/10.3390/machines12060365

APA Style

Dinh, V.-T., Tran, H.-D., Vu, D.-B., Vu, D., Vu, N.-P., & Luu, A.-T. (2024). Application of a Multi-Criterion Decision-Making Method for Solving the Multi-Objective Optimization of a Two-Stage Helical Gearbox. Machines, 12(6), 365. https://doi.org/10.3390/machines12060365

Note that from the first issue of 2016, this journal uses article numbers instead of page numbers. See further details here.

Article Metrics

Back to TopTop