Next Article in Journal
Mathematical Complexities in Modelling Damage in Spur Gears
Previous Article in Journal
Objective Evaluation of Motion Cueing Algorithms for Vehicle Driving Simulator Based on Criteria Importance through Intercriteria Correlation (CRITIC) Weight Method Combined with Gray Correlation Analysis
 
 
Font Type:
Arial Georgia Verdana
Font Size:
Aa Aa Aa
Line Spacing:
Column Width:
Background:
Article

Determination of Mechanical Power Loss of the Output Mechanisms with Serially Arranged Rollers in Cycloidal Gears While Taking into Account Manufacturing Tolerances

by
Piotr Antoniak
and
Sławomir Bednarczyk
*
Faculty of Mechanical Engineering, Wrocław University of Science and Technology, Wybrzeże Stanisława Wyspiańskiego 27, 50-370 Wrocław, Poland
*
Author to whom correspondence should be addressed.
Machines 2024, 12(5), 345; https://doi.org/10.3390/machines12050345
Submission received: 15 April 2024 / Revised: 10 May 2024 / Accepted: 13 May 2024 / Published: 16 May 2024
(This article belongs to the Section Electrical Machines and Drives)

Abstract

Despite their complex design, cycloidal gearboxes are characterized by high efficiency. Nevertheless, due to friction, some power is lost during gearbox operation. Basically, these losses occur in two structural nodes: the cycloid gearing and the output mechanism. Since the first of these nodes has been well discussed in the literature, the output mechanism will be discussed in this article. The design of the output mechanism has a significant impact on mechanical power losses. There are several mechanism design solutions. One of them is a mechanism with serially arranged rollers. Three solutions that are different in design but work identically will be discussed. Due to this affinity, a single, common mathematical model will be used to determine the value of losses. As will be shown, the value of losses is directly affected by the backlash, number, and diameter of the rollers used in the output mechanism and indirectly by the ratio and eccentricity of the cycloidal gearbox. Sample calculations were carried out using the developed model of mechanical power losses in the output mechanism. This made it possible to analyze the distribution of backlash created by manufacturing tolerances. It was also shown that the backlash has a significant effect on the number of rollers involved in torque transmission, as well as on the distribution of loads, contact pressures, and mechanical power losses.

1. Introduction

Cycloidal gearboxes have several advantages, with high efficiency coming to the fore. This results from the fact that rolling nodes are used to transfer power from the input shaft to the output shaft, which includes the gearing, the output mechanism, and the central bearing node on the input shaft. In cycloidal reducers, the most commonly used output mechanism is one made of pins with bushings. The authors of [1] presented a method for determining the forces in the rolling nodes of a cycloidal reducer and determined its theoretical efficiency. In [2], a new concept of a cycloidal reducer is presented, for which a simplified method for determining the forces in the meshing is presented, and the theoretical mechanical efficiency based on experimental tests is described. In addition, the dependence of mechanical efficiency on speed and torque is also explained.
On the other hand, the authors of [3] presented and compared two methods (Malhotra’s and Gorla’s methods) for determining the efficiency of a single-stage cycloidal reducer. In [4], a comparative analysis of three analytical methods for determining the efficiency of a cycloidal drive is presented, and the results of the analyses are compared with the results of experimental tests. The effect of friction on the distribution of forces in the rolling nodes of the cycloidal reducer and the value of the friction torque and efficiency were discussed in [5]. In [6], the gearbox efficiency was determined using the reverse mechanism method. The authors of [7] presented an analysis of the effect of the mineral-based and synthetic lubricants used on the efficiency of a single-stage cycloidal gearbox based on experimental tests.
In [8], an analytical model of a cycloidal drive was developed, taking into account machining tolerances. It was noted that machining tolerances affect the backlash and the torque pulsation. Paper [9] presented an analysis of the performance of a cycloidal reducer with meshing machining tolerances using an approximate force distribution in a backlash-free cycloidal reducer. The authors of [10] presented an analytical method for determining losses in cycloidal gear meshing (epi- and hypocycloidal) considering the machining deviations of the meshing elements. Article [11] presents a method for the analysis of kinematic errors and the selection of machining tolerances in cycloidal reducers. For this purpose, the Monte Carlo method was used. A dynamic model for an accurate prediction of the number of rollers used to transfer the load in a cycloidal reducer with assembling backlash was presented in [12]; in this model, both normal and tangential forces were considered.
It is not only in the meshing that mechanical power losses occur that due to machining tolerances but also in the output mechanism. In [13], a model for the backlash and force distribution in the output mechanism of a cycloidal reducer, consisting of pins and bushings, was developed and analyzed with regard to machining deviations.
Cycloidal gearboxes are undergoing continuous development. One direction is the design of two-stage reducers [14,15], and even three-stage reducers [16]. In [14,15], the authors proposed two-stage reducers consisting of two cycloidal gears, one for each reduction stage. The differences lie in the way the drive is transferred from one stage to the other. In [14], a plate with pins was used, while the authors of [15] used a mechanism based on an Oldham clutch. A compact cycloidal gearbox, and, at the same time, a very high gear ratio were obtained by designing a three-stage reducer (virtual prototype) using an architecture called Nested [16]. It involves the use of epi- and hypocycloidal meshing, which eliminates the commonly used output mechanism in two stages. In this case, the meshing acts as an additional output mechanism.
The next stage of development is the use of different types of solutions for the output mechanism. Sometimes, it is a modification of an existing solution [17]. The ends of the pins were supported in rolling bearings, obtaining only rolling friction in the pin output mechanism. With this solution, the efficiency of the cycloid gearbox was improved. The authors of [18] proposed a novel method of optimizing the crankshaft bearings of Nabtesco RV reducer, in which rotational motion from the cycloidal gears is transmitted to the output disc using its stops, trapezoidal in shape, located in the trapezoidal holes of these gears. In [19], Nabtesco RV cycloidal reducer was compared with Spinea TwinSpin cycloidal reducer by determining the stresses and deformations of the reducers’ main elements. The reducers differ from each other only if the output mechanism used. In the TwinSpin reducer, cross-shaped transformation elements are placed between the cycloidal gears and the output discs, whose motion is restricted by the stops of the cycloidal gears and rollers. The task of the transformation elements is to convert the planetary motion of the cycloidal gears into the rotary motion of the output discs.
The authors of the paper [20] compared two solutions of the cycloid gearbox, differing in the output mechanism. One gearbox was characterized by the output mechanism being a second-stage wheel rigidly connected to the output shaft (the Wolfrom configuration), while the other used the well-known pin output mechanism. This solution resulted in a smaller number of parts relative to the two-stage gearbox with a pin output mechanism. Publications [21,22] present a new solution of a single-stage cycloidal reducer with modified meshing and an output mechanism based on the cooperation of rollers with output disc stops. A new algorithm for determining the forces in the modified tooth profile was presented [21]. After analyzing the structure of the reducer, the places where the lost motion occurs were selected [22]. These are mainly the modified meshing and the output mechanism. Then, the lost motion in each of them, and finally, the whole reducer, was mathematically described. The theoretical analysis was verified experimentally. Alternatively, the author of [23] proposed adding an output mechanism made of a disc and four pins to a reducer with one or two cycloidal gears. An output mechanism composed of a sliding plate and rollers cooperating simultaneously with the cycloidal gear and the output disc was presented in [9,24].
Cycloid gearboxes with a pin output mechanism are commonly used. They are widely described and studied [1,2,3,4,5,6,7,8,11,12,13]. Alternatively, mechanisms with rollers can be used. The output mechanisms presented in [9,19,21,22,24] can be classified as mechanisms with serially arranged rollers. The authors in these articles narrowly presented the output mechanisms, usually when analyzing the whole reducer.
In [9], the efficiency of a cycloid gearbox with backlash was determined by determining the power losses in the gearing, output mechanism, and bearing. Mathematical models of power losses were adopted for this purpose, including for the output mechanism. The FEM (Finite Elements Method) [9,24] was used to determine contact forces in the gearbox with backlash. This required building a numerical model of the gearbox based on the known geometry of its elements. In addition, the proposed model of power losses in the output mechanism is based on the assumption that there is sliding friction characterized by a constant friction coefficient. Another simplification that has been applied is that the motion (oscillation) of the rollers during the operation of the gearbox has been ignored. Power losses in the gearbox were estimated for the assumed clearance distributions; it was not indicated how they were determined. In turn, lost motion in the output mechanism was described in [22]. A mathematical expression has been derived in which the lost motion in the output mechanism is described as the angle by which the motion transforming element should rotate in order to cancel the backlash. Although some solutions have found their way into production using the TwinSpin reducer as an example [19], there are few studies on these output mechanisms. Knowing them in a broader context will make it possible to choose a solution in terms of mechanical losses.
This paper is an attempt to fill this gap by means of a developed mathematical model of power losses in a mechanism with serially arranged rollers of a universal nature. The mathematical model presented does not require the building of a numerical model. It was assumed that only rolling friction occurs in the mechanism. It was assumed that the rollers move in an oscillatory motion relative to the other elements of the mechanism. The influence of the geometry of the elements of the mechanism on the losses occurring in it was taken into account. Its form takes into account the machining deviations of the mechanism elements, which affect the backlash appearing in it and the uneven distribution of the load transferred by the rollers. For this purpose, a model was developed for the backlash distribution occurring in the mechanism, taking into account the machining deviations of its elements.
The contents of this article are organized as described below.
Section 2 describes the construction and principle of operation of an output mechanism with serially arranged rollers.
The determination of the backlash created by the manufacturing deviations of the components that make up the mechanism is presented in Section 3.
In Section 4, an expression describing the loads acting on the rollers, taking into account the backlash, is derived.
As a result of backlash in the mechanism, not all rollers are in contact with the other components. Hence, the effective number of rollers transferring torque was determined in Section 5.
Verification of the output mechanism with serially arranged rollers in terms of strength will be possible thanks to the contact stress model adopted in Section 6.
Section 7 presents a mathematical model of the mechanical loss of power in the output mechanism. Expressions describing backlash (Section 3), loads (Section 4), and the effective number of rollers (Section 5) were used to build it.
The results of the example calculations and their discussion are placed in Section 8.
Section 9 presents a summary and conclusions.

2. Design and Principle of Operation

The task of the output mechanism is to receive the movement from the cycloidal gears and transmit it to the output flange. When receiving motion, the planetary motion of the cycloidal gears is transformed into the rotational motion of the output flange. Figure 1 shows the structure of three different output mechanisms with rollers arranged in series. The main difference between them is the shape of the transformation member 4, which converts the planetary motion of the cycloidal gear 2 into the rotational motion of the output flange. In the solution from Figure 1a [19], it is a cross 4, while in Figure 1b [9,24], it is a cuboid-shaped sliding plate 4 with a square base. However, in the third solution, shown in Figure 1c [21,22], the transformation member 4 is a disc with cut-out holes. In addition to the transformation member 4, the output mechanism consists of sets of rollers 6 and 7, which cooperate with stops 5 of the cycloidal gear 2 and stops 8 of the output flange, respectively. Each set of rollers consists of n rollers. The shape of stops 5 and 8 often results from the shape of transformation member 4.
The principle of operation of the output mechanisms listed in Figure 1 is identical. When the cycloidal gear 2 rotates, the gear stops 5, via the rollers 6, exert pressure on the surfaces of the transformation member 4 parallel to the surfaces of the gear stops, thus causing the transformation member 4 to rotate. Then, the surfaces of the transformation member 4, perpendicular to its surfaces and cooperating with the stops of the cycloidal gear 2, exert pressure through the rollers 7 on the output flange stops 8, causing the output flange to rotate.
In each solution presented in Figure 1, the transformation members 4 and stops 5 and 8 move relative to the roller sets 6 and 7, setting the rollers in rotary motion. Between them, there is an identical friction process, causing a loss of mechanical power regardless of the solution. The only difference between them is the distance of the sets of rollers from each other. In the solution (Figure 1b), set 6 is closest to set 7, while in the solution (Figure 1c), it is farthest. Nevertheless, this does not affect the fact that mechanical power losses occur differently.
Therefore, later in the paper, the determination of mechanical power losses in the output mechanism with rollers arranged in series will be discussed using the example of the solution in Figure 1b.

3. Backlash

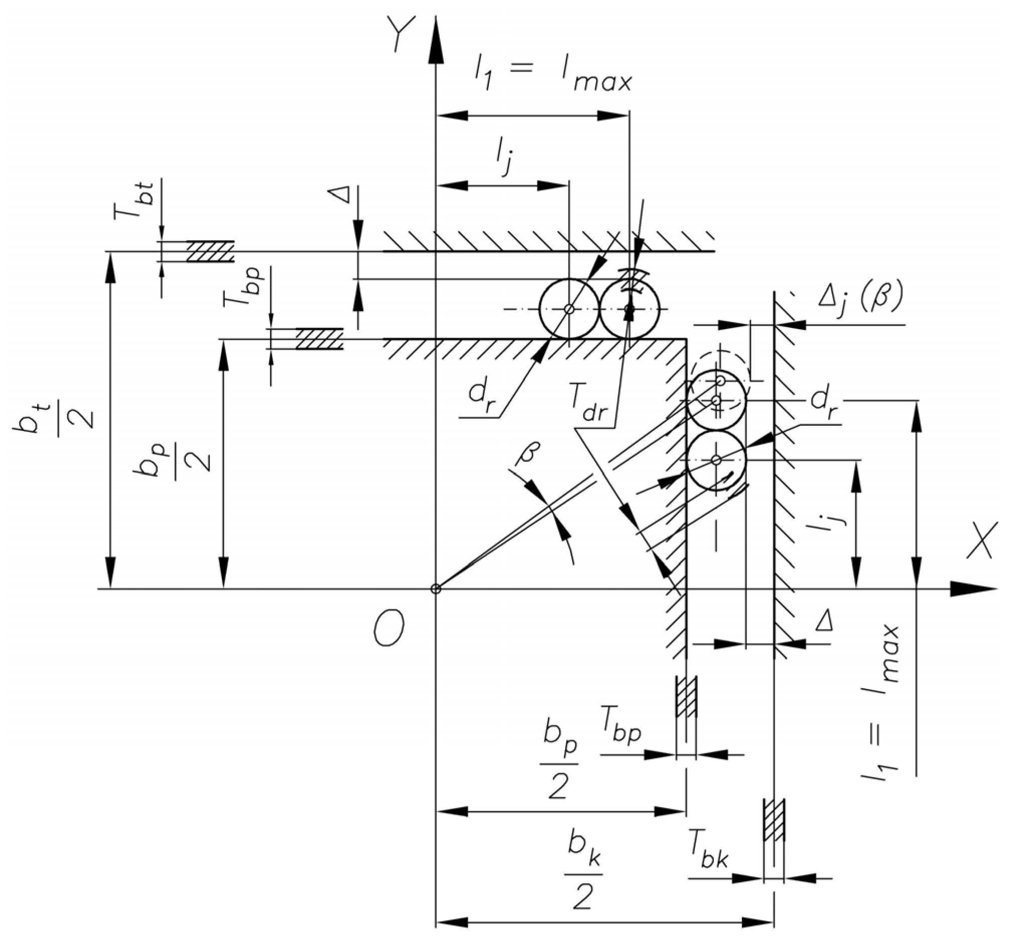
The output mechanism of the cycloidal gearbox, as shown in Figure 2, consists of a sliding plate 4 and sets of rollers 6 and 7, which, respectively, cooperate with the stops of the cycloidal gear 2, taking torque MK from the cycloidal gear 2. Then the rollers 7 acting on the stops 8 of the output flange transmit torque Msp from the output mechanism to the output side of the cycloidal gearbox.
The components of the output mechanism are made with a certain tolerance, T. Thus, a backlash (initial) ∆ appears between them. Figure 3 shows the machining tolerance of particular components that have an impact on the backlash ∆. The stops made in the cycloidal gear form a groove with a width bk, while between the stops in the flange, there is a groove with a width bt. Between the grooves is a sliding plate with side dimensions matching the dimensions bk and bt, respectively, and a roller with a diameter dr. Thus, as a general solution, the base of the plate can be a rectangle.
Therefore, the following types of tolerance can be identified:
  • Machining tolerance for the groove width bk in the cycloidal gear—Tbk;
  • Machining tolerance for the width bp of the sliding plate—Tbp;
  • Machining tolerance for the diameter dr of the roller—Tdr;
  • Machining tolerance for the groove width bt in the flange—Tbt.
The following assumptions were made to determine the backlash in the output mechanism ∆:
  • The machining tolerance T of the surfaces of the output mechanism components is distributed symmetrically as compared to the nominal dimension.
  • The surfaces of the output mechanism components cooperating with the rollers are parallel to each other.
  • All rollers in the output mechanism have identical machining deviations.
  • The meshing exerts no impact on the operation of the output mechanism.
As can be seen from the design of the output mechanism (Figure 3), backlash ∆ occurs in two places between the following:
  • The sliding plate, rollers, and groove in the cycloid gear.
  • The sliding plate, rollers, and groove in the flange.
If the assumptions are met, backlash ∆ takes a constant value.
Therefore, the backlash in the output mechanism between the sliding plate, the rollers, and the groove in the cycloidal gear can be determined as follows:
Δ = b k + δ b k b p + δ b p 2 d r + δ d r
Similarly, the backlash ∆ between the sliding plate, rollers and groove in the flange is as follows:
Δ = b t + δ b t b p + δ b p 2 d r + δ d r
where
  • δbk—machining deviation of the groove width bk in the cycloidal gear, within tolerance Tbk;
  • δbp—deviation of the side of the sliding plate bp in the cycloidal gear, within tolerance Tbp;
  • δdr—machining deviation of the roller diameter dr, within tolerance Tdr;
  • δbt—machining deviation of the groove width bt in the flange, within tolerance Tbt.
If the cycloidal gear is rotated by a very small angle β, then the backlash ∆ between the grooves of the cycloidal gear, the rollers, and the sliding plate, will not be constant, and for the j-th roller, it will equal:
Δ j ( β ) = Δ sin β l j
where
  • lj—the distance between the roller center and the OX or OY axis:
l j = l max j 1 d r *
where
  • d*r—the diameter of roller dr with regard to the machining deviation δdr, d r * = d r + δ d r .
For very small angles β, it can be assumed that sinβ = β. Therefore, expression (3) takes the following form:
Δ j ( β ) = Δ β l j
The same holds true for backlash ∆ created between the stops of the flange, the rollers, and the sliding plate, with the difference that, in this case, the sliding plate rotates by angle β to the flange stops. For easier analysis and without making a mistake, it can be assumed that the sliding plate rotates by angle β to the stops of the cycloidal gear and the flange. Thus, in order to eliminate the backlash in the j-th roller, the sliding plate must be rotated by angle βj, that is,
β Δ j = Δ l j
It can be seen that rotating the sliding plate by angle βj removes the backlash ∆ for the j-th roller and for all rollers with lower indices. In addition, the following conclusions follow from relation (6):
  • Backlash ∆ will be removed on the first roller after rotating the plate by an angle:
β Δ 1 = Δ l 1 = Δ l max
  • Backlash ∆ will be removed on the j-th roller after rotating the plate by angle:
β Δ j = Δ l j = Δ l max j 1 d r *
  • Backlash ∆ will be removed on the n-th (last) roller after rotating the plate by angle:
β Δ n = Δ l n = Δ l max n 1 d r *
  • After rotating the plate by angle β < β∆1, no rollers will carry the load;
  • After rotating the plate by angle β < βj, only j − 1 rollers will carry the load;
  • After rotating the plate by angle ββn, all rollers will carry the load.

4. Loads

As a result of the operation of the cycloidal gearbox, i.e., during the transmission of the torque MK through the output mechanism, loads Fj, which are shown in Figure 2, occur. According to Hertz’s theory [22], the value of the load F in the contact between the roller and the plane is equal to the following:
F = π 4 E * L δ
where
1 E * = 1 ν k 2 E k + 1 ν r 2 E r   or 1 E * = 1 ν p 2 E p + 1 ν r 2 E r ,   or   1 E * = 1 ν t 2 E t + 1 ν r 2 E r
  • Ek—Young’s modulus of the material of which the cycloidal gear is made;
  • Er—Young’s modulus of the material of which the roller is made;
  • Ep—Young’s modulus of the material of which the sliding plate is made;
  • Et—Young’s modulus of the material of which the flange is made;
  • vk—Poisson’s number of the material of which the cycloidal gear is made;
  • vr—Poisson’s number of the material of which the roller is made;
  • vp—Poisson’s number of the material of which the sliding plate is made;
  • vt—Poisson’s number of the material of which the flange is made.
If the cycloidal gear, rollers, sliding plate, and flange are made of identical material, i.e., Ek = Er = Ep = Et = E and νk = νr = νp = νt = ν, the following can be written:
E * = E 2 1 ν 2
  • L—the length of the roller;
  • δ—the displacement of the center of the roller under load F, causing deformation of the roller.
For the output mechanism under consideration, the displacement δj(β) of the centers of particular rollers can be represented as follows:
δ j ( β ) = β l j Δ
In view of this, the load Fj(β) occurring at the point of contact between the roller and the plane during cycloidal gearbox operation is as follows:
F j ( β ) = π 4 E * L H j δ j ( β ) = π 4 E * L H j β l j Δ
where
  • Hj—Heaviside function, defined as the following:
H j = 0 , δ j ( β ) < 0 1 , δ j ( β ) 0
The analysis of expression (9) shows that load Fj(β) is proportional to the distance lj. Considering expression (4) and the condition: δj(β) > 0, i.e., when Hj = 1, the maximum load Fmax(β) will occur at the contact of the 1st roller (Figure 2) and will equal the following:
F max ( β ) = F 1 ( β ) = π 4 E * L β l max Δ

5. Effective Number of Rollers

During the operation of the cycloidal gearbox (Figure 2), torque MK is transmitted during the interaction of the stops of the cycloidal gear with the rollers and the sliding plate and the interaction of the sliding plate with the rollers and the stops of the flange. Since there are two sets of n rollers in each assembly, the value of the total torque Mn(β) transmitted by the rollers equals the following:
M n ( β ) = 2 j = 1 n M j ( β )
where
  • Mj(β)—partial torque.
The partial torque Mj(β) is generated by the load Fj(β) acting on the arm lj and can be calculated as follows:
M j ( β ) = F j ( β ) l j
Substituting expression (8) into expression (13) yields the following:
M j ( β ) = π 2 E * L H j β l j 2 Δ l j
Therefore, the total torque Mn(β) equals the following:
M n ( β ) = π 2 E * L j = 1 n H j β l j 2 Δ l j = π 2 E * L β j = 1 n H j l j 2 Δ j = 1 n H j l j
During the operation of the cycloidal gearbox, the output mechanism transmits a torque equal to MK, i.e., Mn(β) = MK, which requires rotation of the mechanism by angle βk. The value of angle βk can be determined by transforming expression (15), which gives the following:
β k = M K + π 2 E * L Δ j = 1 n H j l j π 2 E * L Δ j = 1 n H j l j 2 = 2 M K π E * L j = 1 n H j l j 2 + Δ j = 1 n H j l j j = 1 n H j l j 2
However, as a result of the machining tolerances T adopted for the components of the output mechanism, backlash ∆, which occurs in it, takes on a value in the range ∆min ÷ ∆max. Consequently, a different number of rollers from the range 1 ÷ n may take part in the transmission of torque MK, depending on the value of backlash ∆. It is, therefore, necessary to determine the effective number of rollers m from the range 1 ÷ n required to transfer the torque MK for a given backlash ∆.
It is possible to determine the effective number of simultaneously cooperating rollers m required to transmit torque MK by comparing the value of torque MK with the value of the maximum torque M max m . The value of torque M max m is equal to the value of the total torque Mn(β), calculated for a rotation of angle β, at which the backlash ∆ for the (m + 1)-th roller is removed (the transfer of a higher torque value required the use of the next, i.e., (m + 1)-th roller). Thus, substituting the following into expression (15): β = β∆ (m+1) and n = m, where m < n, we obtain the following:
M max m = M m ( β Δ ( m + 1 ) ) = π 2 E * L j = 1 m β Δ ( m + 1 ) l j 2 Δ l j = π 2 E * L β Δ ( m + 1 ) j = 1 m l j 2 Δ j = 1 m l j
where:
β Δ ( m + 1 ) = Δ l m + 1 = Δ l max m d r *
It should be noted that under these assumptions (parallel walls, equal diameters of the rollers, etc.), the function Hj takes the value 1 for all m rollers. For the others (i.e., from m + 1 to n), the function Hj takes the value 0. For this reason, expression (15) is simplified to the form (17).
By substituting expression (18) into expression (17) and after transformations, one finally obtains the following:
M max m = π E * L Δ d r * 2 l max m d r * j = 1 m m j + 1 l j
By comparing the values of the maximum torques M max 1 , M max 2 , …, M max n 2 , M max n 1 determined from expression (17) or (19) with the value of torque MK, the effective number of rollers m is determined. The algorithm for determining the effective number of rollers m transferring torque MK is shown in Figure 4. Knowing the number of rollers m necessary to transmit torque MK and using the expression (16), it is possible to determine the value of angle β k m , at which torque MK is balanced by total torque Mm(β):
β k m = 2 M K π E * L j = 1 m l j 2 + Δ j = 1 m l j j = 1 m l j 2
By substituting β = β k m into expression (11), we obtain the following:
F max m = π 4 E * L β k m l max Δ
Similarly, substituting β = β k m into expression (9), we obtain the following:
F j m = π 4 E * L β k m l j Δ

6. Contact Stresses

At the contact points between rollers 5 and the side surfaces of plate 4, contact stresses pj(β) occur, as shown in Figure 2. Their distribution depends on the distribution of loads Fj(β), and the pressures are shown as concentrated loads Fj(β) at the contact points between the rollers 5.
The model shown in Figure 5 can be used to determine the contact stresses pj(β) [25,26].
The contact stresses pj for the model in Figure 5 equal [25,26]:
p j = 2 F j ( β ) π c L
where
  • c—half of the contact width of the roller with the stop of the cycloidal gear, sliding plate or flange.
However, half of the contact width between the roller and the cycloidal gear stop c is determined from expression (24) [25,26]:
c = 2 F j ( β ) d r * π L E *

7. Mechanical Power Losses

A cycloidal gearbox is characterized by the fact that the center of the cycloidal gear O1 is displaced by an eccentricity e relative to the center of rotation O2 of the input shaft. The rotating input shaft with center O2 rotates the eccentrical bearing, thus forcing the cycloidal gear to roll along the circumference of the stationary central gear with rollers (Figure 6).
During gearbox operation, the cycloidal gear rolls to one side inside the central gear with rollers and simultaneously rotates in the opposite direction around its own axis. The meshing of the teeth of the cycloidal gear with the rollers of the central gear causes the rotation around its own axis. This cooperation causes center O1 of the cycloidal gear to move along a circle with a radius equal to eccentricity e relative to the center of rotation O2 of the input shaft. The rotational motion of the cycloidal gear is transmitted to the output shaft, of which the flange is an integral part, by means of a sliding plate placed between the stops of the cycloidal gear and the flange. It should be noted that during the operation of the mechanism, the position of the center of the flange is fixed and corresponds with the center of rotation O2 of the input shaft. It is, however, quite different with the center of rotation O3 of the sliding plate, which constantly changes its position, thus determining a rather complicated motion path, examples of which are shown in Figure 7. In turn, expression (25) describes the coordinates of the position of center O3 depending on the rotation angle β of the input shaft. As can be seen, the motion path of center O3 depends on the transmission ratio u of the cycloidal gearbox and eccentricity e. The number of branches of the motion path corresponds to the value u + 1, and they span within a circle of radius equal to e.
O 3 x = e sin u + 1 1 β cos β u O 3 y = e sin u + 1 1 β sin β u
Rollers are placed between the side surfaces of the sliding plate and the side surfaces of the stops of the cycloidal gear and flange. During the operation of the output mechanism, the angular velocities of the cycloidal gear ωk, the sliding plate ωp, and the flange ωt are equal. However, it should be noted that this does not mean that there is no relative motion of the mentioned components. On the contrary, by analyzing the interaction between the cycloidal gear and the sliding plate, it can be shown that the center of the sliding plate O3 moves relative to the center of the cycloidal gear O1 in the direction of axis Y1. At the same time, the center of the sliding plate O3 moves relative to the center of the flange O2 in the direction of axis X2. The motion of the cooperating surfaces of the stops of the cycloidal gear with the surfaces of the sliding plate takes place with a relative linear velocity of vk-p.
Similarly, the motion of the cooperating surfaces of the sliding plate with the flange stops takes place with a relative linear velocity of vp-t. Since there are rollers between these surfaces, they are put into rotational motion with angular velocities ωk-p and ωp-t, respectively. This process is illustrated in Figure 8. Thus, there is friction between these components, causing a mechanical loss of power PC in the output mechanism. There are four sets of n rollers in the mechanism: two sets related to the cooperation of the rollers with the side surfaces of the cycloidal gear and the sliding plate, and another two related to the cooperation of the rollers with the side surfaces of the sliding plate and the flange. Considering the backlash, torque MK is transmitted by the effective number of rollers m in each set.
Therefore, the total mechanical power loss PC in the output mechanism of a cycloidal gearbox is the sum of the losses due to friction of the rollers against the surfaces of the cycloidal gear and the sliding plate, and friction of the rollers against the surfaces of the sliding plate and the flange, i.e.,
P C = P k p + P p t
Loss of mechanical power in the output mechanism due to friction of the rollers against the surfaces of the cycloidal gear and the sliding plate equals:
P k p = j = 1 m F j ( β ) f r k ω k p β + j = 1 m F j ( β ) f r p ω k p β
where
  • fr-k—rolling friction coefficient between the rollers and the cycloidal gear;
  • fr-p—rolling friction coefficient between the rollers and the sliding plate;
  • ωk-p—angular velocity of the roller placed between the cycloidal gear and the sliding plate.
If the rollers, the cycloidal gear, and the sliding plate are made of the same material, it can be expressed as follows:
f r k = f r p = f
For the adopted model (Figure 5), i.e., the cooperation of a roller with a flat surface, the rolling friction coefficient f between the rollers and the sliding plate can be determined by expression (29) [27]:
f = μ 2 c
where
  • μ—coefficient of sliding friction;
  • c—half of the contact width of the roller with the gear stop, as defined by expression (24).
After substituting expression (28) into expression (27) and after transformations, taking into account that in the initial mechanism, the cycloidal gear, and the sliding plate together with the rollers cooperate in two places, the following result is obtained:
P k p = 4 f ω k p β j = 1 m F j ( β )
Similarly, there is a loss of mechanical power in the output mechanism due to friction of the rollers against the surfaces of the sliding plate and the flange:
P p t = j = 1 m F j ( β ) f r k ω p t β + j = 1 m F j ( β ) f r t ω p t β
where
  • fr-t—coefficient of rolling friction between the rollers and the flange;
  • ωp-t—angular velocity of the roller placed between the sliding plate and the flange.
Proceeding in a similar way to the loss of mechanical power in the output mechanism due to the friction of the rollers against the surfaces of the cycloidal gear and the sliding plate, the final result is obtained:
P p t = 4 f ω p t β j = 1 m F j ( β )
After substituting expressions (30) and (32) into expression (27), we obtain the following:
P C = 4 f ω k p β + ω p t β j = 1 m F j ( β )
As can be seen, the angular velocity of each roller of the output mechanism is a function of the position of the input roller β of the gear shown in Figure 6.
The angular velocities of the rollers can be determined from expressions (34) and (36):
-
For the roller placed between the cycloidal gear and the sliding plate,
ω k p β = v k p β d r * = u + 1 u e d r * ω 0 sin u + 1 u β
where
  • vk-p(β)—linear speed of the roller placed between the cycloidal gear and the sliding plate.
Using Figure 6 and expression (25), the linear velocity of the roller placed between the cycloidal gear and the sliding plate vk-p(β) can be determined as follows:
v k p β = d d t O 1 y O 3 y = e u + 1 u sin u + 1 u β d β d t
-
For the roller placed between the sliding plate and the flange,
ω p t β = v p t β d r * = + u + 1 u e d r * ω 0 cos u + 1 u β
where
  • vp-t(β)—linear speed of the roller placed between the sliding plate and the flange.
Similarly to the determination of the velocity vk-p(β), the linear velocity of the roller placed between the sliding plate and the flange vp-t(β) can be determined as follows:
v p t β = d d t O 3 x O 2 x = + e u + 1 u cos u + 1 u β d β d t
Substituting expressions (34) and (36) into expression (33), after necessary transformations one obtains the following:
P C = 4 e f ω 0 u + 1 u d r * cos u + 1 u β + sin u + 1 u β j = 1 m F j ( β )
The sum of the trigonometric functions from expression (36) is a periodic function, as shown in Figure 9. It can be seen that the period of the sum of trigonometric functions equals ¼ of the period T of its component functions and is determined from expressions (39) and (40):
u + 1 u ω 0 T = 2 π T = 2 π u u + 1 ω 0
Thus,
T 4 = π u 2 u + 1 ω 0
From the graph shown in Figure 9, the sum of the periodic function can be estimated as follows:
1 cos u + 1 u ω 0 T + sin u + 1 u ω 0 T 2
The mean value of the periodic function can also be determined from the following equation:
0 T 4 cos u + 1 u β + sin u + 1 u β d t T 4 = 0 T 4 cos u + 1 u β + sin u + 1 u β d t T 4 = 4 π
By substituting the final result of expression (40) into expression (36), we obtain an expression describing an average value of the power loss PC in the following output mechanism:
P C = 4 e f ω 0 u + 1 u d r * 4 π j = 1 m F j ( β ) = 16 e f ω 0 u + 1 π u d r * j = 1 m F j ( β )

8. Calculation Example

To verify the developed mathematical model of mechanical power loss in the output mechanism of Figure 2 and analyze it, two cases of the mechanism in question were considered. The cases considered differ mainly in the number of rollers n and diameter dr. They were used in cycloidal gearboxes with the same ratio u and eccentricity e, as shown in Figure 10. In case 1, eight sets with n = 6 rollers with a diameter dr = 6 [mm] were used, while in case 2, n = 4 rollers with diameter dr = 9 [mm] were used in each set. The values of geometrical features, machining deviations, material properties, and load are summarized in Table 1. It can thus be seen that in both cases, identical values of groove width in the cycloidal gear bk, groove width in the flange bt, identical materials (E, v), and machining deviations δ were adopted. The mechanisms differ in the values of the sides of the sliding plate bp due to the selection of rollers with different diameters dr. For such causes, the mathematical model of the mechanical power losses in the output mechanism was analyzed in two stages. In stage one, a mechanism with no backlash was considered in order to determine the effect of the number and diameter of the rollers on the mechanical power loss. The second stage of the analysis considered the machining deviations of the elements that make up the output mechanism. This made it possible to determine the clearance between the rollers and the groove surfaces of the cycloid gear and the flange, and consequently its effect on mechanical power losses.
Realizing stage 1, the expression (20) was used to determine the angle βkm by which the sliding plate must rotate to balance the torque MK. The loads Fj(β) acting at the contact between the rollers and the side surface of the sliding plate were determined using equation (22). And the contact pressures pj(β) were determined using expressions (23) and (24). Finally, the mechanical power losses PC were estimated using equation (43). In a backlash-free output mechanism, i.e., ∆ = 0 [mm], all the rollers in the set take part in the transmission of load torque MK, i.e., m = n. Thus, for case 1, the number of active rollers in the set is m = 6, and for the second case, m = 4. Figure 11 summarizes the calculations of loads Fj(β), contact pressure pj(β), and mechanical power losses PC for both cases of the backlash-free mechanism.
Despite the higher values of loads Fj(β) (Figure 11a) in the second case, in which n = 4 rollers with diameter dr = 9 [mm] in each set were used, the contact pressure pj(β) (Figure 11b) and mechanical power losses PC (Figure 11c) are smaller than in the first case, in which n = 6 rollers with diameter dr = 6 [mm] were used.
This means that increasing the diameter dr of the rollers, despite reducing the number of rollers n, which increases the value of loads Fj(β), has a beneficial effect on reducing the value of power losses PC. The value of the angle βkm by which the sliding plate must rotate to balance torque MK and the sum of the mechanical losses PC in the output mechanism are summarized in Table 2.
Analyzing the results of the calculations of angle βkm and mechanical power losses PC summarized in Table 2, it is noticeable that angle βkm takes on greater values for case 2.
In the second stage, the machining deviations of the groove width in the cycloidal gear δbk, the flange δbt, the side of the sliding plate δbp, and the roller diameter δdr were taken into account in the calculations. Their values are presented in Table 1. Using expressions (1) or (2), the backlash was determined, which amounted to ∆ = 0.005 [mm] for all rollers in both cases. Based on expressions (3) and (4), the distribution of the backlash ∆j(β) in the output mechanism was determined for both cases under consideration, as shown in Figure 12. The distribution of the backlash ∆j(β) was obtained by rotating the cycloidal gear by angle β, enabling contact of the first roller of the mechanism with the surface, forming the groove in the cycloidal gear. Thus, on the first roller, the backlash ∆ has been removed.
As can be seen, the distribution of backlash ∆j(β) for both cases is linear, but the values differ. In case 2, the values are larger than in case 1.
Proceeding as in the first stage, the distribution of forces Fj(β) (22), the distribution of contact pressures pj(β) (23) and (24), and the distribution of mechanical power losses PC (43) were determined, while the number of rollers m carrying the torque MK and the angle βkm by which the sliding plate must rotate to balance the torque MK were determined from the algorithm in Figure 4 and expressions (19) and (20). The results of the calculations are summarized in Figure 13.
For the determined backlash ∆ = 0.005 [mm], resulting from the assumed deviations δ, and the distribution of the backlash ∆j(β) resulting from the operation of the gear (Figure 12), it was observed that only two rollers take part in the transmission of load torque MK, i.e., m = 2. The maximum value of load Fj(β), appearing on the first roller, is higher in case 2 than in case 1, similar to the gear without backlash in the output mechanism. However, the value of contact pressure pj(β) is smaller at the contact point between the two rollers in the case with n = 4 rollers in each set than for the mechanism with n = 6 rollers. The situation is similar to the mechanical power losses PC. They obtain smaller values in case 2 than in case 1. The reason for this is the diameter of the rollers dr. A larger diameter dr (case 2) causes smaller values of contact pressure pj(β) and mechanical power losses PC. In contrast, the situation is different for the angle βkm, by which the sliding plate must rotate in order to balance torque MK.
Its values and the sum of the mechanical power losses PC are listed in Table 3. For the mechanism of case 2, this angle obtains greater values than in case 1, similar to mechanisms without backlash. On the other hand, in case 2, losses PC take on smaller values, which results from the smaller value of the roller diameter dr.
Comparing the calculations for gearboxes with output mechanisms without backlash (Figure 11) and with backlash (Figure 13), it can be seen that in the case of the mechanism with backlash, a smaller number of rollers m take part in the transmission of load torque MK than in the gear with a mechanism without backlash; as a result, higher values of loads Fj(β), contact pressure pj(β), and mechanical power losses PC occur in the contact point between the rollers and the other elements forming the mechanism. In contrast, the total sum of the mechanical power losses PC (Table 2 and Table 3) is smaller in the mechanism with backlashes, but, in turn, the value of angle βkm by which the sliding plate must rotate in order to balance torque MK is considerably larger. This results in less precision in the operation of the cycloidal gearbox using the mechanism with backlash, even though the mechanical power losses PC are smaller.

9. Summary and Conclusions

Based on the construction, the principle of operation, and the geometrical dependencies of the output mechanism of a cycloidal gearbox consisting of a sliding plate cooperating with rollers, a mathematical model (43) of the mechanical power losses PC was developed in the output mechanism with serially arranged rollers. In the discussed model, the machining deviations of the mechanism elements were considered. To this end, the distribution of backlashes ∆j(β) was determined using expressions (3) and (4). Next, using expression (19) and the algorithm from Figure 4, the number of rollers m required to transfer the torque MK and the distribution of loads Fj(β) were determined using expression (23) and contact pressure pj(β), which is defined by expression (24). The graphical form of the distribution of backlash ∆j(β), loads Fj(β), contact pressure pj(β), and mechanical power losses PC in the output mechanism without backlash and with backlash is presented in Figure 11, Figure 12 and Figure 13, respectively, using the data summarized in Table 1. After analyzing the mathematical model of mechanical power losses PC presented in the article and the obtained calculation results, the following conclusions can be drawn:
  • In terms of mechanical power losses PC, it is advantageous to use fewer n rollers with a larger diameter dr, as indicated by the distribution of losses PC shown in Figure 11c and Figure 13c. The sum of mechanical power losses PC (Table 2 and Table 3) is smaller for case 2. Comparisons were made for both the mechanism with and without backlash. The effect of roller diameter dr is clear from expression (43), where roller diameter dr is in the denominator.
  • The occurrence of backlash ∆j(β) in the mechanism admittedly reduces losses PC due to the smaller number of rollers involved in the transmission of load torque MK, but it also reduces the precision of operation, as can be seen by comparing the values of angles βkm presented in Table 2 and Table 3.
  • Reducing the number n of rollers and increasing their diameter dr also negatively affects the precision of the work, but not to the same extent as due to backlash ∆j(β). This is clear from comparing the values of the angle βkm for cases 1 and 2 with each other in Table 2 and Table 3.
  • Although decreasing the number n of rollers and increasing their diameter dr results in an increase in loads Fj(β), as shown in Figure 11a and Figure 13a, it has a beneficial effect on the contact pressure pj(β) as it reduces their value (Figure 11b and Figure 13b).
  • The mechanical power losses PC in the discussed output mechanism will be lower if it is used in a cycloidal gearbox with a small value of eccentricity e. However, the choice of eccentricity e should ultimately be considered in terms of cycloidal gearing. This follows from expression (43), where eccentricity e is in the numerator.
  • Analyzing the model of mechanical power losses PC (43) in terms of the impact of ratio u of the cycloidal gearbox, it can be concluded that as ratio u increases, its impact on losses PC decreases. With an increase in the value of the ratio u, the partial expression(u + 1/u) of equation (43) tends to 1. Thus, using the discussed output mechanism in gearboxes with ratio u > 30 is preferable.

Author Contributions

Conceptualization, S.B.; methodology, P.A., S.B.; investigation, S.B.; writing—original draft preparation, P.A., S.B.; writing—review and editing, S.B.; visualization, S.B.; supervision, S.B. All authors have read and agreed to the published version of the manuscript.

Funding

This research received no external funding.

Data Availability Statement

Data are available on request.

Conflicts of Interest

The authors declare no conflicts of interest.

References

  1. Malhotra, S.K.; Parameswaran, M.A. Analysis of a cycloid speed reducer. Mech. Mach. Theory 1983, 18, 491–499. [Google Scholar] [CrossRef]
  2. Davoli, P.; Gorla, C.; Rosa, F.; Longoni, C.; Chiozzi, F.; Samarani, A. Theoretical and experimental analysis of a cycloidal speed reducer. J. Mech. Des. 2008, 130, 112604-1–112604-8. [Google Scholar]
  3. Mačkić, T.; Babić, Ž.; Kostić, N.; Blagojević, M. Cyclo drive efficiency. In Proceedings of the 13th International Conference on Tribology—Serbiatrib’13, Kragujevac, Serbia, 15–17 May 2013; pp. 230–233. [Google Scholar]
  4. Matejić, M.; Blagojević, M.; Cofaru, I.I.; Kostić, N.; Petrović, N.; Marjanović, N. Determining efficiency of cycloid reducers using different calculation methods. In Proceedings of the 9th International Conference on Manufacturing Science and Education—MSE, Sibiu, Romania, 5 June 2019; pp. 1–7. [Google Scholar]
  5. Blagojevic, M.; Kocic, M.; Marjanovic, N.; Stojanovic, B.; Dordevic, Z.; Ivanovic, L.; Marjanovic, V. Influence of the friction on the cycloidal speed reducer efficiency. J. Balk. Tribol. Assoc. 2012, 18, 217–227. [Google Scholar]
  6. He, W.; Lu, Q. Transmission efficiency analysis of pin-cycloid planetary gearing reducer applying two-stage speed reduction used in propeller pitch variator. Adv. Mater. Res. 2011, 199–200, 409–415. [Google Scholar] [CrossRef]
  7. Olejarczyk, K.; Wikło, M.; Kołodziejczyk, K.; Król, K.; Nowak, R. Experimental impact studies of the application mineral oil and synthetic oil on the efficiency of the single-gear cycloidal. Tribologia 2017, 1, 67–73. [Google Scholar] [CrossRef]
  8. Blanche, J.G.; Yang, D.C.H. Cycloid drives with machining tolerances. ASME J. Mech. Des. 1989, 111, 337–344. [Google Scholar] [CrossRef]
  9. Pham, A.D.; Ahn, H.J. Efficiency analysis of a cycloid reducer considering tolerance. J. Frict. Wear 2017, 38, 490–496. [Google Scholar] [CrossRef]
  10. Bednarczyk, S.; Jankowski, L.; Krawczyk, J. The influence of eccentricity changes on power losses in cycloidal gearing. Tribologia 2019, 3, 19–29. [Google Scholar] [CrossRef]
  11. Lin, K.-S.; Chan, K.-Y.; Lee, J.-J. Kinematic error analysis and tolerance allocation of cycloidal gear reducers. Mech. Mach. Theory 2018, 124, 73–91. [Google Scholar] [CrossRef]
  12. Li, X. A dynamic model to predict the number of pins to transmit load in a cycloidal reducer with assembling clearance. Proc. Inst. Mech. Eng. Part C J. Mech. Eng. Sci. 2019, 233, 4247–4263. [Google Scholar]
  13. Bednarczyk, S. Analysis of the cycloidal reducer output mechanism while taking into account machining deviations. Proc. Inst. Mech. Eng. Part C J. Mech. Eng. Sci. 2021, 235, 7299–7313. [Google Scholar] [CrossRef]
  14. Blagojevic, M.; Marjanovic, N.; Djordjevic, Z.; Stojanovic, B.; Disic, A. A new design of a two-stage cycloidal speed reducer. J. Mech. Des. 2011, 133, 085001-1–085001-7. [Google Scholar] [CrossRef]
  15. Bednarczyk, S.; Kalita, M. Reduktor Dwustopniowy Cykloidalny. Patent PL 241110 B1, 1 August 2022. [Google Scholar]
  16. Maccioni, L.; Concli, F.; Blagojevic, M. A new three-stage gearbox concept for high reduction ratios: Use of a nested-cycloidal architecture to increase the power density. Mech. Mach. Theory 2023, 181, 105203. [Google Scholar] [CrossRef]
  17. Xu, L.X.; Zhong, J.L.; Li, Y.; Chang, L. Design and dynamic transmission error analysis of a new type of cycloidal-pin reducer with a rotatable output-pin mechanism. Mech. Mach. Theory 2023, 181, 105218. [Google Scholar] [CrossRef]
  18. Huang, J.; Li, C.; Chen, B. Optimization design of RV reducer crankshaft bearing. Appl. Sci. 2020, 10, 6520. [Google Scholar] [CrossRef]
  19. Lei, S.; Shunke, L.; Weihua, L.; Feixin, C. Comparison of the key structures between RV reducer and Spinea reducer based on finite element method. In Application of Intelligent Systems in Multi-Modal Information Analytics; Sugumaran, V., Xu, Z., Shankar, P., Zhou, H., Eds.; MMIA 2019. Advances in Intelligent Systems and Computing, 929; Springer: Cham, Switzerland, 2019. [Google Scholar] [CrossRef]
  20. Fiorineschi, L.; Frillici, F.S.; Pugi, L.; Federico Rotini, F. Impact of Cycloid’s and Roller’s Dimensional Errors on the Performance of a Cycloidal Drive for Power Transmission. Machines 2023, 11, 772. [Google Scholar] [CrossRef]
  21. Sun, X.X.; Liang, H. A new numerical force analysis method of CBR reducer with tooth modification. J. Phys. Conf. Ser. 2019, 1187, 032053. [Google Scholar] [CrossRef]
  22. Sun, X.X.; Han, L.; Ma, K.; Li, L.; Wang, J. Lost motion analysis of CBR reducer. Mech. Mach. Theory 2018, 120, 89–106. [Google Scholar] [CrossRef]
  23. Hsieh, C.-F. The effect on dynamics of using a new transmission design for eccentric speed reducers. Mech. Mach. Theory 2014, 80, 1–16. [Google Scholar] [CrossRef]
  24. Tran, T.L.; Pham, A.D.; Cho Ch Ahn, H.J. Torsional rigidity analysis of cycloid reducers considering tolerances. In Proceedings of the 16th Asia Pacific Vibration Conference, 2015 HUST, Hanoi, Vietnam, 24–26 November 2015; pp. 1–6. [Google Scholar]
  25. Popov, V.L. Contact Mechanics and Friction. In Physical Principles and Applications; Springer: Berlin/Heidelberg, Germany, 2010; p. 63. [Google Scholar]
  26. Contact Stresses and Deformations, ME EN 7960-Precision Machine Design Topic 7. Available online: http://www.mech.utah.edu/~me7960/lectures/Topic7-ContactStressesAndDeformations.pdf (accessed on 12 May 2024).
  27. Pytko, S. Problemy tarcia tocznego. In Wybrane Problemy Tribologii; PWN: Warszawa, Poland, 1990; pp. 47–67. [Google Scholar]
Figure 1. Structure of three different output mechanisms with rollers arranged in series: (a) a cross, (b) cuboid-shaped sliding plate with a square base and (c) disk with cut-out holes. 1—case; 2—cycloidal gear; 3—roller; 4—transformation member; 5—stop of cycloidal gear; 6, 7—set of rollers; 8—stop of output flange.
Figure 1. Structure of three different output mechanisms with rollers arranged in series: (a) a cross, (b) cuboid-shaped sliding plate with a square base and (c) disk with cut-out holes. 1—case; 2—cycloidal gear; 3—roller; 4—transformation member; 5—stop of cycloidal gear; 6, 7—set of rollers; 8—stop of output flange.
Machines 12 00345 g001
Figure 2. Output mechanism with a sliding plate (floating).
Figure 2. Output mechanism with a sliding plate (floating).
Machines 12 00345 g002
Figure 3. Machining tolerances.
Figure 3. Machining tolerances.
Machines 12 00345 g003
Figure 4. Algorithm for determining the effective number of rollers m.
Figure 4. Algorithm for determining the effective number of rollers m.
Machines 12 00345 g004
Figure 5. Contact stresses pj [25,26].
Figure 5. Contact stresses pj [25,26].
Machines 12 00345 g005
Figure 6. Operating principle of the output mechanism.
Figure 6. Operating principle of the output mechanism.
Machines 12 00345 g006
Figure 7. Motion path of the rotation center of the sliding plate.
Figure 7. Motion path of the rotation center of the sliding plate.
Machines 12 00345 g007
Figure 8. Angular velocities of the elements of the output mechanism.
Figure 8. Angular velocities of the elements of the output mechanism.
Machines 12 00345 g008
Figure 9. Graph of the sum of the trigonometric functions.
Figure 9. Graph of the sum of the trigonometric functions.
Machines 12 00345 g009
Figure 10. Geometrical features of the output mechanism.
Figure 10. Geometrical features of the output mechanism.
Machines 12 00345 g010
Figure 11. Calculation results of (a) loads, (b) contact pressure and (c) power losses for a backlash-free output mechanism.
Figure 11. Calculation results of (a) loads, (b) contact pressure and (c) power losses for a backlash-free output mechanism.
Machines 12 00345 g011
Figure 12. Distribution of backlash ∆j(β) in the output mechanism.
Figure 12. Distribution of backlash ∆j(β) in the output mechanism.
Machines 12 00345 g012
Figure 13. Calculation results of (a) loads, (b) contact pressure and (c) power losses for the output mechanism with backlash.
Figure 13. Calculation results of (a) loads, (b) contact pressure and (c) power losses for the output mechanism with backlash.
Machines 12 00345 g013
Table 1. Summary of dimensions, material data, and machining deviations of the output mechanism components.
Table 1. Summary of dimensions, material data, and machining deviations of the output mechanism components.
NameSymbolUnitValueValue
Case 1Case 2
Number of rollers in the setn-64
Roller diameterdr[mm]69
Roller lengthL[mm]30
Distance from the first roller to the vertical axis of the gearl1[mm]44
Groove width in the cycloidal gearbk[mm]132132
Groove width in the flange bt[mm]132132
Sliding plate sidebp[mm]120114
Transmission ratiou-19
Eccentricitye[mm]3
Deviation of roller diameter δdr[mm]0.005
Machining deviation of groove width in cycloidal gearδbk[mm]0.025
Machining deviation of groove width in flangeδbt[mm]0.025
Machining deviation of the sliding plate sideδbp[mm]0.015
Young’s modulus of the cycloidal gear, flange, sliding plate and rollersE[GPa]207
Poisson’s number of cycloidal gear, flange, sliding plate and rollersν-0.3
Load torque on the cycloidal gearMK[Nm]440
Table 2. Total mechanical losses for a backlash-free output mechanism.
Table 2. Total mechanical losses for a backlash-free output mechanism.
NameSymbolUnitValueValue
Case 1Case 2
Number of rollers in the set participating in the transmission of load torque MKm-64
The angle by which the sliding plate must rotate to balance torque MKβkm[rad]1.43 × 10−51.96 × 10−5
Total mechanical lossesPC[W]157.1498.65
Table 3. Total mechanical losses for the output mechanism with backlash.
Table 3. Total mechanical losses for the output mechanism with backlash.
NameSymbolUnitValueValue
Case 1Case 2
Number of rollers in the set participating in the transmission of load torque MKm-22
The angle by which the sliding plate must rotate to balance torque MKβkm[rad]14.52 × 10−515.05 × 10−5
Total mechanical lossesPC[W]139.8589.79
Disclaimer/Publisher’s Note: The statements, opinions and data contained in all publications are solely those of the individual author(s) and contributor(s) and not of MDPI and/or the editor(s). MDPI and/or the editor(s) disclaim responsibility for any injury to people or property resulting from any ideas, methods, instructions or products referred to in the content.

Share and Cite

MDPI and ACS Style

Antoniak, P.; Bednarczyk, S. Determination of Mechanical Power Loss of the Output Mechanisms with Serially Arranged Rollers in Cycloidal Gears While Taking into Account Manufacturing Tolerances. Machines 2024, 12, 345. https://doi.org/10.3390/machines12050345

AMA Style

Antoniak P, Bednarczyk S. Determination of Mechanical Power Loss of the Output Mechanisms with Serially Arranged Rollers in Cycloidal Gears While Taking into Account Manufacturing Tolerances. Machines. 2024; 12(5):345. https://doi.org/10.3390/machines12050345

Chicago/Turabian Style

Antoniak, Piotr, and Sławomir Bednarczyk. 2024. "Determination of Mechanical Power Loss of the Output Mechanisms with Serially Arranged Rollers in Cycloidal Gears While Taking into Account Manufacturing Tolerances" Machines 12, no. 5: 345. https://doi.org/10.3390/machines12050345

APA Style

Antoniak, P., & Bednarczyk, S. (2024). Determination of Mechanical Power Loss of the Output Mechanisms with Serially Arranged Rollers in Cycloidal Gears While Taking into Account Manufacturing Tolerances. Machines, 12(5), 345. https://doi.org/10.3390/machines12050345

Note that from the first issue of 2016, this journal uses article numbers instead of page numbers. See further details here.

Article Metrics

Back to TopTop