Next Article in Journal
Enhanced Output Performance of Two-Level Voltage Source Inverters Using Simplified Model Predictive Control with Multi-Virtual-Voltage Vectors
Previous Article in Journal
An Enhanced Spectral Amplitude Modulation Method for Fault Diagnosis of Rolling Bearings
 
 
Due to scheduled maintenance work on our servers, there may be short service disruptions on this website between 11:00 and 12:00 CEST on March 28th.
Font Type:
Arial Georgia Verdana
Font Size:
Aa Aa Aa
Line Spacing:
Column Width:
Background:
Article

Design and Performance of a Planetary Gearbox with Two DOFs

by
Dana Tulekenova
1,2,*,
Marco Ceccarelli
3,*,
Konstantin Ivanov
2 and
Matteo Russo
3
1
Mechanical and Mathematical Department, Al—Farabi Kazakh National University, Almaty 050040, Kazakhstan
2
Space Engineering Department, Almaty University of Power Engineering and Telecommunications, Almaty 050013, Kazakhstan
3
LARM2—Laboratory of Robot Mechatronics, University of Rome “Tor Vergata”, 00133 Rome, Italy
*
Authors to whom correspondence should be addressed.
Machines 2024, 12(11), 780; https://doi.org/10.3390/machines12110780
Submission received: 19 September 2024 / Revised: 30 October 2024 / Accepted: 4 November 2024 / Published: 6 November 2024

Abstract

The article aims to describe the design and operation of a fundamentally new self-regulating planetary transmission, which, without a control system, changes the gear ratio under the influence of a variable external load. A self-regulating transmission can be created based on a kinematic chain with two degrees of freedom, having only one input. According to the laws of mechanics, such a chain has no definability of motion, since the number of inputs must be equal to the number of degrees of freedom. The equilibrium of a two-movable chain with one input can obtained by creating an additional constraint that substitutes a reaction in the instantaneous center of the intermediate link velocities by the friction moment in the hinge of the intermediate link. The friction moment creates a force constraint, which is taken into account in the equilibrium condition. The obtained equilibrium conditions ensure the definiteness of motion and the ability of self-regulation in the form of an inversely proportional dependence of the speed of the output link on the variable external load. The described method makes it possible to create a fundamentally new class of self-regulating mechanisms in all branches of technology. The interaction of kinematic and force parameters and the construction of parameter graphs was performed using the SolidWorks 2021 program with certain additions. The experimental studies performed confirm the reliability of the theoretical developments.

1. Introduction

A self-regulating transmission can be created based on a kinematic chain with two degrees of freedom, having only one input. However, according to the laws of mechanics, such a circuit has no determinability of motion, since the number of inputs must be equal to the number of degrees of freedom [1]. But, many researchers have tried to use a two-movable kinematic chain to create a self-regulating transmission [2].
The idea of creating a self-adjusting gearbox was based on the use of a kinematic chain with two degrees of freedom, which allows one, in the presence of one input link, to control the output speed using an added constraint. This is how Ivanov’s drives with dynamic self-regulation were created [3]. Later, to simplify the scheme, a two-row planetary mechanism was used in the patents of Harris [4] and Ivanov [5]. Then, the inventors Crockett and Volkov tried to create an adaptive hydromechanical CVT system using a planetary mechanism with one degree of freedom together with a hydrodynamic converter with two degrees of freedom [6]. The torque converter provides an automatic adaptation of the system to an external load, but within narrowly limited limits.
The presented gearbox is a fundamentally new mechanism. It has two degrees of freedom and only a single input, which contradicts the condition of the existence of the mechanism and the definiteness of its movement. The attempts of inventors to use well-known approaches to the analysis of force interaction, suitable for systems with one degree of freedom, did not provide an explanation for the definiteness of motion and were fundamentally different from reality.
Combining a torque converter with a planetary mechanism made it possible to slightly increase the range of change in the output speed, but this was not enough to meet technological requirements, for example, for a car. Therefore, switchable automatic multi-stage hydromechanical gearboxes have become widespread. The disadvantages of hydromechanical automatic transmissions include the complexity of design, complexity of the control system, complexity of maintenance, inconsistency of the control system with all modes of movement, and high cost.
The existing transmission boxes are single-movable (with one degree of freedom).
Attempts by the inventors to use a two-movable chain (with two degrees of freedom) proved unable to achieve self-regulation since the theoretical number of inputs should be equal to the number of degrees of freedom.
The scheme considered in article [7] uses two degrees of freedom to achieve a given vibration effect. However, an additional constraint is used, which is imposed by an additional engine. Such constraint leads to the transition of the kinematic chain to a usual state with one degree of freedom.
The transmission in question [8], which uses the magnetic interaction of elements, allows using the presence of two degrees of freedom to achieve noise and vibration reduction. However, this effect is used very limited (for small influences).
In work [9], the effectiveness of the technique of adding freedom of movement to improve the controllability of the vehicle is considered. However, these studies lack a fundamental and theoretical justification for the relationship between force and kinematic parameters.
In studies [10,11,12], noise level optimization is provided by the introduction of an additional degree of freedom. But at the same time, power parameters are used in a small range, depending on the changing profile of the teeth of the gears.
In work [13], the changing parameters of structural rigidity are considered in the form of factors that change the effect on the resulting nature of the driving mode. However, this influence is not significant.
The system with two degrees of freedom developed in article [14] considers the influence of many stiffness factors on the magnitude of the static error of kinematic and dynamic parameters. However, such a model differs significantly in its effect from the possibility of an adaptive model that adapts to external parameters.
In work [15], an analysis of the mechanical efficiency of the gear train was performed. However, only constant interacting parameters are considered in this analysis. This reduces the effectiveness of the results, which cannot be applied to two-movable systems.
The planetary transmission with two drivers and four external shafts [16] is highly complex and requires gear shifting, which significantly distinguishes this transmission from an adaptive gearbox.
The considered gear differential transmission [17] can operate with both one degree and two. However, it is not a transmission with two degrees of freedom and one input, since the two-motor differential has two inputs.
Work [18] contains a method for analyzing closed-loop gears with circulating power. However, unlike the presented gearbox, this article does not consider the possibility of using a closed loop with an additional friction constraint, which ensures the definability of the movement of a chain with two degrees of freedom.
The two-stage planetary transmission discussed in [19] contains a model that connects the interacting parameters based on the theory of virtual power. However, the set of values used is limited. Therefore, the efficiency range under study is not sufficient for the existing gearboxes.
The main idea of the presented work is to use a definable two-movable kinematic chain to create the self-regulation of a gear train without a control system with force adaptation.
To realize this idea, it is necessary, first of all, to find a way to achieve the definiteness of the movement of the kinematic chain in the presence of a single input. When performing a chain analysis, the reason for the lack of definability was found—an unaccounted reaction in the instantaneous center of the satellite’s velocities. It was decided to replace the action of this reaction with the action of a frictional moment in the satellite hinge. The additional connection created in this way retains the original mobility of the hinge, but adds a force constraint. This fundamentally new force–speed constraint is the basis for the creation of a self-regulating two-movable mechanism.
The purpose of this work is the description of a new scientific idea to create and test a prototype gearbox for the experimental confirmation of the developed theory.

Basic Concepts and Definitions

A two-movable kinematic chain is a kinematic chain with two degrees of freedom and one input, having definiteness of motion.
Definability of motion is the movement of a mechanical system in a steady-state mode, in which there is an unambiguous correspondence of the set and determined parameters.
Force–velocity constraint is the connection of the force of the interaction of links with relative velocity, or the connection of the moment of the interaction of links with relative angular velocity. The force–speed connection imposes only a force restriction on the relative movement of the links while maintaining their relative mobility.
Force adaptation is the property of a definable two-movable mechanical system to independently (without a control system) adapt to a variable output load by changing the output speed of movement.
Self-regulation is the property of a definable two-movable mechanical system to independently (without a control system) adapt to a variable output load by changing the output speed of movement.

2. Methods

The proposed new two-movable mechanical system in the form of a two-row planetary transmission has the following specific advantages:
1. The transmission has two degrees of freedom and at the same time remains definable (each specific value of the variable output moment of resistance corresponds to a specific value of the output angular velocity). Any single-movable transmission has only one value of the output angular velocity corresponding to the output moment of resistance, determined by a constant gear ratio. The main advantage of the proposed transmission is the dependence of the gear ratio on the variable output torque of the resistance. Due to this advantage, the transmission can be used in all branches of technology operating with variable process resistances. In the proposed transmission, there is no constructive implementation of the control system that changes the gear ratio, which greatly simplifies the design and ensures high adequacy when changing the power load.
2. A theoretical and experimental analysis of the transmission will be performed further. It serves two purposes:
(1) The verification of the computational (theoretical) model by comparing it with the presented experimental model and an explanation of it. An experimental scheme has been developed—the experimental schematics of a two-movable adaptive mechanical system, with the help of which a kinematic and force analysis of the system was performed, allowing us to create appropriate theoretical dependencies to obtain the confirmation of the achieved results.
(2) A demonstration of the advantages of transmission will be shown further. The traction characteristic shows the effect of the power adaptation of the transmission to a variable load. Here, the experimental data are presented together with the corresponding calculation results on a single graph.
The main method: A fundamentally new definable two-movable kinematic chain with two degrees of freedom and one input is used to create the gearbox.
A two-movable chain has an intermediate link with two degrees of freedom, performing a plane-parallel movement. In the instantaneous velocities center of this link, a reaction is applied from the rack side, which does not participate in the equilibrium equation according to the principle of possible displacements. The lack of consideration of this force leads to a loss of definiteness of movement.
To ensure the definability of movement, it is necessary to use the following methodology: It is necessary to introduce an additional force–velocity connection into the two-movable chain, which preserves two degrees of freedom. Such a connection is a connection of movable links by a hinge in which forces interact, for example, in a friction joint. The interaction of friction forces in the form of the moment of forces in the friction joint at the relative angular velocity of the links creates a force–velocity connection. This connection is provided by means of a tension screw, which creates the necessary normal reaction.
The friction moment created by the tensioning screw must be included in the equilibrium equation of the system. The definable two-movable kinematic chain obtained in this way with an additional frictional coupling will retain two degrees of freedom and will have a fundamentally new property, the property of force adaptation.

2.1. Problem and Requirements

A two-movable kinematic chain with one input is capable of adapting the speed of the output shaft to a variable resistance force. At the same time, it is necessary to ensure the definiteness of movement by introducing an additional connection in the form of a frictional moment in the hinge of the intermediate link. In previous studies, a toothed two-row planetary kinematic chain with a friction moment in the satellite hinge was used to create a self-regulating gearbox. However, such an additional connection makes it difficult to achieve equality of friction moments in all the satellites and significantly complicates the transmission mechanism. In addition, there was no correct method for determining the value of the required frictional moment, which did not allow us to obtain a condition of definability of motion adequate to the acting forces.
The proposed study sets the following tasks:
(1)
Create an additional friction constraint in the form of a friction torque in only one friction joint—in the joint of the input gear of the additional transmission (on the central axis).
(2)
To create a correct methodology for determining the magnitude of the required frictional moment, ensuring the definability of movement adequate to the acting forces.
Replacing the action of an unaccounted-for reaction with a frictional moment leads to a change in the equilibrium condition. But simply introducing a frictional moment in an equilibrium condition will upset the existing equilibrium. Therefore, it is necessary to add a new equilibrium equation containing the frictional moment. The added new equilibrium equation will provide the definability of motion. In this case, the initial equilibrium equation will determine the possibility of self-regulating.
For a specific case of designing and prototyping a planetary gearbox using 3D printing, the explanation focuses on the detailed approach and data requirements needed for the project (Figure 1).
  • Case Overview: Designing a prototype of a planetary gearbox with a specific gear ratio, torque capacity, and operational speed. The gearbox will be used in a low-load, small-scale application, such as in robotics or a small mechanical device.
  • Design Specifications:
    Gear Ratio—define the desired gear ratio based on the application requirements;
    Number of Planets—decide on the number of planetary gears (typically 3 or more) for optimal load distribution and performance;
    Torque Capacity—calculate the maximum torque the gearbox needs to handle, factoring in safety margins;
    Operational Speed—specify the input and output speeds to ensure the gearbox can operate within the desired RPM range.
  • Data Requirements—Material Properties:
    Tensile Strength and Modulus of Elasticity—essential for determining the material’s ability to handle the mechanical stresses without deformation;
    Coefficient of Friction—important for evaluating the efficiency and wear characteristics of the gears;
    Thermal Properties—needed to ensure the material can withstand the operating temperatures without significant degradation.
  • Gear Geometry:
    Module (or DP) and Pressure Angle—define these based on the standard for the gears to ensure compatibility and ease of design;
    Tooth Profile—generate a precise tooth profile (e.g., involute profile) to ensure the smooth operation and proper meshing of gears.
Clearances and Tolerances. Set these parameters to account for the printing accuracy and material shrinkage, ensuring that parts fit together correctly post-printing.

2.2. Design Solution

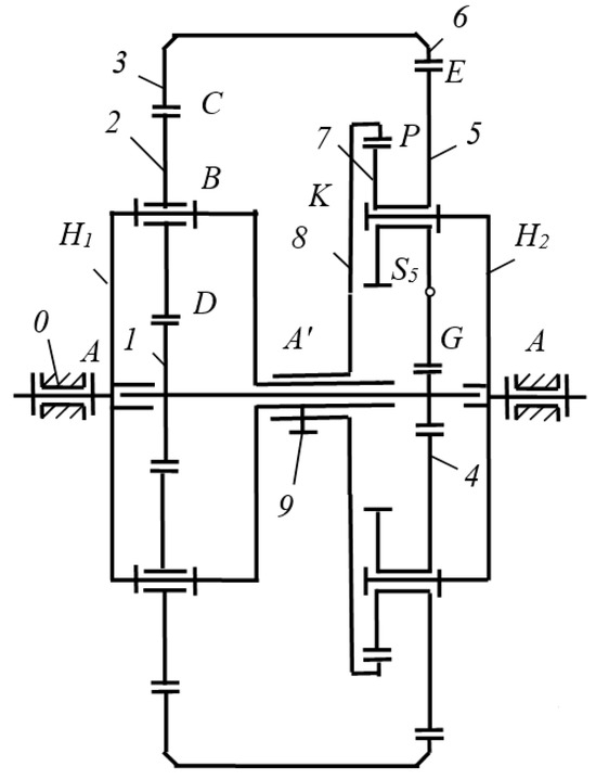
The system in Figure 2 with two degrees of freedom and with one input is fundamentally different from all the existing systems, in that a tension screw is added to it, creating a frictional moment and a force–velocity connection. Such a system is definable and has the effect of force adaptations; that is, it works without a control system.
Figure 2 shows the kinematic scheme of the gearbox and consists of the following parts: H 1 —input carrier; 1–4—block of sun gears; 3–6—block of ring gears; 2, 5—satellites; 7, 8—additional force transmission; H2–output carrier; 9—tension screw of friction hinge A′.
Tension screw 9 creates a frictional moment in hinge A′ connecting gear 8 to the shaft. Gear 8 creates an adjustable friction torque on the shaft. Satellite 5 is rigidly connected with gear 7. Gear 8 is connected to shaft A′ by an additional frictional force–velocity constraint. The scheme in question provides a small speed difference between gear 8 and the shaft to create an additional friction constraint with low friction losses. A gearbox with constant gear engagement allows you to transfer motion from a constant-power engine to the output shaft with a speed inversely proportional to the variable technological load.

2.3. Simulation Model

The requirements for planetary gearboxes vary depending on the specific application, but some common considerations used by SolidWorks to create a CAD model of the gearbox and its subsequent study are presented here.
Figure 3 shows the CAD model of the gearbox which consists of the following parts: 1–4—block of sun gears; 3–6—block of ring gears; 2 and 5 — satellites; 7 and 8 — additional transmission. The gear mechanism (gearbox) is a two-movable two-row planetary mechanism with the constant engagement of gears and with additional power–speed constraint. The self-regulating gearbox operates in the set control range independently (without a control system).
A CAD model in SolidWorks based on the numerical data is presented in Table 1.
The number of teeth is pre-assigned without using any optimization criteria based on the dimensions of the mechanisms.
The self-regulating gearbox control range depends on the geometric parameters of the main adaptive two-movable kinematic chain (according to the theory of force adaptation) and on the parameters of the gearbox (in accordance with the principle of definability). Theoretically, with an efficiency of 0.9, the range of change in the gear ratio has limits from 1 to 5.
The gearbox is a low-speed transmission that does not need high-speed motors. Gearbox has undoubted advantages over CVT: the simplicity of design, absolute adequacy of operation of non-switchable transmission, high reliability, and autonomous operation in a wide range of regulations. The radius of each gear is calculated using this formula r = d / 2 = m Z / 2 , where m is the module.
The number of teeth is determined based on the conditions of the strength of the teeth when transmitting a driving torque overcoming a variable moment of resistance in accordance with the graph of the characteristics of the gearbox (the dependence of the torque on angular velocity).
The material properties of the CAD model of the gearbox were obtained from the SolidWorks program for steel ANSI 1020.
Figure 4 shows the kinematic scheme of the gearbox and consists of the following parts: H 1 —input carrier; 1–4—block of sun gears; 3–6—block of ring gears; 2, 5—satellites; 7, 8—additional transmissions; H2—output carrier; 9—brake disc.
The gearbox diagram intended for research as a CAD model is portrayed in Figure 5. This model is used by SolidWorks 2021 (PL1, PL2) to represent the phenomenon of force adaptation by adding the necessary formulas to ensure the definability of movement and force adaptation.
The first and second planetary rows are shown in Figure 6. In the gearbox, gears 3 and 6, and 1 and 4 are rigidly connected.

2.4. Interaction of Force and Kinematic Parameters—Simulation Modes and Results

The interaction of the parameters of a two-movable planetary two-row mechanism is determined by the SolidWorks system with the addition of formulas for a two-movable system (Figure 7) and with the replacement of the internal friction moment with an equivalent external friction moment on the wheel block 3–6. (An equivalent external friction torque allows the friction power to be adjusted externally).
For a two-movable system, two equations of the relationship of the parameters must be used with their subsequent addition [20].
(1) The motion definability formula characterizes the interaction of parameters with input power consumption to overcome external friction
M H 1 ω H 1 = M f ω 3
(2) The force adaptation formula characterizes the interaction of parameters when the input power is consumed to overcome external resistance
M H 1 ω H 1 = M H 2 ω H 2
(3) The equilibrium formula of the entire two-mobile system is the result of adding the formula of the definability of motion (1) with the formula of force adaptation (2)
2 M H 1 ω H 1 = M f ω 3 + M H 2 ω H 2
The mechanism is adjusted for motion definiteness according to Formula (1) in the absence of an external payload. On the test bench, with the engine running, the external friction torque is increased using tension screw 8 until the maximum value M f m a x = M H 1 is reached on the wheel blocks 3–6. At this value of the friction moment, the angular velocity of the wheel block 3–6 will reach the value of ω 3 = ω H 1 . The mechanism will rotate as one with the engine parameters M H 1 ,   ω H 1 and with the parameters M f m a x = M H 1 and ω 3 = ω H 1 . The transformed Formula (1) allows us to construct a theoretical graph of the dependence of the adjustable frictional moment on the angular velocity ω 3 of the wheel blocks 3–6.
M f = M H 1 ω H 1 / ω 3
The graph of the external frictional moment M f ensures the definability of movement. This moment is equivalent to the internal moment M f in terms of power, consumed by friction in Figure 7.
The graph of the external frictional moment M f , which ensures the definability of movement, is constructed as follows: The initial state for plotting corresponds to the rotation of the output shaft with an angular velocity equal to the angular velocity of the engine. In this case, the frictional moment is 0 (the starting point of the graph). Further plotting takes place by increasing the frictional moment from 0 to M f m a x . The resulting max friction torque is used in all the subsequent tests of the prototype.
Next, we proceed to perform force adaptation according to Formula (2), which allows us to theoretically determine the output angular velocity ω H 2 from the set values of the variable output moment of resistance M H 2 . On the test bench, in the initial position M H 2 = M H 1 and ω H 2 = ω H 1 . The mechanism rotates as one. When the engine is running, the external braking torque M H 2 is increased using tension screw 9 until the maximum value of M H 2 m a x , at which the output shaft stops ω H 2 = 0 .
The transformed Formula (2) allows us to construct a theoretical graph of the dependence of the output angular velocity ω H 2 on the variable moment of resistance M H 2 .
ω H 2 = M H 1 ω H 1 / M H 2
Formula (5) can be converted into a formula for the traction characteristics of the mechanism in the form of the dependence of the output moment of resistance on the output angular velocity
M H 2 = M H 1 ω H 1 / ω H 2
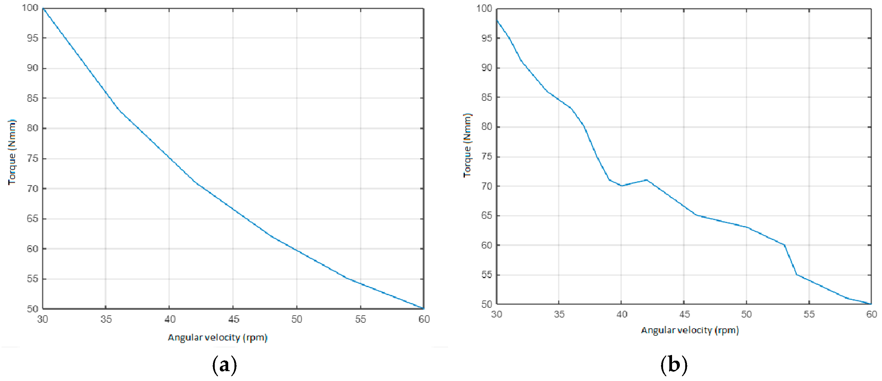
Figure 8 shows the graph of the change in angular velocity depending on the moment of resistance M H 2 .
A comparison of these dependencies demonstrates their similarity and the reliability of the results obtained.
The new characteristics of the mechanism with two degrees of freedom can be positively perceived by reviewers. The new characteristics of the mechanism are represented by the graphs of the parameters that provide a fundamentally new state of the mechanism:
(1)
The state of achieving definiteness of motion is a graph of the dependence of the friction moment on the relative angular velocity in the friction joint with the achievement of the working maximum value of the friction moment as shown in Figure 7.
(2)
The state of force adaptation is a graph of the dependence of the output moment of resistance on the output angular velocity at a constant output power.
These characteristics determine the fundamental novelty of the mechanism with two degrees of freedom as shown in Figure 8.
Each state of the mechanism is determined by two comparable graphs—theoretical and experimental, confirming the expected effect.
The rest of the graphs are not given due to the lack of fundamental novelty.
The experimental graph differs from the theoretical graph in that it takes into account the friction in all the joints of the mechanism.
With known input and output power parameters, the SolidWorks system outputs the corresponding theoretical values of all the other parameters. The variable experimental parameters are determined at a constant input power and correspond to the readings of the M H 2 and ω H 2 devices at the output.
Formula (3) allows you to check the interacting parameters for each set of values.

3. Testing Layout and Mode

A gearbox was manufactured according to the developed model, and a test bench was created [21].
Figure 9 shows the prototype of the gearbox and consists of the following components: Torsiometer CD 1050; stepper motor; Arduino Uno; Arduino Nano; stepper motor driver; Potentiometer; voltage regulator; power supply; Encoder; coupling; bearing 608; bearing 6200; bearing 6800; gears; shaft; ring gears; carriers; Washers; Bolts; screws.
The performed experiment confirms the existence of the phenomenon of the force adaptation of a two-movable kinematic chain to a variable output moment of resistance: with the constant parameters of input power, the output angular velocity will depend on the variable moment of resistance on the output shaft.
Brake 8 performs the function of an external mechanical action that controls the gear ratio of the mechanical system. The brake simulates a variable external load. It transmits the moment of resistance to the mechanical system. A mechanical two-movable definable system converts the moment of resistance into the corresponding angular velocity of the output shaft.
Resistance moment and angular velocity sensors convert these effects into instrument readings (resistance moment and angular velocity).
The functions of the experimental scheme performed are as follows: The Switching Power Supply 1 converts alternating electric current into direct current and transmits it to the Stepper Motor 5. The Voltage Regulator 2 changes the voltage of the electric current to select the optimal speed of the rotation of the motor shaft 3. The Potentiometer works in conjunction with the Voltage Regulator. Arduino Nano 4 provides a connection between the parameters of the Voltage Regulator 2 and the Potentiometer 3. The total parameter is transmitted to the Stepper Motor driver 5, where it is converted into the required number of steps per second. The Stepper Motor 6 implements the received signal from the driver 5 into the corresponding movement of the motor shaft 7. The external adjustable Brake Disc 9 replaces the internal friction torque necessary to ensure the definability of movement by the external action of the Adaptive Drive 7. The Brake Disc 9 simulates a variable external load and transmits a signal to the output torque sensors 10, and the output angular velocity is 12. The signal from the output torque sensor is converted by the Amplifier 11 and transmitted to the Arduino Uno 13. At the same time, from the angular velocity sensor Encoder 12, the signal is transmitted to the monitor of PC in the form of numerical readings of the moment of resistance and angular velocity.
It consists of an input 1 and output 4 sun gears; two input satellites 2; two output satellites 5; an input internal epicyclic gear 3; an output internal epicyclic gear 6; bearings 608, 6200, and 6800; input H1 and output H2 carriers and housing with cover; additional gears 7 and 8; and tension screw 9 in Figure 2. The housing has been welded with two supports on a frame. The output sun gear 4 has been made as a gear shaft. To enable the study of the effect of friction torque on the interaction of the parameters, it was transferred to the outer housing in the form of an adjustable brake friction 8 in Figure 10. As a result of this equivalent replacement, it was possible to change the value of the friction torque externally during the experiment. 8—provides definability of movement, and acts on blocks 3–6. 9—provides power adaptation, and acts on the output brake disk in Figure 10.
Figure 11 shows snapshot of a laboratory test of gearbox (a) an overview and (b) a zoomed view.

4. Conclusions

The theoretical foundations of the fundamental theory of mechanisms with two degrees of freedom and one input have been created. A fundamentally new class of two-movable mechanisms with one input has been created.
The following tasks have been solved in the completed study:
The structural schemes of self-regulating mechanisms have been developed.
A technique for achieving motion definiteness has been developed.
A method has been developed for calculating the traction characteristics of a self-regulating mechanism in the form of a dependence of the output angular velocity on the variable output moment of resistance.
The theoretical studies carried out have created the basis for the fundamental theory of two-movable self-regulating mechanisms. Based on this theory, a new class of mechanisms has been created. The self-regulating mechanism implements the effect of force adaptation: at constant input power, the output angular velocity is inversely proportional to the variable external load.
This effect is achieved with a relatively simple design and without the use of a gear ratio control system.
Self-regulating mechanisms will find wide application in all branches of technology from robotics to transport engineering.

Author Contributions

Conceptualization, D.T. and M.C.; methodology, K.I. and M.C.; software, D.T. and M.R.; data analysis, D.T.; writing—preparation, D.T. and M.C.; writing—editing, M.C. and K.I.; visualization, D.T. All authors have read and agreed to the published version of the manuscript.

Funding

This research received no external funding.

Data Availability Statement

Data are contained within the article.

Acknowledgments

The first author gives thanks to the “Center for International Programs Bolashak” of the Republic of Kazakhstan for the financial support during research at LARM2: Laboratory of Robotics and Mechatronics in the University of Rome “Tor Vergata” in the year 2024.

Conflicts of Interest

The authors declare no conflicts of interest.

References

  1. Levitsky, N.I. Theory of Mechanisms and Machines; Edition Nauka: Moscow, Russia, 1979; 576p. [Google Scholar]
  2. Lang, K.R. Continuously Variable Transmissions. An Overview of CVT Research Past, Present, and Future; USA, 2000; p. 11. [Google Scholar]
  3. Sooyoung, K.; Jiwon, O.; Seibum, C. Gear shift control of a dual-clutch transmission using optimal control allocation. Mech. Mach. Theory 2017, 113, 109–125. [Google Scholar]
  4. Harries, J. Power Transmission System Comprising Two Sets of Epicyclic Gears. Patent of Great Britain GB2238090 (A), 1991. [Google Scholar]
  5. Ivanov, K.S. Theory of Adaptive Transmission. In Gears in Design, Production and Education; Springer: Cham, Switzerland, 2021. [Google Scholar] [CrossRef]
  6. Volkov, I.V. Method of Automatic and Continuous Change of Torque and Speed of Rotation of the Output Shaft Depending on the Resistance to Movement and a Device for its Implementation. RU Patent 2 234 626, 27 March 2004. [Google Scholar]
  7. Melot, A.; Benaicha, Y.; Rigaud, E.; Perret-Liaudet, J.; Thouverez, F. Effect of gear topology discontinuities on the nonlinear dynamic response of a multi-degree-of-freedom gear train. J. Sound Vib. 2022, 516, 116495. [Google Scholar] [CrossRef]
  8. Dimauro, L.; Bonisoli, E.; Velardocchia, M.; Repetto, M.; Alotto, P.; Filippini, M.; Torchio, R. Magnetic gearbox for automotive power transmissions: An innovative industrial technology. Eng. Sci. Technol. Int. J. 2023, 46, 101497. [Google Scholar] [CrossRef]
  9. Dimauro, L.; Tota, A.; Galvagno, E.; Velardocchia, M. Torque allocation of hybrid electric trucks for drivability and transient emissions reduction. Appl. Sci. 2023, 13, 3704. [Google Scholar] [CrossRef]
  10. Beinstingel, A.; Parker Robert, G.; Marburg, S. Experimental measurement and numerical computation of parametric instabilities in a planetary gearbox. J. Sound Vib. 2022, 536, 117160. [Google Scholar] [CrossRef]
  11. Crispel, S.; Garcia, P.; Saerens, E.; Varadharajan, A.; Verstraten, T.; Vanderborght, B.; Lefebe, D. A Novel Wolfrom-Based Gearbox for Robotic Actuators. IEEE Trans. Mechatron. 2021, 26, 1980–1988. [Google Scholar] [CrossRef]
  12. Schweigert, D.; Morhard, B.; Oberneder, F.; Pointner-Gabriel, L.; Otto, M.; Stahl, K. Numerical and experimental investigations on the vibration behavior of a high-speed planetary gearbox. Forsch. Ingenieurwesen 2024, 88, 7. [Google Scholar] [CrossRef]
  13. Xiao, Z.; Cao, J.; Yu, Y. Mathematical Modeling and Dynamic Analysis of Planetary Gears System with Time-Varying Parameters. Hindawi Math. Probl. Eng. 2020, 2020, 3185624. [Google Scholar] [CrossRef]
  14. Liu, W.; Zhao, H.; Lin, T. Vibration characteristic analysis of gearbox based on dynamic excitation with eccentricity error. J. Mech. Sci. Technol. 2020, 34, 4545–4562. [Google Scholar] [CrossRef]
  15. Esmail, E.; Pennestri, E.; Cirelli, M. Power-Flow and Mechanical Efficiency Computation in Two-Degrees-of- Freedom Planetary Gear Units: New Compact Formulas. Appl. Sci. 2021, 11, 5991. [Google Scholar] [CrossRef]
  16. Troha, S.; Karaivanov, D.; Vrcan, Z.; Markovic, K.; Soljic, A. Coupled two-carrier planetary gearboxes for two-speed drives. Mach. Technol. Mater. 2021, 15, 212–218. [Google Scholar]
  17. Arnaudov, K.; Petrov, S.; Hristov, E. Work of the planetary gear trains as differentials and their capabilities. MATEC Web Conf. 2019, 287, 04001. [Google Scholar] [CrossRef]
  18. Hussen, A.; Esmail, E.; Hussen, R. Power Flow Simulation for Two-Degree-of-Freedom Planetary Gear Transmissions with Experimental Validation. Hindawi Model. Simul. Eng. 2020, 2020, 8837605. [Google Scholar] [CrossRef]
  19. Verbelen, F.; Defreynea, P.; Sergeanta, P.; Stockmana, K. Efficiency Measurement Strategy for a Planetary Gearbox with 2 Degrees of Freedom. In Energy Efficiency in Motor Systems; Bertoldi, P., Ed.; Springer: Cham, Switzerland, 2021; pp. 257–270. [Google Scholar] [CrossRef]
  20. Ivanov, K.S. Theorem on the Definability of Motion of a Two-Movable Kinematic Chain with a Single Input. In Book of Abstracts of MMT Symposium, Proceedings of the MMT Symposium, Guimaraes, Portugal, 26–28 June 2024; Flores, P., Marques, F., da Silva, M.R., Eds.; University of Minho: Braga, Portugal, 2024; pp. 97–98. ISBN 978-989-33-6448-2. [Google Scholar] [CrossRef]
  21. Ivanov, K.S.; Ceccarelli, M.; Tulekenova, D.T. An Adaptive Drive of Spacecraft Docking Mechanism. In Mechanism Design for Robotics, Proceedings of the of the 5th IFToMM Symposium on Mechanism Design for Robotics, MEDER 2021, Poitiers, France, 23–25 June 2021; Zeghloul, S., Laribi, M.A., Arsicault, M., Eds.; Mechanisms and Machine Science Series; Springer: Cham, Switzerland, 2021; Volume 103, pp. 168–178. [Google Scholar] [CrossRef]
Figure 1. Requirements of planetary gearbox.
Figure 1. Requirements of planetary gearbox.
Machines 12 00780 g001
Figure 2. The kinematic scheme of the proposed gearbox.
Figure 2. The kinematic scheme of the proposed gearbox.
Machines 12 00780 g002
Figure 3. CAD model with the number of teeth of the gears.
Figure 3. CAD model with the number of teeth of the gears.
Machines 12 00780 g003
Figure 4. CAD design of a three-dimensional gearbox model: (a) left view; (b) right view.
Figure 4. CAD design of a three-dimensional gearbox model: (a) left view; (b) right view.
Machines 12 00780 g004
Figure 5. A scheme of the gearbox operation. (PL—planetary gears; PL1 consists of the following gears: 1–3; PL2 consists of the following gears: 4–6; H 1 —input carrier; H 2 —output carrier; added constraint: 7 and 8 additional gears).
Figure 5. A scheme of the gearbox operation. (PL—planetary gears; PL1 consists of the following gears: 1–3; PL2 consists of the following gears: 4–6; H 1 —input carrier; H 2 —output carrier; added constraint: 7 and 8 additional gears).
Machines 12 00780 g005
Figure 6. A scheme for the static equilibrium of force transmission in the proposed gearbox in Figure 2 and Figure 3: (a) for the input gears; (b) for the output gears.
Figure 6. A scheme for the static equilibrium of force transmission in the proposed gearbox in Figure 2 and Figure 3: (a) for the input gears; (b) for the output gears.
Machines 12 00780 g006
Figure 7. Graph of the external friction moment M f : (a) theoretical; (b) experimental.
Figure 7. Graph of the external friction moment M f : (a) theoretical; (b) experimental.
Machines 12 00780 g007
Figure 8. Computed output torque from the output angular velocity: (a) theoretical traction characteristics; (b) experimental traction characteristics.
Figure 8. Computed output torque from the output angular velocity: (a) theoretical traction characteristics; (b) experimental traction characteristics.
Machines 12 00780 g008
Figure 9. Experimental schematic of two-movable gearbox: 1—Switching Power Supply; 2—Voltage Regulator; 3—Rotary Potentiometer; 4—Nano Arduino; 5—Stepper Motor Driver; 6—Stepper Motor; 7—Adaptive Drive; 8—Friction; 9—Brake Disc; 10—Torque Sensor; 11—Amplifier; 12—Encoder; 13—Arduino Uno; 14—PC.
Figure 9. Experimental schematic of two-movable gearbox: 1—Switching Power Supply; 2—Voltage Regulator; 3—Rotary Potentiometer; 4—Nano Arduino; 5—Stepper Motor Driver; 6—Stepper Motor; 7—Adaptive Drive; 8—Friction; 9—Brake Disc; 10—Torque Sensor; 11—Amplifier; 12—Encoder; 13—Arduino Uno; 14—PC.
Machines 12 00780 g009
Figure 10. Testing layout at LARM2: (1—Switching Power Supply; 2—Voltage Regulator; 3—Rotary Potentiometer; 4—Nano Arduino; 5—Stepper Motor Driver; 6—Stepper Motor; 7—Adaptive Drive; 8—External Friction; 9—Brake Disc; 10—Torque Sensor; 11- Amplifier; 12—Encoder; 13—Arduino Uno; 14—PC).
Figure 10. Testing layout at LARM2: (1—Switching Power Supply; 2—Voltage Regulator; 3—Rotary Potentiometer; 4—Nano Arduino; 5—Stepper Motor Driver; 6—Stepper Motor; 7—Adaptive Drive; 8—External Friction; 9—Brake Disc; 10—Torque Sensor; 11- Amplifier; 12—Encoder; 13—Arduino Uno; 14—PC).
Machines 12 00780 g010
Figure 11. Snapshot of a laboratory test of gearbox: (a) an overview; (b) a zoomed view.
Figure 11. Snapshot of a laboratory test of gearbox: (a) an overview; (b) a zoomed view.
Machines 12 00780 g011
Table 1. Number of teeth and radius for the gears for the CAD model in Figure 3.
Table 1. Number of teeth and radius for the gears for the CAD model in Figure 3.
GearNumber of TeethRadius
Input sun gear, Z14040 mm
Input satellite, Z21616 mm
Input ring gear, Z37272 mm
Output sun gear, Z41616 mm
Output satellite, Z54040 mm
Output ring gear, Z69696 mm
Output satellite, Z72020 mm
Output gear Z87676 mm
Module2
Efficiency0.98
Disclaimer/Publisher’s Note: The statements, opinions and data contained in all publications are solely those of the individual author(s) and contributor(s) and not of MDPI and/or the editor(s). MDPI and/or the editor(s) disclaim responsibility for any injury to people or property resulting from any ideas, methods, instructions or products referred to in the content.

Share and Cite

MDPI and ACS Style

Tulekenova, D.; Ceccarelli, M.; Ivanov, K.; Russo, M. Design and Performance of a Planetary Gearbox with Two DOFs. Machines 2024, 12, 780. https://doi.org/10.3390/machines12110780

AMA Style

Tulekenova D, Ceccarelli M, Ivanov K, Russo M. Design and Performance of a Planetary Gearbox with Two DOFs. Machines. 2024; 12(11):780. https://doi.org/10.3390/machines12110780

Chicago/Turabian Style

Tulekenova, Dana, Marco Ceccarelli, Konstantin Ivanov, and Matteo Russo. 2024. "Design and Performance of a Planetary Gearbox with Two DOFs" Machines 12, no. 11: 780. https://doi.org/10.3390/machines12110780

APA Style

Tulekenova, D., Ceccarelli, M., Ivanov, K., & Russo, M. (2024). Design and Performance of a Planetary Gearbox with Two DOFs. Machines, 12(11), 780. https://doi.org/10.3390/machines12110780

Note that from the first issue of 2016, this journal uses article numbers instead of page numbers. See further details here.

Article Metrics

Back to TopTop