Abstract
Three-dimensional printers (3DPs), as critical parts of additive manufacturing (AM), are state-of-the-art technologies that can help practitioners with digital transformation in production processes. Three-dimensional printer performance mostly depends on good integration with artificial intelligence (AI) to outperform humans in overcoming complex tasks using 3DPs equipped with AI technology, particularly in producing an object with no smooth surface and a standard geometric shape. Hence, 3DPs also provide an opportunity to improve engineering applications in manufacturing processes. As a result, AM can create more sustainable production systems, protect the environment, and reduce external costs arising from industries’ production activities. Nonetheless, practitioners do not have sufficient willingness since this kind of transformation in production processes is a crucial and irrevocable decision requiring vast knowledge and experience. Thus, presenting a methodological frame and a roadmap may help decision-makers take more responsibility for accelerating the digital transformation of production processes. The current study aims to fill the literature’s critical theoretical and managerial gaps. Therefore, it suggests a powerful and efficient decision model for solving 3DP selection problems for industries. The suggested hybrid FF model combines the Fermatean Fuzzy Stepwise Weight Assessment Ratio Analysis (FF–SWARA) and the Fermatean Ranking of Alternatives through Functional mapping of criterion sub-intervals into a Single Interval (FF–RAFSI) approaches. The novel FF framework is employed to solve a critical problem encountered in the automobile manufacturing industry with the help of two related case studies. In addition, the criteria are identified and categorized regarding their influence degrees using a group decision approach based on an extended form of the Delphi with the aid of the Fermatean fuzzy sets. According to the conclusions of the analysis, the criteria “Accuracy” and “Quality” are the most effective measures. Also, the suggested hybrid model and its outcomes were tested by executing robustness and validation checks. The results of the analyses prove that the suggested integrated framework is a robust and practical decision-making tool.
Keywords:
3DPs; additive manufacturing; sustainable manufacturing; Fermatean fuzzy sets; RAFSI; SWARA; Delphi 1. Introduction
In recent decades, additive manufacturing (AM) has gained popularity, and the number of users demanding 3DPs has increased each year. Accordingly, Vicari [1] estimated that the 3D printing industry (3DPI) would continue to grow, and its market share would reach USD 9 billion in 2025. Additive manufacturing is a new technology promising radical changes and transforming traditional production, supply, and logistics systems. Accordingly, it can be used in almost all industries; hence, it has gained popularity in various industries, e.g., aviation, vehicle manufacturing, construction, foodstuffs, pharmaceutical, biomedical, and ornamentation [2]. Primarily, it can lead to transformational and revolutionary changes in the automotive, textile, and construction industries. Aside from these industries, 3D printing technology is promising for all industries with the potential for digital transformation. The main reason for this is that additive manufacturing has many relative advantages and superiorities over traditional subtractive manufacturing technologies; it can also help accelerate digital transformation for industries and companies.
3DPs used in additive manufacturing processes are cheaper than machinery and equipment used in traditional and classical subtractive manufacturing systems. Thus, these systems have more reasonable and flexible investment and setup costs. Therefore, industries can update their additive manufacturing systems quickly and easily, depending on technological improvements. Industries can gain the ability to meet small and customized orders of customers as additive manufacturing provides for production with smaller economic batch sizes. When its indirect impacts are evaluated, industries can better manage their inventory and produce more flexible and practical strategies. It may even be possible to redesign production networks with a zero-stock approach, shifting from a traditional production strategy to a modern (digital) production strategy for industries [3]. Industries’ dreams of creating well-operating, agile production and supply chain systems may become a reality. In addition, additive manufacturing can prepare a way to optimize logistics costs, aside from reducing inventory costs. As a result, while additive manufacturing can help create speedy, agile, and lower-cost production, supply, and logistics systems, it also makes it possible to meet the requirements and expectations of customers with better conditions. As a result, additive manufacturing can create more sustainable production systems, protect the environment, and reduce external costs arising from industries’ production activities.
However, additive manufacturing has some limitations and drawbacks despite its many valuable advantages. First, it is a pretty new technology, and the accumulation of knowledge on it has not accomplished a satisfactory level for practitioners in the industries or scholars in academic life. Therefore, additive production is not yet a sufficiently reliable manufacturing system for practitioners and decision-makers in various industries; its manufacturing costs are still relatively high as the production capacity of 3DPs in units of time is deficient. Thus, unit manufacturing costs are still high, and unit products are non-economical. In addition, the supply costs of raw materials used in additive manufacturing processes are relatively high. This causes production costs to remain high compared to the costs of traditional production systems.
Moreover, staff (i.e., blue-collar workers and white-collar workers) in industries have limited or no information about this production technology. Therefore, the production system may become more fragile in an extraordinary situation. At the same time, supply and logistics processes concerning additive manufacturing have not been optimized sufficiently, and good practices have not yet been generated in the industries. This may cause many problems and challenges concerning supply and replenishment. The number of good examples is exceptionally scarce to make benchmarking possible. Hence, a commonly accepted and tested road map does not exist yet for decision-makers in this transformation process; unfortunately, we cannot shed enough light on the matter either.
The hesitancy of decision-makers and practitioners to transform from traditional subtractive production systems to AM may stem from risks related to the limitations and drawbacks of additive manufacturing. These kinds of decisions are perilous because they are irreversible. Inadequate knowledge and the absence of data about 3D printers and printing technology make it challenging to solve these problems. Moreover, evaluating and selecting 3D printers used in additive manufacturing processes is a decision-making problem, as an assessment process has numerous contradictory criteria and complex uncertainties. Therefore, selecting suitable industrial 3DPs is difficult, complex, and laborious for practitioners. Also, Panda et al. [4] highlighted that 3DP selection is difficult for them, as it is affected by many factors and variables. Moreover, it is necessary to identify the industry requirements for 3DP utilization, and the selected printer should meet these requirements on a vast scale. Available 3DPs have many similar functions and features, which confuses decision-makers. Misevaluation may incur high and severe costs for industries. Also, all supply chain systems, such as production, supply, and logistics, may become unbalanced. Therefore, it causes a decrease in the overall efficiency of value chains. Selecting suitable 3DPs with carefully detailed process management is a critical and managerial decision for industries.
Moreover, a new and unprecedented business paradigm has existed, and industries and supply chains must respond to the requirements generated by this digital business world’s paradigms. Some factors have become more critical and vital in the digitalized business environment compared to the past. For instance, shorter product life cycles, customizing and personalizing the products, and increasing product variety have led to these factors. Industries need more flexible and changeable production systems to respond to these requirements. The traditional subtractive manufacturing systems operate based on scale and mass production economics, and their flexibility level is low. Hence, subtractive production systems have difficulty responding to these requirements on a vast scale. Moreover, novel and innovative technologies emerging in the fourth industrial revolution have considerably increased competition in almost all industries. Correspondingly, industries and supply chains must find new and suitable ways to keep up with these requirements generated by the new and digitalized business environment and survive in the highly competitive business environment.
Aside from digital transformation, shifting to additive manufacturing is a compulsion rather than a preference for industries, at least for the near future. Accordingly, selecting optimal and adequate 3D printers for additive manufacturing processes may be an excellent and effective start for industries in this transformation process. However, there are potent interactions among technologies, partially built on each other, and the maturation levels of these technologies are different [5]. This transformation process has many significant difficulties and challenges. Thus, a vital, practical, and effective mathematical tool is necessary to handle complicated uncertainties and make the practitioners’ work more accessible. In this connection, the current work proposes an integrated group decision-making model involving the Fermatean Fuzzy Stepwise Weight Assessment Ratio Analysis (FF–SWARA) and the Fermatean Ranking of Alternatives through Functional mapping of criterion sub-intervals into a Single Interval (FF–RAFSI). Moreover, it aggregates the experts’ evaluation by applying the Dombi aggregating operator. The proposed model has been implemented to address a critical decision problem in the car-manufacturing industry by considering two case studies.
The primary motivation of the work is to evaluate 3D printing technologies concerning whether they are working in the manufacturing industry or not. As is known, the automotive industry is severely under pressure from the competition and uncertainties in the relevant sector. Also, the customers expect smooth automobiles produced with excellent and impeccable artistry, aside from offering low and reasonable prices by manufacturers. However, several wastes, losses, and defects can occur in the manufacturing process due to human errors. Even though robotics are used in manufacturing, they perform some definite jobs, e.g., assembling, drilling, and tightening screws, they have significant weaknesses in producing automobile components with no plane surface geometrically. However, the human force used to produce these kinds of components is slow and leads to a deceleration in the production process due to some inherent problems sourcing humanistic factors. Three-dimensional printers have several advantages and superiorities over human force, which may help address this problem in mass production systems.
The remainder is structured as follows. In Section 2, a detailed literature survey was carried out. Section 3 presents the suggested FF approach and its execution phases. In Section 4, the suggested tool was implemented to solve the 3DP selection problem in the automotive industry (AI); a comprehensive validation test consisting of three stages was executed to test the robustness and practicability of the suggested FF implementation. In Section 5, the results are assessed and examined. In Section 6, the study is finalized. Moreover, the constraints of the current study and suggestions for future research are pointed out in the final section.
2. Research Background
Additive manufacturing, i.e., 3D printers and 3D printer technologies, a crucial component of the industry 4.0 process, has increasingly become a popular and remarkable topic for practitioners in various industries, scholars, and researchers. There are two significant reasons for that. First, additive manufacturing and 3D printers have a remarkable potential for revolutionary changes in whole supply chains and industries. Hence, it can indirectly lead to changing everything in our lives. Second, there are still substantial and critical gaps in the literature; scholars and practitioners must do something to fill these gaps. Although these gaps lead to increased doubts about the reliability and applicability of additive manufacturing, they cause hesitation in transforming from traditional subtractive production to additive manufacturing. These hesitancies and doubts can be accepted as usual because these transformations and changes require making risky and irreversible decisions.
In practice, different 3D printer technologies can be used in various industries. In addition to the different advantages and disadvantages of each technology, each technology has different capabilities and features. In this respect, comparing these technologies to evaluate and understand 3D printer technologies from a broader perspective is essential. Table 1 shows the comparison results for existing 3D printer technologies.
Table 1.
Comparison among the 3D printer technologies.
Accordingly, encouraging the decision-makers to decide on this digital and industrial transformation depends on filling these gaps in the literature. More research on this issue is required to fill these gaps. However, increasing the amount of research handling additive manufacturing and 3D printer technologies in the literature is promising. When an extensive and elaborate bibliographical review was performed, it was observed that previous studies focused on three crucial topics: AM, 3D printer technologies, and 3D printers’ features and functions.
In addition, when we examined the previous works focusing on the 3DP selection, a focal point of the current study, it was noted that most of these studies focusing on 3DP selection have increased from 2013 to the present. According to the results of the review in the scientific databases, 327 studies are available in the literature. However, the number of previous works has decreased to 39 when we add keywords such as MCDM, decision, and multi-attribute decision-making model. The most crucial reason is to focus on 3D printers’ technical features; most studies deal with 3D printers by performing technical, empirical, and experimental studies rather than selection problems.
In this context, previous studies on the selection of 3DP are presented in Table 1, and previous studies focusing on the selection of three-dimensional printers and AM technology are presented in Table 2.
Table 2.
Three-dimensional printer and AM technology selection and approaches.
As seen in Table 2, some of the authors focusing on 3D Printer selection preferred to use decision-making procedures’ extended form based on diverse fuzzy sets in 15 studies existing in the relevant literature. Also, applying the classical frameworks’ objective and subjective forms was suggested in 14 papers to solve the 3DP selection problem. Although fuzzy AHP and classical AHP approaches were used in eight papers and five studies, fuzzy TOPSIS and ANP techniques were implemented in two works. Finally, some procedures, e.g., BWM, EDAS, ELECTRE, F-GRA, F-SAW, IVSFS–ARAS, IVSFS–TOPSIS, PIV, and QFD, were used once in various studies. As is understood, the researchers are aware of the existing uncertainties, and various fuzzy sets were used in many works in the relevant literature. However, most of these researchers preferred the traditional fuzzy set theory (Zadeh, 1965) and the classical AHP method or the extended version of the AHP based on fuzzy set theory. However, these papers have not presented sufficient information about how the researchers overcame the structural problems and limitations of the AHP and F-AHP approaches.
In addition, it is noteworthy that another subjective weighting technique that has been the subject of many studies in the literature is the SWARA approach, and various fuzzy sets-based extensions are widely used to process uncertainties. In this perspective, some of the studies on the SWARA technique in the literature are presented in Table 3.
Table 3.
The former studies using diverse extensions of the SWARA approach.
When the earlier works employing the extensions of the SWARA method with the help of the various fuzzy sets were evaluated, it was noticed that the researchers mostly preferred to use bipolar q-ROFs and hesitant fuzzy sets. The other fuzzy sets used in the literature can be shown as Hesitant bipolar Fs (2), Pythagorean Fs (2), Spherical Fs (2), Double Hierarchy Bipolar Hesitant Fs (1), Double Hierarchy Hesitant (1), Fermatean Fs (1), Golden Cut-Oriented q-ROFs (1), Picture Fs (1), Picture fuzzy rough sets (1). However, only one study employing the Fermatean fuzzy SWARA has been found in the literature. Ayyildiz [47] extended the SWARA approach based on FFs to evaluate sustainable development goals. It proves that the members of the research society are unaware of the FF–SWARA method’s advantages even though it provides many precious theoretical and practical contributions.
The SWARA technique Keršulienė et al. (2010) developed has a simple, understandable, and practical algorithm. With a smaller number of calculations and comparisons, it can reach quite reasonable and logical conclusions. In addition, the method incorporates practitioners’ knowledge and experience into the evaluation process [66,67]. It also provides a complete consensus between the opinions of different experts, transforming the individual assessments of the experts into the common opinion of the decision-making group [68]. Its main advantages can be summarized as follows: (i) it ranks the selection criteria according to their importance; (ii) It eliminates unimportant criteria by means of voting; (iii) It assists in setting criteria with full consensus among decision-makers; (iv) It provides the opportunity to evaluate the ranking determined by each decision-maker [69].
The RAFSI approach is an extremely powerful decision-making model compared to other decision-making tools in the literature. In this respect, its most important advantage is that it is completely resistant to the problem of turning rows thanks to its structural features. This advantage of the procedure also increases the reliability of the model from the point of view of decision-makers. However, RAFSI provides a flexible decision-making environment. The RAFSI method developed by Žižović et al. [70] has three important advantages that are recommended for further use: (i) its practical algorithm helps in solving complex real-world problems; (ii) the RAFSI method has a novel approach to data normalization that transfers data from the initial decision and converts the matrix into any range suitable for making rational decisions; and (iii) the mathematical formulation of the RAFSI method eliminates the problem of order reversal, which is one of the most significant shortcomings of current MADM methods.
Due to this advantageous structure, the RAFSI technique has been a preferred tool in solving various complex decision problems by many researchers in the literature. These studies are summarized in Table 4.
Table 4.
The previous studies used the RAFSI technique and extensions.
Although the RAFSI approach is pretty solid and resilient to the rank-reversal problem, better than many popular MCDM procedures, the number of studies using this framework or its extensions is exceptionally scarce. It means adequate awareness concerning this approach’s critical advantages and theoretical contributions is still unavailable in the research society. However, after three successful examples employing the classical form of the RAFSI technique [70,78,79], the researchers preferred to use extensions of the RAFSI based on various fuzzy sets, e.g., Classical fuzzy sets [71,72,76,80], Dombi-based fuzzy sets [77], Q-Rung Orthopair fuzzy sets [75], Single Interval fuzzy sets [73], and Type-2 neutrosophic numbers [74]. Even though this combination has precious potential and practical advantages to address highly complicated problems, no study in the relevant literature proposes the extended form of the RAFSI approach based on the Fermatean fuzzy sets (FFs). In this context, FFs-based multi-criteria decision-making techniques in the literature are summarized in Table 5 and Table 6, respectively.
Table 5.
The earlier studies using the Fermatean fuzzy sets.
Table 6.
The earlier studies using the Fermatean fuzzy sets (Continue).
When we survey the relevant literature in detail, there are 143 studies employing various decision-making procedures’ extensions based on the FFs available. Although in 2019, only four papers used FFs-based decision-making frameworks in the literature, the number of studies using FFs increased to 69 in 2022. We demonstrate some of these studies, which are focused on fascinating decision-making problems in Table 5 and Table 6. The ever-increasing number of studies employing the Fermatean fuzzy sets proves that awarenesses of the members of the research society concerning the critical and precious advantages and contributions of FF sets has continued to increase.
2.1. Research Gaps
When the literature is evaluated in general, almost all authors in the previous studies dealing with 3DP selection agree that AM has a powerful potential for the industries’ transformation. Also, there is a complete consensus that it cannot be an alternative to traditional subtractive production systems. AM is used in a few industries for prototyping, producing tools, and medical implants, which are exceptionally personalized products [111]. Moreover, the expectations and requirements of each industry on 3DPTs are different. However, in the literature, only a few studies examined the 3DP selection for a specific industry, such as aviation [36], educational institutions [41], and the innovation center of an academic institution [38]. Studies carried out without considering these different requirements and expectations of industries may cause doubts about whether the results of these studies are proper for actual conditions. Hence, authors of future studies should consider these differences to reach more rational, realistic, and logical results.
When we handle these findings with many works focusing on 3DP selection using decision-making techniques, it can be argued that gaps in the literature generate these situations mentioned above. From this perspective, AM is a novel technology, and decision-makers have insufficient information and experience to make proper and optimal decisions about selecting appropriate 3DPs. Therefore, scholars and researchers have not yet provided decision-makers with sufficient information and data for utilizing the 3DPT in industries. However, the number of studies proposing decision support systems, decision-making tools, and models has recently increased to make the practitioners’ business more easily relevant to the 3DP and printing technology selection.
However, in the literature, traditional and classical MCDM frameworks commonly preferred decision-making techniques such as the Analytic Hierarchy Process, VIKOR, TOPSIS, PROMETHEE [31], and ELECTREE. However, these approaches cannot handle ambiguities in complex decision-making problems faced in AM. Though the number of papers examining the selection of 3DPs with the help of fuzzy approaches is still low, an increasing number of these studies carried out in recent years may be an indicator that researchers have started to notice that 3DP selection is an extraordinarily complex evaluation problem, which is influenced by a lot of complicated situations and ambiguities. However, the number of papers using classical decision-making approaches is still higher than studies applying fuzzy approaches. Moreover, most of the studies applying fuzzy techniques preferred to use the extended versions of these approaches mentioned above by the fuzzy set theory.
Additionally, the following gap, which was noticed in the literature, is relevant to the criteria applied by the preceding papers. First, it is indefinite how these factors were chosen, and there is no adequate information about frameworks applied to identify the criteria in these studies. Also, it is ambiguous how the experts were selected and which criteria were considered to identify them in some studies conducting a questionnaire to benefit from experts’ evaluations, experiences, and opinions. Furthermore, considering only experts’ opinions makes it challenging to provide objectivity. The authors and researchers did not indicate how they overcame this problem. Another significant indicator of the gap in the criteria is that each author applied different criteria sets; there are no generally recognized factor sets in the literature. It may raise doubts about the validity and compatibility of the criteria and may essentially decrease the trustworthiness of the analyses. Also, most authors did not find it necessary to test the robustness of the approach or model they proposed. However, notably, the Analytic Hierarchy Process technique and many traditional decision-making approaches in these previous papers suffer from rank reversal [112,113,114,115,116]. It means the results obtained by applying these approaches may modify dramatically if an option is added to or eliminated from the scope of the evaluation. It is a crucial and essential problem with respect to the reliability of the implemented techniques. Also, these techniques have many drawbacks, limitations, and structural problems. In particular, the AHP has a highly complicated basic algorithm, as it requires many computations and comparisons; these complexities may arise depending on the number of factors and options. Moreover, it needs extra calculations to ascertain the consistency ratio. Consequently, these findings indicate that decision-makers lack a robust, stable, and efficient model for complicated ambiguities. Hence, the requirements for this model also prove another gap related to the decision-making approach.
Finally, most 3DPs evaluated by authors in the previous studies are improper for mass production because their production speed, capacity, and maximum build size are insufficient to respond to the requirements of some industries such as textile, automotive, and machine manufacturing. Thus, these previous studies cannot meet the requirements of these industries concerning the transformation of the production system, as the examined 3DPs by the authors carrying out these studies cannot produce thousands of products with equal quality and standards.
3DPs are classified into seven groups by considering the 3DPTs, their different capabilities, advantages, and disadvantages. These 3DPTs have an incomparable function in identifying relationships between the abilities of 3DPs and the requirements of the industries and lean selection processes. Identifying the appropriate 3DPT alternative can help eliminate the 3DPs using different 3DPTs (i.e., that do not meet the requirements) in the evaluation process. That makes it easier for the practitioners’ business concerning the choice of industrial 3DPs in AI and can help make the production process lean. On the other hand, the authors who carried out the earlier studies dealt with the 3DP selection. Eventually, most of them overlooked the significance of the different 3DPTs. However, selecting 3DPs without identifying the appropriate 3DPT may not provide rational or logical results. Selecting a 3DP alternative at a high rank concerning criteria such as reasonable purchasing cost, production speed, and so on may not be feasible, rational, or logical due to its improper 3DPT for the current industry.
2.2. Motivations of the Work
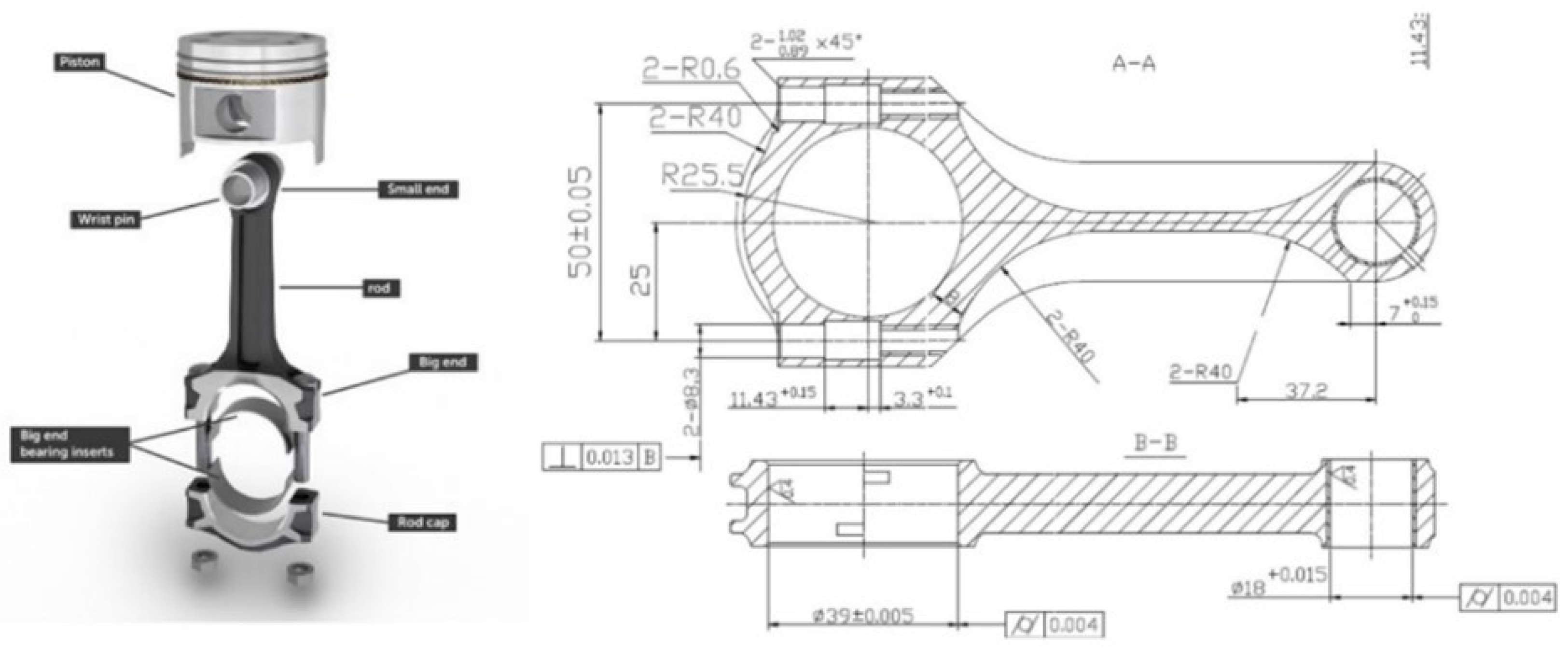
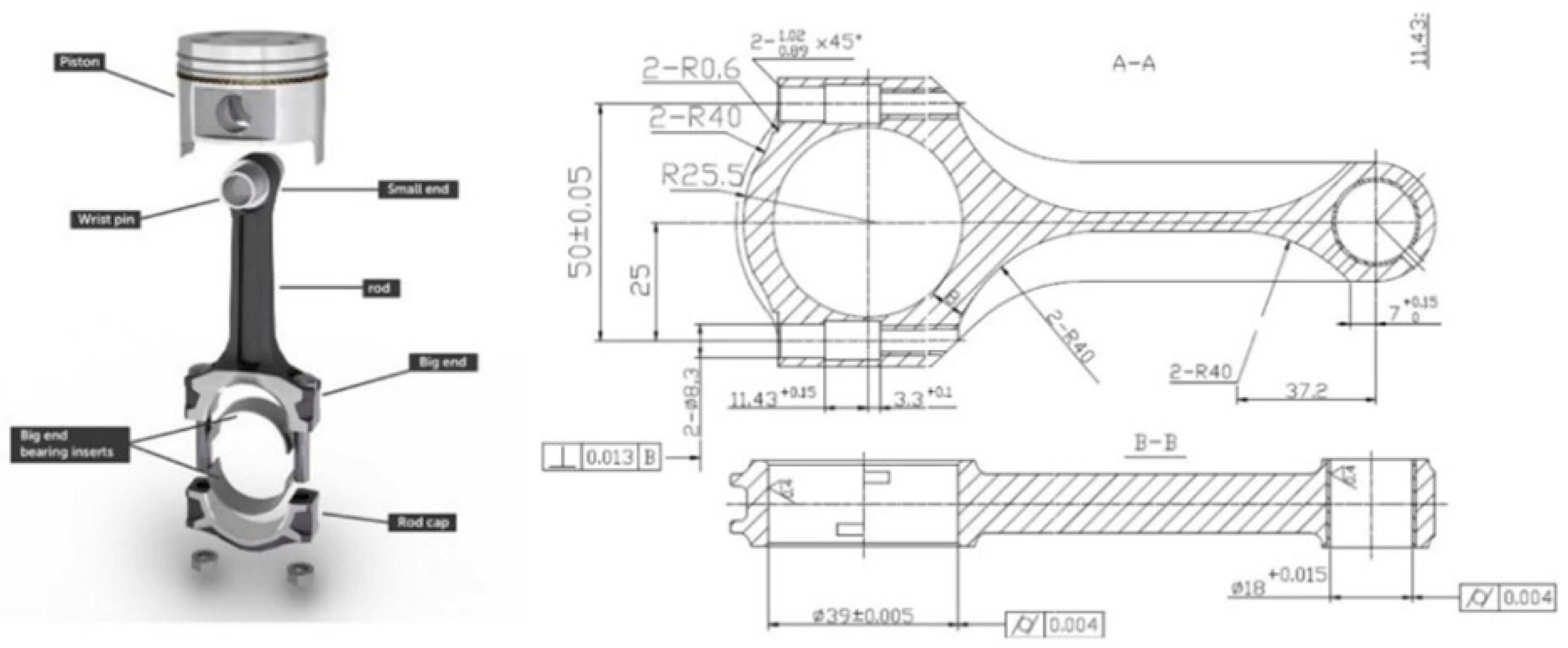
There are many motivations for the work. First, it is based on a real-world evaluation problem. From this perspective, one of Turkey’s large-scale automotive sub-industrial enterprises had evaluated shifting from a subtractive production system to AM for one of the manufacturing plants producing connecting rods. The company produces approximately 8000 units annually to meet the requirements of a single customer. However, senior executives of this company had no road map to help manage this transformation process, and they did not know what was to be done to reach desirable and expected results. The auto spare part planned to be produced using 3DPT is presented in Figure 1.
Figure 1.
The auto spare part is planned to be produced by using 3DPT. Source: [117].
Also, they have limited knowledge about 3DPs and no idea how the best 3DPs can be selected. However, all of them made sure that this decision was compulsory for their company because an international key player producing brake systems was preparing to enter the market soon; it was an essential concern for these top managers. They asked for technical support from us to find a reasonable and efficient resolution for this problem. We noticed that conducting this process as a research process will be better in the first meeting with these executives.
Correspondingly, a research process was designed and carried out (the details of this procedure are demonstrated in the subsequent section) to identify the selection criteria and propose a decision-making model. Therefore, the paper’s first motivation is to generate an optimal, robust, and efficient decision environment for selecting appropriate 3DPT and printers for the company. We noticed critical gaps in the literature and practice when conducting an extensive literature review and pre-examining to collect details and data.
Although many investigations have been performed to demonstrate innovative advancements in 3DP and AM technologies and their adoption in various industries in the relevant literature, the previous works have neglected the potential and possibly practical contributions of selecting the most appropriate 3DP technologies and 3DPs for the manufacturing industries. Most studies evaluated personal and small 3DPs purchased with hobby-aimed by users, but these 3D printers are not proper for mass production of auto parts, and the obtained findings cannot be generalized to the manufacturing industries. Moreover, the relevant literature fails to adequately contribute to the manufacturing industries regarding the selection of the most appropriate 3DPTs and 3DPs. However, the selection of 3DPTs and 3DPs is an extraordinarily complicated decision-making problem affected by highly complex uncertainties. There are two significant reasons for that: first, AM and 3DP technologies are relatively new and high-tech instruments. Second, the technical and operational information of the experts in various manufacturing industries is mostly insufficient concerning these machines. In addition, there are no criteria set that are commonly accepted by practitioners and can be used to assess 3DPTs and 3DPs in industries’ practices. In addition, a wrong decision in the selection of 3DPTs and 3DPs is unrecoverable, as the acquisition costs of these machines are enormously high. Finally, senior executives in the automotive industry mostly consider recommendations of the specialists in the 3DPs manufacturing industry to select a proper 3DP to use in the additive manufacturing process. However, these recommendations may be fallacious for decision-makers since these experts consider their 3DP manufacturer or distributor firm’s benefits and may suggest their products provide higher profits even though they do not fit the manufacturing company’s requirements.
Thus, practitioners who are responsible for assessing and selecting the most proper 3DPTs and 3DPs alternatives in the automotive industry can be motivated to apply a decision-making framework to successfully re-construction their production lines based on AM systems in the manufacturing plants. The current study is motivated by considering gaps and deficiencies in industry practices, briefly demonstrated below.
- The members of the research society have neglected the Importance and practical contributions of the selection of 3DPTs and 3DPs in the car-manufacturing industry.
- These research gaps influence the industry practices concerning the adoption of 3DP and AM technologies in the relevant industry. Consequently, the research society fails to contribute adequately to appraise the available 3DPs alternatives in the automobile industry.
- As 3DP and AM are newly emerging and sophisticated technologies, the accumulation of knowledge of the industry’s professionals on the selection, establishment, usage, and compatibility of these new manufacturing technologies is severely scant.
- Decision-makers in the automotive industry face many challenges concerning the appraise of 3DPTs and 3DPs technologies for auto parts manufacturing processes due to a lack of trustworthiness and robust MCDM procedures that can adequately deal with greatly complicated ambiguities in the literature.
- No set of identified criteria is commonly accepted by researchers and top managers influencing the assessment process for evaluating and selecting the proper and best 3DPTs and 3DPs.
The current study attempts to find logical answers to the research questions, which helps decision-makers in the automotive industry explore practical and efficient ways to appraise the 3DPs AM technologies. The following research questions are presented:
RQ1. Why do manufacturing companies in the automotive industry require 3DP and AM technologies, and how can these technologies reshape the auto parts manufacturing processes?
RQ2. What are the most critical and influential criteria that should be included in the scope of the 3DPTs and 3DPs selection evaluation?
RQ3. How can these new manufacturing technologies influence production systems’ overall performances and efficiencies?
RQ4. Is it possible to suggest a novel procedure to determine the criteria influencing the selection of 3DPTs and 3DPs?
RQ5. How can the existing ambiguities be dealt with in an appraisal process to identify suitable 3DPTs and 3DPs for the automotive manufacturing industry?
In this connection, the objectives of the study are briefly demonstrated to find reasonable and logical answers to the research questions as follows:
- (a)
- Developing a procedure to determine the significant criteria that should be included in the scope of analysis to address the 3DPs selection problem for the car-manufacturing industry.
- (b)
- By implementing the suggested procedure, determining the influential criteria to structure the decision-making problem properly.
- (c)
- Identifying the best 3DPT and 3DP alternatives by implementing the suggested decision-making approach for the automotive industry.
Accordingly, the current paper’s most significant motivation is proposing a stable, consistent, and practical mathematical tool that can effectively handle intricate unpredictability. The third inducement of the work is to introduce a set of factors that is up-to-date and appropriate to real-world evaluation problems and to identify with a detailed literature review and examination performed together with incredibly skilled executives. The criteria set can inspire practitioners in industries and researchers who conduct future studies on this subject.
2.3. The Motivation for Developing the FFD–SWARA and RAFSI Model
Aside from deficiencies concerning additive manufacturing practices in the automotive industry, we noticed critical research gaps in this field when we investigated the relevant literature carefully. The most crucial gap was related to improper criteria and factors used in the previous studies. Most existing studies dealt with personal 3D printers. The findings of these studies cannot be generalized for the 3D printers employed in the mass production processes because the criteria used in these works are not suitable for the selection of 3DP used in mass production. Furthermore, the approaches involved mostly objective and classical fuzzy sets proposed by these studies could not produce satisfactory solutions due to their structural problems and disadvantages. First, additive manufacturing is a new practice in the automobile manufacturing industry, and practitioners in the relevant industry encounter several challenges concerning decision-making due to significant and critical deficiencies in collecting information and data concerning these implementations. However, the procedures in the literature are not sufficiently reliable for these decision-makers because some of them, using objective approaches, overlooked ambiguities in the car-manufacturing industry. Classical fuzzy sets employed in some studies could not successfully process highly complicated vagueness because the classical fuzzy sets consider only membership functions and overlook non-membership functions. Therefore, practitioners in the automotive sector need a robust, trustworthy, and practical decision-making tool that can handle excessively complex uncertainties to assess the 3DP alternatives employed in the car-manufacturing processes. Considering this requirement, we developed a hybrid decision-making model involving the SWARA and the RAFSI. Also, we extended this combination with the help of the Fermatean fuzzy sets. Each approach has diverse advantages and contributions to addressing decision-making problems, and the suggested integrated model merges these advantages.
First, the SWARA approach helps to compute the criteria weights logically and identifies the relative significance of the criteria more realistically [66]. In addition, it requires fewer computations and pairwise comparisons than the AHP technique [118]. The complexness of the SWARA method is relatively low compared to many popular frameworks, which are used to identify the criteria weights. Moreover, experts with various features can work together [119], and it is not necessary to identify presuppositions to evaluate a decision-making problem. Moreover, it provides an excellent compromise among the experts by considering and associating their assessments and eliminates the impacts of experts’ excessive assessments.
Second, the RAFSI approach has many benefits in addressing complicated decision-making problems. First, this framework has an efficient basic algorithm, and practitioners can apply it without needing advanced mathematical knowledge. Thus, the RAFSI approach’s basic procedure is simple Deveci et al. [120]. It also eliminates the rank-reversal problem that can be accepted as a big challenge of the MCDM approaches due to the advantages of the new normalization technique applied by this framework [70,120]. Therefore, the procedure’s advantages make it a more trustworthy approach for decision-makers to solve extraordinarily complicated decision-making problems.
Moreover, the Fermatean fuzzy sets can define more ambiguities [121] and describe uncertainties more extensively [122]. Consequently, due to the advantages of the score function and accurate function, which were defined by Senapati & Yager [123], the Fermatean fuzzy sets, which are the extended form of the Intuitionistic fuzzy sets IFSs, can deal with more complicated vague information compared to the IFSs and other traditional fuzzy sets.
3. The Suggested Model
This section presents the recommended Dombi-based FF–SWARA and FF–RAFSI approaches and their implementation steps. For this purpose, preliminaries on Fermatean Fuzzy (FF) sets are given in the following section.
3.1. Fundamentals of Fermatean Fuzzy Sets
The preliminary information about the Fermatean fuzzy sets (FFSs) introduced by Senapati & Yager [124] and information about some basic algebraic operations required in the model’s implementation steps are demonstrated below:
Definition 1
[98,110,123,124,125]. A “” Fermatean fuzzy set (FFS) is expressed as given in Equation (1).
where and denote membership (MD) and non-membership (N-MD) degrees, respectively, and provide a condition for . Also, the indeterminacy degree is expressed as in Equation (2) [94,108,110,126]:
Definition 2
[123,125,127]. Suppose there are two Fermatean Fuzzy numbers (FF numbers), . Then, some algebraic operations based on FF numbers for and can be expressed as below [94,108,110,126]:
- is a constant
- is a constant
Definition 3
[123]. For FF numbers described as by Senapati & Yager [123], the score and accuracy values can be computed by applying Equations (3) and (4).
where and [127]. In Equations (3) and (4), when two FF numbers are sorted based on equations given for and conditions, which should be considered are expressed below [127]:
- (I)
- If then
- (II)
- If then
- (III)
- If then
- if then
- if then
- if then
Definition 4
[94]. Improved Generalized Score Function (IGSF) described by Mishra et al. [94] based on MD and N-MD is given in Equation (5).
where and [127].
Definition 5
[98,124]. The Fermatean fuzzy weighted averaging (FFWA) is defined as in Equation (6):
where are the FF numbers and symbolizes the weight coefficient and should provide the condition of .
Definition 6
[128,129]. On condition that are real numbers, while “Dombi triangular norm” and “co-norm” [129] is presented in Equation (7), the “Fermatean Fuzzy Dombi Weighted Average (FFDWA)” operator introduced by Aydemir & Yilmaz Gunduz [128] is expressed in Equation (8) [127,128].
where and [129].
where is the weight vector of [127].
3.2. Determining the Weights of the Criteria
The SWARA (Stepwise Weight Assessment Ratio Analysis) technique introduced by Keršulienė et al. [130] has been frequently preferred and successfully applied by researchers to identify the criteria weights in many studies. It is used to address various decision-making problems, such as the efficiency and performance of global retail supply chains [67], Evaluating logistics villages in Turkey [131], and evaluating industrial robots for the automobile manufacturing industry [132]. Here, the basic procedure of the extended form of the SWARA approach based on the Dombi aggregating operator and the Fermatean fuzzy sets is presented as follows:
Step 1. The criteria identified by considering the decision problem are assessed by specialists using the linguistic terms shown in Table 7 [108]. Then, the Fermatean decision matrix is constructed by converting these appraisals to the FF numbers corresponding to the scale. Where denotes the assessment of analysts for the criterion .
Table 7.
The linguistic assessment scale was used to evaluate the criteria [108].
Step 2. By applying the FFDWA aggregating operators presented in Equation (10) [127,128,133], the assessments executed by the specialists for the criteria are aggregated, and the integrated significance degree for each criterion is determined.
where and the experts’ weights
Step 3. Integrated values computed as FF numbers are converted to the score values using Equation (5) [94,127].
Step 4. The criteria are sorted by considering their score values in ascending order, and their relative significance scores are calculated [47,108].
Step 5. The comparative coefficient score for each criterion is calculated by implementing Equation (11) [47,77,108,133].
Step 6. Based on the comparative coefficient score identified in the previous step, the weight scores are calculated by applying Equation (12) [77,133].
Step 7. These scores are normalized with Equation (13) [47,108,133], and the final weight coefficient is identified for each criterion.
where
3.3. Determining the Ranking Performance of Options
In this stage, the fundamental procedure of the FFD–RAFSI technique proposed to rank the options is demonstrated.
Step 1. The linguistic assessment matrices are acquired by specialists performing linguistic evaluations for the alternatives Ai regarding measures Cj . For this purpose, experts consider the linguistic appraisal scale demonstrated in Table 8. Then, these matrices are converted to the Fermatean Fuzzy (FF) decision matrices by considering FF numbers corresponding to Table 8. Here, .
Table 8.
The linguistic appraisal scale for the alternatives [93].
Step 2. FF decision matrices created for the individual evaluation of each expert are combined with the help of Equation (10), taking into account the weights of the experts, and the aggregated decision matrix is obtained. After this process, the initial decision matrix is obtained based on Equation (5).
Step 3. The ideal and anti-ideal solutions for each criterion are defined as demonstrated in Equation (14) [70,79].
Step 4. This step defines a function mapping of the initial decision matrix’s elements into criterion intervals. Equation (15) [71,72,134].
Here, and denote a ratio that describes how much the ideal solution should be better than the anti-ideal solution [71]. In the relevant literature, the authors proposed that this ratio should be equal to six [ ve ] or nine [ ve ] [72]. In this connection, we decided to (according to the expert’s opinion) use this ratio as 6 .
Step 5. The standardized decision matrix is constructed using criteria functions, as shown in Equation (16).
Step 6. The elements’ arithmetic and harmonic means are calculated to form the FF normalized decision matrix using Equations (17) and (18). Then, elements are normalized regarding their characteristics, i.e., max or min, with the help of Equation (19), and the FF normalized decision matrix is obtained as shown in Equation (20) [134,135].
Step 7. The criteria function’s values for each criterion are computed, and options are sorted regarding these values. This work uses the criteria weights identified by applying the FFD–SWARA approach. The alternative with the highest value represents the most preferred choice in a real-life assessment process [72].
4. Implementation of the Suggested Decision Model
Here, the recommended decision model is applied to the 3DP selection problem in AI, following the proposed model’s implementation steps, and the results obtained are demonstrated as follows. The model’s basic algorithm is demonstrated in Figure 2.
Figure 2.
The proposed model and its implementation steps.
4.1. The Preparation Process
After the top managers of the automotive auxiliary equipment producers asked for support from us to determine a logical resolution for the 3DP evaluation problem faced by this company. We decided to organize sessions and personal discussions with these executives to collect preliminary information about the assessment problem concerning 3DP selection. Before the first meeting, we executed a preliminary investigation to collect information and data about the automotive sub-industry and the challenges and problems encountered by companies in the related industry. Then, we arranged a briefing among the researchers and senior executives of the automotive industry to assess the preliminary investigation results. At the end of the negotiation process, we decided to carry out a research process by providing complete consensus among the attendees because the research problem was extraordinarily complicated and impossible to solve without an efficient and robust decision-making procedure. In this connection, the researchers designed a research process by considering the two interrelated case studies. The following fundamental procedure of the research process is demonstrated in Figure 2.
4.1.1. Description of the Problem
The main motivation of the study is to evaluate available 3DP technologies and 3D printers, which use the most proper technology to manufacture the auto part demonstrated in Figure 3. In addition, we decided to extend the research scope by identifying the most proper 3D printer technologies and the best 3D printers that can be employed in the automotive manufacturing process. The first step is to examine the most appropriate 3DP technology alternative for the automotive industry. In the second stage, we identified and assessed the alternatives that use the most proper 3DP technology determined in the first phase. Thus, the first case study is related to the selection of the most suitable 3DP technology for the auto parts manufacturing industry.
Figure 3.
The procedure followed to address the current problem.
Moreover, the second case study is relevant to 3D printer selection in the current industry. The second case is interrelated with the first, as we only considered the 3D printers produced by using the best 3DP technology identified in the current work. Hence, the implementation involves two main parts, and the most appropriate 3D printer is determined after the best 3DP technology is defined for auto parts manufacturing. The procedure of the study followed to identify the best option is demonstrated in Figure 3.
4.1.2. Selection of the Experts
We also planned to construct a board of professionals with vastly experienced executives with broad AI and AM information. Moreover, according to the general view of executives and researchers, selecting board members from outside the company and among independent professionals was considered better to provide an objective and well-structured decision-making environment. Except for one, we decided to select experts from outside the firm as members of the BoE. For this purpose, we set some measurements for all candidates to be board members. First, receiving an education in engineering at a reputable university is a criterion for being a board member. Second, a candidate should have at least 15 years of experience as a senior executive in the current industry. Also, they should have extensive knowledge and experience of AM and its implementations. Finally, a candidate must serve as a decision-maker, at least in an evaluation process, to solve an evaluation problem on 3DP selection.
We identified all candidates by considering these conditions. Aside from the existing candidates, we searched for members of the BoE among professionals in AM, 3D printing, and AM through some business platforms such as LinkedIn, Glassdoor, and Randstad. Then, our research team evaluated these candidates (i.e., over 40 professionals) and eliminated some of them since they had insufficient qualifications to join the BoE. We identified five professionals as the board members because they fit the determined conditions. The details of the professionals are given in Table 9.
Table 9.
The board of experts and their details.
4.1.3. Identification of the Selection Criteria
We decided to develop a novel framework that can assist in identifying the criteria and eliminating the impacts of subjective evaluations. Hence, we designed a negotiation process involving four rounds to determine the influential criteria. The four-stage procedure followed by the researchers is demonstrated as follows:
Round 1. In the first stage, we extensively surveyed the relevant literature to detect the criteria considered in the earlier works dealing with 3D printer selection. Including repetitive ones, we noted 219 criteria used in 27 papers. Afterward, we noticed that some criteria were used with different definitions (i.e., printing speed, speed of production, max printing speed, high print speed, speed, build speed, max. print speed, and print speed). We merged these definitions and defined a criterion, namely speed of production, involving these criteria. Moreover, we eliminated the repetitious criteria in the list. We prepared a new list involving 105 criteria at the end of the process.
Round 2. The researchers invited all experts selected as working group members to the well-attended meeting to evaluate and discuss the identified criteria and organized several sessions and personal interviews with the members of the BoE through online meeting platforms due to the pandemic. In this stage, we presented the criteria list to the experts. We requested them to evaluate all criteria separately to determine whether they are relevant or irrelevant concerning selecting 3DPs employed in the auto part manufacturing processes. Each expert voted each criterion as relevant or irrelevant by checking the box on the questionnaire form. Afterward, we noted all criteria the specialists defined as irrelevant and discussed each criterion. They argued that some criteria are irrelevant to the 3DPTs and 3DPs selection for auto parts manufacturing. Also, some criteria may be incorporated into diverse criteria existing in the list. In this connection, we eliminated 76 criteria by providing full consensus among the specialists and formed a new list involving 29 criteria, shown in Table 8. Finally, experts considered fit to assess the 29 criteria by applying the FFD–SWARA & Delphi approach to identify the final criteria.
Next, we presented a new questionnaire form involving 29 criteria to these ten experts to assess these criteria using the linguistic terms shown in Table 5. At the end of the phase, we collected the survey forms and concluded the second round.
Round 3. In this round, we applied the proposed FF–Delphi approach that consists of four implementation steps. In the first step, we checked each survey form and generated FF initial decision matrices involving the specialists’ assessments. Then, we followed the next steps of the suggested procedure:
In the first phase, we computed the relative significance scores of the alternatives by following the first seven implementation steps of the FFD–SWARA approach. Next, we computed the final evaluation score of each criterion by employing Equation (22), presented below.
where [Si] denotes the final evaluation score of each criterion. Then, the criteria were categorized into three classes regarding their scores. The linguistic evaluations of the experts and final computational results concerning the classes are demonstrated in Table 10.
Table 10.
The board of experts and their details.
The criteria were classified by considering intervals demonstrated in Table 11.
Table 11.
Intervals for categorizing the criteria.
Finally, we discussed the validation of the identified criteria with the experts and decided to include these criteria in the scope of the assessment. The criteria and descriptions are presented in Table 12.
Table 12.
The board of experts and their details.
4.1.4. The Implementation Results of the Suggested Model for Case 1
In this section, the implementation results of the suggested procedure are presented. In this connection, the criteria were identified by applying the FFD–SWARA and Delphi approach and the criteria weights were computed using the FFD–SWARA. Finally, the alternatives were ranked with the help of the FFD–RAFSI technique. The specialists initially evaluated the criteria by considering linguistic terms in Table 13. Each expert performed the linguistic assessment in this connection by considering their own experiences and opinions.
Table 13.
Evaluations of the board of experts for the selection criteria.
The linguistic evaluation matrices were converted to FF numbers, and FF decision matrices were formed. Next, these matrices were aggregated using the FFDWA aggregating operator given in Equation (10). In this stage, the weight coefficient value is defined by each expert. The aggregated vectors for the criteria are given in Table 14.
Table 14.
The Aggregated FFNs and relative significance scores of the criteria.
The criteria were sorted by their score value in descending order, and the final criteria weights, which were computed using Equations (11)–(13), are presented in Table 15.
Table 15.
The final criteria weights were computed using the FFD–SWARA technique.
Corresponding to the results, C1 “Accuracy” is the most influential criterion, and C5 “Quality” and C6 “Purchasing costs” have followed the most significant factor with closer significance scores. The remaining criteria are ranked as C4 > C2 >C12 > C13 > C14 > C16 > C8 > C3 > C10 > C19 > C9 > C11 > C15 > C17 > C7 > C18 > C20.The paper’s main finding concerning C1 is “Accuracy,” which is the most influential criterion, and it confirms the main findings of the study by Hanon et al. [136]. According to the findings of their study, the accuracy of three-dimensional (3D) printing is highly significant, as it determines the machine’s trustworthiness in producing each object in accordance with the expected results. Its significance cannot be overlooked because this factor depends entirely on creating a reliable and well-operated manufacturing system. Manufacturers want to be sure that the manufactured products are close to the nominal values of the designed model.
On the contrary, in addition to raw materials, semi-finished products, and manufactured products used in the production processes, all things about the production process may be entirely run to waste when a problem occurs with accuracy. Hence, practitioners should consider this criterion when decision-makers face decision-making problems in selecting industrial 3DPs. After the criteria weights were computed using the FFD–SWARA approach, it was passed to the implementation of the FF–RAFSI approach to calculate the preference ratings of the alternatives. Decision-makers made linguistic assessments for each option by considering the linguistic appraisal scale presented in Table 8. These assessments are demonstrated in Appendix A. The linguistic appraisal matrices were converted to FF decision matrices, and the FF decision matrix was constructed by aggregating FF matrices with the help of Equation (10). Table 16 demonstrates the FF decision matrix.
Table 16.
The FF-Integrated decision matrix for case study 1.
The score values of the alternatives regarding each criterion were computed by implementing Equation (5), and the initial decision matrix was formed by considering these values. Table 17 represents the initial decision matrix.
Table 17.
The initial decision matrix based on the score values.
For instance, the FF-integrated value given in Table 16 and the score value shown in Table 17 for A1-C1 have been identified as follows:
The score value for A1-C1,
Ideal and anti-ideal solutions for each criterion (regarding the characteristics of each criterion) demonstrated in Table 18 have been defined by considering the experts’ evaluations.
Table 18.
The ideal and anti-ideal values of decision criteria.
Under the assumption that the ideal value is better than the anti-ideal value six times, pairing functions were formed regarding Equation (15). The standardized decision matrix has been constructed by considering these functions. Table 19 denotes the standardized decision matrix.
Table 19.
The standardized decision matrix.
The arithmetic and geometric mean values were computed by applying Equations (17) and (18), respectively, and the normalized decision matrix was generated with the help of Equation (19). The normalized decision matrix is presented in Table 20.
Table 20.
The normalized decision matrix.
The criteria function for each alternative was computed by considering the criteria weights. In Table 21, the results are presented.
Table 21.
The results of the FFD–RAFSI approach for case study 1.
According to Table 21, A5, “Material Extrusion” is the best option for the automotive industry, and the remaining alternatives are ranked as A1 > A2 > A7 > A4 > A3 > A6. Material extrusion technology is the most trustworthy and economical type of additive manufacturing [122]. Although it is a technology that has been used for producing quick prototypes in various industries since it emerged, it has also become revolutionary manufacturing technology for many industries, e.g., health, car manufacturing, aerospace, and textile and apparel [137]. Furthermore, it enables diverse components composed of plastic, food, polymers, and so on and helps lower production costs [138]. In addition, it heats the materials instead of melting them to soften them [139]. Hence, it does not lead to chemical and physical deterioration of the materials used to produce auto parts. Moreover, it leads to reduced energy consumption based on its ability.
4.1.5. The Implementation Results of the Suggested Model for Case 2
This section presents the assessment results for the 3DP alternatives produced using the material extrusion technology identified as the best 3DPT alternative. In this stage, 11 alternatives have been determined according to the outcomes of the extensive fieldwork performed with the experts. These alternatives are presented in Table 22.
Table 22.
The 3DP alternatives are in the material extrusion technology group.
The experts evaluated the 11 alternatives produced based on the material extrusion technology by considering the criteria identified in the first case study. The FF decision matrices were formed by associating the linguistic appraisals performed by specialists with FF numbers. The generated matrices were aggregated using Equation (10). The aggregated matrices are presented in Table 23, and the aggregated FF decision matrix is demonstrated in Table 24.
Table 23.
The FF-Integrated decision matrix for case study 2.
Table 24.
The aggregated FF decision matrices for case study 2.
Using Equation (5), score values were calculated, and the initial decision matrix for case study 2 was generated, as shown in Table 24.
For the second case study, ideal and anti-ideal solutions defined regarding experts’ opinions using Equation (14) are presented in Table 25.
Table 25.
The ideal and anti-ideal solutions for case study 2.
The standardized and normalized decision matrices were formed using Equations (15)–(20), respectively, as also implemented in the first case study. Then, the criterion functions () for each alternative were computed by applying Equation (21). Table 26 demonstrates the ranking performance of the 3D printer alternatives.
Table 26.
The results of the FFD–RAFSI approach for case study 2.
When the results are evaluated, A8 is the best alternative. It is a good and logical selection, as it meets the requirements of automotive manufacturing companies concerning 3DPs on a vast scale. Despite the logical purchasing price of the alternative, it provides a high production speed (500 mm/s). Also, it can produce higher-sized products (1050 × 1015 × 1015 mm) than the others. Its superiority over other alternatives concerning these criteria makes the preference for this option more rational. The remaining alternatives were ranked as A1 > A2 > A4 > A3 > A11 > A6 > A9 > A5 > A7 > A10.
4.1.6. Robustness Test
Here, an extensive validation test with three phases was conducted to check the robustness of the recommended decision model.
Phase 1. Examining the impacts of modifications of the criteria weights on the ranking performance of the options:
In this phase, the consistency of the model by changing each criterion’s weights was tested. In these circumstances, we identified 200 scenarios. In each scenario, the criterion’s weight was reduced by 10% and was continued till the criterion weight was equal to zero. The difference value was added to the other criteria equally to ensure that the sum of the criteria’ weights should equal 1 in each scenario. This approach was executed for both 3DPT selection and 3DP selection. Eventually, 200 different scenarios were formed for both.
Many previous studies that proposed to change the criteria weights in the first three ranks have been criticized, as these approaches can provide limited information on the stability of the suggested decision-making approach. Moreover, we preferred to follow the approach introduced by Görçün et al. [140]. The mathematical expressions of suggested mathematical expressions are given in Equations (23)–(25) [140].
Here demonstrates the last coefficient of the changed weight of jth criterion, which denotes the previous coefficient of the criterion, is the degree of modification in terms of percentage (i.e., 10%, 20%, …, 100%). Also, is the new coefficient of remaining factors, the number of factors, and the preceding value of the remainders.
We examined the impacts of changing the criteria weights on the ranking results for both case studies by following the basic procedure of the suggested framework. For the first case study, the acquired outcomes are satisfactory. Despite excessive modification performed in the weight coefficients, the ranking position of the best alternative has not changed for all scenarios. Although slight changes in the ranks of the remaining alternatives have been observed, these changes are not critical and cannot affect the overall results. Furthermore, changes occurred when the criteria weights were changed by over 50% in many scenarios. Moreover, some criteria, such as C3, C4, C9, and C11, can be accepted as more critical than others, as they have led to changes in the rank of some alternatives. Finally, the average similarity coefficient of the results in two hundred scenarios is computed as 77.36%. Table 27 illustrates the percentage values of the modification in the weights of any criterion leading to changes in the rank of the alternatives.
Table 27.
The percentage values of the modification leading to changes for the first case study.
For the second case study, we followed the same algorithm given above. The acquired analysis results are also better than the results for the first case study. The best option has also remained in the same rank for all scenarios, and the impacts of the modification in the criteria weights on the ranking results are lesser for the remaining alternatives. Accordingly, the average similarity coefficient has been computed as 89.05%. It is better than the coefficient identified for the first case study. In addition, when the criteria weights were modified by over 70%, these changes occurred in many scenarios. However, these changes are not critical and cannot change the overall results. According to analysis results, C12 and C16 have caused a change in the rank of many options. Thus, these criteria can be accepted as critical. Table 28 shows the percent values of the modification in the weights of any criterion leading to changes in the rank of the alternatives.
Table 28.
The percentage values of the modification leading to changes for the first case study.
As understood from both tables, the analysis results confirm the robustness and stability of the proposed approach. The obtained re-ranking results for the first case study (3DPTs) and the second case study (3DPs) are illustrated in Figure 4a,b.
Figure 4.
(a) The re-ranking of the 3DP technology alternatives for 200 scenarios, (b) The re-ranking of the 3DP alternatives for 200 scenarios.
Phase 2. Examination of the impacts of changes in the experts’ weights on the ranking results:
By following the same procedure applied in the previous phase, we examined the impacts of modifications in the experts’ weights on the ranking results. Similarly, we performed this investigation for both case studies. For the first case study, the ranking position of the best option changed in scenarios 9, 10, 19, and 20 when the weights of DM1 and DM2 were changed excessively over 90%. However, these modifications are not reasonable and cannot be encountered in real life because practitioners with low weights are not included in an assessment process, as the weight of an expert is also an indicator of the expert’s experiences and knowledge. The impacts of the modifications in the experts’ weights on the ranking results are demonstrated in Table 29.
Table 29.
The percent values of the modification in experts’ weights leading to changes for the first case study.
After the assessment, the average similarity coefficient has been computed as 76.00%, which can be accepted as satisfactory to prove the model’s stability and consistency. In the next step, we changed the experts’ weights to check the robustness of the second case study’s results. The ranking performance of the A8, the best alternative, has not changed for all scenarios. Moreover, there are no changes in the ranks of some options, such as A1, A3, A5, and A11. For the remaining alternatives, slight and uncritical changes in their ranking performances have been noticed, as presented in Table 30.
Table 30.
The percentage values of the modification in experts’ weights led to changes in the second case study.
Phase 3. Examining the impacts of changes in the β parameter of the Dombi operator on the ranking results:
In this section, the impacts of modifications in the β parameter of the Dombi operator on the ranking results were examined. In this connection, the value of the β parameter has been increased by adding 1 in each scenario, keeping fixed the experts’ weights and the criteria weights computed by applying the FFD–SWARA technique. The results obtained from the attempts performed under these conditions are illustrated in Figure 5a,b.
Figure 5.
(a) The benefit values (Q) are computed by considering 1 for case study 1; (b) Ranking the alternatives by considering the values of 1 for case study 1.
For case study 1, When the results are evaluated by considering Figure 5a,b, the A5 option remains the same rank and has been identified as the best option despite all modifications performed in the β parameter. Similarly, A1 has also kept the same rank for all diverse values of the parameter β. It has been noticed that there are some slight changes in the ranks of the remaining alternatives. Next, the impacts of the parameter β were examined for case study 2. The results obtained from the attempts performed under these conditions are illustrated in Figure 6a,b.
Figure 6.
(a) The benefit values (Q) computed by considering 1 for case study 2; (b) Ranking the alternatives by considering the values of 1 ≤ β ≤ 30 for case study 2.
Similarly, when the results demonstrated in Figure 6a,b are evaluated, A8, the best option, and A10, the worst alternative, remain in the same ranks for all scenarios. Also, the alternatives A1, A3, A5, A7, and A11 have kept their ranking positions. Some slight changes in the remaining alternatives’ ranks have been noted based on the modifications in the parameter β. When the outcomes are evaluated in general, the best options identified for both case studies have not been influenced by the parameter β modifications and remained the best alternatives.
Phase 4. Comparative analysis:
In this part, diverse popular decision-making frameworks for each case study were implemented, and the outcomes of these approaches were compared. In this connection, the ranking results of the applied methodological frameworks, such as FF-WASPAS [93], FF-ARAS [100], FF-MAIRCA [141], and FF-SAW [97] for case study 1 are demonstrated in Table 31 and Table 32 for the case study 2.
Table 31.
Ranking the alternatives for applied diverse MCDM frameworks for the case study I.
Table 32.
Ranking the alternatives for applied diverse MCDM frameworks for the case study I.
As illustrated in Table 31, A5, the best alternative is also the most proper choice for the outcomes of all implemented decision-making tools. Although A1 and A2 have remained in the same ranks for all procedures, the ranking position of A6, the worst alternative, has shown changes in all applied frameworks except for FF-WASPAS. The average correlation coefficient between the results of the suggested model and other employed tools has been computed as 0.812.
According to the comparison results performed for case study 2, A8, the best choice, has also been identified as the most appropriate option for all implemented approaches. Similarly, A10, the worst alternative, has remained in the same rank for all MCDM tools. Although there are some slight changes in the remaining alternatives’ ranks, pointing out the same alternatives as the best and worst by each popular framework used in the current work supports the main outcomes of the suggested model. The average correlation coefficient between the results was calculated as 0.957 by applying Spearman’s correlation (SSC) analysis technique. The comparison among the applied frameworks concerning their features is presented in Table 33.
Table 33.
Ranking the alternatives for applied diverse MCDM frameworks for the case study I.
Phase 5. Testing the suggested model’s resistance to the rank-reversal problem:
In this phase, the suggested FFD–SWARA and FFD–RAFSI integrated decision model was tested concerning the model’s resilience to the rank-reversal problem. In this connection, scenarios were formed by considering the number of alternatives for each case study. The worst option was removed in each scenario, and computations were repeated for the remaining alternatives. The acquired outcomes are illustrated in Table 34 for case study I and exhibited in Table 35 for case study II.
Table 34.
The results for the resilience of the model to rank reversal for case study I.
Table 35.
The results for the resilience of the model to rank reversal for case study 2.
As understood from Table 34 and Table 35, the proposed model is fully resistant to the rank-reversal problem, as the ranking results of the alternatives in each scenario have not changed for both case studies. Consequently, the ranking performances of alternatives have not been changed, and A5 “Material Extrusion technology has remained in the same rank for all scenarios. Also, the ranking position of the best 3DP option has never changed for any scenario. The results obtained confirm that the suggested FFD–SWARA and FFD–RAFSI approaches are fully reliable decision-making tools that cannot be affected by the rank-reversal problem. Eventually, it presents a reasonable and logical decision-making environment for the practitioners, as they can be sure about the reliability of the results obtained using the suggested model.
5. Results and Discussions
AM is a promising production system with many advantages compared to traditional subtractive manufacturing systems [142]. However, industries still do not dare to transform their production systems because these kinds of decisions are extremely risky and irreversible. Hence, they are concerned about what would happen if anything went wrong. The main reasons for that are a lack of data and insufficient information about this issue. Available information about AM and 3DPs produced in the literature is insufficient to encourage the industry decision-makers about this transformation process. Thus, it is necessary to do much more research to fill the gaps in the literature.
When a broad literature review was performed, we noted significant and severe gaps in the literature. First, A major part of the studies examining the selection of three-dimensional printers did not focus on any industries’ requirements that are related to 3DPs utilization. Consequently, the studies evaluated the selection of 3DPs without considering an industry’s requirements concerning employing 3DPs in manufacturing. However, 3DPs are produced to meet the diverse, special, and different requirements of the last users regarding both industrial and individual usage. For instance, while the automotive industry needs 3DPs, which can be used to produce large-sized auto parts at a higher accuracy level in mass production processes, the medical and health industry requires 3DPs, which can produce at the highest accuracy instead of mass production. Consequently, studies in the relevant literature did not consider the special requirements of diverse industries aside from the different abilities and features of the 3DPs. Second, 3DPs are produced based on diverse three-dimension printer technologies, such as Binder Jetting, Powder Bed Fusion, Material Extrusion, Material Jetting, etc.; each 3DP technology has diverse abilities and features and meets the different requirements of the last users. In this connection, the earlier studies assessed the 3DPs without considering the 3DP technologies and their different features. Therefore, after the 3DP technology, which can meet the requirements of any industry, is identified, evaluating the alternatives produced with this 3DP technology may be more logical and reasonable.
Many studies in the relevant literature evaluated personal 3DP alternatives. Moreover, these papers do not provide sufficient information about industrial 3DPs for industry practitioners, as these printers can be used for individual requirements such as hobbies and prototyping instead of mass production. The second gap is relevant to methodological frames applied in the preceding studies. The author (s) preferred using traditional decision-making approaches such as AHP, TOPSIS, PROMETHEE, VIKOR, and ELECTREE. Aside from structural problems and drawbacks, these approaches may overlook the numerous complicated uncertainties in an assessment process for selecting the best and proper 3DPTs and 3DPs.
Furthermore, there are many unpredictable uncertainties in addition to predictable ambiguities. Therefore, classical fuzzy theory cannot overcome these kinds of uncertainties. Thus, a robust, effective, applicable, and reliable decision tool is required to handle predictable and unpredictable uncertainties to solve highly complicated decision-making problems faced in AM.
By keeping these requirements and motivations of the industry in mind, the present study suggests a novel decision-making model by extending the SWARA and RAFSI combination based on the Fermatean fuzzy sets. The suggested model has numerous helpful conceptual contributions to the literature. These contributions can be outlined as follows.
- The suggested integrated model associates the precious advantages of the SWARA approach, the RAFSI technique, and the Fermatean fuzzy sets. Therefore, the suggested model is a robust and efficient decision-making tool that can handle excessively complicated uncertainties.
- The SWARA approach, which is part of the suggested hybrid model and employed to identify the weights of the criteria, has many precious advantages. It provides an opportunity to compute the criteria weights more logically and reasonably. Correspondingly, the SWARA approach considers practitioners’ priorities and the requirements of the relevant organization while a decision-making problem is addressed [66]. Thus, it can produce models based on situations, priorities, and degrees of significance [143]. In addition, practitioners can leave irrelevant and unimportant criteria and factors out of the assessment, and it allows them to complete the assessment process quickly. Also, it requires fewer pairwise comparisons and computations than some traditional weighting approaches, such as AHP and ANP. Hence, the SWARA technique has a more understandable procedure [118]. This advantage of the approach makes its basic algorithm more practical and applicable. In addition, it provides an opportunity to crisply evaluate the relative significance of the criteria [130].
- The implementation of the RAFSI approach used to identify the preference ratings of the alternatives is very simple [120] and has an understandable algorithm. It presents an excellent normalization technique that objectively converts information in the decision matrix to processable data [70]. Moreover, it is maximally resistant to the rank-reversal problem, which is accepted as a critical structural problem of different decision-making approaches [70,120]. Based on its advantages, the RAFSI technique presents a trustworthy decision-making framework at the level of excellence to the decision-makers, and it gives results to the practitioners trying to solve highly complex decision-making problems at a higher level of accuracy.
- The Fermatean fuzzy sets have critical and significant advantages compared to other fuzzy sets. In particular, the sum of cubes of membership and non-membership functions takes a value of less than 1 [121], and there is a relationship between membership and non-membership of an element [144], and FFs consider this relationship more than other fuzzy sets differently. Thanks to this advantage provided by its structural feature, decision-makers can assign membership and non-membership values from a wider domain [121]. Correspondingly, FFs can overcome uncertainties better than other fuzzy sets, which are highly complicated. Furthermore, its ability to capture more ambiguities [123] and process complex and indeterminate information provide advantages to solving highly complex decision-making problems.
In addition to its conceptual contributions, the present paper has many precise managerial findings. These implications can be summarized as:
- It presents a novel set of criteria determined by executing extensive fieldwork with broadly skilled experts with vast knowledge of AI and digital transformation and a detailed literature review. Executives can consider these criteria when they face a decision-making problem on 3DP selection in AM. Moreover, they may inspire researchers to conduct further studies on this subject.
- Aside from practitioners in the field of AM, designers and engineers in the 3DP manufacturing industry can consider the paper’s findings and use them as a guide to improve their products and technologies. They can focus on more influential criteria to generate a well-designed production system providing more rational resource utilization.
- The current paper proposes a basic algorithm that can be used as a roadmap to select appropriate 3DPs for AM. This roadmap can help to select more rational, logical, and reasonable alternatives. Hence, the preferences of the decision-makers may be more optimal.
- The current paper presents an algorithm that is different from those of previous studies. It recommends evaluating the proper 3DPTs before selecting 3DPs. Evaluating fewer and more reasonable 3DP options is possible because it can help eliminate some alternatives using 3DPT options. Thus, it makes the evaluation and selection easier for practitioners.
- Also, it focuses on industrial 3DPTs and 3DPs, which are proper for mass AM production. Therefore, individual and low-capacity 3DPs are out of the scope of the current study. Hence, the current paper examines the applicability of AM technologies in AI concerning digital transformation.
When the outcomes and findings of the study are evaluated, C1 accuracy in printing is the most influential criterion, as it confirms that each manufactured product is in the same form. Hence, providing standardization in product form also increases the firm’s trustworthiness with the other supply chain stakeholders. The customers (car-manufacturing companies) want to fully rely on the appropriate purchased auto parts, which can be used in manufacturing processes because a slight mistake concerning the accuracy of any auto part’s form can lead to irrevocable results after the manufacturing process starts.
The study’s main finding concerning the most influential criterion confirms the outcomes acquired in the studies carried out by Ghaleb et al. [23] and Khamhong et al. [18]. According to these authors, accuracy is the most essential and critical factor for selecting the most appropriate 3DP. According to their study’s findings, Aydoğdu & Gül [37] indicated that quality is the most critical factor. In some studies, the researchers claimed that the cost of production is the most determinant factor for selecting a three-dimensional printer [22,27,45]. However, the researchers did not associate the outcomes of their studies with any industry’s requirements concerning 3DP utilization. Hence, it is not possible to check the validity of these findings. In addition, each 3DP shows diverse performance in producing different objects. These studies did not illustrate an object as an example that can be produced using additive manufacturing implementations. In the current work, aside from the current study carried out to address a critical decision-making problem in the automotive industry, we also pointed out an object that will be produced in an additive manufacturing process in the automotive manufacturing industry, as illustrated in Figure 3. Ultimately, printing the connecting rods for heavy trucks by employing 3DPs is pointed out as the main focal point of the paper.
6. Conclusions and Guidance for Next Studies
The present paper focuses on decision problems in identifying appropriate 3DPTs and 3DPs in AM using a previously unattempted methodological framework. We noticed that there are critical gaps in the literature. An extended form of the hybrid model involving Delphi, SWARA, and RAFSI approaches based on Fermatean fuzzy sets is a powerful and applicable mathematical tool that can deal with several complex uncertainties. It is proposed to fill the theoretical and methodological gaps in the literature. By keeping the difficulties of the 3DP selection and industry requirements in mind, the present paper suggests a novel decision-making approach based on FF sets to combine the advantages of FF sets and the Delphi, SWARA, and RAFSI techniques. In addition, we executed a broad sensitivity analysis with five phases to check the robustness and validity of the proposed model. The results prove that the FF–Delphi and SWARA and RAFSI combination is a maximally consistent and stable decision-making tool, as many excessive modifications could not influence it. Moreover, it is resilient to the rank-reversal problem because the ranking positions of the alternatives did not change despite eliminating the worst options in each scenario. Thus, it proves that the proposed FF model is fully reliable for decision-makers. The model was used to solve the assessment problem of selecting 3DPTs and 3DP alternatives in AM to demonstrate the implementation of the decision-making model. The obtained outcomes confirm that the recommended decision tool based on FF sets can be applied to solve highly complicated decision problems in various industries besides the automotive industry.
Author Contributions
Conceptualization, Ö.F.G., H.K. and S.H.Z.; Formal analysis, H.K., Ö.F.G. and S.H.Z.; Investigation, Ö.F.G., H.K. and S.H.Z.; Writing—original draft, Ö.F.G., H.K. and S.H.Z.; Writing—review and editing S.H.Z., J.A. and M.P.; Supervision, S.H.Z. and J.A.; Project administration, S.H.Z., J.A. and M.P. All authors have read and agreed to the published version of the manuscript.
Funding
This research received no external funding.
Data Availability Statement
Data are contained within the article.
Conflicts of Interest
The authors declare no conflict of interest.
Appendix A
Table A1.
Linguistic evaluation matrix by DMs of alternatives for Case 1.
Table A1.
Linguistic evaluation matrix by DMs of alternatives for Case 1.
| Criteria | |||||||||||||||||||||
|---|---|---|---|---|---|---|---|---|---|---|---|---|---|---|---|---|---|---|---|---|---|
| Alt. | Dec. Mak. | C1 | C2 | C3 | C4 | C5 | C6 | C7 | C8 | C9 | C10 | C11 | C12 | C13 | C14 | C15 | C16 | C17 | C18 | C19 | C20 |
| A1 | DM1 | MH | L | M | MH | MH | VH | H | VL | H | ML | M | M | ML | VL | M | L | L | H | H | ML |
| DM2 | MH | ML | M | MH | M | ML | ML | ML | ML | H | MH | H | M | M | MH | M | M | MH | MH | ML | |
| DM3 | M | VL | VL | VH | H | L | H | L | H | L | H | M | L | H | MH | VH | L | H | H | L | |
| DM4 | M | VL | VL | M | H | L | H | L | H | L | H | M | L | H | MH | VH | L | H | H | L | |
| DM5 | VH | M | H | M | VH | H | H | MH | H | H | H | H | MH | M | H | H | H | H | H | M | |
| A2 | DM1 | MH | MH | MH | M | M | VH | H | ML | H | ML | M | MH | MH | ML | M | L | MH | MH | MH | M |
| DM2 | MH | MH | ML | MH | M | M | MH | MH | M | M | M | MH | M | M | ML | M | M | M | MH | MH | |
| DM3 | L | M | MH | M | M | VH | H | ML | H | ML | M | MH | M | M | ML | M | M | M | MH | MH | |
| DM4 | L | MH | MH | M | M | VH | H | ML | H | ML | M | MH | M | M | ML | M | M | M | MH | MH | |
| DM5 | ML | MH | ML | M | ML | H | M | VH | M | M | H | M | VH | VH | L | H | M | ML | H | H | |
| A3 | DM1 | MH | MH | H | MH | MH | VH | H | ML | H | MH | M | H | ML | L | M | L | ML | H | H | M |
| DM2 | MH | ML | M | MH | MH | M | MH | M | ML | M | MH | MH | M | M | MH | VH | M | M | MH | ML | |
| DM3 | MH | ML | ML | VL | M | MH | L | H | ML | L | VH | VL | M | M | H | H | MH | L | MH | M | |
| DM4 | MH | M | M | VL | M | MH | L | H | ML | L | H | VL | M | M | H | VH | MH | L | MH | M | |
| DM5 | MH | M | H | H | VH | H | L | MH | M | H | H | H | MH | M | M | M | H | H | H | M | |
| A4 | DM1 | VL | L | ML | L | VVL | L | M | L | M | M | ML | L | M | ML | M | M | ML | VL | L | VL |
| DM2 | MH | ML | ML | L | H | M | M | M | M | M | MH | H | M | M | M | M | MH | MH | MH | ML | |
| DM3 | L | L | VVL | L | VVL | L | M | L | M | M | ML | L | M | ML | VL | M | VVL | VL | L | VVL | |
| DM4 | L | L | VVL | L | VVL | L | M | L | M | M | ML | L | M | ML | VL | M | VVL | VL | L | VVL | |
| DM5 | L | L | M | L | H | H | MH | M | M | M | MH | H | MH | VH | L | L | M | H | H | MH | |
| A5 | DM1 | VH | L | VH | H | MH | VH | MH | MH | H | MH | M | M | VH | VH | M | ML | H | L | L | MH |
| DM2 | VH | MH | H | H | VH | H | MH | M | M | MH | ML | M | M | ML | ML | M | MH | M | ML | L | |
| DM3 | VH | L | L | H | MH | H | L | M | ML | MH | MH | H | H | M | M | M | M | L | ML | L | |
| DM4 | VH | L | L | H | MH | H | L | M | ML | MH | MH | H | H | M | M | M | M | L | ML | L | |
| DM5 | VH | ML | H | MH | VH | MH | MH | M | H | H | H | H | H | M | H | M | H | L | H | H | |
| A6 | DM1 | L | M | MH | M | M | VH | H | ML | H | ML | M | H | MH | ML | M | L | MH | MH | MH | M |
| DM2 | L | M | MH | MH | MH | M | M | M | ML | MH | MH | VH | M | M | M | M | M | MH | MH | M | |
| DM3 | L | M | MH | MH | MH | M | M | M | ML | MH | MH | H | M | M | M | M | M | MH | MH | M | |
| DM4 | L | M | MH | MH | MH | M | M | M | ML | MH | MH | H | M | M | M | M | M | MH | MH | M | |
| DM5 | L | M | M | L | H | M | H | M | L | M | H | H | MH | M | H | M | M | H | M | M | |
| A7 | DM1 | M | ML | MH | H | MH | VH | H | M | H | M | M | MH | ML | ML | M | L | MH | MH | MH | M |
| DM2 | M | M | H | M | M | M | MH | M | M | M | ML | M | M | ML | ML | M | M | M | ML | L | |
| DM3 | M | M | H | M | M | M | MH | M | M | M | ML | M | M | ML | ML | M | M | M | ML | L | |
| DM4 | M | M | H | M | M | M | MH | M | M | M | ML | M | M | ML | ML | M | M | M | ML | L | |
| DM5 | M | VL | VL | VL | MH | VH | H | M | H | M | M | MH | ML | ML | ML | M | M | M | ML | L | |
Table A2.
Linguistic evaluations of alternatives to Case 2 by experts.
Table A2.
Linguistic evaluations of alternatives to Case 2 by experts.
| Alt. | Dec.Maker | C1 | C2 | C3 | C4 | C5 | C6 | C7 | C8 | C9 | C10 | C11 | C12 | C13 | C14 | C15 | C16 | C17 | C18 | C19 | C20 |
|---|---|---|---|---|---|---|---|---|---|---|---|---|---|---|---|---|---|---|---|---|---|
| A1 | DM1 | L | M | MH | VH | VH | VH | MH | VVH | VVH | VVH | VVH | M | ML | VVH | VH | VH | MH | VH | VH | H |
| DM2 | L | M | MH | VH | VVH | VH | MH | VVH | VVH | VVH | VVH | M | ML | VVH | VH | VH | MH | VH | VH | H | |
| DM3 | L | L | MH | VH | MH | VH | H | H | VVH | VH | VVH | M | ML | VVH | VH | VH | MH | VH | VH | H | |
| DM4 | VVL | M | MH | VH | VH | VH | MH | VVH | VVH | VH | VVH | M | ML | VVH | VH | VH | MH | VH | VH | H | |
| DM5 | VVL | L | MH | VH | VH | MH | MH | VH | VH | VH | VH | M | ML | VH | VH | VH | MH | VH | MH | H | |
| A2 | DM1 | MH | M | VVH | VVH | VVH | MH | VVH | VH | VH | VVH | VH | M | VVL | VH | VVH | VVH | MH | VVH | VVH | H |
| DM2 | MH | M | VVH | VVH | VVH | MH | VVH | VH | VH | VH | H | M | VL | VH | VVH | VVH | MH | VVH | VVH | H | |
| DM3 | VVL | MH | VH | VVH | VH | MH | VVH | VH | VH | H | VH | H | VL | H | VVH | VVH | M | VVH | VVH | H | |
| DM4 | VVL | M | VH | VVH | VVH | MH | VVH | MH | VH | VH | VH | M | L | VH | VVH | VVH | MH | VVH | VVH | MH | |
| DM5 | VVL | M | VH | VH | VH | MH | MH | MH | MH | VH | VH | M | VL | MH | VH | VH | MH | VH | VH | MH | |
| A3 | DM1 | M | MH | L | MH | VH | MH | MH | VH | MH | VH | VH | VH | VVL | VH | VH | MH | VVH | MH | MH | H |
| DM2 | VVL | MH | L | MH | VH | MH | MH | VH | MH | VH | VH | VH | VVL | VH | VH | MH | VVH | MH | MH | H | |
| DM3 | MH | MH | L | M | MH | VH | MH | H | MH | VH | VH | VH | VVL | VH | VVH | MH | VVH | H | MH | VH | |
| DM4 | M | MH | L | M | VH | MH | MH | MH | MH | H | H | MH | H | VH | VH | MH | VVH | M | MH | MH | |
| DM5 | M | M | L | M | VH | MH | MH | H | MH | VH | H | MH | VVL | MH | VH | MH | VH | M | MH | VH | |
| A4 | DM1 | MH | M | M | MH | MH | M | H | VH | VH | VH | MH | MH | L | VVH | M | MH | VH | MH | VVH | VH |
| DM2 | MH | M | ML | MH | MH | M | H | VH | VH | VH | MH | MH | L | VVH | M | MH | VH | H | VVH | VH | |
| DM3 | M | ML | ML | VH | VH | M | H | H | H | VH | H | H | L | H | M | M | VH | H | VVH | VH | |
| DM4 | VVL | ML | ML | VH | MH | M | MH | MH | VH | VH | MH | MH | VVL | H | M | MH | MH | M | VVH | VH | |
| DM5 | M | ML | ML | MH | MH | M | MH | MH | MH | VH | MH | MH | VVL | VH | M | MH | MH | M | VH | VH | |
| A5 | DM1 | M | VH | VH | MH | MH | MH | MH | MH | MH | VH | VH | VH | VVL | H | VH | MH | H | H | VH | VVH |
| DM2 | M | VH | MH | MH | MH | MH | MH | MH | MH | H | VH | VH | VVL | VVH | H | MH | VH | H | VH | VVH | |
| DM3 | M | VH | MH | M | MH | MH | M | MH | MH | VH | VH | VH | MH | H | H | MH | VH | M | VH | VVH | |
| DM4 | M | VH | MH | M | MH | MH | MH | VH | MH | VH | H | MH | VVL | H | H | MH | MH | M | VH | VVH | |
| DM5 | M | MH | MH | M | MH | MH | MH | VH | MH | MH | VH | VH | VVL | VH | H | MH | MH | M | MH | VH | |
| A6 | DM1 | M | MH | VVH | MH | VVH | VH | MH | MH | VH | VVH | H | MH | VVL | VH | H | MH | MH | MH | VVH | VVH |
| DM2 | M | MH | VVH | MH | VVH | VH | MH | MH | VH | VVH | H | MH | VVL | H | H | MH | MH | MH | VVH | VH | |
| DM3 | VVL | M | VVH | M | MH | VH | MH | MH | VH | VVH | VH | MH | MH | H | M | M | MH | MH | VVH | VH | |
| DM4 | VVL | M | M | MH | VVH | VH | VH | MH | VH | VVH | H | MH | VVL | VH | M | M | MH | MH | VVH | VH | |
| DM5 | M | M | VH | MH | VH | MH | MH | MH | MH | VVH | VH | MH | MH | MH | M | M | MH | MH | VH | VH | |
| A7 | DM1 | VVL | MH | ML | M | M | VH | H | VVH | VH | VH | MH | VH | MH | VVH | M | MH | M | MH | VH | VH |
| DM2 | VVL | MH | ML | M | M | VH | MH | VVH | VH | VH | MH | VH | VVL | M | M | MH | M | MH | VH | VH | |
| DM3 | VVL | MH | ML | M | M | VH | MH | VVH | VH | MH | MH | VH | MH | VVH | MH | MH | H | M | H | VH | |
| DM4 | VVL | MH | ML | M | M | VH | H | VVH | H | MH | MH | MH | H | H | MH | H | M | M | VH | MH | |
| DM5 | VVL | M | ML | M | M | MH | MH | VH | MH | MH | MH | MH | MH | VH | MH | MH | M | M | MH | VH | |
| A8 | DM1 | MH | M | VVH | VH | VVH | VVH | VVH | MH | VH | VVH | VH | VVH | VVH | VVH | H | MH | H | VVH | VVH | VH |
| DM2 | MH | VH | VVH | VH | VVH | VVH | VVH | MH | VH | VVH | VH | VVH | VVH | VVH | H | MH | MH | VVH | VVH | VH | |
| DM3 | VH | VH | M | VH | M | VVH | H | MH | VH | VVH | VH | VVH | VVH | M | MH | M | MH | VVH | VH | VH | |
| DM4 | VH | M | VVH | VH | VVH | VVH | VVH | MH | VH | VVH | VH | VVH | VVH | M | MH | M | MH | VVH | VVH | VH | |
| DM5 | VH | VH | VH | VH | VH | VH | MH | MH | MH | VH | VH | VVH | VH | VH | MH | M | MH | VH | VH | VH | |
| A9 | DM1 | ML | M | L | MH | MH | MH | MH | VH | VH | VH | H | MH | VVL | MH | MH | MH | VH | M | VVH | VVH |
| DM2 | ML | M | L | MH | MH | MH | MH | VH | VH | VH | H | MH | VVL | VH | MH | H | VH | M | VVH | VH | |
| DM3 | M | VH | L | M | MH | MH | MH | VH | H | MH | H | MH | VVL | H | MH | M | VH | M | VVH | M | |
| DM4 | ML | M | L | M | MH | MH | VVH | MH | H | H | MH | MH | VVL | VH | MH | M | MH | M | VVH | VH | |
| DM5 | ML | M | L | M | MH | MH | MH | MH | H | MH | MH | MH | VVL | MH | MH | M | H | M | VH | VH | |
| A10 | DM1 | MH | MH | VVH | MH | VH | MH | MH | MH | MH | VH | MH | MH | VVL | VH | H | MH | M | MH | VVH | VH |
| DM2 | MH | MH | VVH | MH | VH | MH | MH | MH | MH | VH | MH | MH | VVL | VH | H | MH | M | MH | VVH | VVH | |
| DM3 | MH | MH | VVH | MH | M | VH | MH | MH | MH | VH | MH | VH | VVL | M | H | M | M | H | VVH | VH | |
| DM4 | MH | MH | VVH | MH | VH | MH | VVH | MH | H | VH | MH | MH | VL | M | H | M | M | M | H | VVH | |
| DM5 | MH | MH | VH | MH | VH | MH | VVH | MH | MH | MH | H | MH | VVL | MH | H | M | M | H | M | VH | |
| A11 | DM1 | M | VH | VH | MH | VH | MH | MH | VH | VH | VH | VH | MH | VVL | VH | H | MH | VH | MH | VVH | VH |
| DM2 | ML | M | MH | MH | VH | M | MH | VH | VH | VH | VH | MH | VVL | M | VH | MH | VH | MH | H | VH | |
| DM3 | ML | M | MH | M | VH | MH | VH | VH | VH | VH | H | H | L | VH | H | MH | VH | MH | VVH | VH | |
| DM4 | M | M | MH | M | VH | MH | VH | MH | VH | VH | VH | MH | VVL | VH | H | MH | MH | MH | VVH | VH | |
| DM5 | M | VH | MH | M | VH | MH | MH | MH | MH | VH | VH | MH | L | MH | H | MH | MH | MH | VH | VH |
References
- Vicari, A. How 3D Printing Adds up: Emerging Materials, Processes, Applications, and Business Models. In Proceedings of the Technical Proceedings of the 2014 NSTI Nanotechnology Conference and Expo, NSTI-Nanotech 2014, Washington, DC, USA, 15–18 June 2014; Volume 3. [Google Scholar]
- Raigar, J.; Sharma, V.S.; Srivastava, S.; Chand, R.; Singh, J. A Decision Support System for the Selection of an Additive Manufacturing Process Using a New Hybrid MCDM Technique. Sadhana-Acad. Proc. Eng. Sci. 2020, 45, 101. [Google Scholar] [CrossRef]
- Holmström, J.; Partanen, J.; Tuomi, J.; Walter, M. Rapid Manufacturing in the Spare Parts Supply Chain: Alternative Ap-proaches to Capacity Deployment. J. Manuf. Technol. Manag. 2010, 21, 687–697. [Google Scholar] [CrossRef]
- Panda, B.N.; Biswal, B.B.; Deepak, B.B.L.V. Integrated AHP and Fuzzy TOPSIS Approach for the Selection of a Rapid Pro-totyping Process under Multi-Criteria Perspective. In Proceedings of the 5th International & 26th All India Manufacturing Technology, Design and Research Conference (AIMTDR 2014), Guwahati, India, 12–14 December 2014. [Google Scholar]
- Luft, A.; Gebhardt, A.; Balc, N. Challenges of Additive Manufacturing in Production Systems. MATEC Web Conf. 2019, 299, 01003. [Google Scholar] [CrossRef]
- Gao, Y.; Shin, Y.K.; Martinez, D.; Manogharan, G.; Van Duin, A.C.T. A ReaxFF Molecular Dynamics Study of Molecular-Level Interactions during Binder Jetting 3D-Printing. Phys. Chem. Chem. Phys. 2019, 21, 21517–21529. [Google Scholar] [CrossRef] [PubMed]
- Clares, A.P.; Gao, Y.; Stebbins, R.; Van Duin, A.C.T.; Manogharan, G. Increasing Density and Mechanical Performance of Binder Jetting Processing through Bimodal Particle Size Distribution. Mater. Sci. Addit. Manuf. 2022, 1, 20. [Google Scholar] [CrossRef]
- Svetlizky, D.; Zheng, B.; Vyatskikh, A.; Das, M.; Bose, S.; Bandyopadhyay, A.; Schoenung, J.M.; Lavernia, E.J.; Eliaz, N. Laser-Based Directed Energy Deposition (DED-LB) of Advanced Materials. Mater. Sci. Eng. A 2022, 840, 142967. [Google Scholar] [CrossRef]
- Shahbazi, M.; Jäger, H.; Ettelaie, R. Kinetic Evaluation of the Starch Molecular Behavior under Extrusion-Based or Laser Powder Bed Fusion 3D Printing Systems: A Systematic Structural and Biological Comparison. Addit. Manuf. 2022, 57, 102934. [Google Scholar] [CrossRef]
- Pilipović, A. Sheet Lamination. In Polymers for 3D Printing; Elsevier: Amsterdam, The Netherlands, 2022; pp. 127–136. [Google Scholar]
- Côté, R.; Demers, V.; Demarquette, N.R.; Charlon, S.; Soulestin, J. A Strategy to Eliminate Interbead Defects and Improve Dimensional Accuracy in Material Extrusion 3D Printing of Highly Filled Polymer. Addit. Manuf. 2023, 68, 103509. [Google Scholar] [CrossRef]
- Miclette, O.; Côté, R.; Demers, V.; Brailovski, V. Material Extrusion Additive Manufacturing of Low-Viscosity Metallic Feedstocks: Performances of the Plunger-Based Approach. Addit. Manuf. 2022, 60, 103252. [Google Scholar] [CrossRef]
- Petersmann, S.; Huemer, M.; Hentschel, L.; Arbeiter, F. Effects of Simulated Body Fluid on the Mechanical Properties of Polycarbonate Polyurethane Produced via Material Jetting. Polym. Test. 2023, 120, 107977. [Google Scholar] [CrossRef]
- Stögerer, J.; Baumgartner, S.; Rath, T.; Stampfl, J. Analysis of the Mechanical Anisotropy of Stereolithographic 3D Printed Polymer Composites. Eur. J. Mater. 2022, 2, 12–32. [Google Scholar] [CrossRef]
- Ilangkumaran, M.; Prabhu, S.R. Selection of 3D Printer Based on FAHP Integrated with GRA-TOPSIS. Int. J. Mater. Prod. Technol. 2019, 58, 155–177. [Google Scholar] [CrossRef]
- Exconde, M.K.J.E.; Co, J.A.A.; Manapat, J.Z.; Magdaluyo, E.R. Materials Selection of 3D Printing Filament and Utilization of Recycled Polyethylene Terephthalate (PET) in a Redesigned Breadboard. Procedia CIRP 2019, 84, 28–32. [Google Scholar] [CrossRef]
- Prabhu, S.R.; Ilangkumaran, M. Decision Making Methodology for the Selection of 3D Printer under Fuzzy Environment. Int. J. Mater. Prod. Technol. 2019, 59, 239–252. [Google Scholar] [CrossRef]
- Khamhong, P.; Yingviwatanapong, C.; Ransikarbum, K. Fuzzy Analytic Hierarchy Process (AHP)-Based Criteria Analysis for 3D Printer Selection in Additive Manufacturing. In Proceedings of the RI2C 2019—2019 Research, Invention, and In-novation Congress, Bangkok, Thailand, 11–13 December 2019. [Google Scholar]
- Agrawal, R. Sustainable Material Selection for Additive Manufacturing Technologies: A Critical Analysis of Rank Reversal Approach. J. Clean. Prod. 2021, 296, 126500. [Google Scholar] [CrossRef]
- Anand, M.B.; Vinodh, S. Application of Fuzzy AHP—TOPSIS for Ranking Additive Manufacturing Processes for Micro-fabrication. Rapid Prototyp. J. 2018, 24, 424–435. [Google Scholar] [CrossRef]
- Çetinkaya, C.; Kabak, M.; Özceylan, E. 3D Printer Selection by Using Fuzzy Analytic Hierarchy Process and PROMETHEE. Bilişim. Teknol. Derg. 2017, 10, 371–380. [Google Scholar] [CrossRef][Green Version]
- Calderaro, D.R.; Lacerda, D.P.; Veit, D.R. Selection of Additive Manufacturing Technologies in Productive Systems: A Decision Support Model. Gest. Prod. 2020, 27, 1–16. [Google Scholar] [CrossRef]
- Ghaleb, A.M.; Kaid, H.; Alsamhan, A.; Mian, S.H.; Hidri, L. Assessment and Comparison of Various MCDM Approaches in the Selection of Manufacturing Process. Adv. Mater. Sci. Eng. 2020, 2020, 4039253. [Google Scholar] [CrossRef]
- Jo, B.W.; Song, C.S. Thermoplastics and Photopolymer Desktop 3D Printing System Selection Criteria Based on Technical Specifications and Performances for Instructional Applications. Technologies 2021, 9, 91. [Google Scholar] [CrossRef]
- Ransikarbum, K.; Khamhong, P. Integrated Fuzzy Analytic Hierarchy Process and Technique for Order of Preference by Similarity to Ideal Solution for Additive Manufacturing Printer Selection. J. Mater. Eng. Perform. 2021, 30, 6481–6492. [Google Scholar] [CrossRef]
- Nagulpelli, K.S.; King, R.E.; Warsing, D. Integrated Traditional and Additive Manufacturing Production Profitability Model. Procedia Manuf. 2019, 34, 619–630. [Google Scholar] [CrossRef]
- Lei, F.; Wei, G.; Shen, W.; Guo, Y. PDHL-EDAS Method for Multiple Attribute Group Decision Making and Its Application to 3D Printer Selection. Technol. Econ. Dev. Econ. 2022, 28, 179–200. [Google Scholar] [CrossRef]
- Li, Q.; Kucukkoc, I.; Zhang, D.Z. Production Planning in Additive Manufacturing and 3D Printing. Comput. Oper. Res. 2017, 83, 157–172. [Google Scholar] [CrossRef]
- Palanisamy, M.; Pugalendhi, A.; Ranganathan, R. Selection of Suitable Additive Manufacturing Machine and Materials through Best–Worst Method (BWM). Int. J. Adv. Manuf. Technol. 2020, 107, 2345–2362. [Google Scholar] [CrossRef]
- Justino Netto, J.M.; Ragoni, I.G.; Frezzatto Santos, L.E.; Silveira, Z.C. Selecting Low-Cost 3D Printers Using the AHP Method: A Case Study. SN Appl. Sci. 2019, 1, 335. [Google Scholar] [CrossRef]
- Qin, Y.; Qi, Q.; Scott, P.J.; Jiang, X. An Additive Manufacturing Process Selection Approach Based on Fuzzy Archimedean Weighted Power Bonferroni Aggregation Operators. Robot. Comput. Integr. Manuf. 2020, 64, 101926. [Google Scholar] [CrossRef]
- Roberson, D.A.; Espalin, D.; Wicker, R.B. 3D Printer Selection: A Decision-Making Evaluation and Ranking Model. Virtual Phys. Prototyp. 2013, 8, 201–212. [Google Scholar] [CrossRef]
- Wang, Y.; Blache, R.; Xu, X. Selection of Additive Manufacturing Processes. Rapid Prototyp. J. 2017, 23, 434–447. [Google Scholar] [CrossRef]
- Yıldız, A.; Uğur, L. Evaluation of 3D Printers Used in Additive Manufacturing by Using Interval Type-2 Fuzzy TOPSIS Method. J. Eng. Res. Appl. Sci. 2018, 7, 984–993. [Google Scholar]
- Zagidullin, R.; Mitroshkina, T.; Dmitriev, A. Quality Function Deployment and Design Risk Analysis for the Selection and Improvement of FDM 3D Printer. Proc. IOP Conf. Ser. Earth Environ. Sci. 2021, 666, 062123. [Google Scholar] [CrossRef]
- Kutlu Gündoğdu, F.; Ashraf, S. Some Novel Preference Relations for Picture Fuzzy Sets and Selection of 3-D Printers in Aviation 4.0. In Studies in Systems, Decision and Control; Springer: Cham, Switzerland, 2022; Volume 372. [Google Scholar]
- Aydoğdu, A.; Gül, S. New Entropy Propositions for Interval-Valued Spherical Fuzzy Sets and Their Usage in an Extension of ARAS (ARAS-IVSFS). Expert Syst. 2021, 39, e12898. [Google Scholar] [CrossRef]
- Rakhade, R.D.; Patil, N.V.; Pardeshi, M.R.; Patil, B.G. Selection of 3D Printer for Innovation Centre of Academic Institution Based on AHP and TOPSIS Methods. Int. J. Res. Appl. Sci. Eng. Technol. 2021, 9, 1872–1880. [Google Scholar] [CrossRef]
- Gladkova, E.A.; Sukhanov, M.B.; Medvedeva, A.A. Choosing a 3D Printer, Sample Employment of the Saati Method in Product Selection. Bulletin of St. Petersburg State University of Technology and Design. Ser. 1 Nat. Eng. Sci. 2021, 3, 45–50. [Google Scholar]
- Chatterjee, S.; Chakraborty, S. A Multi-Criteria Decision Making Approach for 3D Printer Nozzle Material Selection. Rep. Mech. Eng. 2023, 4, 62–79. [Google Scholar] [CrossRef]
- Paul, D.; Agarwal, P.K.; Mondal, G.G.; Banerjee, D. A Comparative Analysis of Different Hybrid MCDM Techniques Considering a Case of Selection of 3D Printers. Manag. Sci. Lett. 2015, 5, 155–177. [Google Scholar] [CrossRef]
- Gündoǧdu, F.K.; Kahraman, C. Spherical Fuzzy Sets and Spherical Fuzzy TOPSIS Method. J. Intell. Fuzzy Syst. 2019, 36, 337–352. [Google Scholar] [CrossRef]
- Eker, A.A. Selection Criteria of Materials Used in 3D Printers. Proc. Eng. Sci. 2019, 1, 487–494. [Google Scholar] [CrossRef]
- Shi, C.; Zhang, L.; Mai, J.; Zhao, Z. 3D Printing Process Selection Model Based on Triangular Intuitionistic Fuzzy Numbers in Cloud Manufacturing. Int. J. Model. Simul. Sci. Comput. 2017, 8, 1750028. [Google Scholar] [CrossRef]
- Agarwal, P.K.; Paul, D.; Choudhury, S.R.; Banerjee, D. Debamalya Banerjee Selection of 3D Printers for Educational Institutions Using ANP- Similarity Based Approach. Int. J. Eng. Res. 2015, V4, 278–287. [Google Scholar] [CrossRef]
- Kayapinar Kaya, S.; Erginel, N. Futuristic Airport: A Sustainable Airport Design by Integrating Hesitant Fuzzy SWARA and Hesitant Fuzzy Sustainable Quality Function Deployment. J. Clean. Prod. 2020, 275, 123880. [Google Scholar] [CrossRef]
- Ayyildiz, E. Fermatean Fuzzy Step-Wise Weight Assessment Ratio Analysis (SWARA) and Its Application to Prioritizing Indicators to Achieve Sustainable Development Goal-7. Renew Energy 2022, 193, 136–148. [Google Scholar] [CrossRef]
- Rani, P.; Mishra, A.R.; Mardani, A.; Cavallaro, F.; Štreimikiene, D.; Khan, S.A.R. Pythagorean Fuzzy SWARA-VIKOR Framework for Performance Evaluation of Solar Panel Selection. Sustainability 2020, 12, 4278. [Google Scholar] [CrossRef]
- Geetha, S.; Narayanamoorthy, S.; Kang, D. Extended Hesitant Fuzzy SWARA Techniques to Examine the Criteria Weights and VIKOR Method for Ranking Alternatives. AIP Conf. Proc. 2020, 2261, 030144. [Google Scholar]
- Dahooie, J.H.; Vanaki, A.S.; Firoozfar, H.R.; Zavadskas, E.K.; Čereška, A. An Extension of the Failure Mode and Effect Analysis with Hesitant Fuzzy Sets to Assess the Occupational Hazards in the Construction Industry. Int. J. Environ. Res. Public Health 2020, 17, 1442. [Google Scholar] [CrossRef] [PubMed]
- Ghoushchi, S.J.; Ab Rahman, M.N.; Soltanzadeh, M.; Rafique, M.Z.; Hernadewita; Marangalo, F.Y.; Ismail, A.R. Assessing Sustainable Passenger Transportation Systems to Address Climate Change Based on MCDM Methods in an Uncertain Environment. Sustainability 2023, 15, 3558. [Google Scholar] [CrossRef]
- Li, J.; Yuksel, S.; Dincer, H.; Mikhaylov, A.; Barykin, S.E. Bipolar Q-ROF Hybrid Decision Making Model With Golden Cut for Analyzing the Levelized Cost of Renewable Energy Alternatives. IEEE Access 2022, 10, 42507–42517. [Google Scholar] [CrossRef]
- Aksoy, T.; Yuksel, S.; Dincer, H.; Hacioglu, U.; Maialeh, R. Complex Fuzzy Assessment of Green Flight Activity Investments for Sustainable Aviation Industry. IEEE Access 2022, 10, 127297–127312. [Google Scholar] [CrossRef]
- Rajalakshmi, R.; Mary, K.J.R. Sustainable Assessment for Selecting the Improved Air Quality Technology under Hesitant Bipolar Fuzzy. Int. J. Health Sci. 2022, 24, 12989–13004. [Google Scholar] [CrossRef]
- Liu, P.; Shen, M.; Pedrycz, W. MAGDM Framework Based on Double Hierarchy Bipolar Hesitant Fuzzy Linguistic Infor-mation and Its Application to Optimal Selection of Talents. Int. J. Fuzzy Syst. 2022, 24, 1757–1779. [Google Scholar] [CrossRef]
- Saeidi, P.; Mardani, A.; Mishra, A.R.; Cajas Cajas, V.E.; Carvajal, M.G. Evaluate Sustainable Human Resource Management in the Manufacturing Companies Using an Extended Pythagorean Fuzzy SWARA-TOPSIS Method. J. Clean. Prod. 2022, 370, 12989–13004. [Google Scholar] [CrossRef]
- Wan, Q.; Miao, X.; Wang, C.; Dinçer, H.; Yüksel, S. A Hybrid Decision Support System with Golden Cut and Bipolar Q-ROFSs for Evaluating the Risk-Based Strategic Priorities of Fintech Lending for Clean Energy Projects. Financ. Innov. 2023, 9, 10. [Google Scholar] [CrossRef] [PubMed]
- Ghoushchi, S.J.; Haghshenas, S.S.; Ghiaci, A.M.; Guido, G.; Vitale, A. Road Safety Assessment and Risks Prioritization Using an Integrated SWARA and MARCOS Approach under Spherical Fuzzy Environment. Neural Comput. Appl. 2023, 35, 4549–4567. [Google Scholar] [CrossRef] [PubMed]
- Shen, M.; Liu, P. Risk Assessment of Logistics Enterprises Using FMEA under Free Double Hierarchy Hesitant Fuzzy Linguistic Environments. Int. J. Inf. Technol. Decis. Mak. 2021, 20, 1221–1259. [Google Scholar] [CrossRef]
- Xu, X.; Yüksel, S.; Dinçer, H. An Integrated Decision-Making Approach with Golden Cut and Bipolar q-ROFSs to Renewable Energy Storage Investments. Int. J. Fuzzy Syst. 2023, 25, 1221–1259. [Google Scholar] [CrossRef]
- Ghoushchi, S.J.; Rahman, M.N.A.; Raeisi, D.; Osgooei, E.; Ghoushji, M.J. Integrated Decision-Making Approach Based on SWARA and GRA Methods for the Prioritization of Failures in Solar Panel Systems under Z-Information. Symmetry 2020, 12, 310. [Google Scholar] [CrossRef]
- Dinçer, H.; Aksoy, T.; Yüksel, S.; Hacioglu, U. Golden Cut-Oriented Q-Rung Orthopair Fuzzy Decision-Making Approach to Evaluation of Renewable Energy Alternatives for Microgeneration System Investments. Math. Probl. Eng. 2022, 2022, 2261166. [Google Scholar] [CrossRef]
- Dinçer, H.; Yüksel, S.; Mikhaylov, A.; Pinter, G.; Shaikh, Z.A. Analysis of Renewable-Friendly Smart Grid Technologies for the Distributed Energy Investment Projects Using a Hybrid Picture Fuzzy Rough Decision-Making Approach. Energy Rep. 2022, 8, 11466–11477. [Google Scholar] [CrossRef]
- Liao, H.; Ren, R.; Antucheviciene, J.; Šaparauskas, J.; Al-Barakati, A. Sustainable Construction Supplier Selection by a Multiple Criteria Decision-Making Method with Hesitant Linguistic Information. E+M Èkon. Manag. 2020, 23, 119–136. [Google Scholar] [CrossRef]
- Liang, W.Z.; Zhao, G.Y.; Luo, S.Z. An Integrated EDAS-ELECTRE Method with Picture Fuzzy Information for Cleaner Production Evaluation in Gold Mines. IEEE Access 2018, 6, 65747–65759. [Google Scholar] [CrossRef]
- Zolfani, S.H.; Saparauskas, J. New Application of SWARA Method in Prioritizing Sustainability Assessment Indicators of Energy System. Eng. Econ. 2014, 24, 408–414. [Google Scholar] [CrossRef]
- Görçün, Ö.F.; Zolfani, S.H.; Çanakçıoğlu, M. Analysis of Efficiency and Performance of Global Retail Supply Chains Using Integrated Fuzzy SWARA and Fuzzy EATWOS Methods. Oper. Manag. Res. 2022, 15, 1445–1469. [Google Scholar] [CrossRef]
- Aghdaie, M.H.; Zolfani, S.H.; Zavadskas, E.K. Decision Making in Machine Tool Selection: An Integrated Approach with Swara and Copras-g Methods|Sprendimo Priėmimas Pasirenkant Mechanines Stakles: Jungtinis SWARA Ir COPRAS-G Metodas. Eng. Econ. 2013, 24, 5–17. [Google Scholar]
- Majeed, R.A.; Breesam, H.K. Application of SWARA Technique to Find Criteria Weights for Selecting Landfill Site in Baghdad Governorate. IOP Conf. Ser. Mater. Sci. Eng. 2021, 1090, 012045. [Google Scholar] [CrossRef]
- Žižović, M.; Pamućar, D.; Albijanić, M.; Chatterjee, P.; Pribićević, I. Eliminating Rank Reversal Problem Using a New Multi-Attribute Model—The RAFSI Method. Mathematics 2020, 8, 1015. [Google Scholar] [CrossRef]
- Kaya, S.K.; Pamucar, D.; Aycin, E. A New Hybrid Fuzzy Multi-Criteria Decision Methodology for Prioritizing the Antivirus Mask over COVID-19 Pandemic. Informatica 2022, 33, 545–572. [Google Scholar] [CrossRef]
- Božanić, D.; Milić, A.; Tešić, D.; Sałabun, W.; Pamučar, D. D Numbers—FUCOM—Fuzzy RAFSI Model for Selecting the Group of Construction Machines for Enabling Mobility. Facta Univ. Ser. Mech. Eng. 2021, 19, 447–471. [Google Scholar] [CrossRef]
- Aro, J.L.; Prasetyo, Y.T.; Persada, S.F. A Novel Approach of Ranking of Alternatives Through Functional Mapping of Criterion Sub-Intervals into a Single Interval (RAFSI) Method under a Fermatean Environment. In Proceedings of the 8th International Conference on Industrial and Business Engineering, Macau China, 27–29 September 2022. [Google Scholar]
- Gokasar, I.; Deveci, M.; Isik, M.; Daim, T.; Zaidan, A.A.; Smarandache, F. Evaluation of the Alternatives of Introducing Electric Vehicles in Developing Countries Using Type-2 Neutrosophic Numbers Based RAFSI Model. Technol. Forecast. Soc. Chang. 2023, 192, 122589. [Google Scholar] [CrossRef]
- Deveci, M.; Pamucar, D.; Gokasar, I.; Koppen, M.; Gupta, B.B. Personal Mobility in Metaverse With Autonomous Vehicles Using Q-Rung Orthopair Fuzzy Sets Based OPA-RAFSI Model. IEEE Trans. Intell. Transp. Syst. 2022, 24, 15642–15651. [Google Scholar] [CrossRef]
- Kara, K.; Yalcin, G.C. Customs Brokerage Company Selection Problem with Hybrid Method. Pressacademia 2022, 9, 206–218. [Google Scholar] [CrossRef]
- Deveci, M.; Gokasar, I.; Pamucar, D.; Chen, Y.; Coffman, D.M. Sustainable E-Scooter Parking Operation in Urban Areas Using Fuzzy Dombi Based RAFSI Model. Sustain. Cities Soc. 2023, 91, 104426. [Google Scholar] [CrossRef]
- Pamucar, D.; Badi, I.; Stevic, Z. An Integrated FUCOM-RAFSI Model for Assessing the Potential of a New Gateway Port in Libya for Some African Landlocked Countries. Int. J. Qual. Res. 2022, 16, 613–624. [Google Scholar] [CrossRef]
- Trung, D.D.; Thinh, H.X.; Ha, L.D. Comparison of the RAFSI and PIV Method in Multi-Criteria Decision Making: Appli-cation to Turning Processes. Int. J. Metrol. Qual. Eng. 2022, 13, 14. [Google Scholar] [CrossRef]
- Kara, K. Logistics Operations Manager Selection with F-DEMATEL and F-RAFSI Methods. In Management Studies in Social Sciences; Burak, E., Küçükyiğit, A.T., Eds.; Efe Akademi Yayınları: İstanbul, Turkey, 2022; pp. 53–93. [Google Scholar]
- Sahoo, L. Transportation Problem in Fermatean Fuzzy Environment. RAIRO-Oper. Res. 2023, 57, 145–156. [Google Scholar] [CrossRef]
- Zeng, S.; Gu, J.; Peng, X. Low-Carbon Cities Comprehensive Evaluation Method Based on Fermatean Fuzzy Hybrid Dis-tance Measure and TOPSIS. Artif. Intell. Rev. 2023, 56, 8591–8607. [Google Scholar] [CrossRef]
- Zeng, S.; Chen, W.; Gu, J.; Zhang, E. An Integrated EDAS Model for Fermatean Fuzzy Multi-Attribute Group Decision Making and Its Application in Green-Supplier Selection. Systems 2023, 11, 162. [Google Scholar] [CrossRef]
- Farid, H.M.A.; Bouye, M.; Riaz, M.; Jamil, N. Fermatean Fuzzy CODAS Approach with Topology and Its Application to Sustainable Supplier Selection. Symmetry 2023, 15, 433. [Google Scholar] [CrossRef]
- Akram, M.; Umer Shah, S.M.; Allahviranloo, T. A New Method to Determine the Fermatean Fuzzy Optimal Solution of Transportation Problems. J. Intell. Fuzzy Syst. 2023, 44, 309–328. [Google Scholar] [CrossRef]
- Ashraf, S.; Attaullah; Naeem, M.; Khan, A.; Rehman, N.; Pandit, M.K. Novel Information Measures for Fermatean Fuzzy Sets and Their Applications to Pattern Recognition and Medical Diagnosis. Comput. Intell. Neurosci. 2023, 2023, 9273239. [Google Scholar] [CrossRef]
- Akram, M.; Shah, S.M.U.; Ali Al-Shamiri, M.M.; Edalatpanah, S.A. Extended DEA Method for Solving Multi-Objective Transportation Problem with Fermatean Fuzzy Sets. AIMS Math. 2023, 8, 924–961. [Google Scholar] [CrossRef]
- Sethi, T.; Kumar, S. Multi-Attribute Group Decision-Making Problem of Medical Consumption Products Based on Extended TODIM–VIKOR Approach with Fermatean Fuzzy Information Measure. Math. Model. Comput. 2023, 10, 80–100. [Google Scholar] [CrossRef]
- Seker, S.; Aydin, N. Fermatean Fuzzy Based Quality Function Deployment Methodology for Designing Sustainable Mo-bility Hub Center. Appl. Soft Comput. 2023, 134, 80–100. [Google Scholar] [CrossRef]
- Akram, M.; Bibi, R. Multi-Criteria Group Decision-Making Based on an Integrated PROMETHEE Approach with 2-Tuple Linguistic Fermatean Fuzzy Sets. Granul. Comput. 2023, 8, 917–941. [Google Scholar] [CrossRef]
- Akram, M.; Ramzan, N.; Luqman, A.; Santos-García, G. An Integrated MULTIMOORA Method with 2-Tuple Linguistic Fermatean Fuzzy Sets: Urban Quality of Life Selection Application. AIMS Math. 2023, 8, 2798–2828. [Google Scholar] [CrossRef]
- Chang, K.H.; Chung, H.Y.; Wang, C.N.; Lai, Y.D.; Wu, C.H. A New Hybrid Fermatean Fuzzy Set and Entropy Method for Risk Assessment. Axioms 2023, 12, 58. [Google Scholar] [CrossRef]
- Keshavarz-Ghorabaee, M.; Amiri, M.; Hashemi-Tabatabaei, M.; Zavadskas, E.K.; Kaklauskas, A. A New Decision-Making Approach Based on Fermatean Fuzzy Sets and Waspas for Green Construction Supplier Evaluation. Mathematics 2020, 8, 2202. [Google Scholar] [CrossRef]
- Mishra, A.R.; Rani, P.; Pandey, K. Fermatean Fuzzy CRITIC-EDAS Approach for the Selection of Sustainable Third-Party Reverse Logistics Providers Using Improved Generalized Score Function. J. Ambient. Intell. Humaniz. Comput. 2022, 13, 295–311. [Google Scholar] [CrossRef]
- Zhou, L.P.; Wan, S.P.; Dong, J.Y. A Fermatean Fuzzy ELECTRE Method for Multi-Criteria Group Decision-Making. Informatica 2022, 33, 181–224. [Google Scholar] [CrossRef]
- Sahoo, L. Some Score Functions on Fermatean Fuzzy Sets and Its Application to Bride Selection Based on TOPSIS Method. Int. J. Fuzzy Syst. Appl. 2021, 10, 18–29. [Google Scholar] [CrossRef]
- Gül, S. Fermatean Fuzzy Set Extensions of SAW, ARAS, and VIKOR with Applications in COVID-19 Testing Laboratory Selection Problem. Expert Syst. 2021, 38, e12769. [Google Scholar] [CrossRef]
- Senapati, T.; Yager, R.R. Some New Operations over Fermatean Fuzzy Numbers and Application of Fermatean Fuzzy WPM in Multiple Criteria Decision Making. Informatica 2019, 30, 391–412. [Google Scholar] [CrossRef]
- Mishra, A.R.; Rani, P. Multi-Criteria Healthcare Waste Disposal Location Selection Based on Fermatean Fuzzy WASPAS Method. Complex Intell. Syst. 2021, 7, 2469–2484. [Google Scholar] [CrossRef] [PubMed]
- Gul, M.; Lo, H.-W.; Yucesan, M. Fermatean Fuzzy TOPSIS-Based Approach for Occupational Risk Assessment in Manu-facturing. Complex Intell. Syst. 2021, 7, 2635–2653. [Google Scholar] [CrossRef]
- Mishra, A.R.; Rani, P.; Saha, A.; Hezam, I.M.; Pamucar, D.; Marinovic, M.; Pandey, K. Assessing the Adaptation of Internet of Things (IoT) Barriers for Smart Cities’ Waste Management Using Fermatean Fuzzy Combined Compromise Solution Approach. IEEE Access 2022, 10, 37109–37130. [Google Scholar] [CrossRef]
- Rong, Y.; Yu, L.; Niu, W.; Liu, Y.; Senapati, T.; Mishra, A.R. MARCOS Approach Based upon Cubic Fermatean Fuzzy Set and Its Application in Evaluation and Selecting Cold Chain Logistics Distribution Center. Eng. Appl. Artif. Intell. 2022, 116, 105401. [Google Scholar] [CrossRef]
- Barraza, R.; Sepúlveda, J.M.; Derpich, I. Application of Fermatean Fuzzy Matrix in Co-Design of Urban Projects. Proc. Procedia Comput. Sci. 2021, 199, 463–470. [Google Scholar] [CrossRef]
- Akram, M.; Muhiuddin, G.; Santos-García, S. An Enhanced VIKOR Method for Multi-Criteria Group Decision-Making with Complex Fermatean Fuzzy Sets. Math. Biosci. Eng. 2022, 19, 7201–7231. [Google Scholar] [CrossRef]
- Aldring, J.; Ajay, D. MABAC Method for Assessment of Cyber Security Technologies Under Fermatean Fuzzy Sets. In Smart Innovation, Systems and Technologies; Springer: Berlin/Heidelberg, Germany, 2022; Volume 267. [Google Scholar]
- Simić, V.; Ivanović, I.; Đorić, V.; Torkayesh, A.E. Adapting Urban Transport Planning to the COVID-19 Pandemic: An Integrated Fermatean Fuzzy Model. Sustain. Cities Soc. 2022, 79, 103669. [Google Scholar] [CrossRef]
- Simic, V.; Ebadi Torkayesh, A.; Ijadi Maghsoodi, A. Locating a Disinfection Facility for Hazardous Healthcare Waste in the COVID-19 Era: A Novel Approach Based on Fermatean Fuzzy ITARA-MARCOS and Random Forest Recursive Feature Elimination Algorithm. Ann. Oper. Res. 2022, 328, 1105–1150. [Google Scholar] [CrossRef]
- Korucuk, S.; Aytekin, A.; Ecer, F.; Karamaşa, Ç.; Zavadskas, E.K. Assessing Green Approaches and Digital Marketing Strategies for Twin Transition via Fermatean Fuzzy SWARA-COPRAS. Axioms 2022, 11, 709. [Google Scholar] [CrossRef]
- Aytekin, A.; Görçün, Ö.F.; Ecer, F.; Pamucar, D.; Karamaşa, Ç. Evaluation of the Pharmaceutical Distribution and Ware-housing Companies through an Integrated Fermatean Fuzzy Entropy-WASPAS Approach. Kybernetes 2022. ahead of print. [Google Scholar] [CrossRef]
- Saha, A.; Pamucar, D.; Gorcun, O.F.; Raj Mishra, A. Warehouse Site Selection for the Automotive Industry Using a Fermatean Fuzzy-Based Decision-Making Approach. Expert Syst. Appl. 2023, 211, 118497. [Google Scholar] [CrossRef]
- Gausemeier, J.; Echterhoff, N.; Wall, M. Thinking Ahead the Future of Additive Manufacturing—Analysis of Promising Industries; University of Paderborn Direct Manufacuring Research Center: Paderborn, Germany, 2012. [Google Scholar]
- Barzilai, J.; Golany, B. AHP Rank Reversal, Normalization and Aggregation Rules. INFOR Inf. Syst. Oper. Res. 1994, 32, 57–63. [Google Scholar] [CrossRef]
- Kong, F. Rank Reversal and Rank Preservation in TOPSIS. Adv. Mater. Res. 2011, 204–210, 36–41. [Google Scholar] [CrossRef]
- Totsenko, V.G. On Problem of Reversal of Alternatives Ranks While Multicriteria Estimating. J. Autom. Inf. Sci. 2006, 38, 1–11. [Google Scholar]
- Wang, Y.M.; Luo, Y. On Rank Reversal in Decision Analysis. Math. Comput. Model. 2009, 49, 1221–1229. [Google Scholar] [CrossRef]
- García-Cascales, M.S.; Lamata, M.T. On Rank Reversal and TOPSIS Method. Math Comput. Model. 2012, 56, 123–132. [Google Scholar] [CrossRef]
- FD Autoparts Connecting Rod VW/Audi 1.4L TSI/TFSI (EA111)—Chinese Brand. Available online: https://www.fdautoparts.com/product/connecting-rod-vw-audi-1-4l-tsi-tfsi-ea111 (accessed on 1 December 2023).
- Stanujkic, D.; Karabasevic, D.; Zavadskas, E.K. A Framework for the Selection of a Packaging Design Based on the SWARA Method. Eng. Econ. 2015, 26, 181–187. [Google Scholar] [CrossRef]
- Kouchaksaraei, R.H.; Zolfani, S.H.; Golabchi, M. Glasshouse Locating Based on SWARA-COPRAS Approach. Int. J. Strateg. Prop. Manag. 2015, 19, 111–122. [Google Scholar] [CrossRef]
- Deveci, M.; Pamucar, D.; Oguz, E. Floating Photovoltaic Site Selection Using Fuzzy Rough Numbers Based LAAW and RAFSI Model. Appl. Energy 2022, 324, 119597. [Google Scholar] [CrossRef]
- Sergi, D.; Sari, I.U.; Senapati, T. Extension of Capital Budgeting Techniques Using Interval-Valued Fermatean Fuzzy Sets. J. Intell. Fuzzy Syst. 2022, 42, 365–376. [Google Scholar] [CrossRef]
- Aydın, S. A Novel Multi-Expert MABAC Method Based on Fermatean Fuzzy Sets. J. Mult.-Valued Log. Soft Comput. 2021, 37, 663–674. [Google Scholar]
- Senapati, T.; Yager, R.R. Fermatean Fuzzy Sets. J. Ambient. Intell. Humaniz. Comput. 2020, 11, 663–674. [Google Scholar] [CrossRef]
- Senapati, T.; Yager, R.R. Fermatean Fuzzy Weighted Averaging/Geometric Operators and Its Application in Multi-Criteria Decision-Making Methods. Eng. Appl. Artif. Intell. 2019, 85, 112–121. [Google Scholar] [CrossRef]
- Simic, V.; Gokasar, I.; Deveci, M.; Isik, M. Fermatean Fuzzy Group Decision-Making Based CODAS Approach for Taxation of Public Transit Investments. IEEE Trans. Eng. Manag. 2021, 70, 4233–4248. [Google Scholar] [CrossRef]
- Wang, W.; Feng, Y. A Fermatean Fuzzy Multi-Criteria Group Decision Making Approach Based on Reliability for the Evaluation of Indian Eletronics Manufacturing Firms. Procedia Comput. Sci. 2022, 214, 26–33. [Google Scholar] [CrossRef]
- Görçün, Ö.F.; Pamucar, D.; Biswas, S. The Blockchain Technology Selection in the Logistics Industry Using a Novel MCDM Framework Based on Fermatean Fuzzy Sets and Dombi Aggregation. Inf. Sci. 2023, 635, 345–374. [Google Scholar] [CrossRef]
- Aydemir, S.B.; Yilmaz Gunduz, S. Fermatean Fuzzy TOPSIS Method with Dombi Aggregation Operators and Its Application in Multi-Criteria Decision Making. J. Intell. Fuzzy Syst. 2020, 39, 851–869. [Google Scholar] [CrossRef]
- Dombi, J. A General Class of Fuzzy Operators, the Demorgan Class of Fuzzy Operators and Fuzziness Measures Induced by Fuzzy Operators. Fuzzy Sets Syst. 1982, 8, 149–163. [Google Scholar] [CrossRef]
- Keršulienė, V.; Zavadskas, E.K.; Turskis, Z. Selection of Rational Dispute Resolution Method by Applying New Step-wise Weight Assessment Ratio Analysis (SWARA). J. Bus. Econ. Manag. 2010, 11, 243–258. [Google Scholar] [CrossRef]
- Hashemkhani Zolfani, S.; Görçün, Ö.F.; Küçükönder, H. Evaluating Logistics Villages in Turkey Using Hybrid Improved Fuzzy Swara (Imf Swara) and Fuzzy Mabac Techniques. Technol. Econ. Dev. Econ. 2021, 27, 1582–1612. [Google Scholar] [CrossRef]
- Prakash Garg, C.; Görçün, Ö.F.; Kundu, P.; Küçükönder, H. An Integrated Fuzzy MCDM Approach Based on Bonferroni Functions for Selection and Evaluation of Industrial Robots for the Automobile Manufacturing Industry. Expert Syst. Appl. 2023, 213, 118863. [Google Scholar] [CrossRef]
- Seikh, M.R.; Mandal, U. Interval-Valued Fermatean Fuzzy Dombi Aggregation Operators and SWARA Based PROMETHEE II Method to Bio-Medical Waste Management. Expert Syst. Appl. 2023, 226, 120082. [Google Scholar] [CrossRef]
- Alossta, A.; Elmansouri, O.; Badi, I. Resolving a Location Selection Problem by Means of an Integrated AHP-RAFSI Approach. Rep. Mech. Eng. 2021, 2, 135–142. [Google Scholar] [CrossRef]
- Akyurt, I.Z.; Pamucar, D.; Deveci, M.; Kalan, O.; Kuvvetli, Y. A Flight Base Selection for Flight Academy Using a Rough MACBETH and RAFSI Based Decision-Making Analysis. IEEE Trans Eng. Manag. 2021, 71, 258–273. [Google Scholar] [CrossRef]
- Hanon, M.M.; Zsidai, L.; Ma, Q. Accuracy Investigation of 3D Printed PLA with Various Process Parameters and Different Colors. Proc. Mater. Today: Proc. 2021, 42, 3089–3096. [Google Scholar] [CrossRef]
- Mateti, T.; Jain, S.; Ananda Shruthi, L.; Laha, A.; Thakur, G. An Overview of the Advances in the 3D Printing Technology. In 3D Printing Technology for Water Treatment Applications; Elsevier: Amsterdam, The Netherlands, 2023; pp. 1–37. [Google Scholar]
- Park, S.; Deng, K.; Fu, K.K. Additive Manufacturing Including Laser-Based Manufacturing. In Sustainable Manufacturing Processes; Academic Press: Cambridge, MA, USA, 2023; pp. 285–311. [Google Scholar] [CrossRef]
- Mahamood, R.M.; Jen, T.C.; Akinlabi, S.A.; Hassan, S.; Kamar, O.A.; Akinlabi, E.T. Role of Additive Manu-facturing in the Era of Industry 4.0. In Additive Manufacturing; Elsevier: Amsterdam, The Netherlands, 2021; pp. 107–126. [Google Scholar]
- Görçün, Ö.F.; Senthil, S.; Küçükönder, H. Evaluation of Tanker Vehicle Selection Using a Novel Hybrid Fuzzy MCDM Technique. Decis. Mak. Appl. Manag. Eng. 2021, 4, 140–162. [Google Scholar] [CrossRef]
- Qahtan, S.; Alsattar, H.A.; Zaidan, A.A.; Deveci, M.; Pamucar, D.; Delen, D.; Pedrycz, W. Evaluation of Agriculture-Food 4.0 Supply Chain Approaches Using Fermatean Probabilistic Hesitant-Fuzzy Sets Based Decision Making Model. Appl. Soft Comput. 2023, 138, 110170. [Google Scholar] [CrossRef]
- Wits, W.W.; Weitkamp, S.J.; van Es, J. Metal Additive Manufacturing of a High-Pressure Micro-Pump. Procedia CIRP 2013, 7, 252–257. [Google Scholar] [CrossRef]
- Heidary Dahooie, J.; Beheshti Jazan Abadi, E.; Vanaki, A.S.; Firoozfar, H.R. Competency-Based IT Personnel Selection Using a Hybrid SWARA and ARAS-G Methodology. Hum. Factors Ergon. Manuf. 2018, 28, 5–16. [Google Scholar] [CrossRef]
- Shahzadi, G.; Muhiuddin, G.; Butt, M.A.; Ashraf, A. Hamacher Interactive Hybrid Weighted Averaging Operators under Fermatean Fuzzy Numbers. J. Math. 2021, 2021, 5556017. [Google Scholar] [CrossRef]
Disclaimer/Publisher’s Note: The statements, opinions and data contained in all publications are solely those of the individual author(s) and contributor(s) and not of MDPI and/or the editor(s). MDPI and/or the editor(s) disclaim responsibility for any injury to people or property resulting from any ideas, methods, instructions or products referred to in the content. |
© 2023 by the authors. Licensee MDPI, Basel, Switzerland. This article is an open access article distributed under the terms and conditions of the Creative Commons Attribution (CC BY) license (https://creativecommons.org/licenses/by/4.0/).





