Determining the Remaining Functional Life of Power Transformers Using Multiple Methods of Diagnosing the Operating Condition Based on SVM Classification Algorithms
Abstract
1. Introduction
- Development of a method to determine the fault condition of power transformers by combining the PDC method and C2H4 concentration;
- Development of a method to determine the condition of cellulose insulation based on DP and moisture;
- Development of a method to determine the state of oil quality;
- Implementation of an SVM algorithm to classify the fault condition of power transformers by combining the PDC method and C2H4 concentration;
- Implementation of an SVM algorithm to classify the condition of cellulose insulation based on DP and moisture;
- Implementation of an SVM algorithm for oil quality classification;
- Determination of the HI based on the methods and algorithms described above.
2. Methods for Assessing the Remaining Functional Life of Power Transformers
2.1. Methods for Determining the Fault Diagnostic Subsystem
2.1.1. Combined Duval Pentagon Method
2.1.2. Ethylene Concentration
- in the turns of the windings or inside the windings where the voltage is higher (these are the most dangerous);
- in the cables in or out of the windings or loosely screwed to the connection rods;
- on the outside of the windings due to abnormal circulating currents.
2.1.3. Single Gas Ratio Method
2.2. Methods for Determining the Cellulose Insulation Condition Diagnostic Subsystem
2.2.1. Analysis of Furan Compounds
2.2.2. Analysis of Low Molecular Weight Alcohols
- it is generated in the first stage of the degradation of cellulose insulation (DP > 900);
- it does not chemically interact with oil stabilisers, so it can be used in different types of mineral oils (uninhibited and inhibited);
- it is generated by all types of cellulose-based paper, including paper with improved thermal properties even at low temperatures, unlike 2-FAL;
- methanol production is proportional to the cleavage of glycosidic bonds in the cellulose chain;
- varying the methanol concentration allows the ageing of the insulation to be phased from a rapid initial degradation rate followed by a slow progression to a steady rate in both standard and thermally enhanced kraft papers;
- the correlation between PD and methanol generation is directly proportional and well established, but it should be noted that the prior detection of methanol in relation to 2-FAL is very important to establish an effective technique for monitoring and assessing the state of degradation of the solid insulation in the transformer;
- as it has a higher adsorption capacity on insulating paper than carbon oxides, it tends to return to equilibrium after an oil change;
- MeOH recovery time after a given transformer oil process is half the time required for 2-FAL recovery.
2.2.3. Moisture Content
- The degradation rate of cellulose insulation is proportional to moisture content, so a 0.5% increase in the moisture concentration of the paper–oil insulation system will halve the mechanical strength of the cellulose insulation and double its thermal ageing rate;
- During the life of the transformer, the moisture content in the cellulose insulation increases from 0.5% (factory value) to 4–8% (in the advanced degradation phase).
2.3. Methods for Determining the Diagnostic Subsystem of Insulating Oil Quality
2.3.1. Acidity/Acidity Index
2.3.2. Interfacial Tension
2.4. Determination of the Health Index and Service Life of the Transformer
3. SVM Algorithms’ Matlab Implementation for Determining the Operating Condition of Power transformers
- for point 1:
- for point 2:
- for point 3:
- for point 4:
- for point 5:
3.1. Description of the SVM Algorithms
3.2. Numerical Implementation of the SVM Algorithms
4. Case Studies
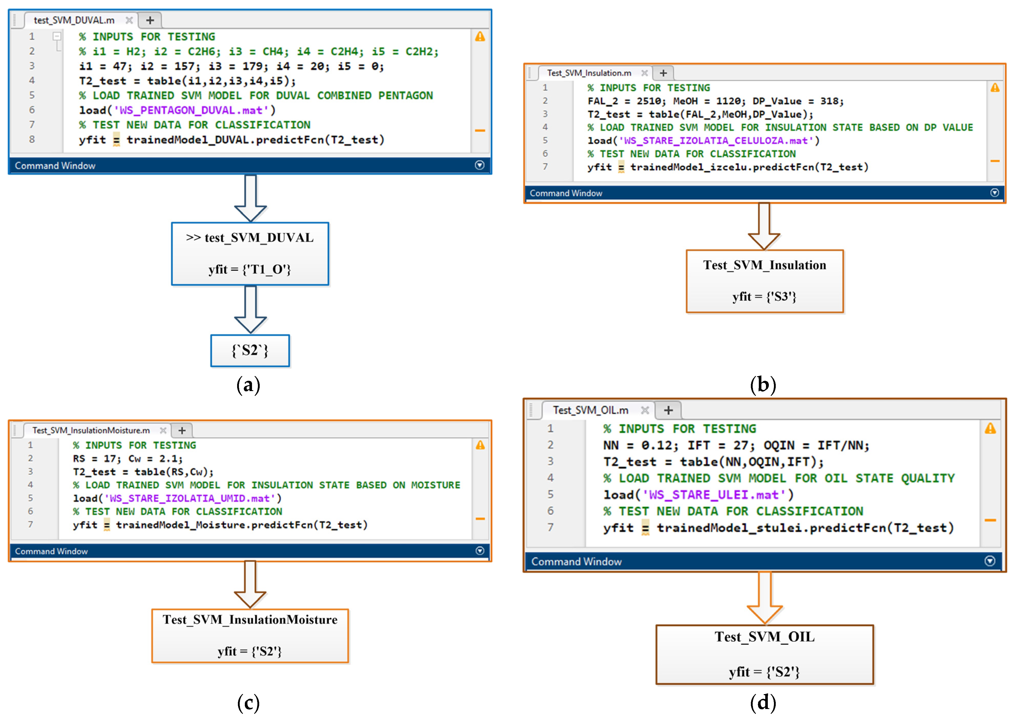
- The analysis of the fault condition identified a T3-H fault, i.e., the presence of a fault in oil only, resulting in an S3—caution (see Figure 4). It was also noted that the acetylene concentration values were above the acceptable values specified in the standards and that the ratio C2H2/H2 = 2.52, which is in the range [2, 3). According to IEC 60599:2022, the oil in the main tank was contaminated with oil from the on-load tap-changer.
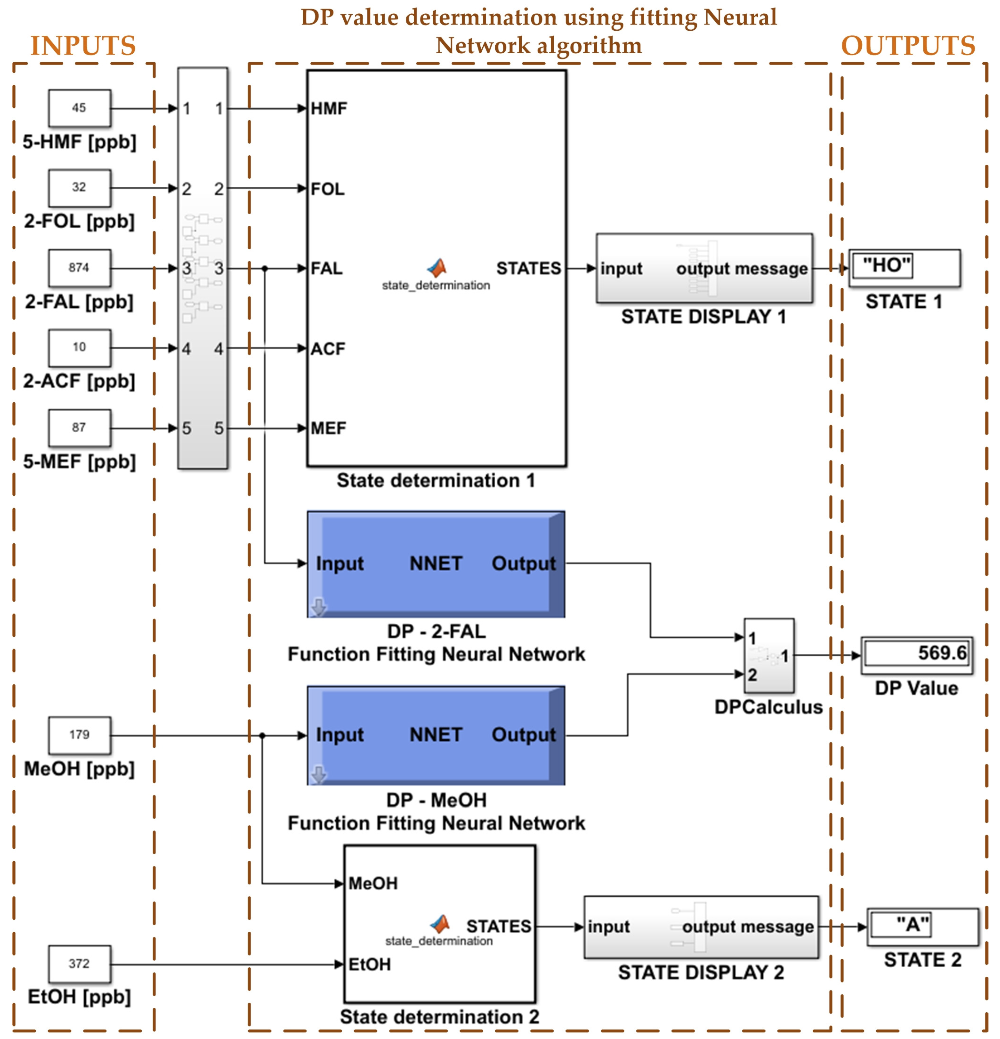
- The analysis of furan compounds and alcohols showed that the condition of the cellulose insulation is S2, i.e., there is a moderate degradation of the insulation due to oxidation of the paper and local overheating (5-MEF > 5-HMF and EtOH > MeOH, respectively).
- It should also be noted that in terms of oil quality, the IFT and NN values give a quality index of 171, which means that the condition of the oil is S2—satisfactory oil. As can be seen, the properties of the oil are affected, leading to a reduction in the cooling function and the presence of sludge in the oil.
- The total health index of this transformer is 81 and the remaining service life is 17 years, representing accelerated ageing or significant deterioration of some components.
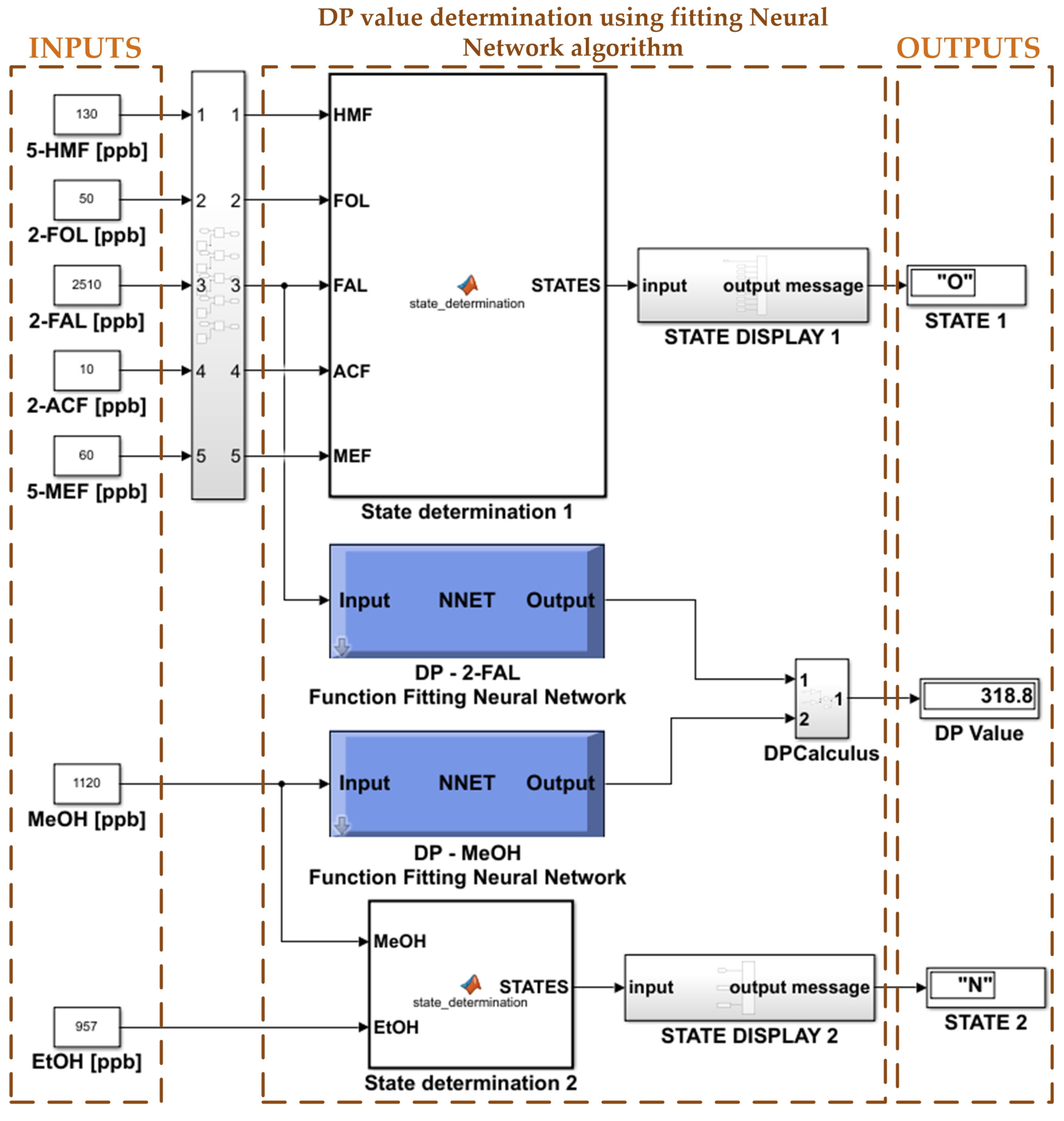
- The analysis of the fault condition identified a T3-H fault, i.e., the presence of thermal faults with values below 300 °C, resulting in an S2—acceptable condition (see Figure 4).
- The analysis of furan compounds and alcohols showed that the condition of the cellulose insulation is S3, i.e., the cellulose insulation shows extensive degradation with a risk of failure due to general overheating, which may be caused by a fault in the windings or insufficient cooling.
- In terms of oil quality, the IFT and NN values give a quality index of 225 < 300, which means that the condition of the oil is S2—satisfactory oil. As can be seen, the properties of the oil are affected, leading to a reduction in the cooling function and the presence of sludge in the oil.
- The total health index of this transformer is 73 and the remaining functional life is 15 years. The transformer undergoes accelerated ageing which requires increased attention.
5. Conclusions
Author Contributions
Funding
Data Availability Statement
Conflicts of Interest
Nomenclature
| HI | Health Index |
| IFT | Interfacial Tension |
| NN | Acidity Index |
| RS | Relative Moisture Saturation in Oil |
| Cw | Moisture Content of Cellulose Insulation |
| PDC | Combined Duval Pentagon |
| OQIN | Oil Quality Index |
| DGA | Dissolved Gas Analysis |
| OLTC | On-Load Tap-Changers |
| HPLC | High-Pressure Liquid Chromatography |
| RFL | Remaining Functional Life |
| SEN | National Energy System |
| GC | Gas Chromatography |
| MS | Mass Spectrometry |
| K.F.T. | Karl Fischer Titration |
| HS | Head Space |
| ML | Machine Learning |
| SVM | Support Vector Machine |
| ROC | Receiver Operating Characteristic |
References
- CIGRÉ. Life Extension of Oil Filled Transformers and Shunt Reactors; W.G. A2.55; Technical Brochure No. 887; CIGRÉ: Paris, France, 2022. [Google Scholar]
- CIGRÉ. Condition Assessment of Power Transformers; WG A2.49; Technical Brochure No. 761; CIGRÉ: Paris, France, 2019. [Google Scholar]
- Prasojo, R.A.; Setiawan, A.; Suwarno, A.; Maulidevi, N.U.; Soedjarno, B.A. Development of Power Transformer Remaining Life Model Using Multi-Parameters. In Proceedings of the 13th International Conference on the Properties and Applications of Dielectric Materials (ICPADM), Johor Bahru, Malaysia, 12–14 July 2021; pp. 99–102. [Google Scholar] [CrossRef]
- Duval, M.; De Pablo, A.; Atanasova-Hoehlein, I.; Grisaru, M. Significance and detection of very low degree of polymerization of paper in transformers. IEEE Electr. Insul. Mag. 2017, 33, 31–38. [Google Scholar] [CrossRef]
- Mharakurwa, E.T.; Goboza, R. Multiparameter-Based Fuzzy Logic Health Index Assessment for Oil-Immersed Power Transformers. Hindawi Adv. Fuzzy Sys. 2019, 2019, 2647157. [Google Scholar] [CrossRef]
- Ghoneim, S.S.M. Identification of Power Transformer Insulating Paper’s State Based on Principal Component Analysis. International Journal Elec. Eng. Inf. 2022, 14, 770–781. [Google Scholar] [CrossRef]
- Forouhari, S.; Abu-Siada, A. Integrated Life Estimation and Asset Management Decision Model for Power Transformers Using ANFIS; Department of Electrical and Computer Engineering, Curtin University: Perth, Australia, 2016; pp. 1–7. Available online: https://espace.curtin.edu.au/bitstream/handle/20.500.11937/70187/267681.pdf?sequence=2 (accessed on 9 November 2023).
- Diwyacitta, K.; Prasojo, R.A.; Suwarno. Study on Correlation Among Oil Dielectric Characteristics, Dissolved Gases, and Operating Life of 150 kV Power Transformer. Int. J. Elec. Eng. Inf. 2017, 9, 585–602. [Google Scholar] [CrossRef]
- García, J.J.M.; Drake, S.A.D.; del Castillo Serpa, A.M. Avances en evaluación del estado y la vida remanente de transformadores de fuerza. Ing. Energética 2019, 40, 245–256. [Google Scholar]
- Zhang, M.; Liu, J.; Liao, L.; Chen, Q.; Qi, P.; Chen, X. Method for predicting the remaining life of oil–paper insulation system based on stochastic degradation process. IET Sci. Measure. Tech. 2019, 13, 478–485. [Google Scholar] [CrossRef]
- Zhang, E.; Liu, J.; Zhang, C.; Zheng, P.; Nakanishi, Y.; Wu, T. State-of-Art Review on Chemical Indicators for Monitoring the Aging Status of Oil-Immersed Transformer Paper Insulation. Energies 2023, 16, 1396. [Google Scholar] [CrossRef]
- Zhang, E.; Zheng, H.; Zhang, Y.; Liu, J.; Zhang, C.; Shao, G.; Li, Y.; Zhang, C.; Fan, X. Feasibility Study on Evaluating Degree of Polymerization of Insulating Paper by Ethanol Content Dissolved in Transformer Oil. In Proceedings of the IEEE Conference on Electrical Insulation and Dielectric Phenomena (CEIDP), Richland, WA, USA, 20–23 October 2019; pp. 271–274. [Google Scholar] [CrossRef]
- Zhang, E.; Zheng, H.; Zhang, C.; Wang, J.; Shi, K.; Guo, J.; Schwarz, H.; Zhang, C. Aging state assessment of transformer cellulosic paper insulation using multivariate chemical indicators. Cellulose 2021, 28, 2445–2460. [Google Scholar] [CrossRef]
- Mihajlovic, D.; Ivancevic, V.; Vasovic, V.; Lukic, J. Cellulose Degradation and Transformer Fault Detection by the Application of Integrated Analyses of Gases and Low Molecular Weight Alcohols Dissolved in Mineral Oil. Energies 2022, 15, 5669. [Google Scholar] [CrossRef]
- Soni, R.; Chakrabarti, P.; Leonowicz, Z.; Jasiński, M.; Wieczorek, K.; Bolshev, V. Estimation of Life Cycle of Distribution Transformer in Context to Furan Content Formation, Pollution Index, and Dielectric Strength. IEEE Access 2021, 9, 37456–37465. [Google Scholar] [CrossRef]
- Thango, B.A.; Jordaan, J.A.; Nnachi, A.F. Assessment of Transformer Cellulose Insulation Life Expectancy Based on Oil Furan Analysis (Case Study: South African Transformers). ASTESJ-Adv. Sci. Tech. Eng. Sys. J. 2021, 6, 29–33. [Google Scholar] [CrossRef]
- Walker, C.; Al Rashdan, A.; Agarwal, V. Transformer Health Monitoring Using Dissolved Gas Analysis: A Technical Brief. Int. J. Prog. Health Manag. 2022, 13, 1–8. [Google Scholar] [CrossRef]
- IEC 60599:2022; Mineral Oil-Impregnated Electrical Equipment in Service—Guide to the Interpretation of Dissolved and Free Gas Analysis. International Electrotechnical Commission: Geneva, Switzerland, 2022.
- IEEE C57.104-2019; Guide for the Interpretation of Gases Generated in Mineral Oil-Immersed Transformers. Institute of Electrical and Electronics Engineers: Piscataway, NJ, USA, 2019.
- Prasojo, R.A.; Gumilang, H.; Suwarno; Maulidevi, N.U.; Soedjarno, B.A. A Fuzzy Logic Model for Power Transformer Faults’ Severity Determination Based on Gas Level, Gas Rate, and Dissolved Gas Analysis Interpretation. Energies 2020, 13, 1009. [Google Scholar] [CrossRef]
- Siregar, Y.; Lumbanraja, T.J.H. Analysis of interference methods on transformers based on the results of dissolved gas analysis tests. Int. J. Electr. Comp. Eng. (IJECE) 2023, 13, 3672–3685. [Google Scholar] [CrossRef]
- Rediansyah, D.; Prasojo, R.A.; Suwarno and Abu-Siada, A. Artificial Intelligence-Based Power Transformer Health Index for Handling Data Uncertainty. IEEE Access 2021, 9, 150637–150648. [Google Scholar] [CrossRef]
- Alqudsi, A.; El-Hag, A. Application of Machine Learning in Transformer Health Index Prediction. Energies 2019, 12, 2694. [Google Scholar] [CrossRef]
- Zaldivar, D.A.; Romero, A.A.; Rivera, S.R. Risk Assessment Algorithm for Power Transformer Fleets Based on Condition and Strategic Importance. Algorithms 2021, 14, 319. [Google Scholar] [CrossRef]
- Li, S.; Li, X.; Cui, Y.; Li, H. Review of Transformer Health Index from the Perspective of Survivability and Condition Assessment. Electronics 2023, 12, 2407. [Google Scholar] [CrossRef]
- Chitnavis, K.; Bhasme, N.R. Modeling and Simulation for Critical Analysis of Power Transformer for Life Estimation in Matlab. Int. J. Electr. Eng. Tech. (IJEET) 2017, 8, 1–10. Available online: http://www.iaeme.com/IJEET/issues.asp?JType=IJEET&VType=8&IType=4 (accessed on 2 October 2023).
- Cheim, L.; Duval, M.; Haider, S. Combined Duval Pentagons: A Simplified Approach. Energies 2020, 13, 2859. [Google Scholar] [CrossRef]
- CIGRÉ. Advances in DGA Interpretation; JWG D1/A2.47; Technical Brochure No. 771; CIGRÉ: Paris, France, 2019. [Google Scholar]
- Duval, M.; Buchacz, J. Detection of Carbonization of Paper in Transformers Using Duval Pentagon 2 and Triangle 5. IEEE Transact. Dielectr. Electr. Insul. 2023, 30, 1534–1539. [Google Scholar] [CrossRef]
- Hadjadj, Y.; Fofana, I.; Jalbert, J. Insulating oil decaying assessment by FTIR and UV-Vis spectrophotometry measurements. In Proceedings of the Annual Report IEEE Conference on Electrical Insulation and Dielectric Phenomena, Chenzhen, China, 20–23 October 2013; pp. 1310–1313. [Google Scholar] [CrossRef]
- I.A.R. GRAY. A Guide to Transformer Oil Analysis. Available online: http://www.satcs.co.za/Transformer_Oil_Analysis.pdf (accessed on 11 October 2023).
- Bryakin, I.V.; Bochkarev, I.V.; Khramshin, V.R.; Gasiyarov, V.R.; Liubimov, I.V. Power Transformer Condition Monitoring Based on Evaluating Oil Properties. Machines 2022, 10, 630. [Google Scholar] [CrossRef]
- Aciu, A.-M.; Nicola, C.-I.; Nicola, M.; Nițu, M.-C. Complementary Analysis for DGA Based on Duval Methods and Furan Compounds Using Artificial Neural Networks. Energies 2021, 14, 588. [Google Scholar] [CrossRef]
- CIGRÉ. Field Experience with Transformer Solid Insulation Ageing Markers; JWG A2/D1.46; Technical Brochure No. 779; CIGRÉ: Paris, France, 2019. [Google Scholar]
- Aciu, A.-M.; Nițu, M.C.; Nicola, M.; Nicola, C.-I.; Lăzărescu, F. Complementary Analysis of the Degree of Polymerization Based on Chemical Markers 2-Furaldehyde and Methanol Using the Fuzzy Logic. In Proceedings of the 21st International Symposium on Electrical Apparatus and Technologies (SIELA), Burgas, Bulgaria, 3–6 June 2020; pp. 1–6. [Google Scholar] [CrossRef]
- Aciu, A.-M.; Nițu, M.-C.; Nicola, M.; Nicola, C.-I. Determination of the Condition of Solid Insulation in High-Power Transformers Based on 2-Furfuraldehyde and Methanol Markers Using Neural Networks. In Proceedings of the IEEE International Conference on Electromechanical and Energy Systems (SIELMEN), Iași, România, 6–8 October 2021; pp. 175–180. [Google Scholar] [CrossRef]
- Arshad, M.; Islam, S.M. Significance of cellulose power transformer condition assessment. IEEE Trans. Dielectr. Electr. Insul. 2011, 18, 1591–1598. [Google Scholar] [CrossRef]
- Liu, J.; Fan, X.; Zhang, C.; Lai, C.; Zhang, Y.; Zheng, H.; Lai, L.; Zhang, E. Moisture Diagnosis of Transformer Oil-Immersed Insulation with Intelligent Technique and Frequency-Domain Spectroscopy. IEEE Trans. Ind. Inform. 2021, 17, 4624–4634. [Google Scholar] [CrossRef]
- IEC 60422:2013; Mineral Insulating Oils in Electrical Equipment—Supervision and Maintenance Guidance. International Electrotechnical Commission: Geneva, Switzerland, 2013.
- IEEE C57.106-2015; Guide for Acceptance and Maintenance of Insulating Mineral Oil in Electrical Equipment. Institute of Electrical and Electronics Engineers: Piscataway, NJ, USA, 2015.
- IEC 60814:1997; Insulating liquids - Oil-impregnated paper and pressboard - Determination of water by automatic coulometricKarl Fischer titration. International Electrotechnical Commission: Geneva, Switzerland, 1997.
- ISO 2049:1996; Petroleum Products - Determination Of Colour (ASTM Scale). International Organization for Standardization: Geneva, Switzerland, 1996.
- ASTM D1500-12(2017); Standard Test Method for ASTM Color of Petroleum Products (ASTM Color Scale). ASTM International: West Conshohocken, PA, USA, 2017.
- IEEE C57. 637-2015; Guide for the Reclamation of Mineral Insulating Oil and Criteria for Its Use. Institute of Electrical and Electronics Engineers: Piscataway, NJ, USA, 2015.
- Forouhari, S.; Abu-Siada, A. Remnant life estimation of power transformer based on IFT and acidity number of transformer oil. In Proceedings of the 11th International Conference on the Properties and Applications of Dielectric Materials (ICPADM), Sydney, Australia, 19–22 July 2015; pp. 552–555. [Google Scholar] [CrossRef]
- MathWorks—Statistics and Machine Learning Toolbox. Available online: https://www.mathworks.com/products/statistics.html (accessed on 14 May 2023).
- Bacha, K.; Souahlia, S. Power Transformer fault diagnosis based on dissolved gas analysis by support vector machine. Electr. Power Syst. Res. 2012, 83, 73–79. [Google Scholar] [CrossRef]




























| Combined Pentagon Code | Significance of the Fault or Stress |
|---|---|
| PD | Corona-type partial discharges |
| D1 | Low-energy discharges |
| D2 | High-energy discharges |
| S | Stray gassing of mineral oil |
| T1-O | Thermal failure at temperatures < 300 °C but without solid insulation carbonisation |
| T1-C | Thermal failure at temperatures < 300 °C, probable involvement of solid insulation, possible carbonisation |
| T2-O | Thermal failure at temperatures between 300 °C and 700 °C, but less likely to affect solid insulation or paper carbonisation |
| T2-C | Thermal failure at temperatures between 300 °C and 700 °C, with high probability of solid insulation involvement (around 80%) |
| T3-H | Thermal failure in oil only, temperature range > 700 °C |
| T3-C | Thermal failure at high temperatures (over 700 °C) affecting solid insulation (paper carbonisation) |
| Thermal Failure with Paper Carbonisation | C2H4 Concentration Level | Failure Coding | |
|---|---|---|---|
| Typical Values [ppm] | Values before Failure [ppm] | ||
| In conductors | 200 | 2900 | F1 |
| On the outside of the windings | 68 | 970 | F2 |
| Between winding turns | 2 | 25 | F3 |
| Names of Furan Compounds | Causes of Furan Compounds |
|---|---|
| 5-Hydroxymethyl-2-furfuraldehyde (5-HMF) | Paper oxidation (ageing and heating) |
| 2-Furfuryl alcohol (2-FOL) | High moisture in paper |
| 2-Furfuraldehyde (2-FAL) | General overheating or normal ageing |
| 2-Acetylfuran (2-ACF) | Caused by lightning (rarely found in tests) |
| 5-Methyl-2-furfuraldehyde (5-MEF) | Local overheating (hot spot) |
| MeOH [ppb] | Calculated Value of DP | Condition of Transformer Insulation |
|---|---|---|
| 0–50 | 1000–700 | Good |
| 51–200 | 700–450 | Moderate ageing |
| 201–1440 | 450–250 | High ageing, risk of failure |
| >1440 | <250 | High risk of failure |
| 2-FAL [ppb] | MeOH [ppb] | DP Value | Condition of Cellulose Insulation According to DP | Code |
|---|---|---|---|---|
| 0–100 | 0–50 | 1000–700 | Normal state of degradation | S1 |
| 100–1000 | 51–200 | 700–450 | Moderate degradation | S2 |
| 1000–10000 | 201–1440 | 450–250 | Severe degradation with risk of failure | S3 |
| >10000 | >1440 | <250 | Severe degradation with high risk of failure | S4 |
| Marker | Cause of Marker Occurrence | Code |
|---|---|---|
| 2-FAL | General overheating or normal ageing | N |
| 5-HMF | Paper oxidation | O |
| 2-FOL | High moisture in paper | M |
| 2-ACF | Caused by lightning (rarely found in tests) | L |
| 5-MEF | Severe local overheating (hot spot) | H |
| MeOH | Normal ageing | N |
| EtOH | Abnormal ageing of paper at high temperatures | A |
| RS 1 [%] | Cw 2 [%] | Condition of Cellulose Insulation as a Function of Moisture | Code |
|---|---|---|---|
| <5 | 0.5–1.5 | Dry and healthy insulation | S1 |
| >5 <20 | 1.5–2.5 | Moderately wet insulation entering medium-risk zone | S2 |
| 20–30 | 2.5–4 | Wet insulation entering high-risk zone, sludge formation | S3 |
| >30 | >4 | Very wet insulation entering the zone of imminent failure, risk of bubbling and explosion | S4 |
| Characteristics | Good | Suitable | Inadequate |
|---|---|---|---|
| Breakdown voltage (kV) | >60 | 50–60 | <50 |
| Water content (ppm) | <15 | 15–20 | >20 |
| Colour | Clear with no visible contamination | Dark and/or turbid | |
| Interfacial tension (dyne/cm) - inhibited oil - uninhibited oil | >28 >25 | 22–28 20–25 | <22 <20 |
| Acidity index (mgKOH/g) | <0.1 | 0.10–0.15 | >0.15 |
| IFT 1 [dyne/cm] | NN 2 [mgKOH/g] | OQIN 3 | Oil Condition | Code |
|---|---|---|---|---|
| >28 | 0.05–0.09 | 560–312 | Suitable oil, oil properties are good | S1 |
| 24–28 | 0.1–0.15 | 240–187 | Satisfactory oil, sludge can be seen in solution, cooling function is poor | S2 |
| 22–24 | 0.15–0.2 | 147–120 | Poor oil, sludge deposited on windings and other parts of transformer | S3 |
| <22 | >0.2 | <110 | Very poor oil, damaged insulation, low cooling efficiency and high temperature operation | S4 |
| SVM Algorithm Used for Combined Duval Pentagon | Accuracy (%) | Training Time (s) |
|---|---|---|
| Linear SVM | 83.0 | 65.95 |
| Quadratic SVM | 96.1 | 335.07 |
| Cubic SVM | 97.0 | 1415.80 |
| Fine Gaussian SVM | 95.0 | 112.72 |
| Medium Gaussian SVM | 95.1 | 28.91 |
| Coarse Gaussian SVM | 87.8 | 38.04 |
| SVM Algorithm Used to Determine the Condition of Cellulose Insulation as a Function of the DP | Accuracy (%) | Training Time (s) |
|---|---|---|
| Linear SVM | 95.0 | 26.38 |
| Quadratic SVM | 99.0 | 35.34 |
| Cubic SVM | 97.5 | 362.56 |
| Fine Gaussian SVM | 98.0 | 46.68 |
| Medium Gaussian SVM | 97.0 | 19.81 |
| Coarse Gaussian SVM | 94.5 | 25.72 |
| SVM Algorithm Used to Determine the Condition of Cellulose Insulation as a Function of Moisture | Accuracy (%) | Training Time (s) |
|---|---|---|
| Linear SVM | 97.5 | 28.57 |
| Quadratic SVM | 99.0 | 37.94 |
| Cubic SVM | 99.5 | 381.76 |
| Fine Gaussian SVM | 98.0 | 54.56 |
| Medium Gaussian SVM | 99.0 | 20.73 |
| Coarse Gaussian SVM | 95.5 | 27.91 |
| SVM Algorithm Used to Determine Oil Condition | Accuracy (%) | Training Time (s) |
|---|---|---|
| Linear SVM | 98.5 | 26.45 |
| Quadratic SVM | 99.5 | 38.82 |
| Cubic SVM | 99.5 | 353.56 |
| Fine Gaussian SVM | 98.0 | 59.38 |
| Medium Gaussian SVM | 98.5 | 23.59 |
| Coarse Gaussian SVM | 95.5 | 28.87 |
| Characteristics | Unit of Measure | Values Accepted According to Regulations | Values Determined | |
|---|---|---|---|---|
| T1 | T2 | |||
| Insulation oil properties | ||||
| Breakdown voltage | kV | 50 | 42 | 47 |
| Tan δ for oil at 90 °C | <0.10 | 0.2 | 0.15 | |
| Interfacial tension | dyne/cm | >28 | 24 | 27 |
| Neutralisation number | mgKOH/g | <0.10 | 0.14 | 0.12 |
| Water content | ppm | <20 | 28 | 22 |
| Particle content ϕ > 5 μm/100 mL | ≤5000 | 12370 | 9583 | |
| The content of dissolved gas | ||||
| Hydrogen H2 | ppm | 50–150 | 21 | 47 |
| Methane CH4 | 30–130 | 323 | 179 | |
| Acetylene C2H2 | 2–20 | 53 | 0 | |
| Ethylene C2H4 | 60–280 | 593 | 20 | |
| Ethane C2H6 | 20–90 | 28 | 157 | |
| Carbon monoxide CO | 400–600 | 472 | 120 | |
| Carbon dioxide CO2 | 3800–14000 | 4326 | 2574 | |
| Total dissolved combustible gases | 720 | 1490 | 523 | |
| The content of furan compounds | ||||
| 5-HMF | ppm | 0.045 | 0.13 | |
| 2-FOL | 0.032 | 0.05 | ||
| 2-FAL | 0.874 | 2.51 | ||
| 2-ACF | 0.010 | 0 | ||
| 5-MEF | 0.087 | 0.06 | ||
| Total furans | 1048 | 2.75 | ||
| The content of alcohols | ||||
| MeOH | ppb | 179 | 1120 | |
| EtOH | 372 | 957 | ||
| Total | 551 | 2077 | ||
Disclaimer/Publisher’s Note: The statements, opinions and data contained in all publications are solely those of the individual author(s) and contributor(s) and not of MDPI and/or the editor(s). MDPI and/or the editor(s) disclaim responsibility for any injury to people or property resulting from any ideas, methods, instructions or products referred to in the content. |
© 2024 by the authors. Licensee MDPI, Basel, Switzerland. This article is an open access article distributed under the terms and conditions of the Creative Commons Attribution (CC BY) license (https://creativecommons.org/licenses/by/4.0/).
Share and Cite
Aciu, A.-M.; Nițu, M.-C.; Nicola, C.-I.; Nicola, M. Determining the Remaining Functional Life of Power Transformers Using Multiple Methods of Diagnosing the Operating Condition Based on SVM Classification Algorithms. Machines 2024, 12, 37. https://doi.org/10.3390/machines12010037
Aciu A-M, Nițu M-C, Nicola C-I, Nicola M. Determining the Remaining Functional Life of Power Transformers Using Multiple Methods of Diagnosing the Operating Condition Based on SVM Classification Algorithms. Machines. 2024; 12(1):37. https://doi.org/10.3390/machines12010037
Chicago/Turabian StyleAciu, Ancuța-Mihaela, Maria-Cristina Nițu, Claudiu-Ionel Nicola, and Marcel Nicola. 2024. "Determining the Remaining Functional Life of Power Transformers Using Multiple Methods of Diagnosing the Operating Condition Based on SVM Classification Algorithms" Machines 12, no. 1: 37. https://doi.org/10.3390/machines12010037
APA StyleAciu, A.-M., Nițu, M.-C., Nicola, C.-I., & Nicola, M. (2024). Determining the Remaining Functional Life of Power Transformers Using Multiple Methods of Diagnosing the Operating Condition Based on SVM Classification Algorithms. Machines, 12(1), 37. https://doi.org/10.3390/machines12010037

