Circulating Current Control in Interleaved and Parallel Connected Power Converters †
Abstract
:1. Introduction
2. Power Electronic Converter Connection Topology Applications
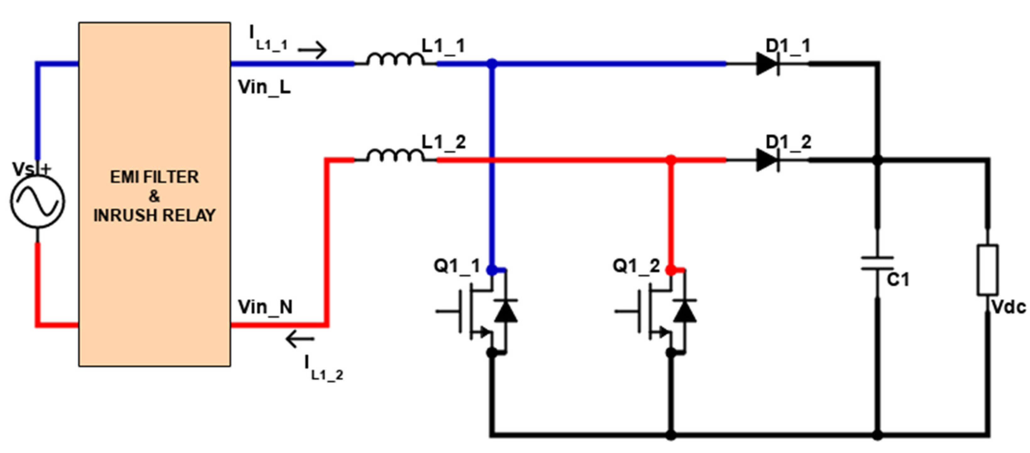
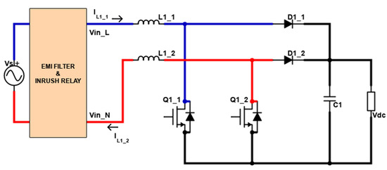
3. Bridgeless Interleaved Topology of Boost Converters
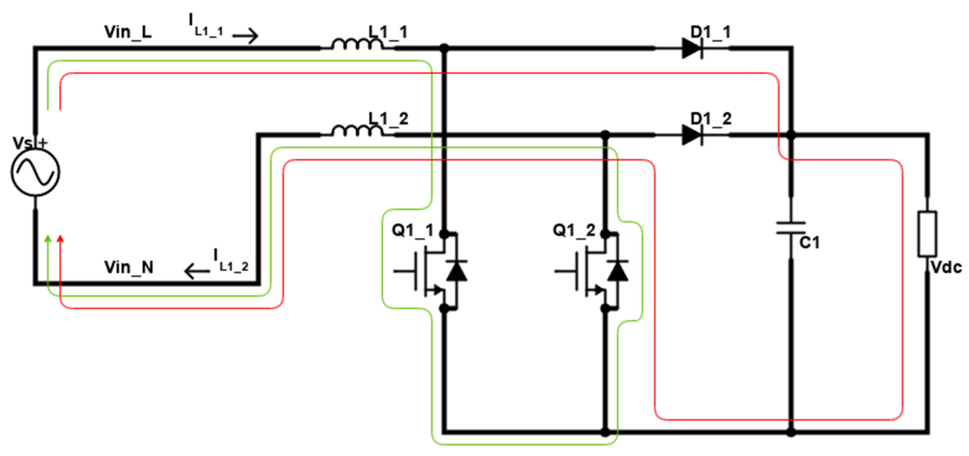
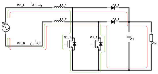
4. Circulating Current Loops in the Interleaved Topology of Boost Converters
4.1. Case (1): Vs > 0
4.2. Case (2): Vs < 0
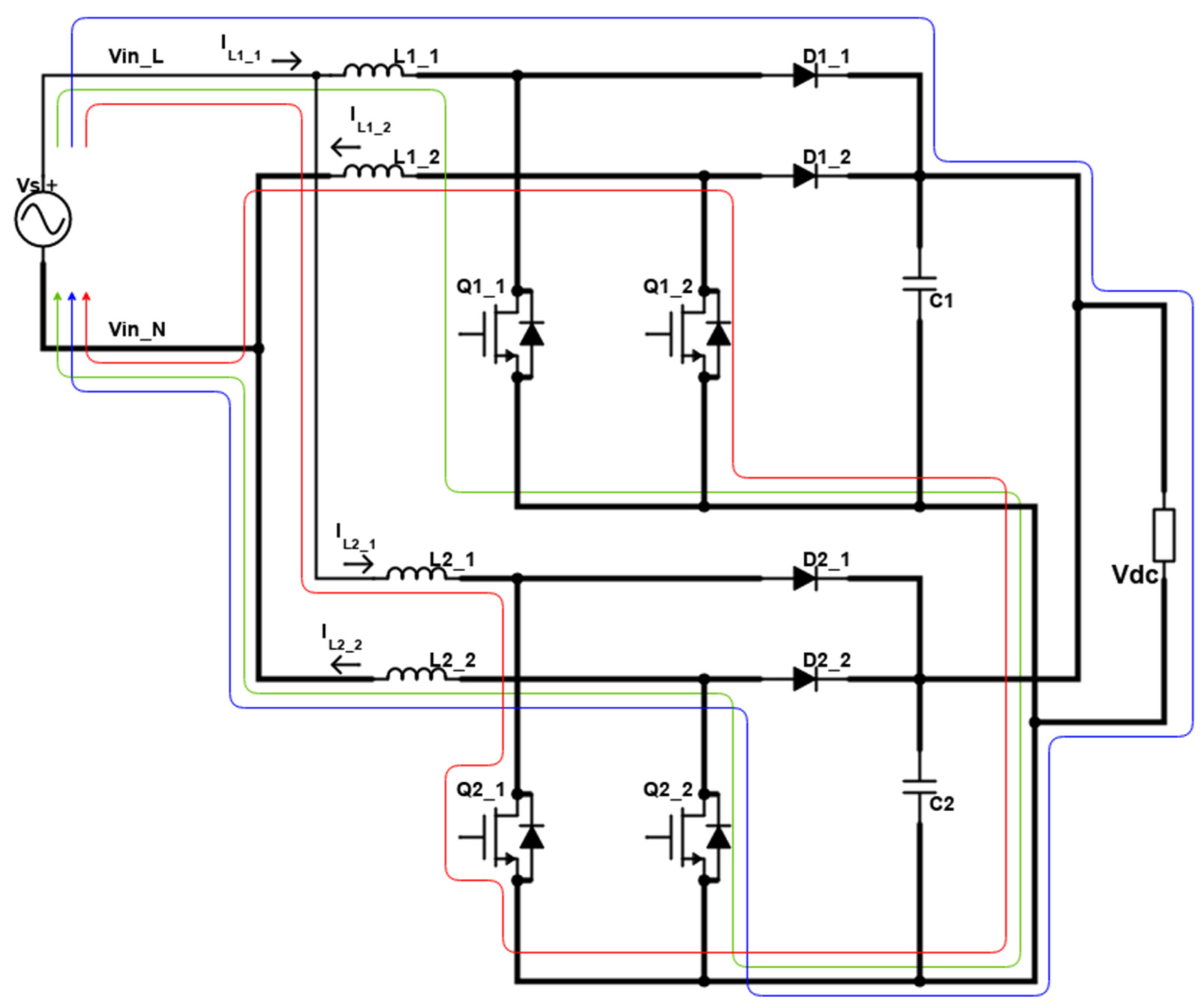
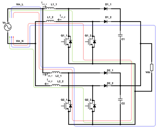
5. Two Parallel-Connected Setups of Interleaved Boost Converters
5.1. Case (1): Vs > 0
5.2. Case (2): Vs < 0
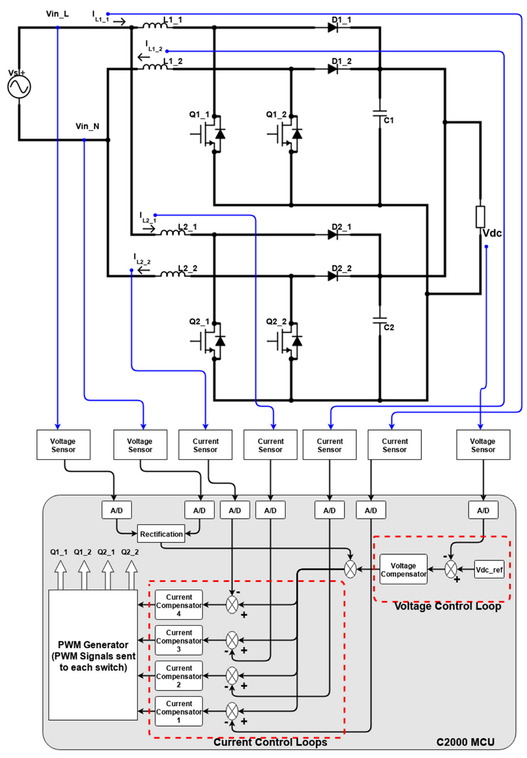
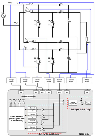
6. Proposed Control Scheme
6.1. Common Mode Circulating Current CMCC with a Controller
6.2. Differential Mode Circulating Current DMCC Controller
7. Interleaved and Parallel Circuit Stability Analysis
7.1. Interleaved Connected Boost Converters
7.2. Parallel Connected Boost Converters
8. Simulation Results
9. Experimental Results
10. Conclusions
Author Contributions
Funding
Data Availability Statement
Conflicts of Interest
References
- Generating Plants Connected to the Medium-Voltage Network—BDEW. Available online: https://slidelegend.com/generating-plants-connected-to-the-medium-voltage-network-bdew_59dc85e31723dd99ffe04d2a.html (accessed on 20 September 2021).
- Blaabjerg, F.; Liserre, M.; Ma, K. Power Electronics Converters for Wind Turbine Systems. IEEE Trans. Ind. Appl. 2012, 48, 708–719. [Google Scholar] [CrossRef]
- Andresen, B.; Birk, J. A high power density converter system for the Gamesa G10x 4,5 MW wind turbine. In Proceedings of the 2007 European Conference on Power Electronics and Applications, Aalborg, Denmark, 2–5 September 2007; pp. 1–8. [Google Scholar] [CrossRef]
- Gohil, G.; Bede, L.; Teodorescu, R.; Kerekes, T.; Blaabjerg, F. Line Filter Design of Parallel Interleaved VSCs for High-Power Wind Energy Conversion Systems. IEEE Trans. Power Electron. 2015, 30, 6775–6790. [Google Scholar] [CrossRef]
- Aravena, P.; Moran, L.; Burgos, R.; Dixon, J. Analysis and design of multi-stage passive filters for 100 MVA industrial power converters. In Proceedings of the 2013 IEEE Industry Applications Society Annual Meeting, Lake Buena Vista, FL, USA, 6–11 October 2013; pp. 1–7. [Google Scholar] [CrossRef]
- Asiminoaei, L.; Aeloiza, E.; Enjeti, P.N.; Blaabjerg, F. Shunt Active-Power-Filter Topology Based on Parallel Interleaved Inverters. IEEE Trans. Ind. Electron. 2008, 55, 1175–1189. [Google Scholar] [CrossRef]
- Capella, G.J.; Pou, J.; Ceballos, S.; Zaragoza, J.; Agelidis, V.G. Current-Balancing Technique for Interleaved Voltage Source Inverters With Magnetically Coupled Legs Connected in Parallel. IEEE Trans. Ind. Electron. 2015, 62, 1335–1344. [Google Scholar] [CrossRef]
- Shin, D.; Lee, J.-P.; Lee, K.-J.; Kim, T.-J.; Yoo, D.-W.; Peng, F.Z.; Ge, B.; Cha, H. 1.5MVA grid-connected interleaved inverters using coupled inductors for wind power generation system. In Proceedings of the 2013 IEEE Energy Conversion Congress and Exposition, Denver, CO, USA, 15–19 September 2013; pp. 4689–4696. [Google Scholar] [CrossRef]
- Gohil, G.; Bede, L.; Maheshwari, R.; Teodorescu, R.; Kerekes, T.; Blaabjerg, F. Parallel interleaved VSCs: Influence of the PWM scheme on the design of the coupled inductor. In Proceedings of the IECON 2014—40th Annual Conference of the IEEE Industrial Electronics Society, Dallas, TX, USA, 29 October–1 November 2014; pp. 1693–1699. [Google Scholar] [CrossRef]
- Shin, D.; Lee, K.-J.; Kim, H.-J.; Lee, J.-P.; Kim, T.-J.; Yoo, D.-W. Coupled inductors for parallel operation of interleaved three-phase voltage source grid-connected inverters. In Proceedings of the 2013 Twenty-Eighth Annual IEEE Applied Power Electronics Conference and Exposition (APEC), Long Beach, CA, USA, 17–21 March 2013; pp. 2235–2239. [Google Scholar] [CrossRef]
- Shin, D.; Lee, J.-P.; Yoo, D.-W.; Kim, H.-J. Stability Improvement of Interleaved Voltage Source Inverters Employing Coupled Inductors for Grid-Connected Applications. IEEE Trans. Ind. Electron. 2015, 62, 6014–6023. [Google Scholar] [CrossRef]
- Pan, C.-T.; Liao, Y.-H. Modeling and Coordinate Control of Circulating Currents in Parallel Three-Phase Boost Rectifiers. IEEE Trans. Ind. Electron. 2007, 54, 825–838. [Google Scholar] [CrossRef]
- Ye, Z.; Boroyevich, D.; Choi, J.-Y.; Lee, F. Control of circulating current in two parallel three-phase boost rectifiers. IEEE Trans. Power Electron. 2002, 17, 609–615. [Google Scholar] [CrossRef]
- Jacobina, C.B.; dos Santos, E.C.; Rocha, N.; Gouveia, B.d.S.; da Silva, E.R.C. Reversible AC Drive Systems Based on Parallel AC–AC DC-Link Converters. IEEE Trans. Ind. Appl. 2010, 46, 1456–1467. [Google Scholar] [CrossRef]
- Pan, C.-T.; Liao, Y.-H. Modeling and Control of Circulating Currents for Parallel Three-Phase Boost Rectifiers With Different Load Sharing. IEEE Trans. Ind. Electron. 2008, 55, 2776–2785. [Google Scholar] [CrossRef]
- Kawabata, Y.; Maekawa, T.; Kawabata, T. Novel PLL systems which suffer little influence from voltage un-balance and distortion. In Proceedings of the The 2010 International Power Electronics Conference-ECCE ASIA-, Sapporo, Japan, 21–24 June 2010; pp. 354–359. [Google Scholar]
- Holtz, J.; Lotzkat, W.; Werner, K.-H. A high-power multitransistor-inverter uninterruptable power supply system. IEEE Trans. Power Electron. 1988, 3, 278–285. [Google Scholar] [CrossRef]
- Javed, K.; Vandevelde, L.; De Belie, F. Efficiency and Transfer function calculation of the Buck-Boost con-verter with ideal flow control. In Proceedings of the 2021 23rd European Conference on Power Electronics and Applications (EPE’21 ECCE Europe), Ghent, Belgium, 6–10 September 2021; pp. 1–10. [Google Scholar]
- Matakas, L.; Giaretta, A.R. Voltage and current tracking control for the parallel connection of VSC H-bridge converters without transformer. In Proceedings of the XI Brazilian Power Electronics Conference, Natal, Brazil, 11–15 September 2011; pp. 1087–1094. [Google Scholar] [CrossRef]
- Abbes, M.; Mehouachi, I.; Chebbi, S. Circulating current reduction of a grid-connected parallel interleaved converter using energy shaping control. Electr. Power Syst. Res. 2019, 170, 184–193. [Google Scholar] [CrossRef]
- Kim, K.H.; Kim, W.D.; Hyun, D.S. A harmonic circulation current reduction method for parallel operation of ups with a three-phase PWM inverter. J. Power Electron. 2005, 5, 160–165. [Google Scholar]
- Ayano, H.; Inaba, H.; Ogasawara, S. A parallel matrix converter system. In Proceedings of the 2006 37th IEEE Power Electron-ics Specialists Conference, Jeju, Korea, 18–22 June 2006; pp. 1–7. [Google Scholar]
- Matakas, L.; Kaiser, W. Low harmonics, decoupled histeresis type current control of a multiconverter consisting of a parallel transformerless connection of VSC converters. In Proceedings of the IAS ‘97. Conference Record of the 1997 IEEE Industry Applications Conference Thirty-Second IAS Annual Meeting, New Orleans, LA, USA, 5–9 October 1997; Volume 2, pp. 1633–1640. [Google Scholar] [CrossRef]
- Terrazas, T.M.; Marafao, F.P.; Monteiro, T.C.; Giaretta, A.R.; Matakas, L.; Komatsu, W. Reference generator for voltage controlled power conditioners. In Proceedings of the XI Brazilian Power Electronics Conference, Natal, Brazil, 11–15 September 2011; pp. 513–519. [Google Scholar] [CrossRef]
- Abe, R.; Nagai, Y.; Tsuyuki, K.; Nishikawa, H.; Shimamura, T.; Kawaguchi, A.; Shimada, K. Development of multiple space vector control for direct connected parallel current source power converters. In Proceedings of the Proceedings of Power Conversion Conference—PCC ‘97, Nagaoka, Japan, 6 August 1997; Volume 1, pp. 283–288. [Google Scholar] [CrossRef]
- Fukuda, S.; Yoshida, T.; Ueda, S. Control strategies of a hybrid multilevel converter for expanding adjusta-ble output voltage range. IEEE Trans. Ind. Appl. 2009, 45, 827–835. [Google Scholar] [CrossRef]
- Ji, S.; Yong, Y.; Chunqing, Q. Control of circulating current for direct parallel grid-connected inverters in photovoltaic power generation. In Proceedings of the 2009 International Conference on Mechatronics and Automation, Changchun, China, 9–12 August 2009; pp. 3805–3810. [Google Scholar] [CrossRef]
- Tang, F.; Jin, X.; Tong, Y.; Liu, J.; Zhou, F.; Ma, L. Parallel interleaved grid-connected converters in MW-level wind power generation. In Proceedings of the 2009 IEEE International Electric Machines and Drives Conference, Miami, FL, USA, 3–6 May 2009; pp. 789–796. [Google Scholar] [CrossRef]
- Yu, M.; Kang, Y.; Zhang, Y.; Yin, M.; Duan, S.; Shan, H.; Chen, G. A Novel Decoupled Current-Sharing Scheme Based on Circulating-Impedance in Parallel multi-Inverter System. In Proceedings of the IECON 2007—33rd Annual Conference of the IEEE Industrial Electronics Society, Taipei, Taiwan, 5–8 November 2007; pp. 1668–1672. [Google Scholar] [CrossRef]
- Xiao, H.; Luo, A.; Bai, L.; Tu, C.; Zhou, J.; Liu, Q. A deadbeat control method for circulating current between parallel-connected inverters. In Proceedings of the 2013 1st International Future Energy Electronics Conference (IFEEC), Tainan, Taiwan, 3–6 November 2013; pp. 806–811. [Google Scholar] [CrossRef]
- Spears, E. Parallel UPS Configurations. Eaton–2009-Access Mode. Available online: http://www.eaton.com/Electrical/USA/WhitePapers/idcplg (accessed on 24 August 2023).
- Deng, Q.; Sun, P.; Hu, W.; Czarkowski, D.; Kazimierczuk, M.K.; Zhou, H. Modular Parallel Multi-Inverter System for High-Power Inductive Power Transfer. IEEE Trans. Power Electron. 2019, 34, 9422–9434. [Google Scholar] [CrossRef]
- Elsied, M.; Salem, A.; Oukaour, A.; Gualous, H.; Chaoui, H.; Youssef, F.T.; Belie, D.; Melkebeek, J.; Mohammed, O. Efficient Power-Electronic Converters for Electric Vehicle Applications. In Proceedings of the 2015 IEEE Vehicle Power and Propulsion Conference (VPPC), Montreal, QC, Canada, 19–22 October 2015; pp. 1–6. [Google Scholar] [CrossRef]
- Rasoulinezhad, R.; Abosnina, A.A.; Khodabakhsh, J.; Moschopoulos, G. An AC-DC Interleaved ZCS-PWM Boost Converter With Reduced Auxiliary Switch RMS Current Stress. IEEE Access 2021, 9, 41320–41333. [Google Scholar] [CrossRef]
- Musumeci, S.; Bojoi, R.; Armando, E.; Borlo, S.; Mandrile, F. Three-legs interleaved boost power factor correc-tor for high-power LED lighting application. Energies 2020, 13, 1728. [Google Scholar] [CrossRef]
- Gaddameedhi, S.; Srinivas, P. A novel fuzzy based controller to reduce circulating currents in parallel in-terleaved converter connected to the grid. Int. J. Electr. Comput. Eng. (IJECE) 2021, 11, 1130–1142. [Google Scholar] [CrossRef]
- Javed, K.; Vandevelde, L.; De Belie, F. Pulse Width Modulation Harmonic Elimination Method for Common and Differential Mode Circulating Currents. In Proceedings of the 2022 IEEE International Conference on Environment and Electrical Engineering and 2022 IEEE Industrial and Commercial Power Systems Europe (EEEIC/I&CPS Europe), Prague, Czech Republic, 28 June–1 July 2022; pp. 1–6. [Google Scholar] [CrossRef]

































| Case | Status | Q1_1 | Q1_2 | Inductor Voltage Status |
|---|---|---|---|---|
| 1 | A | ON | OFF | VL1-1, VL1-2 > 0 |
| B | OFF | OFF | VL1-1, VL1-2 < 0 | |
| 2 | C | OFF | ON | VL1-1, VL1-2 < 0 |
| D | OFF | OFF | VL1-1, VL1-2 > 0 |
| Case | Status | Q1_1 | Q1_2 | Q2_1 | Q2_2 | Inductor Voltage Status |
|---|---|---|---|---|---|---|
| 1 | A | ON | OFF | OFF | OFF | >0 |
| B | OFF | OFF | ON | OFF | ||
| C | OFF | OFF | OFF | OFF | <0 | |
| 2 | D | OFF | OFF | OFF | ON | <0 |
| E | OFF | ON | OFF | OFF | ||
| F | OFF | OFF | OFF | OFF | >0 |
Disclaimer/Publisher’s Note: The statements, opinions and data contained in all publications are solely those of the individual author(s) and contributor(s) and not of MDPI and/or the editor(s). MDPI and/or the editor(s) disclaim responsibility for any injury to people or property resulting from any ideas, methods, instructions or products referred to in the content. |
© 2023 by the authors. Licensee MDPI, Basel, Switzerland. This article is an open access article distributed under the terms and conditions of the Creative Commons Attribution (CC BY) license (https://creativecommons.org/licenses/by/4.0/).
Share and Cite
Javed, K.; De Croo, R.; Vandevelde, L.; De Belie, F. Circulating Current Control in Interleaved and Parallel Connected Power Converters. Machines 2023, 11, 878. https://doi.org/10.3390/machines11090878
Javed K, De Croo R, Vandevelde L, De Belie F. Circulating Current Control in Interleaved and Parallel Connected Power Converters. Machines. 2023; 11(9):878. https://doi.org/10.3390/machines11090878
Chicago/Turabian StyleJaved, Khalid, Ruben De Croo, Lieven Vandevelde, and Frederik De Belie. 2023. "Circulating Current Control in Interleaved and Parallel Connected Power Converters" Machines 11, no. 9: 878. https://doi.org/10.3390/machines11090878
APA StyleJaved, K., De Croo, R., Vandevelde, L., & De Belie, F. (2023). Circulating Current Control in Interleaved and Parallel Connected Power Converters. Machines, 11(9), 878. https://doi.org/10.3390/machines11090878

