Next Article in Journal
Non-Magnetic Negative Coefficient of Thermal Expansion Support Structure between Payloads in the Taiji Space Gravitational Wave Detection Satellite
Previous Article in Journal
Selected Aspects of Precision Machining on CNC Machine Tools
 
 
Font Type:
Arial Georgia Verdana
Font Size:
Aa Aa Aa
Line Spacing:
Column Width:
Background:
Article

Electric Power Flow Control in Double Three-Phase Machines without Shift between Magnetic Axes

Faculty of Technical Sciences, University of Novi Sad, 21000 Novi Sad, Serbia
*
Author to whom correspondence should be addressed.
Machines 2023, 11(10), 947; https://doi.org/10.3390/machines11100947
Submission received: 16 August 2023 / Revised: 20 September 2023 / Accepted: 22 September 2023 / Published: 11 October 2023
(This article belongs to the Section Electromechanical Energy Conversion Systems)

Abstract

:
This paper examines the control strategy adopted for six-phase machines that have been designed as double three-phase machines without a displacement between the magnetic axes of the two sets of three-phase windings (6PH-ZS). The approach is based on vector control principles, enabling the independent control of direct- and quadrature-current components in both three-phase windings. The advantages of such an approach stem from the flexibility of the current distribution between windings, which aims to achieve the required flux and torque. The proposed control strategy is considered for both motor and generator operating regimes. However, an additional quasi-transformer regime is also addressed. While the classic operation regime requires the machine to produce either driving or generating/braking torque, the quasi-transformer regime enables the control of electric power flow between two three-phase windings. A theoretical analysis of the machine model and control algorithm for the flow of electric power through machines is presented for the three aforementioned operating regimes. Verification of the proposed control algorithm is performed through extensive experimental verification.

1. Introduction

Since the first theoretical analyses and experimental tests were recorded in the late 1960s [1], multi-phase machines have been perceived as machines with unique characteristics. Besides failure immunity, phase current reduction, and lower torque ripple, properties that are typically addressed in the literature [2,3,4,5,6], multi-phase machines offer some other sophisticated possibilities unattainable by classical three-phase machines. The literature often addresses these possibilities as an increase in the degree of freedom that can be “unlocked” by the proper design and control of multi-phase machines [7,8,9].
The distinct features of multi-phase machines offer significant benefits in specific applications related to renewable energy sources (RES) [10] and electrification in transportation, predominantly in the context of electric vehicles (EVs) [11,12], but also in electric aircraft [13,14] and ship propulsion systems [15]. In industrial applications conventionally linked to three-phase machines, multi-phase machines emerge as a compelling alternative that can simultaneously handle additional challenges [16,17,18].
Regarding RES, multi-phase machines hold significant potential to play a crucial role in advancing the efficiency and viability of wind and ocean energy conversion systems. Their robustness against fault conditions is particularly crucial for systems located in harsh and remote environments, where maintenance and repair can be challenging and costly. Flexibility in design and control can be advantageous for optimizing energy conversion under varying conditions. The ability to operate efficiently over a wide range of wind speeds allows for the better utilization of wind resources and increased energy capture. Similar arguments can be established for ocean energy conversion systems, where multi-phase machines also find their place. Again, their robustness, efficiency, and adaptability to dynamic conditions contribute to optimizing energy capture and the successful transformation of ocean energy into clean and renewable electricity.
The unique characteristic proposed for RES applications is the ability to control the power flow through the windings of multi-phase machines in their non-torque-producing subspaces. The authors of an earlier study [19] proposed a solution to regulate current and power flow between microgrids using an n-phase machine within a wind energy conversion system. The experimental findings, demonstrated on a nine-phase machine, show that by controlling the currents in the non-torque-producing subspace(s), it becomes feasible to effectively manage the current and power flow through the windings without affecting the average flux and the produced torque, allowing a more seamless integration of renewable energy into existing grids, enhancing grid stability and reliability.
In the context of electrification in transportation, multi-phase machines play an essential role in enabling the transition toward EVs. Commercially available solutions can be found even for medium- and heavy-duty EVs, trucks, and buses. For example, Dana TM4′s production portfolio has six- and nine-phase PMSM electric motors with a power range of up to 370 kW [20]. Besides classical drive applications, due to their complexity and possibility to transfer energy in non-torque-producing subspace, multi-phase machines have found a role in the EV battery-charging process, optimizing the weight, space, and cost. The findings presented in references [21,22,23] show that a drive train comprising a multi-phase machine and a power electronics converter, with appropriate control and connection topology, can be utilized for the charging process (grid-to-vehicle or G2V) and vehicle-to-grid (V2G) mode of operation. In this setup, the windings of the machine serve multiple purposes, acting as filter components in the V2G and G2V modes of operation and as a torque-generating machine during the driving process. The most important conclusion is that due to the flexibility of the multi-phase system, the machine produces zero torque during the grid interaction modes, eliminating the need for an additional braking system.
Research on multi-motor drives has highlighted another unique feature of multiphase machines. The studies presented in references [24,25,26] have shown that implementing specific control strategies designed for the particular arrangement and connection of multiple multi-phase and three-phase machines makes it feasible to independently control several motors supplied from the same inverter. This ability to control multiple motors independently using a single inverter offers various advantages, including increased flexibility in motor control, improved system efficiency, and optimized energy consumption. By tailoring control strategies to the specific configurations of multi-phase and three-phase machines, achieving efficient and precise control of each motor while sharing the same power supply is possible. This feature allows for complex multi-motor applications such as robotics, electric vehicles, and industrial automation.
Additional features related only to multi-phase machines are presented in [19,27,28,29]. The research provides insights into another intriguing possibility of using multi-phase machines precisely to control the power flow between machine windings. The authors demonstrated that this unique capability is achievable using existing control principles and algorithms or with minimal modifications. Another study identified their practical exploitation in multi-phase machine testing, showing that this capability was helpful for saving energy during the machine tests [30].
This paper seeks to further examine the possibility of power flow control between multi-phase machine windings. The reason for opting in favor of the 6PH-ZS machine is two-fold. First and foremost, this machine can be easily configured using a conventional three-phase machine, since its rewiring is straightforward, and involves only the division of the already-formed winding. Furthermore, with minimal modifications and the introduction of synchronization, classical modulation techniques can be employed. The second reason is that the 6PH-ZS machine has not been as frequently studied compared to the more prevalent focus on six-phase machines with asymmetrically and symmetrically arranged windings, typically with displacements of 30 degrees or 60 degrees.
The key contribution of this paper is the development of a control strategy applicable to a six-phase induction machine with two sets of three-phase windings, where the magnetic axes have zero-degree shifts and mutually isolated neutrals. Based on vector control principles, the algorithm is further refined with adaptations that enable the independent control of currents in the two windings. By incorporating this adaptation, it becomes possible to exert precise control over the contribution of each winding to the generation or braking of the resultant torque.
One of the most notable findings is that the multi-phase machine, when under the influence of the proposed control algorithm, exhibits a secondary functionality in which power transfer occurs between the two three-phase windings. This intriguing characteristic enables the machine to act not only as an electric machine in the classical sense but also as a rotational transformer, enabling alternative applications. The proposed control can be applied in electric vehicle applications where energy storage is achieved through hybrid systems, involving the utilization of both conventional lithium batteries and supercapacitors [31]. The potential for energy transfer between windings will impact battery lifespan optimization and overall longevity. Furthermore, wave energy conversion systems are applications in which the proposed technique of a quasi-transformer operating mode can be utilized. Specifically, the issue of oscillatory power from the waves, which is present in a certain number of power take-off systems [32], can be addressed through the suggested topology and control. Energy transfer between windings contributes to the reduction of these oscillations.
The main contributions of this paper include:
  • The development of a vector control algorithm for the 6PH-ZS machine, which enables independent control of the excitation and torque current components of the windings to meet the criteria of electro-mechanical conversion in two classical operating modes—motor and generator modes.
  • The development of a vector control algorithm for the 6PH-ZS machine that enables the quasi-transformer operating mode, in which the unengaged capacity of the machine can be utilized to control the energy flow between windings. This allows the machine, in addition to its primary electro-mechanical conversion process, to utilize the capability of energy exchange between the two windings.
This paper is divided into five sections. After the Introduction, Section 2 presents the mathematical model of the multi-phase machine under examination. The machine is modeled using a dual-stator modeling approach, which provides the required flexibility to achieve independent current control. Section 3 describes the control algorithm, including implementing independent current control and considering three operating regimes. The experimental setup and the results of the experimental verification are presented in Section 4. Finally, Section 5 presents the main conclusions derived from the analyses and experimental results.

2. Model of a 6PH-ZS Machine

Figure 1 shows an illustration of the machine designed with two three-phase windings, where the magnetic axes are shifted by 0° and have mutually isolated neutrals.
The mathematical model of the machine examined in this paper is derived using the multi-stator approach [16,17]. This approach ensures independent control of each three-phase winding, allowing for precise control of the contribution that each winding makes to the electromagnetic torque production and power transfer between windings.
Using a vector notation of Kirchhoff’s voltage low, the machine model can be described in the phase domain with two equations for the stator windings and one equation for the rotor winding, as shown in Equation (1), where [Rs] and [Rr] are the unit matrices of the stator and the rotor winding resistance.
v s j = R s i s j + d d t Ψ s j , j = 1 , 2 0 = R r i r + d d t Ψ r
The voltage and current matrices are defined in Equation (2), whereas flux linkages are described in Equation (3).
v s j = v s j a v s j b v s j c , i s j = i s j a i s j b i s j c , i r = i r a i r b i r c
Ψ s 1 Ψ s 2 Ψ r = L s 1 L s 12 L s 1 r L s 12 T L s 2 L s 2 r L s 1 r T L s 2 r T L r i s 1 i s 2 i r
The machine model in the dq reference frame can be derived by employing Clark and Park transformation matrices. It is represented by Equation (4). The angular speed of the dq reference frame is set to be the same as the electric angular speed of the rotor:
u d s j u q s j 0 0 = R s + L s d d t ω g L S L m d d t ω g L m ω g L s R s + L s d d t ω g L m L m d d t L m d d t ω g ω r L m R r + L r d d t ω g ω r L r ω g ω r L m L m d d t ω g ω r L r R r + L r d d t i d s j i q s j i d r i q r , j = 1 , 2
where Ls(r) = Lls(r) + Lms(r) represent the stator (rotor) inductance, and Lls(r) and Lms(r) represent stator (rotor) leakage and magnetizing inductance. It should be noted that the following expressions hold: Lmsr = Lmrs = Lms(Nr/Ns) and Lmr = Lms(Nr/Ns)2, where Nr/Ns represents the winding coefficient, as defined by the stator and rotor winding turn number ratio. It is assumed that Ns1 = Ns2 and Ins1 = Ins2. It should be noted that magnetizing inductance, rotor leakage inductance, and rotor resistance values in the case of a machine with two separate three-phase windings are one-half of the values for the classical three-phase machine, with twice the number of turns per winding.
If the machine is vector-controlled, the electromagnetic torque produced by a single three-phase winding can be expressed in the dq domain using Equation (5), where Ψdr is flux in the d-axis, iq is the current in the q-axis, and P is the pole pair number of the machine.
T e m = 3 2 P L m L r Ψ d r i q s
Given that the herein-considered machine consists of two three-phase windings, the total torque produced by the vector-controlled machine is shown in Equation (6).
T e m Σ = T e m 1 + T e m 2 = 3 4 P L m L r Ψ d r Σ i q Σ = 3 4 P L m 2 L r ( i d 1 i q 1 + i d 2 i q 2 )
The developed model demonstrates several significant properties of the machine considered:
  • In the case of balanced windings, an identical supply will lead to equal currents in both sets of windings; consequently, both windings will contribute equally to the formation of the electromagnetic field in the machine. Both sets of windings will have an equal contribution regarding electromagnetic torque production.
  • If the stator windings are supplied in such a manner that the currents in the windings produce opposite magnetic fields, these currents will be limited only by stator impedance.
  • It is possible to establish an arbitrary ratio between phase currents in two three-phase windings, which can be used further to control the power flow between two windings and to control the power flow to the machine shaft. The current capacity of the windings limits the power control capability.

3. Power Flow Control between Windings

Equation (7) describes the machine motion, where TL is the loading torque, J is the moment of inertia, kf is the friction constant, and ωm is the mechanical angular speed.
T e m Σ = T L + J d ω m d t + k f ω m
If Equation (6) is substituted into Equation (7), then Equation (8) is obtained, where km is constant: 3 4 P L m 2 L r .
i d 1 i q 1 + i d 2 i q 2 = 1 k m T L + J d ω m d t + k f ω m
By assuming that the nominal current of the winding must not be exceeded, as shown in Equation (9), the maximum allowable value of iq can be expressed in Equation (10).
i d j 2 + i q j 2 2 I n j , j = 1 , 2
i q j 2 2 I n j 2 i d j 2 , j = 1 , 2
For example, suppose that the contribution of direct and quadrature components of the second three-phase winding is expressed relative to the respective values in the first three-phase winding by means of the contribution coefficients kd and kq. In that scenario, currents in the second three-phase winding are calculated using Equation (11).
I q 2 = k q I q 1 , 0 k q 1 I d 2 = k d I d 1 , k d = 0 k d = 1
Note that this analysis supposes that the direct current component can have only nominal values.
If the relations shown in Equation (11) are substituted into Equation (6), then Equation (12) is obtained.
T e m Σ = k m ( 1 + k d k q ) i d 1 i q 1
From Equation (12), different scenarios can be derived:
  • For 0 T e m Σ T e m Σ n 4 , it is sufficient to employ only one of the two three-phase windings; thus, k d = k q = 0 .
  • For T e m Σ n 4 < T e m Σ T e m Σ n 2 , it is sufficient to employ the direct current component in one three-phase winding and the quadrature components in both three-phase windings; thus, k d = 0 , 0 k q 1 . Another possibility is to employ direct current components in both three-phase windings without a quadrature component; thus, k d = 1 , k q = 0 .
  • For T e m Σ n 2 < T e m Σ T e m Σ n , it is necessary to employ both three-phase windings; thus, k d = 1 , 0 k q 1 .
It should be noted that T e m Σ n is the nominal torque value of the machine that is produced when nominal values of direct and quadrature current components are present, whereby i d 1 = i d 2 , i d 1 = i d 2 = I d n and i q 1 = i q 2 , i q 1 = i q 2 = I q n .
The scenarios proposed for the algorithm are given in Table 1 and include the motor (iq > 0) and generator (iq < 0) operating regimes.
In situations where the current capacity of the first three-phase winding is not fully utilized, the third operating regime, i.e., the quasi-transformer regime, can be implemented. In this case, the machine not only performs its primary function, electromechanical conversion, but it can also enable the power exchange between two stator windings. It is important to emphasize that the quasi-transformer regime is only achievable when a rotating magnetic field is present, indicating that the rotor speed determines the power exchange level between windings.
Depending on the required torque that the machine must produce (drive torque in motor mode and breaking torque in generator mode), a few scenarios must be considered:
  • For 0 T e m Σ T e m Σ n 4 , it is assumed that kd = 0, while the potential quadrature current capacity reserve in the first winding is used for power transfer to the second winding, according to the following expression: i q 2 = i q 1 2 I n 2 i d 1 2 .
  • For T e m Σ n 4 < T e m Σ T e m Σ n 2 , it is assumed that kd = 1, while the control of the quadrature current component is the same as in the previous case.
  • For T e m Σ n 2 < T e m Σ T e m Σ n , no power transfer between two windings is intended.
  • The proposed scenarios for machine control in the third operating regime are presented in Table 2.
Table 2. Available torque for machine control in the quasi-transformer operating regime.
Table 2. Available torque for machine control in the quasi-transformer operating regime.
ConditionWinding 1Winding 2
0 T e m Σ T e m Σ n 4 k m i d 1 I m  (Note 1) k m i d 1 I q m i q 1  (Note 1)
T e m Σ n 4 < T e m Σ T e m Σ n 2 k m i d 1 I m  (Note 2) k m i d 1 I q m i q 1  (Note 2)
k m ( i d 1 + i d 2 ) I m  (Note 3) k m ( i d 1 + i d 2 ) I m i q 1  (Note 3)
T e m Σ n 2 < T e m Σ T e m Σ n k m i d 1 i q 1  (Note 4) k m i d 2 i q 2  (Note 4)
Note 1  k d = k q = 0 ; Note 2  k d = 0 , 0 k q 1 ; Note 3  k d = 1 , k q = 0 ; Note 4 Transfer not intended.
Where I q m = 2 I n 2 i d 1 2 .
In terms of the id and iq voltage and current components, the power available in a quasi-transformer mode of operation can be expressed as:
P = 3 4 j = 1 , 2 v d j i d j + v q j i q j
According to Equation (13) and the principles presented in Table 2, the available power for the recognized scenarios can be summarized as shown in Table 3.
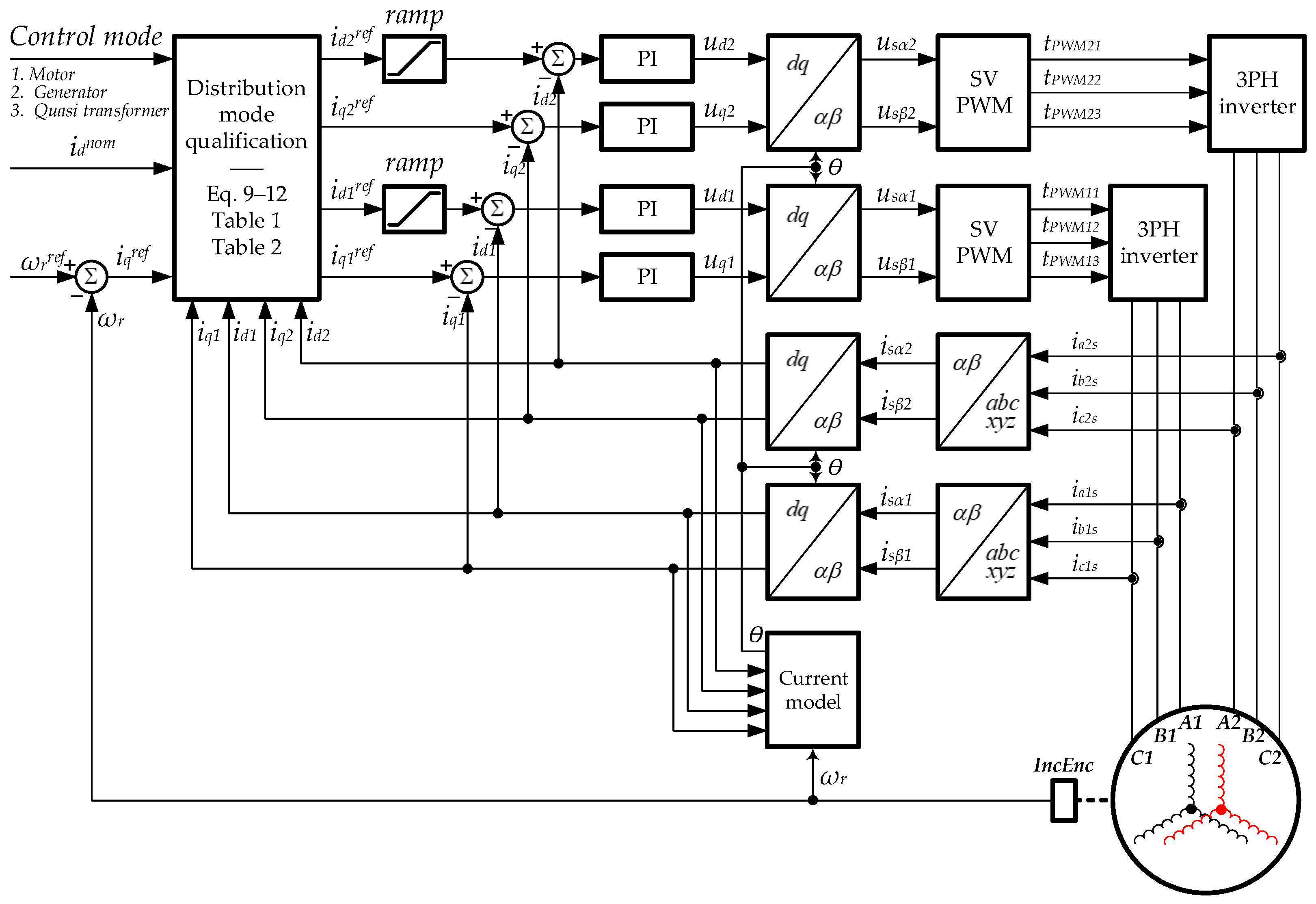
The block diagram of the control algorithm is shown in Figure 2. The control is implemented based on classical vector control, with additional features that enable independent control of the winding’s currents. The distribution of both windings’ excitation and torque components is achieved using the explained principles (defined by Equations (9)–(12)), conditions, and dependencies (defined in Table 1 and Table 2). The role of the ramp blocks in the diagram is to provide additional stabilization during changes in the magnitude of the flux component in the windings, and they are only active in cases where there are simultaneous changes to the current component in both windings. The slope of the ramp is proportional to five times the value of the time constant of the rotor winding.

4. Experimental Results

Figure 3 presents the setup of the experimental test rig, with Figure 3a displaying the block diagram of the rig and Figure 3b showing a photograph of the setup.
The 6PH-ZS machine (label 1) used during the experiments was formed by rewinding a classical three-phase squirrel-cage machine so that the existing winding was divided into two identical parts (nominal data of the rewound machine: Un = 230 V, fn = 25 Hz, In = 2.95 A, nn = 710 rpm, Rs = 3.04 Ω, Rr = 1.08 Ω, Xls = Xlr = 4.53 Ω, Xm = 145.63 Ω, and RFe = 2702 Ω). The nominal torque was 7.33 Nm. The machine was connected to two identical two-level three-phase IGBT inverters (label 2) supplied from a common stabilized source of 230 V and 3 A (label 3). The control system is based on the F28379D LaunchPad from Texas Instruments (label 4), and the control program was developed using the MATLAB/Simulink embedded coder support package (label 5). The collection of relevant data was achieved in two ways. Variables related to the control algorithm were retrieved from the control system using the SCI communication protocol and data logging on a desktop computer (label 5). At the same time, the available electrical quantities were measured directly on the setup, using Teledyne LeCroy MDA8038HD (labels 6 and 6a). Phase currents are filtered using a 1 kHz cut-off frequency IRR lowpass filter.
During the testing, the 6PH-ZS machine was loaded with a three-phase IM (label 7) supplied from an industrial variable speed drive (Danfoss FC302), parametrized for the torque mode of operation (label 8). A breaking resistor was used for DC bus voltage control (label 9). The 6PH-ZS machine was driven in a speed-closed loop, and the speed was measured using an incremental encoder (label 10). The test profile had a duration of 10 s, split into three parts, with different torque values of 1 Nm, 3 Nm, and 6 Nm, where positive was used for motor operation and negative was used for generator operation. The values of the loading torque were selected to activate three different current and power-sharing scenarios according to Table 1.

4.1. Motor Mode

In the motor mode of operation, positive torque loading is applied. The test results are presented in Figure 4.
During the experiment, the machine operates under different loading conditions while its speed is maintained at a constant 500 rpm. With 1 Nm of loading torque being applied, the machine is controlled solely by activating the first winding set. The Id1 component, set at 2 A, ensures that the machine excitation is at half its nominal value. The active power consumption is positive and confined to the part supplying the first winding set. Moving on to the second period, the loading torque is increased to 3 Nm, falling within 25% to 50% of the nominal torque. Consequently, the Id2 component is activated, setting the machine excitation to its nominal value. Interestingly, at this point, only the Iq1 component is sufficient to maintain a speed reference of 500 rpm. Due to the triple increase in loading torque at the same speed, the active power consumed by the first winding set increases threefold compared to the first period. In the third period, a loading torque of 6 Nm is applied, exceeding 50% of the machine’s nominal torque. This activates both winding sets, each contributing half of the required torque to share the machine’s loading. As a result, the active power drawn from the supply is approximately twice the value of that in the 3 Nm loading scenario. Throughout the experiment, the machine exhibits consistent behavior, and the variations in active power consumption align with the changes in loading torque and winding set activation.
From the waveform of the phase currents, it can be observed that the phase shift changes, depending on the period or magnitude of the load torque. The reason for the presence or absence of phase displacement between the currents of the two three-phase windings is a consequence of the decision-making algorithm governing the activation of windings in the electro-mechanical conversion process. Specifically, the implemented algorithm decides whether only one or both windings should be employed under a particular load (as shown in Table 1 and Table 2). In this regard, the role of forming the full excitation current component could be assigned to only one winding, while the other winding may only generate the torque-producing current component. In this case, the phase shift of the currents will differ. If the load exceeds half of the nominal torque, then both windings share filed-producing and torque-producing roles equally. Both windings have the same reference values for the id and iq currents, resulting in identical phase positions of the phase currents in both windings.

4.2. Generator Mode

In the generator mode of operation, the machine is subjected to negative loading while maintaining a constant speed of 500 rpm. The experimental results, presented in Figure 5, illustrate the outcomes of this setup.
While in generator mode, the second winding takes precedence in power extraction. When the loading torque is at −1 Nm, the machine’s excitation relies solely on the first winding, and the generated power is extracted from it. As the loading torque increases, a behavior similar to that observed in the motor mode of operation becomes apparent. At a loading torque of 3 Nm, the second winding is included in the excitation of the machine. As the loading torque is further increased to −6 Nm, sustaining the speed reference becomes possible only by involving both windings’ direct and quadrature components. The generated power is distributed equally between the two windings.

4.3. Quasi-Transformer Mode

The results of the quasi-transformer mode of operation of the 6PH-ZS machine motor are presented in Figure 6. In this mode, the surplus capacity in the first winding loading is harnessed for energy transfer to the second winding. As a result of this arrangement, the envelope of the A1 phase current reaches a winding limit of 4.2 A. Compared to the motor mode of operation, approximately 120 W of energy is transferred to the second winding during the 1 Nm loading period, and approximately 80 W is transferred during the 3 Nm period. However, with a machine loading of 6 Nm, the energy transfer is disabled, resulting in the same winding current distribution that is observed in the motor mode of operation.
The power share between windings is different in generator mode with the quasi-transformer operation enabled. Because the control algorithm prioritizes power extraction to the second winding, the A2 phase current retains its maximum value for −1 Nm and −3 Nm loading. For −6 Nm loading, the control algorithm splits the power distribution among the windings, resulting in the same situation as that seen in the generator mode of operation. The results of the quasi-transformer mode of operation are presented in Figure 7.
The measured speed signal indicates that the introduction of the quasi-transformer mode of operation has a detrimental effect, leading to increases in speed oscillation.
To thoroughly examine the operation of the machine in the quasi-transformer operating mode, additional experiments were conducted. Experiments were carried out in both motor quasi-transformer and generator quasi-transformer operating modes at different speeds and throughout the entire range of load torque.
The results of the experiments are presented in Figure 8 and Figure 9, where Figure 8 pertains to the motor quasi-transformer mode and Figure 9 pertains to the generator quasi-transformer mode. In accordance with the presented analysis and the capabilities of winding activation in the electro-mechanical conversion process, three zones of different behavior can be observed in the graphs: the zone representing up to one-quarter of the rated torque, the zone representing between one-quarter and one-half of the rated torque, and the zone representing from one-half to the full rated torque. Since the current distribution among the windings relies on torque estimation, there are segments shown between the defined zones where the control can inherit the behavior from either of the adjacent zones. The results from this segment are not displayed since the behavior of the algorithm during the experiments was not consistent.
In the motor quasi-transformer operating mode, the behavior of the machine in the first two zones is similar. All the current “reserve” in the first winding is used to transfer active power to the second winding. Consequently, the first winding operates within its current limits (it provides both excitation and torque-producing current components) which manifests as constant power being drawn from the DC link. As the load on the machine’s shaft increases, the available reserve in the first winding decreases, leading to a reduction in power transfer to the second winding. The increase of active power in the first winding, observable in the second zone, can be explained by the fact that the control algorithm for load torques of greater than one-quarter activates the excitation current component in the second winding. This leads to a decrease in the excitation current component in the first winding, thereby leaving a greater reserve for achieving the required driving torque on the machine’s shaft.
In a zone of operation with a load torque of greater than one-half, the windings of the machine begin to share the load, which is evident by the identical active power values on the windings. From Figure 8, it is apparent that the possibility of quasi-transformer operation depends on the shaft’s rotation speed. It can be inferred that with an increase in speed, the “coupling” of the windings becomes stronger and positively affects the possibility of an energy exchange between windings. The reasons for this phenomenon are explained by the dependence between the induced voltage and the rotation speed, which results in a limitation of the current value in the windings.
In the generator operating mode, the control algorithm assigns the role of balancing torques to the second winding to maintain a constant shaft speed. This essentially means that all available energy on the shaft is first directed to the second winding. If the power of the second winding is less than the nominal value, all the remaining current capacity of the first winding is used to transfer active power to the second winding. In the first and second zones, the characteristics of the second winding power are almost ideally constant, indicating that the winding operates within the current limit. It is also evident that the power of the first winding decreases. This means that due to the increasing influx of mechanical energy into the machine shaft, there is no longer a reserve in the second winding that could be used to extract energy from the first winding. Additionally, it can be observed that at zero torque and various speeds, there is practically no difference between the power values of the windings in the motor quasi-transformer and the generator quasi-transformer operating modes. Both windings become active in the third zone, when, after reaching half of the rated torque, power distribution among the windings is shared.

5. Conclusions

This research paper presents a comprehensive investigation into the capabilities of a zero-shifted double three-phase machine, particularly focusing on power sharing and energy transfer among its three-phase windings. The study evaluates a novel control strategy across motor, generator, and quasi-transformer operating modes.
By selectively activating and adjusting the direct and quadrature current components in each winding set, the proposed control algorithm achieves precise control over power distribution and excitation. Of particular interest is the quasi-transformer mode of operation, which utilizes the remaining capacity in one winding to transfer energy to the second winding, facilitating effective power exchange.
The experimental results validate the effectiveness and versatility of the proposed control algorithm, highlighting its potential in optimizing energy conversion, torque production, and power flow control within the multi-phase machine windings. The conducted tests in both motor and generator operating modes have demonstrated that the independent control of two windings can establish control over the machine in such a way that in specific load zones, one or both windings can be selectively engaged as needed. The distribution of power between windings can be controlled according to a higher-level algorithm. In the quasi-transformer operating mode, which can be engaged during both generator and motor operating modes, it has been shown that the machine can simultaneously perform two functions: the primary function is speed control of the shaft, and the secondary function is the transfer of active energy between windings. The analysis conducted herein of the power transfer potential between winding shows a significant correlation with the machine’s rotational speed at which the transfer occurs.
The insights gained from this study contribute to the advancement of multi-phase machine technology, with potential practical applications in renewable energy systems, electric transportation, and industrial automation, paving the way for more efficient and sustainable energy solutions. Future research should be directed toward developing algorithms for further optimization of the energy transfer between windings and the identification of suitable applications that can fully exploit these capabilities.

Author Contributions

Conceptualization, D.M.; methodology, D.M.; software, D.M., A.H. and V.P.; validation, D.M., A.H., N.V. and B.P.; formal analysis, D.M. and Z.Č.; resources, D.M., B.D. and V.P.; writing—original draft preparation, D.M., N.V. and B.P.; writing—review and editing, N.V., B.P., B.D. and Z.Č. All authors have read and agreed to the published version of the manuscript.

Funding

This research received no external funding.

Data Availability Statement

The data presented in this study are available on request from the corresponding author.

Acknowledgments

This paper has been supported by the Ministry of Science, Technological Development, and Innovation (Republic of Serbia) through project no. 451-03-47/2023-01/200156, “Innovative scientific and artistic research from the FTS (activity) domain”.

Conflicts of Interest

The authors declare no conflict of interest.

References

  1. Ward, E.E.; Härer, H. Preliminary investigation of an invertor-fed 5-phase induction motor. Proc. Inst. Electr. Eng. UK 1969, 116, 980–984. [Google Scholar] [CrossRef]
  2. Williamson, S.; Smith, S. Pulsating torque and losses in multiphase induction machines. IEEE Trans. Ind. Appl. 2003, 39, 986–993. [Google Scholar] [CrossRef]
  3. Levi, E.; Bojoi, R.; Profumo, F.; Toliyat, H.A.; Williamson, S. Multiphase induction motor drives—A technology status review. IET Electr. Power Appl. 2007, 1, 489–516. [Google Scholar] [CrossRef]
  4. Levi, E. Multiphase Electric Machines for Variable-Speed Applications. IEEE Trans. Ind. Electron. 2008, 55, 1893–1909. [Google Scholar] [CrossRef]
  5. Kindl, V.; Cermak, R.; Ferkova, Z.; Skala, B. Review of Time and Space Harmonics in Multi-Phase Induction Machine. Energies 2020, 13, 496. [Google Scholar] [CrossRef]
  6. Zhu, Z.; Wang, S.; Shao, B.; Yan, L.; Xu, P.; Ren, Y. Advances in Dual-Three-Phase Permanent Magnet Synchronous Machines and Control Techniques. Energies 2021, 14, 7508. [Google Scholar] [CrossRef]
  7. Liu, Z.; Li, Y.; Zheng, Z. A review of drive techniques for multiphase machines. Trans. Electr. Mach. Syst. 2018, 2, 243–251. [Google Scholar] [CrossRef]
  8. Tenconi, A.; Rubino, S.; Bojoi, R. Model Predictive Control for Multiphase Motor Drives—A Technology Status Review. In Proceedings of the 2018 IEEE International Power Electronics Conference (IPEC-Niigata 2018-ECCE Asia), Niigata, Japan, 20–24 May 2018; pp. 732–739. [Google Scholar] [CrossRef]
  9. Rodas, J.; Gonzalez-Prieto, I.; Kali, Y.; Saad, M.; Doval-Gandoy, J. Recent Advances in Model Predictive and Sliding Mode Current Control Techniques of Multiphase Induction Machines. Front. Energy Res. 2021, 9, 729034. [Google Scholar] [CrossRef]
  10. Peng, X.; Liu, Z.; Jiang, D. A review of multiphase energy conversion in wind power generation. Renew. Sustain. Energy Rev. 2021, 147, 111172. [Google Scholar] [CrossRef]
  11. Salem, A.; Narimani, M. A Review on Multiphase Drives for Automotive Traction Applications. IEEE Trans. Transp. Electrif. 2019, 5, 1329–1348. [Google Scholar] [CrossRef]
  12. Frikha, M.; Croonen, J.; Deepak, K.; Benômar, Y.; El Baghdadi, M.; Hegazy, O. Multiphase Motors and Drive Systems for Electric Vehicle Powertrains: State of the Art Analysis and Future Trends. Energies 2023, 16, 768. [Google Scholar] [CrossRef]
  13. Buticchi, G.; Wheeler, P.; Boroyevich, D. The More-Electric Aircraft and Beyond. Proc. IEEE 2023, 111, 356–370. [Google Scholar] [CrossRef]
  14. Ni, K.; Liu, Y.; Mei, Z.; Wu, T.; Hu, Y.; Wen, H.; Wang, H. Electrical and Electronic Technologies in More-Electric Aircraft: A Review. IEEE Access 2019, 7, 76145–76166. [Google Scholar] [CrossRef]
  15. Zahr, H.; Scuiller, F.; Semail, E. Five-phase SPM machine with electronic pole changing effect for marine propulsion. In Proceedings of the 2016 IEEE International Conference on Electrical Systems for Aircraft, Railway, Ship Propulsion and Road Vehicles & International Transportation Electrification Conference (ESARS-ITEC), Toulouse, France, 2–4 November 2016; pp. 1–6. [Google Scholar] [CrossRef]
  16. Jung, E.; Yoo, H.; Sul, S.-K.; Choi, H.-S.; Choi, Y.-Y. Nine-phase Permanent Magnet motor drive system for ultra high-speed elevator. In Proceedings of the 2009 IEEE Energy Conversion Congress and Exposition, San Jose, CA, USA, 20–24 September 2009; pp. 1841–1846. [Google Scholar] [CrossRef]
  17. Marouani, K.; Nounou, K.; Benbouzid, M.; Tabbache, B. Power factor correction of an electrical drive system based on multiphase machines. In Proceedings of the 2014 IEEE First International Conference on Green Energy ICGE 2014, Sfax, Tunisia, 25–27 March 2014; pp. 152–157. [Google Scholar] [CrossRef]
  18. Duran, M.J.; Levi, E.; Barrero, F. Multiphase Electric Drives: Introduction. In Wiley Encyclopedia of Electrical and Electronics Engineering; John Wiley & Sons, Inc.: Hoboken, NJ, USA, 2017; pp. 1–26. [Google Scholar] [CrossRef]
  19. Zoric, I.; Jones, M.; Levi, E. Arbitrary Power Sharing Among Three-Phase Winding Sets of Multiphase Machines. IEEE Trans. Ind. Electron. 2018, 65, 1128–1139. [Google Scholar] [CrossRef]
  20. Commercial Vehicles. Dana TM4. Available online: https://www.danatm4.com/vehicle-applications/commercial-vehicles/ (accessed on 22 July 2023).
  21. Subotic, I.; Levi, E.; Bodo, N. A Fast On-Board Integrated Battery Charger for EVs Using an Asymmetrical Six-Phase Machine. In Proceedings of the 2014 IEEE Vehicle Power and Propulsion Conference (VPPC), Coimbra, Portugal, 27–30 October 2014; pp. 1–6. [Google Scholar] [CrossRef]
  22. Subotic, I.; Bodo, N.; Levi, E.; Jones, M. Onboard Integrated Battery Charger for EVs Using an Asymmetrical Nine-Phase Machine. IEEE Trans. Ind. Electron. 2015, 62, 3285–3295. [Google Scholar] [CrossRef]
  23. Subotic, I.; Bodo, N.; Levi, E. An EV Drive-Train With Integrated Fast Charging Capability. IEEE Trans. Power Electron. 2016, 31, 1461–1471. [Google Scholar] [CrossRef]
  24. Iqbal, A.; Levi, E. Space Vector PWM for a Five-Phase VSI Supplying Two Five-Phase Series-Connected Machines. In Proceedings of the 2006 IEEE 12th International Power Electronics and Motion Control Conference, Portoroz, Slovenia, 30 August–1 September 2006; pp. 222–227. [Google Scholar] [CrossRef]
  25. Vukosavic, S.N.; Jones, M.; Levi, E.; Dujic, D. Experimental performance evaluation of a five-phase parallel-connected two-motor drive. In Proceedings of the 4th IET International Conference on Power Electronics, Machines and Drives (PEMD 2008), York, UK, 2–4 April 2008; pp. 686–690. [Google Scholar] [CrossRef]
  26. Jones, M.; Vukosavic, S.N.; Levi, E. Parallel-Connected Multiphase Multidrive Systems With Single Inverter Supply. IEEE Trans. Ind. Electron. 2009, 56, 2047–2057. [Google Scholar] [CrossRef]
  27. Rubino, S.; Dordevic, O.; Bojoi, R.; Levi, E. Modular Vector Control of Multi-Three-Phase Permanent Magnet Synchronous Motors. IEEE Trans. Ind. Electron. 2021, 68, 9136–9147. [Google Scholar] [CrossRef]
  28. Subotic, I.; Dordevic, O.; Gomm, J.B.; Levi, E. Active and Reactive Power Sharing Between Three-Phase Winding Sets of a Multiphase Induction Machine. IEEE Trans. Energy Convers. 2019, 34, 1401–1410. [Google Scholar] [CrossRef]
  29. Zoric, I.; Jones, M.; Levi, E. Arbitrary d–q current sharing in three-phase winding sets of multi-phase machines. J. Eng. 2019, 2019, 4173–4177. [Google Scholar] [CrossRef]
  30. Abduallah, A.A.; Dordevic, O.; Jones, M.; Levi, E. Regenerative Test for Multiple Three-Phase Machines with Even Number of Neutral Points. IEEE Trans. Ind. Electron. 2020, 67, 1684–1694. [Google Scholar] [CrossRef]
  31. Mariasiu, F.; Kelemen, E.A. Analysis of the Energy Efficiency of a Hybrid Energy Storage System for an Electric Vehicle. Batteries 2023, 9, 419. [Google Scholar] [CrossRef]
  32. Cui, Y.; Zhang, F.; Chen, Z. Predication of Ocean Wave Height for Ocean Wave Energy Conversion System. Energies 2023, 16, 3841. [Google Scholar] [CrossRef]
Figure 1. Illustration of the machine construction and stator winding axes.
Figure 1. Illustration of the machine construction and stator winding axes.
Machines 11 00947 g001
Figure 2. Block diagram of the implemented control algorithm.
Figure 2. Block diagram of the implemented control algorithm.
Machines 11 00947 g002
Figure 3. Experimental test-rig: (a) block diagram; (b) photograph of the setup.
Figure 3. Experimental test-rig: (a) block diagram; (b) photograph of the setup.
Machines 11 00947 g003
Figure 4. Experimental results—motor mode.
Figure 4. Experimental results—motor mode.
Machines 11 00947 g004
Figure 5. Experimental results—generator mode.
Figure 5. Experimental results—generator mode.
Machines 11 00947 g005
Figure 6. Experimental results—quasi-transformer motor mode.
Figure 6. Experimental results—quasi-transformer motor mode.
Machines 11 00947 g006
Figure 7. Experimental results—quasi-transformer generator mode.
Figure 7. Experimental results—quasi-transformer generator mode.
Machines 11 00947 g007
Figure 8. Experimental results—the full range of power for winding 1 and winding 2 vs. torque in quasi-transformer motor mode.
Figure 8. Experimental results—the full range of power for winding 1 and winding 2 vs. torque in quasi-transformer motor mode.
Machines 11 00947 g008
Figure 9. Experimental results—the full range of power for winding 1 and winding 2 vs. torque in quasi-transformer generator mode.
Figure 9. Experimental results—the full range of power for winding 1 and winding 2 vs. torque in quasi-transformer generator mode.
Machines 11 00947 g009
Table 1. Available torque for machine control in motor and generator operating regimes.
Table 1. Available torque for machine control in motor and generator operating regimes.
ConditionWinding 1Winding 2
0 T e m Σ T e m Σ n 4 k m i d 1 i q 1  (Note 1)0
T e m Σ n 4 < T e m Σ T e m Σ n 2 k m i d 1 i q 1  (Note 2) k m i d 1 i q 2  (Note 2)
k m ( i d 1 + i d 2 ) i q 1  (Note 3)0
T e m Σ n 2 < T e m Σ T e m Σ n k m i d 1 i q 1  (Note 4) k m i d 2 i q 2  (Note 4)
Note 1  k d = k q = 0 ; Note 2  k d = 0 , 0 k q 1 ; Note 3  k d = 1 , k q = 0 ; Note 4  k d = 1 ,   0 k q 1 .
Table 3. The available power in the quasi-transformer operating regime.
Table 3. The available power in the quasi-transformer operating regime.
ConditionWinding 1Winding 2
0 T e m Σ T e m Σ n 4 3 4 v d 1 i d 1 + v q 1 I q m  (Note 1) 3 4 v q 2 I q m i q 1  (Note 1)
T e m Σ n 4 < T e m Σ T e m Σ n 2 3 4 v d 1 i d 1 + v q 1 I q m  (Note 2) 3 4 v q 2 i q 1 I q m  (Note 2)
3 4 v d 1 i d 1 + v q 1 I q m  (Note 3) 3 4 v d 2 i d 2 v q 2 i q 1 I q m  (Note 3)
T e m Σ n 2 < T e m Σ T e m Σ n 3 4 v d 1 i d 1 + v q 1 i q 1  (Note 4) 3 4 v d 2 i d 2 + v q 2 i q 2  (Note 4)
Note 1  k d = k q = 0 ; Note 2  k d = 0 , 0 k q 1 ; Note 3  k d = 1 , k q = 0 ; Note 4 Transfer not intended.
Disclaimer/Publisher’s Note: The statements, opinions and data contained in all publications are solely those of the individual author(s) and contributor(s) and not of MDPI and/or the editor(s). MDPI and/or the editor(s) disclaim responsibility for any injury to people or property resulting from any ideas, methods, instructions or products referred to in the content.

Share and Cite

MDPI and ACS Style

Milićević, D.; Vukajlović, N.; Hajdarpašić, A.; Popadić, B.; Dumnić, B.; Čorba, Z.; Porobić, V. Electric Power Flow Control in Double Three-Phase Machines without Shift between Magnetic Axes. Machines 2023, 11, 947. https://doi.org/10.3390/machines11100947

AMA Style

Milićević D, Vukajlović N, Hajdarpašić A, Popadić B, Dumnić B, Čorba Z, Porobić V. Electric Power Flow Control in Double Three-Phase Machines without Shift between Magnetic Axes. Machines. 2023; 11(10):947. https://doi.org/10.3390/machines11100947

Chicago/Turabian Style

Milićević, Dragan, Nikola Vukajlović, Amar Hajdarpašić, Bane Popadić, Boris Dumnić, Zoltan Čorba, and Vlado Porobić. 2023. "Electric Power Flow Control in Double Three-Phase Machines without Shift between Magnetic Axes" Machines 11, no. 10: 947. https://doi.org/10.3390/machines11100947

APA Style

Milićević, D., Vukajlović, N., Hajdarpašić, A., Popadić, B., Dumnić, B., Čorba, Z., & Porobić, V. (2023). Electric Power Flow Control in Double Three-Phase Machines without Shift between Magnetic Axes. Machines, 11(10), 947. https://doi.org/10.3390/machines11100947

Note that from the first issue of 2016, this journal uses article numbers instead of page numbers. See further details here.

Article Metrics

Back to TopTop