Effect of LP-EGR on the Emission Characteristics of GDI Engine
Abstract
:1. Introduction
2. Experimental Methodology
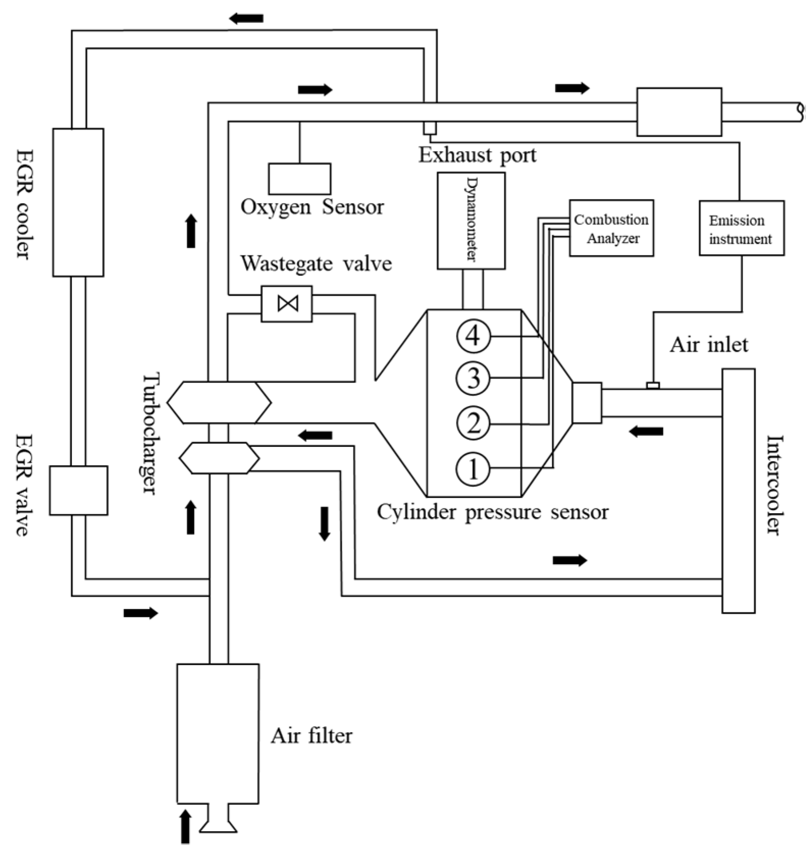
2.1. Test Equipment
2.2. Experimental Setup
3. Results and Discussion
3.1. In-Cylinder Combustion Characteristics
3.2. Particle Size Distribution
3.3. Concentration of Particulate Number (PN)
3.4. Concentration of Particulate Mass (PM)
3.5. Gaseous Emission Characteristics
4. Conclusions
- (1)
- As the EGR rate increased, the CA50 gradually decreased, the combustion duration was prolonged, the heat release process was lengthened, and the exhaust temperature was reduced.
- (2)
- GDI engine exhaust particulate matter exhibited a bimodal distribution of nucleation mode and accumulation mode particles. Under partial load conditions, EGR had little effect on the peak particle size of accumulation mode particles. At 2000 r/min, with the increase in the EGR rate, the peak nucleation mode particle concentration gradually increased, and the peak particle size gradually decreased. At 4000 r/min, with the EGR rate increase, the peak number concentration of nuclear particles gradually decreased. Under full load conditions, the addition of EGR greatly reduced the peak number concentration of nuclear particles, and gradually decreased with the increase in the EGR rate. The peak number concentration of accumulated particulates and the peak particle size increased with the increase in the EGR rate.
- (3)
- Nucleation mode particles accounted for the vast majority of the total PN. At 2000 r/min, with the increase in the EGR rate, the number concentration and mass concentration of nuclear particles gradually increased. At 4000 r/min, the number concentration and mass concentration of nuclear particles gradually decreased with the increase in the EGR rate. At a full load of 4000 r/min, after the introduction of EGR, the number concentration of nuclear and accumulated particles was greatly reduced, while the concentration of accumulated particles increased significantly.
- (4)
- At 2000 r/min, the total PN concentration increased with the increase in the EGR rate. At 4000 r/min, the PN concentration decreased with the increase in the EGR rate. The increase in the EGR rate had little effect on the total PM. At a full load of 4000 r/min, adding EGR greatly reduced the total PN, while the total PM increased.
- (5)
- Increasing the EGR rate can greatly reduce NOx emissions, and the maximum reduction can reach more than 80%. However, THC emissions increase by up to 23.5%. When the load is 10 bar, increasing EGR can reduce CO emissions. While at 15 bar, increasing the EGR rate worsens CO emissions.
- (6)
- The research results in this paper provide a reference for reducing the particulate and gaseous emissions of GDI gasoline engines. The suggestions include using different EGR rates under different operating conditions to reduce particulate emissions. In this study, only the steady-state operation of the GDI engine was considered. The next step will be to study the effect of the EGR rate on GDI engine emissions under transient operating conditions.
Author Contributions
Funding
Institutional Review Board Statement
Informed Consent Statement
Data Availability Statement
Conflicts of Interest
References
- Fang, T.G.; Wang, L.B.; Wang, Z. Particulate Matter Emissions from Gasoline Direct Injection Engines: Research Review. J. Automot. Saf. Energy 2017, 8, 226–238. [Google Scholar]
- Braisher, M.; Stone, R.; Price, P. Particle Number Emissions from a Range of European Vehicles; SAE World Congress & Exhibition: Detroit, MI, USA, 2010; Volume 1. [Google Scholar]
- Shuai, S.; Dong, Z.; Zheng, R.; Wang, B.; Fu, H.; Xu, H.; Wang, J. Review of formation mechanism and emission characteristics of particulate matter from automotive gasoline engines. Trans. CSICE 2016, 2, 105–116. [Google Scholar]
- Wei, H.; Zhu, T.; Shu, G.; Tan, L.; Wang, Y. Gasoline engine exhaust gas recirculation–A review. Appl. Energy 2012, 99, 534–544. [Google Scholar] [CrossRef]
- Gao, D.D.; Luo, M.J.; Liu, C.; Wang, Y.N.; Qiu, L. Influence of EGR on Emission Characteristics of In-use Gasoline Vehicles. Small Intern. Combust. Engine Veh. Tech. 2020, 49, 1–5. [Google Scholar]
- Jadhav, P.D.; Mallikarjuna, J.M. Effect of EGR on Performance and Emission Characteristics of a GDI Engine-A CFD Study. In Proceedings of the 13th International Conference on Engines & Vehicles, Detroit, MI, USA, 4 September 2017. [Google Scholar]
- Zhu, Z.P.; Lin, R.; Du, A.M. Economy Performance Optimization Algorithm of Exhaust Gas Recirculation Atkinson Gasoline Engine. J. Tongji Univ. (Nat. Sci.) 2018, 46, 848–853, 860. [Google Scholar]
- Wang, Z.Y.; Chao, Y.D.; Li, L.G. Effect of EGR Temperature on Combustion and Performance in small Displacement Turbocharged Gasoline Engine. J. Tongji Univ. (Nat. Sci.) 2017, 45 (Suppl. S1), 152–156. [Google Scholar]
- Zhou, Y.; Hong, W.; Xie, F.X.; Shu, Y.; Liu, Y.; Li, X.P.; Duan, J.Q. Effect of EGR and Ignition on the Performance of Spark-Assisted Compression Ignition Engine Fueled with Gasoline. J. Jilin Univ. (Eng. Technol. Ed.) 2021, 1–10. [Google Scholar]
- Takaki, D.; Tsuchida, H.; Kobara, T.; Akagi, M.; Tsuyuki, T.; Nagamine, M. Study of an EGR System for Downsizing Turbocharged Gasoline Engine to Improve Fuel Economy; SAE Technical Paper; SAE: Detroit, MI, USA, 2014; Volume 1, p. 1199. [Google Scholar]
- Chao, Y.; Lu, H.; Hu, Z.; Deng, J.; Wu, Z.; Li, L.; Shen, Y.; Yuan, S. Comparison of Fuel Economy Improvement by High and Low Pressure EGR System on a Downsized Boosted Gasoline Engine; SAE World Congress Experience: Detroit, MI, USA, 2017; Volume 1, p. 682. [Google Scholar]
- Bourhis, G.; Chauvin, J.; Gautrot, X.; de Francqueville, L. LP EGR and IGR Compromise on a GDI Engine at Middle Load. SAE Int. J. Engines 2013, 6, 67–77. [Google Scholar] [CrossRef]
- Wang, J.Q.; Chao, Y.D.; Zhu, D.H.; Deng, J.; Li, L.G. Effects of different dilution methods on Fuel Consumption for Gasoline Direct Injection Engine under Different Compression Ratio. J. Tongji Univ. (Nat. Sci.) 2019, 47, 1801–1808. [Google Scholar]
- Pan, S.Z.; Song, C.L.; Pei, Y.Q.; Lu, G. Influence of EGR on Combustion and Emissions of a Gasoline Direct-Injection Engine. Trans. CSICE 2012, 30, 749–754. [Google Scholar]
- Zhao, L.; Yu, X.; Qian, D.; Dong, W.; Sun, P.; He, L.; Yang, S. The effects of EGR and ignition timing on emissions of GDI engine. Sci. China Technol. Sci. 2013, 56, 3144–3150. [Google Scholar] [CrossRef]
- Cai, W.Y.; Ma, S.Y.; Wang, Y.R.; Chen, S.C. Influence of LP-EGR on Combustion and Emissions of a Gasoline Direct-Injection Engine Used in Range Extender. Trans. CSICE 2020, 38, 42–48. [Google Scholar]
- Zheng, R. Study on Emission Characteristics of Primary Particles and Formation Potential of Secondary Particles from Gasoline Engines. Master’s Thesis, Tsinghua University, Beijing, China, May 2015. [Google Scholar]
- Zhao, L.F.; Shu, X.Y.; Yu, X.M. Investigation on Performance and Emissions of a GDI Engine with EGR and Lean Burn. Trans. CSICE 2020, 38, 126–132. [Google Scholar]
- Yu, X.; Zhao, Z.; Huang, Y.; Shi, W.; Guo, Z.; Li, Z.; Du, Y.; Jin, Z.; Li, D.; Wang, T. Experimental study on the effects of EGR on combustion and emission of an SI engine with gasoline port injection plus ethanol direct injection. Fuel 2021, 305, 121421. [Google Scholar] [CrossRef]
- Kittelson, D.B.; Watts, W.F.; Johnson, J.P. On-road and laboratory evaluation of combustion aerosols—Part1: Summary of diesel engine results. Aerosol Sci. 2006, 37, 913–930. [Google Scholar] [CrossRef]
- Maricq, M.M. Chemical characterization of particulate emissions from diesel engines: A review. J. Aerosol Sci. 2007, 38, 1079–1118. [Google Scholar] [CrossRef]
- Wong, C.P.; Chan, T.L.; Leung, C.W. Characterisation of diesel exhaust particle number and size distributions using mini-dilution tunnel and ejector–diluter measurement techniques. Atmospheric Environ. 2003, 37, 4435–4446. [Google Scholar] [CrossRef]
- Agarwal, D.; Singh, S.K.; Agarwal, A.K. Effect of Exhaust Gas Recirculation (EGR) on performance, emissions, deposits and durability of a constant speed compression ignition engine. Appl. Energy 2011, 88, 2900–2907. [Google Scholar] [CrossRef]
- Gong, C.; Li, Z.; Yi, L.; Sun, J.; Liu, F. Comparative analysis of various combustion phase control methods in a lean-burn H2/methanol fuel dual-injection engine. Fuel 2020, 262, 116592. [Google Scholar] [CrossRef]
- Fu, H. Research on Low Pressure Exhaust Gas Recirculation of Gasoline Engine in Simulation and Experiment. Master’s Thesis, Chongqing University, Chongqing, China, July 2017. [Google Scholar]













| Engine Parameters | Value |
|---|---|
| Engine type | In-line four-cylinder, spark ignition |
| Engine displacement | 1.5 L |
| Bore × Stroke | 74 mm × 86.6 mm |
| Compression ratio | 11.5 |
| Fuel | No. 95 gasoline |
| Fuel pressure | 350 bar |
| Rated Power | 124 kW |
| Rated Speed | 6000 r/min |
| Maximum torque | 250 Nm |
| Water temperature | 90 °C |
| Type | Test Parameters | Accuracy |
|---|---|---|
| EEPS 3090 | Particulate emissions | 5.6–560 nm/0.1 s |
| Horiba MEXA-ONE | Gaseous emissions | CO: 0–1000 ppm/± 1% F.S THC: 0–500 ppm/± 1% F.S NOx: 0–10,000 ppm/± 1% F.S |
| Temperature sensor | Exhaust temperature (K) | / |
| Cylinder pressure sensor | Cylinder pressure (bar) | / |
| KISTLER KIBOX combustion analyzer | Instantaneous heat release rate/cumulative heat release rate (%) | ±1% F.S |
| Angle marker | Crankshaft angle (°CA) | 0.1°CA |
| Speed (r/min) | Load 1 (bar) | Load 2 (bar) |
|---|---|---|
| 2000 | 10 | 15 |
| 4000 | 15 | Full load |
Publisher’s Note: MDPI stays neutral with regard to jurisdictional claims in published maps and institutional affiliations. |
© 2021 by the authors. Licensee MDPI, Basel, Switzerland. This article is an open access article distributed under the terms and conditions of the Creative Commons Attribution (CC BY) license (https://creativecommons.org/licenses/by/4.0/).
Share and Cite
Lou, D.; Lou, G.; Wang, B.; Fang, L.; Zhang, Y. Effect of LP-EGR on the Emission Characteristics of GDI Engine. Machines 2022, 10, 7. https://doi.org/10.3390/machines10010007
Lou D, Lou G, Wang B, Fang L, Zhang Y. Effect of LP-EGR on the Emission Characteristics of GDI Engine. Machines. 2022; 10(1):7. https://doi.org/10.3390/machines10010007
Chicago/Turabian StyleLou, Diming, Guokang Lou, Bo Wang, Liang Fang, and Yunhua Zhang. 2022. "Effect of LP-EGR on the Emission Characteristics of GDI Engine" Machines 10, no. 1: 7. https://doi.org/10.3390/machines10010007
APA StyleLou, D., Lou, G., Wang, B., Fang, L., & Zhang, Y. (2022). Effect of LP-EGR on the Emission Characteristics of GDI Engine. Machines, 10(1), 7. https://doi.org/10.3390/machines10010007

