Petrophysical Characteristics of Geological Formations of the Zhezkazgan Ore District (Kazakhstan) and Their Relationship with Mineralization
Abstract
1. Introduction
2. Materials and Methods
2.1. Characteristics of the Source Data
2.2. Methodology
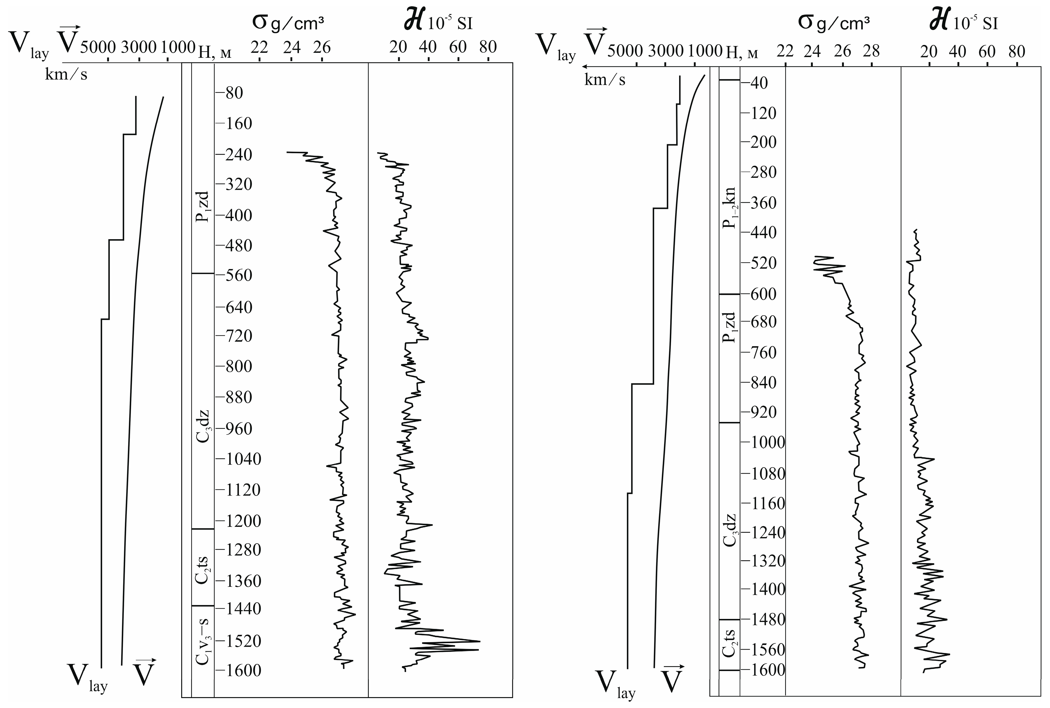
3. Results
4. Discussion
- In the Sarysu–Teniz riftogenic structural zone, two density boundaries are regionally distinguished: the first coincides with the base of the Famennian–Carboniferous deposits, which, having a density deficit of -0.06 to -0.10 g/cm3, will determine the appearance of negative gravity anomalies (Δg). The second density boundary is associated with the underlying Lower Proterozoic formations, which exhibit an excess density of 0.05–0.12 g/cm3. In the Zhezkazgan SFZ, in addition to the aforementioned density boundaries, two additional boundaries are distinguished.
- The roof of the Lower–Upper Permian deposits (Kingir formation) and Middle–Upper Carboniferous (Zhezkazgan, Taskuduk, and, partially, Beleyutin suites) deposits, with a positive excess density of +0.06–+0.08 g/cm3;
- Its approach to the surface and increase in thickness of the sequence, which may lead to the appearance of local second-order positive (Δg) anomalies.
- 2.
- In terms of magnetic properties, the entire thick sedimentary–terrigenous sequence of the structural–formational zones, from the loose cover to the Middle Carboniferous and Permian formations, is practically non-magnetic. The nature of the magnetic field is mainly due to the heterogeneity in the basement lithology and the distribution of intrusive magmatism at depth beneath the Mesozoic–Upper Paleozoic cover, which is practically non-magnetic.
- 3.
- The analysis of electrical parameters across the region shows a gradual increase in electrical resistivity down the section—from a few units for Meso-Cenozoic clays to hundreds and low thousands of Ohm·m for Caledonian basement rocks. Paleozoic and Riphean rocks are characterized by high specific electrical resistivity values (average ρ up to 1000 Ohm·m). In tectonic fault zones, in some cases, they exhibit resistivity values comparable to those of loose sediments and weathering crust formations. Intrusive formations also show high resistivity values (500–8000 Ohm·m).
- 4.
- By studying the velocity characteristics of the area, a generalized velocity model of the medium was constructed, showing a sharp increase in velocities in the upper part of the section up to 5600 m/s. The most distinct velocity boundaries include the base of loose deposits, the base of the Upper Tournaisian formations, the top of Upper Famennian substage limestones, and certain horizons within the productive Carboniferous and Famennian sequences.
- (1)
- The primary direction for further exploration should be implementing detailed seismic surveys within the buried part of the Zhezkazgan syncline using high-resolution seismic methods, accompanied by VSP (Vertical Seismic Profiling), in future studies. This approach will make it possible to study its internal structure and to investigate deep geological heterogeneities, identify promising flexure-type related structures and lifted blocks, and provide recommendations for deep prospecting. The goal is to discover new ore-bearing prospective areas composed of productive deposits of the Taskuduk, Zhezkazgan, and Beleutin formations, particularly those buried beneath a thick sequence of Upper Paleozoic units.
- (2)
- For the detailed study of productive horizons, electrical prospecting should be conducted using IP and CSAMT (VES-VP) methods along profile lines to identify deep anomalous zones of electrical conductivity and polarizability and to establish their relationship with base and rare metal mineralization.
5. Conclusions
Author Contributions
Funding
Data Availability Statement
Conflicts of Interest
Abbreviations
| CDPM | Common depth point method |
| CMRW | Correlation method of refracted waves |
| RWM | Reflected wave method |
| RL | Resistivity logging |
| IPL | Induced polarization logging |
| EP | Electrical profiling |
| DES | Dipole electrical sounding |
| VES | Vertical electrical sounding |
| IP | Induced polarization |
| NFTP | Near-field transient processes |
| VSP | Vertical seismic profiling |
| PM-VSP | Polarization method of vertical seismic profiling |
| SFZ | Structural–formational zone |
| DES | Deep Electrical Sounding |
| SP | Spontaneous Potential |
| LLP | Lateral Logging Probing |
| LVZ | Low-velocity zone |
References
- Ivanov, O.V. Geology of Central Kazakhstan; Science of the KazSSR: Alma-Ata, Kazakhstan, 1969; Volume 3, 229p. [Google Scholar]
- Orlov, I.V. Geology of the USSR, Central Kazakhstan Useful Minerals; Nedra: Moscow, Russia, 1989; 541p. [Google Scholar]
- Abdulin, A.A. Volcanogenic-Sedimentary Lithogenesis and Ore Genesis; Science of the KazSSR: Alma-Ata, Kazakhstan, 1981; 156p. [Google Scholar]
- Syusyura, B.B. Regularities of placement and forecasting of stratiform deposits of non-ferrous metals. Copp.-Bear. Sediment. Form. Kazakhstan 1983, 5, 17–32. [Google Scholar]
- Puchkov, E.V.; Naidenov, B.M. Formation of stratiform lead-zinc deposits of the Atasuy type. Mod. Geol. 1984, 1, 33–40. [Google Scholar]
- Bekzhanov, G.R.; Koshkin, V.Y.; Nikitchenko, I.I.; Skrinnik, L.I.; Azizov, T.M.; Timush, A.V. Geological Structure of Kazakhstan; Academy of Mineral Resources of the Republic of Kazakhstan: Almaty, Kazakhstan, 2000; 396p. (In Russian) [Google Scholar]
- Zaitsev, Y.u.A.; Gabay, N.L.; Golubovsky, V.A.; Potapochkin, V.M.; Martynova, M.V. Geology and Minerals of the Dzhezkazgan Ore Region; Nedra: Moscow, Russia, 1975; 284p. [Google Scholar]
- Satbayev, K.I. Mineral Resources of Kazakhstan: Non-Ferrous Metals (Copper, Lead, Zinc); Ministry of Science—Academy of Sciences of the Republic of Kazakhstan, Central State Archives of the Republic of Kazakhstan: Alma-Ata, Kazakhstan, 1998; Volume 3, 334p. [Google Scholar]
- Satbayev, K.I. Bolshoi Dzhezkazgan; Ministry of Science—Academy of Sciences of the Republic of Kazakhstan, Central State Archives of the Republic of Kazakhstan, Gylym: Alma-Ata, Kazakhstan, 1998; Volume 1, 528p. [Google Scholar]
- Krivtsov, A.I.; Andreev, V.L. Copper Ore Deposits—Types and Conditions of Formation; Nedra: Moscow, Russia, 1987; 198p. [Google Scholar]
- Ayagan, B. Kazakhstan National Encyclopedia; Madeni Mura (Cultural Heritage): Almaty: Kazakhstan, 2005; Volume 3, 560p. [Google Scholar]
- Satpayeva, M.K. Ores of Dzhezkazgan and the conditions of their formation. Science 1985, 1, 11–13. [Google Scholar]
- Seifulin, S.; Nuralin, N.N. Geological and Structural Conditions of the Formation of the Dzhezkazgan Deposit; Nauka: Alma-Ata, Kazakhstan, 1964; 217p. [Google Scholar]
- Nuralin, N.N.; Satpaeva, T.A.; Seifullin, S.S. Dzhezkazgan deposit. In Problems of Geology of Central Asia and Kazakhstan; Nauka: Moscow, Russia, 1964; pp. 133–142. [Google Scholar]
- Satpaeva, M.K.; Tanenov, T.I. Mineralogy of Ores and Zoning of Deposits of the Dzhezkazgan Deposit; Gylym: Almaty, Kazakhstan, 1995; 124p. [Google Scholar]
- Esenov, S.E.; Bakarasov, E.V.; Argenbaev, K.E. Geological and structural features of the Northern group of copper ore deposits of the Dzhezkazgan region. In Bolshoy Dzhezkazgan; Nauka: Alma-Ata, Kazakhstan, 1961; pp. 120–139. [Google Scholar]
- Baibatsha, A.B.; Kulkashev, N.T.; Bekbotaeva, A.A.; Shakirova, G.S. Prospects of Kazakhstan for the identification of non-traditional types of deposits of non-ferrous and precious metals. In Proceedings of the International Conference: Modern Problems of Geology and Exploration of Minerals, Tomsk, Russia, 5–8 October 2010. [Google Scholar]
- Rakishev, B.M. Role and prospects of mineral-raw materials resource in development of economy of Kazakhstan. News Natl. Acad. Sci. Repub. Kazakhstan Ser. Geol. Tech. Sci. 2016, 2, 29–39. [Google Scholar]
- Uzhkenov, B.S.; Alzhanova, B.G.; Petrovsky, V.B.; Fishman, I.L.; Yugin, V.V. Innovative technological schemes of forecasting and prospecting works in the search for copper deposits of the Zhezkazgan type. Kazakhstan 2011, 3, 74–78. [Google Scholar]
- Bybochkin, A.M.; Bykhovskiy, L.Z. Comprehensive Geological and Economic Assessment of Ore Deposits (Methodology Basics); Nedra: Moscow, Russia, 1990; 326p. [Google Scholar]
- Istekova, S.A. Modern methods of analysis and interpretation of geophysical data. News Natl. Acad. Sci. Repub. Kazakhstan Ser. Geol. Tech. Sci. 2006, 4, 23–30. [Google Scholar]
- Sirazhev, A.; Istekova, S. Geological and geophysical conditions for application of 3D seismic in mineral exploration. Proceeedings of the NSG2021 27th European Meeting of Environmental and Engineering Geophysics, Bordeaux, France, 29 August 2021–2 September 2021; Volume 2021, pp. 1–5. [Google Scholar] [CrossRef]
- Malehmir, A.; Durrheim, R.; Bellefleur, G.; Urosevic, M.; Juhlin, C.; White, D.J.; Milkereit, B.; Campbell, G. Seismic methods in mineral exploration and mine planning: A general overview of past and present case histories and a look into the future. Geophysics 2012, 77, WC173–WC190. [Google Scholar] [CrossRef]
- Sirazhev, A.; Istekova, S.; Tolybaeva, D.; Togizov, K.; Temirkhanova, R. Methodology and Results of Detailed 3D Seismic Exploration in the Zhezkazgan Ore District. Appl. Sci. 2025, 15, 567. [Google Scholar] [CrossRef]
- Ellansky, M.M. Petrophysical Foundations of Complex Interpretation of Geophysical Well Survey Data (Methodological Manual); GERS Publishing House: Moscow, Russia, 2001; 229p. [Google Scholar]
- Zinchenko, V.S. Petrophysical Foundations of Hydrogeological and Engineering-Geological Interpretation of Geophysical Data: Textbook for Students of Higher Educational Institutions; AIS Publishing House: Tver, Russia, 2005; 392p. [Google Scholar]
- Istekova, S.; Makarov, A.; Tolybaeva, D.; Sirazhev, A.; Togizov, K. Determining the Boundaries of Overlying Strata Collapse Above Mined-Out Panels of Zhomart Mine Using Seismic Data. Geosciences 2024, 14, 310. [Google Scholar] [CrossRef]
- Dentith, M.; Adams, C.; Bourne, B. The use of petrophysical data in mineral exploration: A perspective. ASEG Ext. Abstr. 2018, 1, 1–4. [Google Scholar] [CrossRef]
- Gubina, A.I.; Pleshkov, L.D.; Luppov, V.I. Petrophysics: Petrophysical Support of Geophysical Methods: Textbook; Perm State National Research University: Perm, Russia, 2016; 183p. [Google Scholar]
- Benevolensky, I.P.; Volozh, Y.u.A.; Lyapichev, G.F.; Patalakha, E.I. Petrophysical characteristics of geological bodies of structural-formational zones. In Petrophysics of Geological Formations. Balkhash Segment; Nauka: Alma-Ata, Kazakhstan, 1988; pp. 34–79. [Google Scholar]
- Kurskeev, A.K. Handbook of Physical Properties of Rocks of Kazakhstan; Nauka: Alma-Ata, Kazakhstan, 1977; 245p. [Google Scholar]
- Smelov, A.A. On the connection of physical properties of rocks with the processes of near-ore change. Issues Ore Geophys. Kazakhstan 1968, 2, 194–199. [Google Scholar]
- Dortman, N.B. Physical properties of rocks and minerals (petrophysics). In Geophysics Handbook; Nedra: Moscow, Russia, 1976; 527p. [Google Scholar]
- Ragdanova, A.; Mataibayeva, I.; Frolova, O.; Agaliyeva, B.; Dolgopolova, A.; Togizov, K. Structural-formational zones with porphyry copper mineralization—A promising mineral resource base for copper in Eastern Kazakhstan. Min. Miner. Depos. 2025, 19, 107–120. [Google Scholar] [CrossRef]
- Kamaliden, A.S. Petrographic characteristics of volcanogenic-sedimentary rocks of the Sarysu-Teniz uplift. Young Sci. 2020, 14, 126–130. [Google Scholar]
- Istekova, S.; Aidarbekov, Z.; Togizov, K.; Saurykov, Z.; Sirazhev, A.; Tolybayeva, D.; Temirkhanova, R. Lithophysical characteristics of productive strata of cupriferous sandstone within Zhezkazgan Ore District in the central Kazakhstan. Min. Miner. Depos. 2024, 18, 9–17. [Google Scholar] [CrossRef]
- Burlin, Y.u.K.; Ivanov, M.K.; Kalmykov, G.A.; Karnyushina, E.E.; Korobova, N.I. Petrophysical Methods of Studying Core Material (Terrigenous Deposits). Study Guide; Moscow University Publishing House: Moscow, Russia, 2008; 112p. [Google Scholar]
- McPhee, K.; Reed, J.; Zubizarretta, I. Laboratory Core Studies: A Guide to Best Practices; Institute of Computer Research: Izhevsk, Russia, 2018; 924p. [Google Scholar]
- Dobrynin, V.M.; Vendelshtein BYu Kozhevnikov, D.A. Petrophysics (Rock Physics): Textbook for Universities, 2nd ed.; Kozhevnikov, D.A., Ed.; FSUE Publishing House “Oil and Gas” of the Gubkin Russian State University of Oil and Gas: Moscow, Russia, 2004; 368p. [Google Scholar]
- Kobranova, V.N. Petrophysics: Textbook for Universities; Nedra: Moscow, Russia, 1986; 392p. [Google Scholar]
- Dortman, N.B. Petrophysics: Handbook. Rocks and Useful Minerals; Nedra: Moscow, Russia, 1992; 391p. [Google Scholar]
- Krylov, S.V.; Bryksin, A.V.; Ten, E.N. Elastic properties of silicate minerals and crystalline rocks for an isotropic model. Geol. Geophys. 1990, 12, 101–112. [Google Scholar]
- Glaznev, V.V. System for creating three-dimensional models of geological objects. Vestn. Voronezh. Univ. Series. Geol. 2000, 8, 205–207. [Google Scholar]
- Stern, D. Practical aspects of scaleup of simulation models. J. Pet. Technol. 2005, 57, 46–52. [Google Scholar] [CrossRef]
- Enkin, R.J.; Hamilton, T.S.; Morris, W.A. The Henkel petrophysical plot: Mineralogy and lithology from physical properties. Geochem. Geophys. Geosyst. 2020, 20, e2019GC008818. [Google Scholar] [CrossRef]
- Kuznetsov, V.G. Lithology. Sedimentary Rocks and Their Study: Textbook for Universities; Nedra Business Center: Moscow, Russia, 2007; 511p. [Google Scholar]
- Salkov, S.A.; Glybovsky, V.A. Features of mineralogy of copper sandstones of the Zhaman-Aibat structure. Petrol. Petrochem. Igneous Rocks Kazakhstan Depos. Assoc. Them 1987, 3, 37–45. [Google Scholar]
- Koshkin, V.Y.; Rakishev, B.M.; Uzhkenov, B.S.; Tsirelson, B.S. Tectonic Map of Kazakhstan Scale 1:1000000; Uzhkenov, B.S., Abdulin, A.A., Koshkin, V.Y., Eds.; Map Made in the Institute of Geological Sciences Named After K.I.Satpaev; Ministry of Energy and Mineral Resourses of the Respublic of Kazakhstan, Committe of Geology and Subsoil Using: Astana, Kazakhstan, 2007. [Google Scholar]
- Aidarbekov, Z.h.K.; Istekova, S.A.; Glass, H. Complex of geophysical research for studying geological structure of Zhezkazgan Ore Region in Kazakhstan. Eng. Min. Geophys. 2021, 1–9. [Google Scholar] [CrossRef]
- Bekeyeva, G.G.; Tungushbayeva, A.T.; Ponomareva, M.V. Mineragenic factors of ore containment in the Zhezkazgan mining district. Int. Sci. J. Symb. Sci. 2024, 12-2-2, 37–41. [Google Scholar]
- Lobanov, K.V. Relationships between tectonic deformations, metamorphism, petrophysical properties of rocks and ore mineralization. In Rocks and Minerals at Great Depths and on the Earth’s Surface: Subprojects. Apatity; MUP Poligraf: Moskow, Russia, 1999; pp. 47–50. [Google Scholar]
- Kassymkanova, K.K.; Istekova, S.; Rysbekov, K.; Amralinova, B.; Kyrgizbayeva, G.; Soltabayeva, S.; Dossetova, G. Improving a geophysical method to determine the boundariesof ore-bearing rocks considering certain tectonic disturbances. Min. Miner. Depos. 2023, 17, 17–27. [Google Scholar] [CrossRef]
- Blake Cross Christopher, L. Kirkland. Petrological control on chargeability with implications for induced polarization surveys. J. Appl. Geophys. 2021, 188, 104308. [Google Scholar]











| № | Age | Lithologies | Layer Velocities V, m/s | Density σ, g/cm3 |
|---|---|---|---|---|
| 1 | Q | Surface sands | - | - |
| 2 | Uz–Kz | Dry sands, loams | 400–1500 | 1.8/1.60–2.60 |
| 3 | Mz | Weathering crust of Paleozoic rocks | 1800 | 1.80/1.60–2.60 |
| 4 | K2 | Variegated and gray clays | 1600–2200 | - |
| 5 | P1–2kn | Dark marls, limestones, sandstones | 5000–5500 | - |
| 6 | P1–2kn | Light marls, sandstones, argillites | 3000–3800 | 2.20 |
| 7 | P1zd | Red and grayish-red sandstones with gypsum inclusions, siltstones | 3000–3800 | 2.20 |
| 8 | P1zd | Argillites, red and grayish-red sandstones with carbonate inclusions | 4400 | 2.47 |
| 9 | P1zd–C3dz | Sandstones | 2.52 | |
| 10 | C3dz | Red and grayish-red sandstones | 4200–4800(up to 5000) | Up to 2.65–2.73 |
| 11 | C2ts | Red and grayish-red sandstones | 4200–4800 | 2.63 |
| 12 | C1v3–s | Red and grayish-red sandstones | 4200–4800 | - |
| Index/Name | Lithologies | Density, σ g/cm3 | Magnetic Sus-ty (χ) 1 × 10−5 Unit SI | ||
|---|---|---|---|---|---|
| Number of Examples | Weighted Average | Number of Examples | Weighted Average | ||
| C2ts Taskuduk | Red siltstones | 25 | 2.7 | 25 | 11.2 |
| Gray and brown sandstones, gravelites | 563 | 2.67 | 610 | 23 | |
| Red-colored sandstones | 318 | 2.65 | 342 | 21 | |
| Sandstones, brownish-gray, greenish-gray, purple, siltstones, conglomerates | 62 | 2.62 | 62 | 86 | |
| Sandstones, gray siltstones | 476 | 2.7 | - | - | |
| Siltstones | 3 | 2.71 | 3 | 136 | |
| Siltstones, sandstones, siliceous limestones | 55 | 2.65 | 55 | 8 | |
| Sandstones, strongly weathered | 25 | 2.09 | 25 | 14 | |
| C2–3dž Zhezkazgan | Sandstones, siltstones | 869 | 2.69 | 943 | 22 |
| Sandstones, reddish-gray, red-colored and gray, conglomerates, silicified limestones | 39 | 2.59 | 39 | 82 | |
| Siltstones, sandstones | 169 | 2.5 | 169 | 7.0 | |
| Siltstones | 319 | 2.68 | 335 | 12.0 | |
| Sandstones, reddish-gray, red-colored and gray sandstones | 766 | 2.68 | 1136 | 18.0 | |
| Sandstones | 66 | 2.61 | 66 | 34 | |
| Brown sandstones, brownish-red siltstones with interlayers of intraformational conglomerates | 235 | 2.7 | 502 | 14 | |
| entry 3 | Tuffaceous sandstones | 10 | 2.33 | 6 | 31 |
| Sandstones, conglomerates | 80 | 2.37 | 80 | 27 | |
| Conglomerates | 15 | 2.63 | 15 | 21 | |
| P1žd Zhidelisai | Siltstones, mudstones | 275 | 2.27 | 379 | 16 |
| Gray siltstones | 46 | 2.64 | 46 | 13 | |
| Red and grayish-red, gray and reddish-gray fine and fine-grained sandstones | 446 | 2.62 | 279 | 14 | |
| Sandstones, siltstones, mudstones | 252 | 2.29 | 238 | 29 | |
| Sandstones, siltstones, siltstones, siltstones, mudstones | 20 | 2.73 | 20 | 7 | |
| Brown siltstones, brownish-red mudstones, siltstones interbedded with mudstones | 253 | 2.26 | - | - | |
| Sandstones | 627 | 2.57 | 9 | 33 | |
| Sandstones, siltstones, mudstones | 282 | 2.42 | 349 | 15 | |
| Salt | 2.2 | - | - | ||
| № | Lithologies | Age | Number of Samples | Specific Electrical Resistivity (ρk), Ohm·m | Density σ, g/cm3 | P-Wave Velocity, km/s | |||
|---|---|---|---|---|---|---|---|---|---|
| min | max | avg | min | max | |||||
| 1 | Sands, sandstones, loams, conglomerates | Mz–Kz | 100 | 2 | 100 | 30 | 0.2 | 1.2 | 0.5–1.5 |
| 2 | Marls, marly limestones, sandstones, siltstones, argillites | P1kn | 300 | 50 | 200 | 100 | 0.5 | 2.0 | 3.5–4.5 |
| 3 | Crimson-red argillites, siltstones, sandstones | P1qd | 270 | 5 | 50 | 30 | 0.2 | 1.0 | 1.8–3.6 |
| 4 | Red-colored fine-grained sandstones, siltstones, argillites | C2–3 | 226 | 150 | 400 | 200 | 0.5 | 1.0 | 4.1–4.6 |
| 5 | Medium-grained brown and gray sandstones, siltstones, conglomerates, limestones | C2–3 | 165 | 300 | 800 | 300 | 0.5 | 2.2 | - |
| 6 | Greenish-gray sandstones, limestones, argillites | C1 | 286 | 50 | 200 | 120 | 0.6 | 2.2 | - |
| 7 | Red arkosic sandstones | D2–3 | 236 | 200 | 500 | 300 | 0.6 | 2.2 | 5.0–5.5 |
| 8 | Conglomerate porphyry formation | D1 | 212 | 200 | 3000 | 300 | 0.6 | 2.2 | - |
| 9 | Schists, porphyroids, effusive sedimentary rocks | Pz1 | 280 | 700 | 5000 | to 1000 | 0.5 | 2.0 | to 6.0 |
| 10 | Metamorphic schists, gneisses, marbles | R | 350 | 500 | 6000 | to 1000 | 0.9 | 2.0 | 6.0–6.5 |
| 11 | Granitoids | D1 | 284 | 500 | 8000 | 1000 | 0.5 | 1.3 | 6.0 |
| 12 | Gabbroids | 272 | 500 | 8000 | 1000 | 0.5 | 1.3 | 6.0 | |
| 13 | Copper ores | C2–3 | 20 | 0.1 | 50 | 20 | 4.0 | 23 | - |
| 14 | Rich copper ores | C2–3 | 30 | 0.05 | 0.1 | 0.07 | 14 | 27 | - |
| Geological Index | Lithologies | Electrical Resistivity (Ohm·m) | Most Frequent Resistivity |
|---|---|---|---|
| Q | Sands and loams | 50–1000 | 100–800 |
| ₧-N | Clays | 2–20 | 7–10 |
| ₧ | “Drainage” sandstones | 100–800 | – |
| K | Sands, gravel | 100–300 | – |
| K | Gravel, pebbles | 10–12 | – |
| K | Clays | 25–30 | – |
| P1–2kn | Marls, interbedding of marls with sandstones and siltstones | 90–350 | – |
| P1–2kn | Marls | 100–300 | 100 |
| P1–2kn | Dense marls, marly clays | 20–50 | – |
| Area | Unit Type | σavg.(n)/S | χavg.(n)/S | ηk avg.(n)/S | Vavg./S |
|---|---|---|---|---|---|
| Zhezkazgan | Zhidelisai suite | 2.66(1195)/0.08 | 18(1169)/- | 2.24(744)/1.86 | 4.46(775)/1.79 |
| Zhezkazgan suite | 2.69(3633)/0073 | 16(3927)/- | 2.81(2299)/2.22 | 4.90(2381)/1.19 | |
| Taskuduk suite | 2.69(2555)/0.75 | 18(2551)/- | 2.88(1684)/1.94 | 5.09(1674)/1.19 | |
| Serpukhovian stage | 2.70(2006)/0.032 | 15(2029)/- | 3.00(1087)/2.37 | 4.97(1088)/1.41 | |
| Akchiy-Spassk | Zhidelisai suite | 2.66(861)/0.054 | 18(829)/- | 2.50(570)/2.00 | 4.38(567)/2.02 |
| Zhezkazgan suite | 2.69(1820)/0031 | 18(1716)/- | 3.16(1123)/2.16 | 4.65(1091)/1.54 | |
| Taskuduk suite | 2.70(773)/0.022 | 16(782)/- | 2.97(569)/2.38 | 4.74(630)/1.67 | |
| Zhezkazgan | Aleurolite | 2.70(624)/0.042 | 18(589)/- | 3.28(328)/3.05 | 4.80(184)/1.44 |
| Sandstone | 2.69(8584)/0.092 | 22(8518)/0.010 | 2.77(5256)/2.04 | 4.92(5836)/1.37 | |
| Fine-grained sandstone (dark/greenish/green-grey) | 2.71(740)/0.019 | 16(768)/- | 2.33(430)/2.35 | 5.02(404)/1.55 | |
| Fine-grained grey sandstone | 2.71(620)/0.018 | 18(628)/- | 2.00(351)/1.81 | 5.39(452)/1.28 | |
| Zhezkazgan | Fine-grained red sandstone | 2.70(2027)/0.061 | 19(2025)/- | 2.29(1198)/2.04 | 4.67(1250)/1.39 |
| Fine-grained dark-grey sandstone | 2.69(311)/0.030 | 16(311)/- | 3.37(148)/2.58 | 4.90(523)/1.93 | |
| Fine-grained grey sandstone | 2.67(2980)/0.070 | 15(2892)/- | 3.22(1955)/1.72 | 4.92(2250)/1.32 | |
| Fine-grained grey-red sandstone | 2.68(791)/0.078 | 19(787)/- | 2.56(466)/1.67 | 5.13(523)/1.33 | |
| Fine-grained reddish-grey sandstone | 2.69(72)/0.035 | 18(70)/- | 1.93(48)/1.24 | 4.98(45)/1.42 | |
| Medium-grained grey sandstone | 2.66(109)/0.024 | 14(111)/- | 3.97(86)/2.02 | 4.45(92)/1.91 | |
| Conglomerate | 2.68(116)/0.030 | 14(119)/- | 3.24(80)/2.13 | 4.94(90)/2.32 | |
| Limestone | 2.70(174)/0.028 | 14(173)/- | 2.38(59)/2.15 | 5.84(61)/1.84 | |
| Organogenic limestone | 2.71(38)/0.027 | 16(38)/- | 2.30(4)/- | 5.47(5)/- | |
| Ore Horizons (Host Rocks) | |||||
| Zhezkazgan | I | 2.70(1106)/0.068 | 21(1120)/- | 2.88(721)/1.99 | 5.10(735)/1.27 |
| II | 2.68(813)/0.026 | 15(821)/- | 3.00(489)/2.39 | 4.87(520)/1.54 | |
| Ore Horizons (Ore Itself) | |||||
| Zhezkazgan | I | 2.63(28)/- | 10(2)/- | - | 5.25(2)/- |
| II | 2.83(36)/0.209 | 13(33)/11.0 | - | 5.60(30)/0.69 | |
| III | 2.77–2.85 | 13–28 | - | 5.19–5.76 | |
| № | Lithologies | Age | Layer Velocities (m/s) | Method of Determination | Region/Location |
|---|---|---|---|---|---|
| 1 | Sands, loams | Q | 400–800 | CMP (CDP) | Zhezkazgan depression |
| 2 | Sandy loams, clays | Kz | 800–2200 | CMP (CDP) | Zhezkazgan depression |
| 3 | Marls, dark-colored limestones | P1–2kn | 4700–5500 | Seismo-logging (VSP) | Boreholes 1700, YU-16, YU-30 |
| 4 | Marls, sandstones, gray siltstones | P1–2kn | 2000–4000 | Seismo-logging (VSP) | Eastern part of depression |
| 5 | Salt | P1–2kn P1žd | 4000–4400 3300–3900 | Seismo-logging, sonic logging | BH YU-30BH YU-29 |
| 6 | Red-colored sandstones, siltstones | P1žd | 1800–2000 3400–4500 | Seismo-logging (VSP) | Zhezkazgan depression BH YU-30, YU-27, YU-29 |
| 7 | Red-colored sandstones (lower section) | P1žd | 4250–4550 | Seismo-logging | BH 7852, 7860 |
| 8 | Brown and gray sandstones, siltstones, argillites | C2–3dž | 4850–4920 | Seismo-logging | BH 7852, 7860, 7862 |
| 9 | Sandstones, siltstones, argillites | C2ts | 5200–5400 | Seismo-logging | BH 7852, 7860, 7862 |
| 10 | Sandstones, limestones | C1v1 | 5000–5900 | Seismo-logging (VSP) | BH YU-23, YU-27, 7862 |
| 11 | Limestones, sandstones | C1t | 5000–6100 | VSP | Flanks of the depression |
| 12 | Limestones | D3fm | 5060 | Seismoscopy | BH 29 |
| 13 | Crystalline schists | PR | 6000–6200 | VSP | Uytas uplift |
Disclaimer/Publisher’s Note: The statements, opinions and data contained in all publications are solely those of the individual author(s) and contributor(s) and not of MDPI and/or the editor(s). MDPI and/or the editor(s) disclaim responsibility for any injury to people or property resulting from any ideas, methods, instructions or products referred to in the content. |
© 2025 by the authors. Licensee MDPI, Basel, Switzerland. This article is an open access article distributed under the terms and conditions of the Creative Commons Attribution (CC BY) license (https://creativecommons.org/licenses/by/4.0/).
Share and Cite
Issayeva, L.; Istekova, S.; Tolybaeva, D.; Togizov, K.; Saurykov, Z.; Issagaliyeva, A. Petrophysical Characteristics of Geological Formations of the Zhezkazgan Ore District (Kazakhstan) and Their Relationship with Mineralization. Minerals 2025, 15, 1106. https://doi.org/10.3390/min15111106
Issayeva L, Istekova S, Tolybaeva D, Togizov K, Saurykov Z, Issagaliyeva A. Petrophysical Characteristics of Geological Formations of the Zhezkazgan Ore District (Kazakhstan) and Their Relationship with Mineralization. Minerals. 2025; 15(11):1106. https://doi.org/10.3390/min15111106
Chicago/Turabian StyleIssayeva, Lyudmila, Sara Istekova, Dina Tolybaeva, Kuanysh Togizov, Zhanibek Saurykov, and Aygul Issagaliyeva. 2025. "Petrophysical Characteristics of Geological Formations of the Zhezkazgan Ore District (Kazakhstan) and Their Relationship with Mineralization" Minerals 15, no. 11: 1106. https://doi.org/10.3390/min15111106
APA StyleIssayeva, L., Istekova, S., Tolybaeva, D., Togizov, K., Saurykov, Z., & Issagaliyeva, A. (2025). Petrophysical Characteristics of Geological Formations of the Zhezkazgan Ore District (Kazakhstan) and Their Relationship with Mineralization. Minerals, 15(11), 1106. https://doi.org/10.3390/min15111106

