Abstract
Phyllite soil and red clay belong to the soils that negatively impact the engineering performance of railway subgrade and may cause subgrade bulges, uneven subgrade settlement, and other subgrade distresses. In order to make full use of these two soils, a collaborative improvement plan was proposed. A series of tests were conducted to analyze the synergistic effects of lime and red clay on the improvement of phyllite soil. The tests included the no loading swelling ratio, swelling pressure, consolidation, and direct shear tests. Additionally, scanning electron microscopy was used to investigate the role of lime and red clay in soil improvement. The test results show that a red clay ratio of 60% + lime content of 3% is the optimal composite improvement scheme. The scheme led to a 93% reduction in the no loading swelling ratio and an 88% reduction in swelling pressure. Additionally, cohesion, the internal friction angle, and the compression modulus increased by 345%, 73%, and 373%. Red clay and lime had weak synergistic improvement effects on the no loading swelling ratio, the swelling pressure, and the internal friction angle of phyllite soil, that is, the synergistic improvement effect of red clay and lime was less than the sum of the single improvement effect but greater than the single improvement effect. Red clay and lime had a strong synergistic improvement effect on the cohesion and the compression modulus of phyllite, that is, the synergistic improvement effect of red clay and lime was greater than the sum of the single improvement effect. The microstructure analysis test results show that red clay can fill the pores of phyllite soil and improve its immediate strength. Through hardening and cementation, lime can enhance the strength of phyllite soil as well as address the issue of the reduced engineering properties of phyllite soil and red clay when exposed to water. Red clay and lime promote each other’s reactions and have a synergistic improvement effect on phyllite soil.
1. Introduction
Phyllite is widely distributed in southern China, covering provinces including Yunnan, Sichuan, Chongqing, Guizhou, Guangxi, Hunan, and Jiangxi. In Jiangxi, it is often found in association with red clay. Phyllite is a low-grade metamorphic rock. It consists of siltstone, mudstone, and medium-acid tuffaceous rock. It is formed through regional low-temperature dynamic metamorphism or dynamic thermal flow metamorphism. Phyllite has distinct phyllite foliation, and its peak strength and elastic modulus are significantly correlated with the bedding angle’s weathering degree [1]. Xu et al. [2] found that water content and a weak plane-loading angle can significantly affect the creep deformation of phyllite. Liu et al. [3] found that moderately and slightly weathered phyllite could be used as subgrade filling, and a weathered phyllite filling with 55% rock had a wider particle distribution and experienced the least breakage, making it suitable for filling subgrade. After full weathering, the fragmentation of debris increases significantly, which will make phyllite have the following characteristics: a high liquid limit, difficult compaction, low bearing capacity of rolled subgrade, low cohesion, high dispersion, and a high no loading swelling ratio [4,5,6]. Particularly, the no loading swelling ratio of phyllite soil can reach 19%–22% [7], exceeding the no loading swelling ratio of ordinary expansive soil [8,9]. Therefore, filling the subgrade directly will cause large expansion deformation. Moreover, phyllite contains hydrophilic minerals, such as smillonite, chlorite, and illite [10], which results in fully weathered phyllite that easily collapses after water immersion, and the compacted subgrade is prone to large deformation [11]. Therefore, fully weathered phyllite is not suitable for directly filling subgrade and is typically regarded as waste and disposed of in open areas outside the construction site, when the land occupied could be used for more beneficial purposes, such as agriculture, forestry, wetlands, or natural reserves. Additionally, it may disrupt soil structure, leading to reduced soil fertility and negatively impacting plant growth and soil ecosystems, thereby endangering the ecological environment. Therefore, it needs to be improved.
To use partially or completely weathered phyllite, it is necessary to improve its properties. Studies often use the California bearing ratio (CBR), the unconfined compressive strength, the resilience modulus, and other important parameters to evaluate the performance of improved soil roads. To use weathered phyllite as subgrade filling, Garzon et al. [12,13] used lime and cement for improvement and concluded that the engineering property indicators of weathered phyllite could be significantly improved with lime and cement after a 7-day curing. The optimal lime content was 3%, and its CBR was 11.7–16.8 times that of the original soil. The optimal cement content was 9%, and the unconfined compressive strength of the improved soil was 2.0 times that of the original soil. Therefore, improved phyllite could be applied to fill highway subgrade. Li et al. [14] found that the CBR of improved phyllite increases with cement content. The CBR of phyllite with 6% cement content is about twice that with 3% cement content, and when the cement content is greater than 3% it can meet the requirements of subgrade specifications. Jiang et al. [15] found that for every 1% increase in cement content, the unconfined compressive strength of phyllite increased by at least 15%, and the modulus of resilience increased by at least 17%. When the cement content was 2%, the modulus of resilience of the subgrade was 64 MPa, which could meet the requirement of the “Class I Highway subgrade”. Mao et al. [16] found that with an increase in cement content, the modulus of resilience of improved phyllite subgrade approximately linearly increased according to the field test. When the cement content was 3%, the modulus of resilience of the subgrade was 66 MPa, which could meet the requirement of the “Class I Highway subgrade”. In these two studies, the required modulus of resilience of the “Class I Highway subgrade” was 30 MPa. In addition, Morales et al. [17] filled the pores of phyllite material by precipitating calcium carbonate from bacteria, thus forming a denser structure and increasing its internal friction angle by 16.5%.
In Jiangxi, China, red clay and phyllite often accompany each other and are difficult to separate, as shown in Figure 1a. Focusing only on the single improvement of red clay or phyllite does not have much reference significance for actual engineering. Therefore, it is necessary to improve red clay and phyllite at the same time. Red clay has high water sensitivity [18] and strongly shrinks and cracks [19,20] after water loss. However, it possesses intricate engineering properties, such as high cohesion and favorable compaction behavior under low moisture content conditions [21]. Tan et al. [22] found that the agglomeration of red clay formed a “hard shell” on the surface of particles, so it had high cohesion. Tang et al. [23] used lime for the improvement of red clay, and the research findings indicated that the addition of lime resulted in a decrease in the liquid limit, the plasticity index, and the maximum dry density of the improved soil, while concurrently enhancing the plastic limit and the optimum moisture content. Chen et al. [24] used lime to modify red clay, and triaxial test results showed that as the lime content increased, the strength of the modified soil increased, showing an enhancement of 282% under a confining pressure of 200 kPa. Scanning electron microscopy (SEM) observations showed that the addition of lime caused the aggregation of particles in the soil and changed the pore structure of the red clay.
Figure 1.
Specimen images: (a) Phyllite and red clay; (b) Phyllite soil; (c) Red clay; (d) Lime.
The above mentioned studies focused on using amendments to improve phyllite and red clay alone; however, there are few studies on the mutual improvement of phyllite and red clay as well as the composite improvement of phyllite soil with other amendments and red clay. Previous research by this research group found that when red clay and cement are used to improve phyllite soil, red clay can rapidly increase the bearing capacity of the improved soil in a short period, while cement enhances soil strength and water stability through a hardening reaction, thereby reducing settlement. In the improvement reaction of lime and cement, both form gelling products between soil particles, thereby enhancing soil strength. Their improvement mechanisms are similar. Additionally, lime can be obtained by heating limestone to a temperature between 800 °C and 1000 °C. Compared with cement, lime is easier to obtain and cheaper. Based on this, lime is more widely used than cement in actual projects. Therefore, this study used lime to modify the mixed soil.
In summary, both phyllite and red clay have unique engineering properties. According to the “Code for Design of Railway Earth Structure” (TB 10001-2016) [25], different types of soils should not be blended for filling, especially special soils, which may lead to the cumulative occurrence of subgrade distresses. Therefore, current research primarily focuses on individual soil improvement using stabilizers, either for red clay or phyllite soil. In order to simultaneously utilize red clay and phyllite soil to promote waste utilization, this study employs an unconventional approach. The approach of mutual improvement of red clay and phyllite soil fills the knowledge gap in which different soils cannot be mixed and filled, especially special soils like red clay and phyllite soil. Building on this approach, a method using red clay and lime to improve phyllite is proposed in this paper. It is a physical–chemical combined improvement method, which can significantly reduce the no loading swelling ratio and swelling pressure and significantly increase shear strength and the compression modulus. According to the results from the comparison of the data of the combined improvement and single improvement methods, the synergic improvement effect of red clay and lime on phyllite is analyzed as follows.
2. Materials and Methods
2.1. Sources and Properties of Testing Materials
Phyllite and red clay used in the experiment are from Ganjiang New District, Nanchang, Jiangxi, and often accompany each other. Phyllite is light yellow or yellowish-brown and has distinct phyllite foliation. Phyllite has a high weathering degree and low hardness (can be broken by hand) and will be broken quickly in the filling process of the subgrade. Wet sieving analysis tests show that phyllite particles smaller than 0.075 mm account for 71% of the total mass; therefore, phyllite can be studied as a fine-grained soil and is called phyllite soil, as shown in Figure 1b. Red clay is red or dark red and has a higher compressive strength at the optimal moisture content, but its compacted subgrade has a higher shrinkage rate and forms reticular cracks under water loss, as shown in Figure 1c. The basic properties of the soil materials are shown in Table 1.
Table 1.
Soil parameters.
We utilized an X-ray diffraction test to determine the mineralogical composition of our soil materials. By comparing peak intensities and diffraction peak widths and conducting quantitative analysis, we were able to determine the percentage content of specific minerals present in the soil. Our analysis was performed using the D8 X-ray diffractometer produced by Bruker, Mannheim, Germany. The test parameters were set as follows: the radiation source was copper, the wavelength was 1.54 nm, the test temperature was 30 °C, monochromator was not used, the Soller slit was 0.04 rad, and the scanning step size was 0.0205°. The scanning angle ranges of red clay and phyllite soil were set to 5–70° and 0–80°, respectively. The mineralogy of the soil materials is shown in Table 2.
Table 2.
Soil mineralogy.
The lime was first-grade calcium magnesium oxide, in which the content of CaO + MgO was no less than 85%, the content of MgO was no less than 5%, the density was 1.35 t/m3, the activity was 260, and the product met the requirements of “Building Quicklime” (JC/T 479-2013) [26]. The specimen is shown in Figure 1d.
2.2. Improved Scheme Design
In tests, the dry mass of phyllite soil is m0, the masses of red clay and lime are m1 and m2, respectively, and the blending ratio of red clay λ and the content of lime η are defined as follows, respectively:
To obtain the change rules of the engineering property parameters with the blending ratio of red clay and the content of lime and to compare the effects of red clay, lime, and their combination to improve phyllite soil, the following improvement schemes were designed: λ = 0%, 20%, 40%, 60%, 80%, and 100%, respectively, and η = 0%, 3%, 5%, and 8%, respectively.
2.3. Specimen Preparation and Testing Method
The specimens were produced according to the requirements for the “Standard for Geotechnical Testing Method” (GB/T 50123-2019) [27]. First, we placed the undisturbed soil in the oven; subsequently, we adjusted the oven temperature to 105 °C for drying. Following the desiccation process, we passed the soil specimen through a 2 mm sieve, weighed the sifted soil specimen proportionately, and deposited it into a mixing basin for thorough homogenization. Post mixing, distilled water was progressively introduced into the specimen until the moisture content reached the predetermined w = 18%. After comprehensive agitation, we transferred it to a compaction vessel and compacted the specimen into a ring cutter specimen with dimensions of Φ 61.8 mm × 20.0 mm. This was to ensure uniform compaction for each specimen so that the compacting factor was 95% and the specimen density was 1.86 t/m3. The specimen picture is shown in Figure 2e.
Figure 2.
The experimental apparatus and specimens. (a) Consolidation apparatus; (b) Direct shear apparatus; (c) Chamber of consolidation apparatus; (d) Chamber of direct shear apparatus; (e) Specimens.
All test specimens were uniform-sized ring cutter specimens, and all specimens were placed in vacuum bags and sealed for curing at room temperature. After curing, we selected 480 specimens for testing whose density differed from 1.86 t/m3 by no more than 0.03 t/m3. The specimens without lime were tested directly, while the specimens with lime were tested after curing. The experimental apparatus is shown in Figure 2.
Through the analysis of test data, we can ascertain the changing rules of various indicators for phyllite-improved soil with the lime content and red clay blending ratio, to evaluate the synergistic improvement effect of lime and red clay and obtain the optimal improvement scheme of red clay and lime. We define the blending ratio with the best improvement effect or the highest improvement in cost-effectiveness as the optimal blending ratio.
2.3.1. No Loading Swelling Ratio Test
After curing the unsoaked specimens for 28 days, we removed them and placed them in the consolidation apparatus (WG-1Z type, Nanjing Nantu Instrument, Nanjing, China). After filling the water box with water, the test commenced. Generally, the no loading swelling ratio was changing fast within the first hour of the test. Therefore, the dial indicator data were recorded at 5, 10, 20, 30, 60, 80, 120, and 360 min. When the vertical deformation was less than 0.01 mm in 6 h, the test ended. The ratio of the specimen’s height to its original height was set as the no loading swelling ratio.
2.3.2. Swelling Pressure Test
The cured specimens were placed into the consolidation apparatus (WG-1Z type, Nanjing Nantu Instrument, Nanjing, China) after filling the water box with water, and the specimens began to expand. When the expansion reached no more than 0.01 mm, we applied a load above the specimens so that the needle still pointed to the initial reading. The process was continuously repeated. It was specified that the expansion amount under 2 h of load should not exceed 0.01 mm. Then, the specimen was defined to be stable under this load, and the total load applied at this time was recorded as the swelling pressure.
2.3.3. Consolidation Test
We placed the cured specimens that had not been immersed into the consolidation apparatus (WG-1Z type, Nanjing Nantu Instrument, Nanjing, China), and vertical loads of 100, and 200 kPa were applied to the consolidation instrument for 24 h. The compression modulus Es in the range of 100–200 kPa was calculated.
2.3.4. Direct Shear Test
We placed the cured specimens, without immersion, into a strain-controlled direct shear apparatus (SDJ-4 type, Nanjing Nantu Instrument, Nanjing, China), and four normal stresses of 50, 100, 150, and 200 kPa were applied at a shear rate of 0.8 mm/min. By recording the peak shear strength values under various stress conditions, we calculated the shear strength indicators of the improved soil, namely the internal friction angle (φ) and cohesion (c).
3. Analysis of the Improvement Effect
3.1. Analysis of the Improvement Effect on the No Loading Swelling Ratio
The larger the no loading swelling ratio, the larger the expansion potentiality of the soil, so the more likely it is that it will cause expansion deformation of the high-speed railway subgrade and the more unfavorable it is to the engineering project. The free swell ratio of phyllite soil is 32%, which is lower than 40%. According to the “Technical Code for Buildings in Expansive Soil Regions” (GB 50112-2013) [28], it cannot be defined as expansive soil. Chu et al. [8,9] found that the no loading swelling ratio of weak and medium expansive soils lies between 14% and 18%. However, the no loading swelling ratio of phyllite soil reached 29%, which exceeded the no loading swelling ratio of weak and medium expansive soils. If it is directly used as subgrade filling, it may cause a large expansion of the subgrade, resulting in subgrade distress. Therefore, the no loading swelling ratio of phyllite soil must be reduced. The variations in the no loading swelling ratio (δe) of the improved soil with the blending ratio of red clay and lime content are shown in Figure 3.
Figure 3.
Effect of λ and η on δe. (a) Effect of λ on δe; (b) Effect of η on δe.
In Figure 3a, when lime content is 0, the δe of the improved soil decreases approximately linearly with the additional ratio of red clay. The δe and λ are linearly correlated, as shown in Equation (3), and the correlation coefficient R2 is 0.9950. Upon the addition of lime, a significant reduction in δe can be observed; however, at λ > 40%, there is no noticeable effect on the reduction in δe.
The variation in δe with η is shown in Figure 2. Taking λ = 0 as an example, the δe at contents of 3%, 5%, and 8% is 67%, 74%, and 84% lower than that of phyllite soil. Increasing η from 0% to 3% has the most significant effect on the decrease in δe, and continuously increasing η has no significant effect on the decrease in δe, so the economic lime content is 3%.
For the unloaded swelling test, when the λ is 60% and the η is 3%, under this combined improvement, δe is 2%, which is 93% lower than that of pure phyllite soil, and the decrement is more significant than that of a single improvement. The improvement effect is relatively minor when adding more lime or red clay. Compared to phyllite soil, δe is reduced by 94% at λ = 60% + η = 5%, 95% at λ = 80% + η = 3%, and 95% at λ = 80% + η = 5%). Compared with λ = 60% + η = 5%, the decrease is not significant. Therefore, the recommended optimal improvement scheme is λ = 40% + η = 3%.
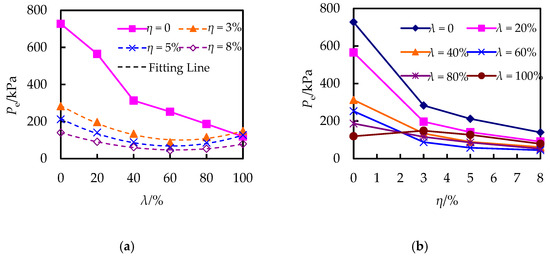
3.2. Analysis of the Improvement Effect on Swelling Pressure
With a higher swelling pressure comes a greater expansive potential. The swelling pressure of the phyllite soil reached 727 kPa, which may cause large expansion deformation of the subgrade. Therefore, an improvement must be made to reduce the swelling pressure. The improvement effect of red clay and lime on the swelling pressure (Pe) is shown in Figure 4.
Figure 4.
Effect of λ and η on Pe. (a) Effect of λ on Pe; (b) Effect of η on Pe.
In Figure 4a, when the blending ratio of red clay increases, the swelling pressure decreases significantly, the rate increases first and then slows down, and there is no optimal blending ratio of red clay. With the addition of lime, the improvement effect of λ on the swelling pressure presents a quadratic function relation. The swelling pressure reaches its minimum value when λ = 60%. When λ = 60% and η = 8%, the minimum Pe is 45 kPa. Equations (4)–(6) present the fitting curves of the swelling pressure change with the λ when η = 3%, 5%, and 8%, respectively, and the correlation coefficient R2 is 0.9869, 0.9880, and 0.9981, respectively.
In Figure 4b, increasing η from 0% to 3% has the most significant effect on reducing the swelling pressure. Taking λ = 0% as an example, when η = 0, 3%, 5%, and 8%, the swelling pressure is reduced by 61%, 71%, and 81%, respectively, when compared with phyllite soil. Under different red clay blending ratios, when the lime content exceeds 3%, the change in the swelling pressure changes significantly slows down. Considering the actual conditions, it is desirable to minimize the use of modification materials as much as possible; therefore, the recommended lime content is 3%.
For the swelling pressure test, the swelling pressure is 88 kPa under a λ = 60% + η = 3% combined improvement, which is 87.9% lower than that of phyllite soil, thus significantly reducing the swelling pressure and the expansive potential of phyllite soil. The improvement effect is relatively minor when adding more lime or red clay. Compared to phyllite soil, Pe is reduced by 92% at λ = 60% + η = 5%, 84% at λ = 80% + η = 3%, and 88% at λ = 80% + η = 5%. When compared with λ = 60% + η = 5%, the decrease is not significant. Therefore, λ = 60% + η = 3% is the recommended optimal improvement scheme.
3.3. Analysis of the Improvement Effect on the Compression Modulus
The compression modulus is the ratio of stress to strain between 100 kPa and 200 kPa in the consolidation test. Es is an important index for calculating settlement, which is the key to controlling subgrade settlement. The effect of red clay and lime on the compression modulus (Es) is shown in Figure 5.
Figure 5.
Effect of λ and η on Es. (a) Effect of λ on Es; (b) Effect of η on Es.
In Figure 5a, the compression modulus of the improved soil increases with an increase in the blending ratio of red clay. The larger the blending ratio of red clay, the larger the increment, thus indicating that the addition of red clay can effectively improve the compression modulus. Therefore, λ = 40% is the optimal blending ratio of red clay.
As η increases, the Es of the improved soil in Figure 5b also increases. The change in η from 0% to 3% has the most significant improvement effect, and continuously increasing the lime content has no significant effect. Taking λ = 40% as an example, when η is 0%, 3%, 5%, and 8%, the Es increases by 45%, 295%, 319%, and 345%, respectively, when compared with phyllite soil. Therefore, η > 3% is uneconomic for improving phyllite soil, and the recommended economic lime content is 3%.
3.4. Analysis of the Improvement Effect on Strength Characteristics
The variations in cohesion (c) and the internal friction angle (φ) of the improved soil with the blending ratio of red clay and lime content are shown in Figure 6.

Figure 6.
Effect of λ and η on shear strength indicators. (a) Effect of λ on c; (b) Effect of η on c; (c) Effect of λ on φ; (d) Effect of η on φ.
According to Figure 6a,b, the cohesion of phyllite soil is 12 kPa, and the cohesion of the improved soil increases with the increase in the blending ratio of red clay or lime content. When η > 3%, the improvement effect of continuously increasing lime content is not significant. Therefore, the economic lime content is 3%, but there is no optimal blending ratio of red clay.
In Figure 6c,d, when the lime content is 0%, the φ of the improved soil first increases and then decreases with the increase in λ, and λ = 60% is the optimal blending ratio of red clay. After adding lime, the φ of the improved soil increases with the increase in λ, and the improvement effect is relatively minor when λ is more than 60%. It can be seen from Figure 5d that φ increases rapidly first and then slowly with the increase in η. Except for λ = 60%, the increase in η from 0% to 3% has the most significant improvement effect on φ. Taking λ = 0% as an example, when η is 3% and 5%, φ increases by 46% and 52%, respectively, when compared with phyllite soil. Therefore, the economic lime content is 3%. It is worth noting that when λ = 60%, φ under η = 0% is very close to the values under η = 3% and η = 5%. At this point, increasing the dosage of η has a minimal effect on the enhancement of φ.
From the above results, it can be seen that when λ = 60% + η = 3%, the no loading swelling ratio, the swelling pressure, the compression modulus, cohesion, and the internal friction angle are 2%, 88 kPa, 13 MPa, 55 kPa, and 37°, respectively. When λ = 0% + η = 8%, the no loading swelling ratio, the swelling pressure, the compression modulus, cohesion, and the internal friction angle are 5%, 140 kPa, 9 MPa, 22 kPa, and 34°, respectively. A comparison shows that the parameters of λ = 60% + η = 3% are stronger than those of λ = 0 + η = 8%. Therefore, adding red clay can effectively reduce the amount of lime, which has a positive effect on environmental protection.
Based on the experimental analysis of the five indexes above, it is concluded that the optimal blending ratio of red clay is 60%, and the optimal lime content is 3%.
4. Evaluation of The Synergistic Effect
Through the analysis of the improvement effects of red clay and lime on phyllite soil in the previous section, it was observed that the composite improvement had superior outcomes as compared to the individual improvements. Therefore, this chapter is dedicated to further researching the synergistic improvement effects of red clay and lime for improving phyllite soil, utilizing the improvement amplitude (%) as a metric for the analysis. The improvement amplitude is calculated as shown in Equations (7)–(9).
where n0 is the data value measured in a test of pure phyllite soil; n1, and n2 are the data values measured in a test of phyllite soil modified by red clay and lime alone; and n3 are the data values measured in a test of phyllite soil synergistically improved with red clay and lime.
A represents the degree of improvement in the experimentally measured data for improving phyllite soil using only red clay. B is defined as the degree of improvement achieved when lime is used as the sole modifier. C represents the degree of improvement when red clay and lime are used in combination for soil improvement.
For all the engineering property indicators of improved soil, the larger the values of A, B, and C, the better the degree of improvement.
To illustrate the synergistic improvement of red clay and lime, according to the test data, the size relationships among A, B, and C can be grouped into the following three cases:
Equation (10) indicates that the combined improvement degree is lower than two single improvement degrees, which is defined as no synergistic improvement. Equation (11) shows that the combined improvement degree is greater than two single improvement degrees but lower than the sum of two single improvement degrees, which is defined as a weak synergistic improvement. Equation (12) shows that the combined improvement degree is greater than the sum of two single improvement degrees, and the improvement effect is “1 + 1 ≥ 2”, which is defined as a strong synergistic improvement.
4.1. Evaluation of The Synergistic Effect on the Combined Improvement
Based on the results above, taking four kinds of combined improvements with red clay blending ratios of 20%, 40%, 60%, and 80% combined with an economic lime content of 3% as examples, a comparison between the single and combined improvements is analyzed to evaluate the synergistic improvement effect of red clay and lime.
As shown in Figure 7, in terms of the improvement effect on the no loading swelling ratio, A + B > C under any condition and C > A or B, which agrees with Equation (11). Therefore, there is a weak synergistic improvement effect for red clay and lime. When the red clay blending ratios are 20% and 40%, C and A + B are very close, which approximates a strong synergistic effect. Then, the C curve tends to be flat, indicating that the synergistic effect depends on the better improvement effect of lime and the linear growth improvement effect of red clay at λ = 20% and 40%. When λ > 40%, the improvement effect of red clay on phyllite soil reaches its maximum limit. With the increase in λ, curve A increases linearly, but it is still smaller than B, and the gap is as low as 13%. Therefore, lime is significantly better than red clay for improving the no loading swelling ratio.
Figure 7.
Synergistic improvement effect on δe.
Figure 8 shows that A + B > C, illustrating that red clay and lime have a weak synergistic improvement effect on the swelling pressure. When λ = 20%, the improvement effect trends toward strong synchronization, and the improvement effect of red clay decreases. When λ = 60%, the improvement effect of red clay on phyllite soil reaches its maximum limit, and the synergistic improvement effect reaches a peak. Then, the inhibiting effect is greater than the lifting effect of red clay; thus, the synergistic improvement effect is reduced, as shown in curve C in Figure 7. In terms of individual improvement, when λ = 20%, the improvement effect of lime is greater than that of red clay. The improvement effect is equivalent when λ = 40% and 60%. With the increase in λ, the improvement effect of red clay is greater than that of lime when λ = 80%.
Figure 8.
Synergistic improvement effect on Pe.
Figure 9 shows that C ≥ A + B, illustrating that red clay and lime have a strong synergistic improvement effect on the Es. C increases linearly, and its increasing ratio is significantly greater than that of A + B, which indicates that the reactions between red clay and lime promote each other. There is no inhibition effect, thus achieving the effect of “1 + 1 ≥ 2”. This is not only beneficial to the application of red clay in engineering but can also further reduce the post-construction settlement of subgrade relative to the individual improvement. In terms of individual improvement, the improvement effect of lime is better than that of red clay: the maximum difference is 156% when λ = 20%, and the minimum difference is 36.18% when λ = 80%.
Figure 9.
Synergistic improvement effect on Es.
Figure 10a shows that except for λ = 60%, C ≥ A + B, illustrating that red clay and lime have a strong synergistic improvement effect on c. When λ ≤ 60%, the growth of A + B is faster than that of C. C only shows the maximum mutually reinforcing effect when λ = 20%. With the increase in λ, the inhibition on the improvement of red clay begins to appear. When λ = 60%, A + B > C, indicating that the synchronization becomes weak. However, when λ = 80%, the improvement degree increases rapidly, and the improvement effect transforms into strong synchronization. The reason is that the synergistic improvement of red clay and lime is inhibited when λ = 60%, and the improvement effect increases slowly. Continuously increasing λ breaks the inhibitory relationship and stimulates the improvement effect. In terms of individual improvement, in addition to λ = 20%, the improvement effect of red clay is better than that of lime.
Figure 10.
Synergistic improvement effect on shear strength indicators. (a) Effect of λ on c; (b) Effect of λ on φ.
Figure 10b shows the weak synergistic improvement effect of red clay and lime on φ. After λ ≥ 40%, C changes little and does not change with A, indicating that the synergistic improvement effect has reached saturation. In other words, the promoting and inhibiting effects offset each other. In terms of individual improvement, the improvement effect of lime is better than that of red clay when λ = 20%. When λ = 40%, the improvement effect is the same. When λ > 40%, the improvement effect of red clay is better than that of lime.
4.2. Discussion on the Optimal Blending Ratio for Improvement
Compared with the single improvement schemes, the combined improvement schemes have a strong synergistic effect on the improvement of the compression modulus and cohesion, achieving the effect of “1 + 1 ≥ 2”. The combined improved schemes have a weak synergistic effect on reducing the swelling pressure and the no loading swelling ratio and increasing the internal friction angle. Red clay can rapidly improve cohesion, the internal friction angle, and the compression modulus of the phyllite soil in the compacting process; hence, the instant strength of the improved phyllite soil can meet the requirements of the code after compacting [29]. However, both red clay and phyllite exhibit a decrease in strength after being saturated with water. Therefore, red clay-improved phyllite soil cannot guarantee the long-term stability of the subgrade. After adding lime, a chemical reaction occurs to generate a hard coagulant substance, greatly improving the water stability of the improved soil. Thus, red clay can temporarily and quickly increase the strength of phyllite soil, and lime solves the problem of long-term weakening after immersion.
According to the test data and the analysis results for synergistic improvement, when lime content exceeds 3%, its effect increases little in reducing the no loading swelling ratio and the swelling pressure and in improving the compression modulus and shear strength. Therefore, the economic and optimal lime content is 3%. When red clay is used for improvement alone, the reduction in the swelling pressure of the improved soil slows down when the blending ratio of red clay is more than 40%. When the blending ratio of red clay is more than 60%, the internal friction angle decreases. Second, in comparison to the quantity of abandoned phyllite soil, red clay is less abundant in Ganjiang New District, Jiangxi Province. Therefore, in order to consume a large amount of phyllite soil, the blending ratio of red clay should be less than 60%.
When lime and red clay are used for composite improvement, the effect on the reduction in the no loading swelling ratio and the swelling pressure and on the improvement in the compression modulus and the shear strength increases slightly when the lime content exceeds 3%. Therefore, the optimal lime content is 3%. The degree of improvement of the combined swelling pressure first increases and then decreases with the increase in the red clay blending ratio. It reaches a maximum when the red clay blending ratio is 60%. When the red clay blending ratio exceeds 60%, the degrees of improvement of the no loading swelling ratio and internal friction angle are small.
To sum up, the recommended ratio of red clay to lime is 60% red clay + 3% cement.
5. Microstructure Analysis of the Composite-Improved Soil
To further explore the improvement mechanism of red clay and lime on phyllite soil, the microscopic mechanism of the composite-improved soil was analyzed using scanning electron microscopy. The field emission scanning electron microscope system (SEM: Model SU8010, Hitachi High-Tech, Tokyo, Japan) was used for the experiment. The magnification was 3 × 105 to 8 × 105 times, and the resolution was 1.0 nm. The test specimens were sliced with a thickness of 1–2 mm and a diameter of 5–10 mm. The slices were dried and observed using scanning electron microscopy.
5.1. Red Clay Improvement Mechanism
Except for a few fragments, most phyllite soil particles after compaction are within 10–50 μm. The particles are mainly in point-point contact, plane-plane contact, and point–plane contact and form an overhead structure, as shown in Figure 11a. Because the strength and hardness of phyllite soil particles are low, the particles are easy to break by hand and produce large deformation under the action of shear and compressive stresses. Therefore, phyllite soil has a small compression modulus and low shear strength. The size of red clay is between 5 μm and 10 μm. During the compaction process, red clay particles can be arranged within the voids of phyllite soil, as shown in Figure 11b, increasing its bulk density and forming a certain compact structure. This significantly enhances the particles’ contact surface area during shear processes and reduces soil compressibility under load; this process increases the soil’s shear strength and its compressive modulus. It can be said that using red clay to improve phyllite soil is a kind of physical improvement. It is worth noting that phyllite soil and red clay lose strength when exposed to water. Therefore, the improvement effect of red clay on the compression modulus of phyllite soil (the consolidation test is the immersion test) is much smaller than that of lime.
Figure 11.
Comparison of microstructures of phyllite soil and red clay-improved soil (the SEM image is magnified 5000 times). (a) SEM diagram of phyllite soil; (b) SEM diagram of red clay-improved soil.
5.2. Lime Improvement Mechanism
After adding lime, a hydration reaction occurs, as shown in Equation (13). The free Ca2+ after hydrolysis will undergo an ion exchange, a gelling reaction, and carbonation, in which Ca2+ exchanges Na+ and K+ in red clay particles. These reactions result in the thinning of the water film covering the soil particles’ surfaces and in the agglomeration and sedimentation of soil blocks. Thus, the no loading swelling ratio and swelling pressure of phyllite soil are significantly reduced.
At the later stage of the ion exchange, the silica gel SiO2 and the aluminum gel Al2O3 in the viscous soil will react with OH− to form the silica hydrate colloid CaO·SiO2·nH2O and the aluminum hydrate colloid CaO·Al2O3·nH2O, as shown in Equations (14) and (15). Among them, OH− comes from lime hydrolysis. These two kinds of gels can harden in the two-phase environments of soil and water, forming a stable protective film around the soil aggregates with a strong bonding force and cementing the soil aggregates to form a network structure, as shown in Figure 12 and Figure 13. These effects increase the strength of the improved soil and keep it stable for a long time. At the same time, the protective film can also prevent water from entering, which is an important mechanism for lime to improve the compression modulus and reduce the swelling pressure.
Figure 12.
Improvement mechanisms of lime and red clay on phyllite soil. (a) Lime improvement; (b) Synergistic improvement.
Figure 13.
Microstructure diagrams of phyllite soil compositely improved with lime and red clay (the SEM images of (a,b) are magnified 30,000 times; the SEM image of (c) is magnified 25,000 times). (a) λ = 20% + η = 3%; (b) λ = 40% + η = 3%; (c) λ = 40% + η = 5%.
In addition, Ca(OH)2 generated by lime hydration will carbonate with CO2, as shown in Equation (16). The generated CaCO3 solid can fill the pores of the soil specimen, thus improving the strength of the soil.
When the phyllite soil is improved with lime alone, lime reaction products can only form a little cementation at the contact point of the phyllite soil particles, as shown in Figure 12. Therefore, the improvement of lime alone on the shear strength is lower than that of red clay.
5.3. Synergistic Improvement Mechanism of Red Clay and Lime
When red clay and lime are combined to improve phyllite soil, the improvement effect of 3%–5% lime is not greatly elevated mainly because of the quantity of generated cementation; this can be seen from Figure 13b,c. The cementitious products do not exhibit linear growth with an increase in lime content. The cementitious products in soil improved with 5% lime content show only a marginal increase as compared to soil improved with 3% lime.
Figure 13a is the SEM diagram of the composite-improved soil with a lime content of 3% and a red clay blending ratio of 20%. Although the red clay fills the pores among phyllite soil particles and the lime generates some cementation, red clay content is small, and the red clay only scatters in some pores, resulting in uneven cementation in the pores. Therefore, the improvement effect on the indexes is limited.
Figure 13b is a SEM diagram of the composite-improved soil with a lime content of 3% and a red clay blending ratio of 40%. Due to the increased red clay blending ratio, red clay particles effectively fill the overhead structure of the phyllite soil particles, which reduces the distance between the particles and increases their contact area. The hard coagulated products generated by the lime are more evenly distributed in the pores (as shown in Figure 12b). Thus, this constitutes a further enhancement of the various engineering property indicators of the improved soil. The clay particles are aggregated due to ion exchange, which greatly improves the submerged compression modulus of the improved soil. In other words, the improvements of red clay and lime promote each other, so that the composite improved index is better than that of red clay or lime alone. The improvement effect on the compression modulus and cohesion is more significant, achieving a strong synergistic improvement effect.
6. Conclusions
This study proposes a method for the composite improvement of phyllite soil using red clay and lime, as well as an assessment method for evaluating the synergistic effects of red clay and lime. Red clay can rapidly improve the shear strength of phyllite soil after compacting, providing immediate bearing capacity for the compacted subgrade and facilitating the rapid construction of the subgrade. Lime can improve water stability, the compressive modulus, and the shear strength of phyllite soil. Their combination can mutually enhance each other’s reactions and exhibit synergistic improvement effects on the various performance indicators of phyllite:
- When phyllite soil is improved with red clay and lime separately, the no loading swelling ratio, the swelling pressure, the compression modulus, cohesion, and the internal friction angle are significantly improved;
- The composite improvement effect of red clay and lime is better than that of red clay and lime alone. There is a strong synergistic improvement effect on the compression modulus and cohesion and a weak synergistic improvement effect on the no loading swelling ratio, the swelling pressure, and the internal friction angle. The optimal composite improvement scheme is λ = 60% + η = 3%, where lime is better than red clay for improving the no loading swelling ratio and the compression modulus. Red clay is better than lime for improving cohesion, while the effects of improving the internal friction angle and swelling pressure are similar;
- The composite improvement mechanism can be generalized as the filling of pores, ion exchange, the covering of soil particles, and cementation. By filling phyllite soil pores with red clay, the contact mode changes, and the pores between particles are reduced. When the blending ratio of red clay is greater than 40%, red clay will react with lime to form a more uniform cementation network in the pores. Ion exchange and hard gel bonding occur after lime hydrolysis, which greatly improve the water stability of the improved soil. The mutual promotion of red clay and lime is the synergistic mechanism of complex improvement;
- In the process of the synergistic improvement of the no loading swelling ratio, the swelling pressure, and the internal friction angle, there is an inhibition effect, while in the process of the synergistic improvement of cohesion, there is a promotion effect.
The results of this study are of great significance for advancing the understanding of the engineering properties of phyllite soil compositely improved with lime and red clay and for providing technical guidance and theoretical support for soil improvement projects. Future research should explore the impact of other modification materials on the performance of phyllite soil, further enhancing the effectiveness of phyllite soil improvement projects.
Author Contributions
Conceptualization, L.Z. and X.Z.; methodology, L.Z. and X.Z.; resources, Z.C. and J.R.; data curation, Z.C. and J.R.; writing—original draft, L.Z. and X.Z.; writing—review and editing, L.Z. and A.C.; supervision, A.C.; funding acquisition, X.Z. and L.M. All authors have read and agreed to the published version of the manuscript.
Funding
National Natural Science Foundation of China (52068027, 51668018, 51768021); Science and Technology Project of Jiangxi Provincial Department of Transportation (2021Z0004).
Data Availability Statement
Not applicable.
Acknowledgments
The authors wish to thank Zhihong Zhao and Hong Zhang for their suggestions in the study and would also like to thank Bing Fang for his assistance in some portions of the experiments.
Conflicts of Interest
The authors declare no conflict of interest.
Correction Statement
This article has been republished with a minor correction to the existing affiliation information. This change does not affect the scientific content of the article.
References
- Ma, L.-H.; Chen, J.; Zhao, Y.-F.; Zhang, C.; Liu, R.; Ren, S. Water content and bedding angle effects on the mechanical properties and micro-/macro-failure mechanism of phyllite. Arab. J. Sci. Eng. 2022, 47, 13151–13169. [Google Scholar] [CrossRef]
- Xu, G.; He, C.; Chen, Z.; Yang, Q. Transversely isotropic creep behavior of phyllite and its influence on the long-term safety of the secondary lining of tunnels. Eng. Geol. 2020, 278, 105834. [Google Scholar] [CrossRef]
- Liu, F.F.; Mao, X.S.; Fan, Y.S.; Wu, L.; Liu, W.V. Effects of initial particle gradation and rock content on crushing behaviors of weathered phyllite fills–A case of eastern Ankang Section of Shiyan–Tianshui Highway, China. J. Rock Mech. Geotech. Eng. 2020, 12, 269–278. [Google Scholar] [CrossRef]
- Zhao, L.; Liang, Q.G.; Zhang, Y.J.; Yin, Y. Experimental study on water stability of phyllite waste slag as subgrade filling. Railw. Eng. 2011, 2011, 86–88. [Google Scholar] [CrossRef]
- Zhao, X.S.; Zhao, L.H.; Wang, Z.Y.; Fu, Z.T.; Geng, D.X.; Rao, J.L.; Chen, Z.X. Road properties of completely weathered phyllite composite improved soil. J. Traffic Transp. Eng. 2021, 21, 147–159. [Google Scholar] [CrossRef]
- Zhao, L.Y.; Liu, B.J.; Wang, S.T. Experimental study on road engineering property of compaction phyllite material abandoning. Ind. Constr. 2011, 41, 84–87. [Google Scholar] [CrossRef]
- Zhao, X.S.; Zhao, L.H.; Chen, Z.X.; Rao, J.L.; Geng, D.X.; Mo, L.L. Fissure evolution laws of completely weathered phyllite, red clay and its improved soil. China J. Highw. Transp. 2021, 34, 323–334. [Google Scholar] [CrossRef]
- Chu, Y.; Zha, F.S.; Liu, S.Y.; Cai, G.-J. Evaluation of expansibility of expansive soil using resistivity method. Rock Soil Mech. 2017, 38, 157–164. [Google Scholar] [CrossRef]
- Wang, S.; Li, T.T.; Wang, L.; Nie, Q. Research on deformation disciplines of compacted expansive soil in Nanyang. Hydro-Sci. Eng. 2011, 33, 36–41. [Google Scholar] [CrossRef]
- Garzon, E.; Sanchez-soto, P.J.; Romero, E. Physical and geotechnical properties of clay phyllites. Appl. Clay Sci. 2010, 48, 307–318. [Google Scholar] [CrossRef]
- Liu, F.F.; Mao, X.S.; Zhang, H.J.; Liu, L.; Wu, Q. Investigating the deformation property of weathered phyllite filling subgrade. J. Test. Eval. 2020, 48, 20170743. [Google Scholar] [CrossRef]
- Garzón, E.; Cano, M.; O’kelly, B.C.; Sánchez-Soto, P.J. Phyllite clay–cement composites having improved engineering properties and material applications. Appl. Clay Sci. 2015, 114, 229–233. [Google Scholar] [CrossRef]
- Garzón, E.; Cano, M.; O’kelly, B.C.; Sánchez-Soto, P.J. Effect of lime on stabilization of phyllite clays. Appl. Clay Sci. 2016, 123, 329–334. [Google Scholar] [CrossRef]
- Li, X.P.; Lu, Y.N.; Wu, X.H. Interior experimental study on engineering properties of the modified tonhaltig phyllite. Adv. Mater. Res. 2011, 243, 2586–2590. [Google Scholar] [CrossRef]
- Jiang, Y.J.; Fan, J.T.; Yi, Y.; Tian, T.; Yuan, K.; Deng, C. Investigation on cement-improved phyllite based on the vertical vibration compaction method. PLoS ONE 2021, 16, e0247599. [Google Scholar] [CrossRef]
- Mao, X.S.; Miller, C.J.; Liu, L.Q. Cement improved highly weathered phyllite for highway subgrades: A case study in Shaanxi Province. J. Traffic Transp. Eng. Engl. Ed. 2017, 4, 403–411. [Google Scholar] [CrossRef]
- Morales, L.; Garzón, E.; Romero, E.; Sánchez-Soto, P. Microbiological induced carbonate (CaCO3) precipitation using clay phyllites to replace chemical stabilizers (cement or lime)—ScienceDirect. Appl. Clay Sci. 2019, 174, 15–28. [Google Scholar] [CrossRef]
- Li, L.F.; Gong, W.L.; Deng, H.L.; Zhang, X.; Li, G. Distribution pattern of anchorage stress and water sensitivity analysis of red clay. Shock Vib. 2020, 2020, 6272576. [Google Scholar] [CrossRef]
- Xiao, G.Y.; Ye, Z.M.; Xu, G.L.; Zeng, J.; Zhang, L. Temperature effect on crack evolution of red clay in Guilin. Water 2021, 13, 3025. [Google Scholar] [CrossRef]
- Xie, Y.H.; Zhang, B.H.; Liu, B.C.; Zeng, Z.; Zhang, Y.; Zheng, Y. Shrinkage cracking and strength deterioration of red clay under cyclic drying and wetting. Alex. Eng. J. 2022, 61, 2574–2588. [Google Scholar] [CrossRef]
- Zhao, X.S.; Tan, Z.Y.; Li, K.; Zheng, W.; Mo, L. Experiment study on influencing factors of compaction effect of compaction pile in red clay foundation. J. Railw. Sci. Eng. 2018, 15, 1730–1737. [Google Scholar] [CrossRef]
- Tan, Y.Z.; Hu, Y.; Zhan, S.H.; Liu, W.; Ming, H.J. Effects of aggregate sizes on hydro-mechanical performances of treated laterite. Chin. J. Geotech. Eng. 2021, 42, 2323–2329. [Google Scholar] [CrossRef]
- Tang, H.; Yang, Z.Q.; Zhu, H.T.; Dong, H. Experimental Study on the Mechanical Properties of Xinyang Red Clay Improved by Lime and Fly Ash. Appl. Sci. 2023, 13, 6271. [Google Scholar] [CrossRef]
- Chen, L.J.; Chen, X.J.; Wang, H.; Huang, X.; Song, Y. Mechanical properties and microstructure of lime-treated red clay. KSCE J. Civ. Eng. 2021, 25, 70–77. [Google Scholar] [CrossRef]
- TB 10001-2016; Code for Design of Railway Earth Structure. Available online: https://www.chinesestandard.net/PDF.aspx/TB10001-2016 (accessed on 17 July 2023). (In Chinese)
- JC/T 479-2013; Building Quicklime. Available online: https://www.chinesestandard.net/PDF/English.aspx/JCT479-2013 (accessed on 17 July 2023). (In Chinese)
- GB/T 50123-2019; Standard for Geotechnical Testing Method. Available online: http://121.36.94.83:9008/jsp/yishenqing/appladd/biaozhunfile/flash/previewImg.jsp?bzMax=GB%252FT%2B50123-2019 (accessed on 17 July 2023). (In Chinese)
- GB 50112-2013; Technical Code for Buildings in Expansive Soil Regions. Available online: https://www.mohurd.gov.cn/gongkai/zhengce/zhengcefilelib/201301/20130105_224623.html (accessed on 17 July 2023). (In Chinese)
- He, K.Y.; Yan, Z.M.; Rong, H.L.; Pan, D.S.; Wei, L. Study and application of different evaluation methods for cement improved over wet complex soil. Highway 2021, 66, 156–160. Available online: https://kns.cnki.net/kcms/detail/11.1668.U.20210906.1556.046.html (accessed on 17 July 2023).
Disclaimer/Publisher’s Note: The statements, opinions and data contained in all publications are solely those of the individual author(s) and contributor(s) and not of MDPI and/or the editor(s). MDPI and/or the editor(s) disclaim responsibility for any injury to people or property resulting from any ideas, methods, instructions or products referred to in the content. |
© 2023 by the authors. Licensee MDPI, Basel, Switzerland. This article is an open access article distributed under the terms and conditions of the Creative Commons Attribution (CC BY) license (https://creativecommons.org/licenses/by/4.0/).













